Электрическая схема 2007 Epica 27. PARKING ASSIST SYSTEM (PAS) К началу документа
Epica
На предыдущую страницу На следующую страницу
Главная страница GMDE Загрузить нединамическое оглавление Загрузить динамическое оглавление Помощь



27. PARKING ASSIST SYSTEM (PAS)

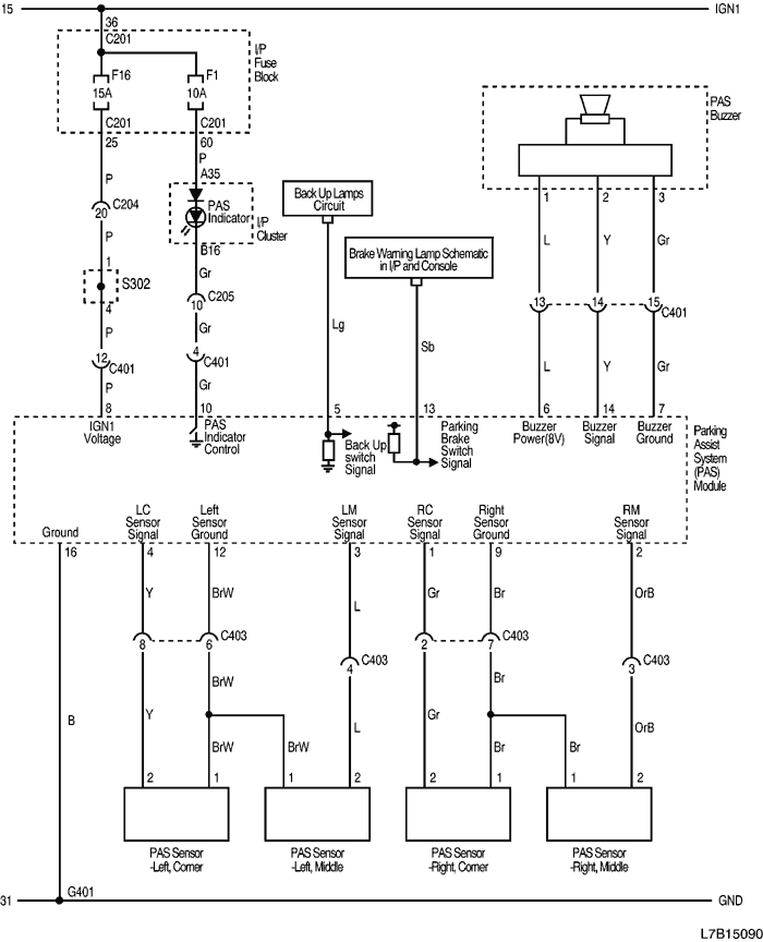
1) PARKING ASSIST CIRCUIT

L7B15090.png
Показать иллюстрациюПеревод текста в иллюстрациях


а. ИНФОРМАЦИЯ О РАЗЪЁМЕ

№ РАЗЪЁМА
(№ И ЦВЕТ КОНТАКТА)
СОЕДИНИТЕЛЬНЫЙ ЖГУТ ПРОВОДОВ ПОЛОЖЕНИЕ РАЗЪЁМА
C201 (76 Pin, Black) IP - I/P fuse block I/P fuse block
C204 (22 Pin, White) IP - Body Connector box at the bottom of right A pillar
C205 (23 Pin, White) IP - Body Connector box at the bottom of right A pillar
C401 (16 Pin, White) Trunk Room - Body On the left side panel in trunk room
C403 (8 Pin, Black) Trunk Room - Rear Bumper Behind the center of rear bumper
G401 Trunk Room Left side panel of trunk room

б. УСЛОВНОЕ ОБОЗНАЧЕНИЕ & И НАХОЖДЕНИЕ НОМЕРА КОНТАКТА

L7B1P088.png
Показать иллюстрациюПеревод текста в иллюстрациях


в. РАСПОЛОЖЕНИЕ РАЗЪЁМОВ И СОЕДИНЕНИЙ МАССЫ

L7B12011.png
Показать иллюстрациюПеревод текста в иллюстрациях


г. КОНТАКТНАЯ КОЛОДКА

S302

L7B2S003.png
Показать иллюстрациюПеревод текста в иллюстрациях


На предыдущую страницу На следующую страницу


Главная страница сайта