Руководство по техническому обслуживанию2007 Epica К началу документа
Epica
На предыдущую страницуНа следующую страницу
Главная страница GMDEЗагрузить нединамическое оглавлениеЗагрузить динамическое оглавлениеПомощь

РАЗДЕЛ

ДИАГНОСТИКА

Диагностика двигателя

Просмотр предоставленного описания и информации по работе системы поможет определить, обусловливает ли условие, описанное заказчиком, дефектную или нормальную работу двигателя.

Признаки

Диагностика на основе стратегии

  1. Просмотрите техописание системы, чтобы ознакомиться с ее функциями, см. раздел 1A2, "Общие сведения о двигателе - дизель 2.0 раздел 1A2, "Общие сведения о двигателе - дизель 2.0 и раздел 1F2, "Органы управления двигателем - дизель 2.0 - общие сведения".
  2. Выполните диагностическую проверку системы управления двигателем, см. раздел 1F2, "Органы управления двигателем - дизель 2.0 - диагностика".
Вся диагностика на автомобиле должна соответствовать логическому процессу. Диагностика на основе стратегии представляет собой унифицированный подход для осуществления ремонта всех систем автомобиля. Схема последовательности процесса в диагностике на основе стратегии всегда может быть использована для решения системных проблем. Схема последовательности процесса диагностики – это тот исходный пункт, с которого следует начинать, когда требуются ремонты. Подробное описание диагностики на основе стратегии и схемы последовательности операций см. в разделе 1F2, "Органы управления двигателем - дизель 2.0 - диагностика.

Визуальный / физический осмотр

  1. Осмотреть автомобиль на наличие оборудования, дополнительно устанавливаемого на автомобиль после его продажи, которое может отрицательно влиять на работу двигателя.
  2. Осмотреть легко доступные или хорошо видимые компоненты системы для четкого обнаружения признаков повреждения или условий, которые могут вызвать данный признак.
  3. Проверить систему смазки двигателя следующим образом:
  4. Подтвердить точность рабочих условий, при которых происходит нарушение нормальной работы двигателя. Обратить внимание на такие факторы, как:
  5. Сравнить рабочие шумы двигателя, если приемлемо, с шумами заведомо исправно работающего двигателя, чтобы убедиться в том, что не предпринимается попытка диагностики нормальных рабочих условий.

Перемежающиеся

При периодически повторяющихся неисправностях протестировать автомобиль в тех же самых условиях, которые сообщил заказчик, с целью проверки правильности работы системы.

Проверка компрессии

Внимание! Во избежание запуска двигателя отсоедините разъем датчика положения коленчатого вала (CKP). Но не удаляйте предохранитель топливного насоса из коробки предохранителей и не отсоединяйте разъем насоса высокого давления с целью предотвращения запуска двигателя. Так как насос высокого давления смазывается топливом благодаря топливному насосу, если удалить предохранитель топливного насоса или отсоединить разъем насоса высокого давления, будет поврежден насос высокого давления. Проверьте давление компрессии для каждого цилиндра. Низкое давление компрессии может привести к неисправности клапанов и цилиндров. При проверке компрессии цилиндров примите во внимание следующие условия:

  1. Отсоедините разъем датчика угла поворота коленчатого вала (CKP).
  2. Удалите реле топливного насоса из блока предохранителей в моторном отсеке.
  3. Снимите форсунку № 1 с головки цилиндров.
  4. В течение 5 секунд проворачивайте коленчатый вал двигателя стартером, чтобы удалить посторонние вещества, имеющиеся в цилиндре.
  5. Установите манометр давления сжатия (EN-48248) в отверстие форсунки проверяемого цилиндра.

Примечание: Манометр давления сжатия и форсунка имеют схожую конфигурацию. Поэтому процедура установки манометра давления сжатия подобна установке форсунки. См. раздел 1F2, "Органы управления двигателем".

  1. С помощью стартера автомобиля вращайте или проворачивайте коленчатый вал двигатель не более 10 секунд с интервалами в 30 секунд.

Внимание! Во время испытания давления компрессии в проверяемом цилиндре из топливопроводов стороны форсунок может появиться течь топлива. Чтобы из топливопроводов на кожух двигателя не капало топливо, подставьте какую-нибудь емкость.

  1. В норме показание манометра давления сжатия для каждого из цилиндров должно быть 2600 кПа (377 фунт/кв. дюйм). Максимальный перепад давлений между каждым цилиндром составляет примерно 10 %.
  2. Посмотрите данные измерителя, полученные по четырем "толчкам" на каждый цилиндр от проворачивания коленвала двигателя. Пояснения показаниям даны в следующих описаниях:
  3. Повторить на оставшихся цилиндрах шаги с 1 по 7 приведенной выше процедуры.

Проверка давления масла

ШагОперацияЗначенияДаНет
1
Горит ли сигнализатор давления масла?
-
Перейти к операции 2
Система в норме
2
Проверьте уровень масла в картере.
Низок ли уровень масла?
-
Перейти к операции 3
Перейти к операции 4
3
Добавить масла до отметки уровня на индикаторе.
Закончен ли ремонт?
-
Перейти к операции 1
-
4
Проверьте частоту вращения на холостом ходу.
Частота вращения на холостом ходу ниже установленного значения?
840 ± 20 об/мин
Перейти к операции 5
Перейти к операции 6
5
Увеличьте частоту вращения на холостом ходу.
Увеличилась ли частота вращения на холостом ходу?
-
Перейти к операции 1
-
6
Проверьте датчик давления масла.
Датчик давления масла неточен или неисправен?
-
Перейти к операции 7
Перейти к операции 8
7
Установите новый датчик давления масла.
Закончен ли ремонт?
-
Перейти к операции 1
-
8
Проверьте сигнализатор давления масла.
Сигнализатор давления масла неточен или неисправен?
-
Перейти к операции 9
Перейти к операции 10
9
Установите новый сигнализатор давления масла.
Закончен ли ремонт?
-
Перейти к операции 1
-
10
Проверьте моторное масло.
Моторное масло в картере разжижено или имеет ненадлежащую вязкость?
-
Перейти к операции 11
Перейти к операции 12
11
Залейте новое моторное масло с вязкостью, соответствующей ожидаемым температурам.
Закончен ли ремонт?
-
Перейти к операции 1
-
12
Проверьте масляный насос.
Насос изношен или грязен?
-
Перейти к операции 13
Перейти к операции 14
13
Замените масляный насос.
Закончен ли ремонт?
-
Перейти к операции 1
-
14
Проверьте масляный фильтр.
Засорен ли масляный фильтр?
-
Перейти к операции 15
Перейти к операции 16
15
Установите новый масляный фильтр.
Закончен ли ремонт?
-
Перейти к операции 1
-
16
Проверьте сетку для фильтрации масла.
Сетка для фильтрации масла ослаблена или засорена?
-
Перейти к операции 17
Перейти к операции 18
17
Затяните или замените сетку для фильтрации масла, если необходимо.
Закончен ли ремонт?
-
Перейти к операции 1
-
18
Проверьте масляную трубку.
Есть ли отверстия в масляной трубке?
-
Перейти к операции 19
Перейти к операции 20
19
Замените масляную трубку.
Закончен ли ремонт?
-
Перейти к операции 1
-
20
Проверьте зазоры в подшипниках.
Зазоры в подшипниках больше установленных значений?
Масляный зазор вкладыша коренного подшипника коленчатого вала 0,024 ~ 0,042 мм (0,00094 ~ 0,00115 дюйма)
Перейти к операции 21
Перейти к операции 22
21
Замените подшипник, если необходимо.
Закончен ли ремонт?
-
Перейти к операции 1
-
22
Проверьте каналы для смазки.
Каналы для смазки сломаны, имеют пористость или засорены?
-
Перейти к операции 23
Перейти к операции 24
23
Отремонтируйте или замените блок цилиндров двигателя.
Закончен ли ремонт?
-
Перейти к операции 1
-
24
Проверьте заглушки каналов для смазки.
Есть ли отсутствующие или неправильно установленные заглушки каналов для смазки?
-
Перейти к операции 25
Перейти к операции 26
25
Установите или отремонтируйте заглушки, если необходимо.
Закончен ли ремонт?
-
Перейти к операции 1
-
26
Проверьте распределительный вал.
Распределительный вал изношен или плохо обработан на станке?
-
Перейти к операции 27
Система в норме
27
Замените распределительный вал.
Закончен ли ремонт?
-
Перейти к операции 1
-

Диагностика утечки масла

Большинство утечек масла легко определяются и устраняются путем осмотра и замены или ремонта необходимых деталей. В некоторых случаях утечки жидкости трудно обнаружить или устранить. Нижеописанные процедуры помогут вам обнаруживать и устранять большинство утечек.

Обнаружение утечки:

  1. Идентифицируйте жидкость. Определите, какая это жидкость - моторное масло, жидкость для автоматической трансмиссии, жидкость гидроусилителя рулевого управления и т.д.
  2. Определите место, откуда идет утечка.
    1. После поездки на автомобиле при нормальной рабочей температуре запаркуйте автомобиль над большим листом бумаги.
    2. Подождите несколько минут.
    3. Установите примерное расположение утечки по каплям на бумаге.
  3. Осмотрите сомнительные компоненты. Проверьте все сопрягаемые поверхности прокладок на утечки. Для обнаружения утечек в труднодоступных местах рекомендуется использовать зеркало.
  4. Если утечку все-таки невозможно обнаружить, необходимо очистить сомнительные места обезжиривателем, паром или аэрозольным растворителем.
    1. Тщательно очистите зону предполагаемой утечки.
    2. Высушите зону предполагаемой утечки.
    3. Совершите поездку на несколько миль при нормальной рабочей температуре и различных скоростях.
    4. После поездки осмотрите сомнительный компонент.
    5. Если вы не можете определить место утечки, попробуйте использовать порошок, невидимую подсветку и метод окрашивания.

Порошковый метод:

  1. Очистите зону предполагаемой утечки.
  2. Нанесите аэрозольный порошок (например, порошок для ног) на зону предполагаемой утечки.
  3. Совершите поездку при нормальных условиях эксплуатации.
  4. Осмотрите сомнительный компонент. Проследите путь утечки по белой порошковой поверхности до источника.

Невидимая подсветка и метод окрашивания:

В продаже имеются комплекты красителя и подсветки для обнаружения утечек. Следуйте указаниям изготовителя при использовании комлекта.
  1. Налейте необходимое количество краски в маслоналивную трубку двигателя.
  2. Совершите поездку при нормальных условиях эксплуатации, как указано в инструкции к комплекту.
  3. Направьте свет на зону предполагаемой утечки. Окрашенная жидкость покажет путь к источнику утечки желтым цветом.

Устранение утечки

После того, как происхождение утечки было определено и прослежено до его источника, необходимо установить причину утечки для проведения необходимого ремонта. Если прокладка заменена, но уплотнительный фланец изогнут, то новая прокладка не устранит утечку. Изогнутый фланец также должен быть отремонтирован. Перед попыткой устранения утечки проверьте следующие условия и исправьте их, так как они могут быть причиной утечки.

Прокладки:

Уплотнения:

Первоначальный пропуск зажигания без возникновения внутренних шумов в двигателе

СОСТОЯНИЕ
Операция, действие
Аномалии (серьезное растрескивание, неровности или отсутствие участков) ремня привода вспомогательных агрегатов.
А также износ, повреждения или перекос компонентов привода агрегатов или чрезмерное биение шкива.
Аномалии ремня и/или компонентов привода вспомогательных агрегатов могут вызывать колебания частоты вращения двигателя, шумы, как при неисправности в нижней части двигателя, а также приводить к пропуску зажигания. Код пропуска зажигания может появиться и без наличия реальных условий, вызывающих пропуск зажигания.
  1. Осмотреть компоненты привода вспомогательных агрегатов.
  2. Отремонтировать или заменить все поврежденные компоненты.
Ослабленное крепление и/или повреждение шкива коленчатого вала
Код пропуска зажигания может появиться и без наличия реальных условий, вызывающих пропуск зажигания.
  1. Осмотреть шкив коленчатого вала и болт шкива.
  2. Отремонтировать или заменить все поврежденные компоненты.
Ослабленное крепление болтов гидротрансформатора
Код пропуска зажигания может появиться и без наличия реальных условий, вызывающих пропуск зажигания.
  1. Осмотреть болты гидротрансформатора и маховик.
  2. Отремонтировать или заменить все поврежденные компоненты.
Ослабленное крепление и/или повреждение маховика
Код пропуска зажигания может появиться и без наличия реальных условий, вызывающих пропуск зажигания.
  1. Осмотреть маховик и болты крепления маховика.
  2. Отремонтировать или заменить все поврежденные компоненты.
Препятствие в системе выхлопа
Серьезное препятствие в потоке выхлопных газов может вызывать значительные ухудшение технических характеристик двигателя и может установить код пропуска зажигания. К возможным причинам препятствий относятся смятые или деформированные трубы, забитые глушители и/или каталитические нейтрализаторы.
Отремонтировать или заменить все поврежденные компоненты.
Воздух в топливной системе
  1. Осмотреть топливный фильтр, топливную систему на наличие утечек и/или препятствий.
  2. Отремонтировать или заменить все поврежденные компоненты.
Перегиб и/или износ мостика клапанов и пальца-толкателя.
  1. Осмотреть мостик клапанов и палец-толкатель клапана.
  2. Отремонтировать или заменить все поврежденные компоненты.
Заедание клапана
Нагар на штоке клапана или седле клапана может вызывать заедание клапана.
  1. Осмотреть клапаны и направляющие клапанов.
  2. Отремонтировать или заменить все поврежденные компоненты.
Повреждение или перекос распределительных шестерен.
  1. Осмотреть распределительные шестерни.
  2. Заменить все поврежденные компоненты.
Износ или неисправность кулачков распределительного вала
  1. Осмотреть кулачки распределительного вала.
  2. Отремонтировать или заменить все поврежденные компоненты.
Чрезмерный зазор между поршнем и расточкой цилиндра
  1. Выполнить проверки компрессии.
  2. Осмотреть поршень, поршневые кольца и расточку цилиндра.
  3. Отремонтировать или заменить все поврежденные компоненты.
Неисправность и/или растрескивание прокладок головок цилиндров или другие повреждения каналов системы охлаждения головок цилиндров и блока цилиндров двигателя. (Расход охлаждающей жидкости может вызывать, а может и не вызывать перегрев двигателя.)
  1. Выполнить проверки компрессии.
  2. Осмотреть поршень, поршневые кольца и расточку цилиндра.
  3. Отремонтировать или заменить все поврежденные компоненты.

Первоначальный пропуск зажигания с возникновением ненормальных внутренних шумов в нижней части двигателя

СОСТОЯНИЕ
Операция, действие
Аномалии (серьезное растрескивание, неровности или отсутствие участков) ремня привода вспомогательных агрегатов.
Аномалии ремня и/или компонентов привода вспомогательных агрегатов могут вызывать колебания частоты вращения двигателя, шумы, как при неисправности в нижней части двигателя, а также приводить к пропуску зажигания. Код пропуска зажигания может появиться и без наличия реальных условий, вызывающих пропуск зажигания.
  1. Осмотреть компоненты привода вспомогательных агрегатов.
  2. Отремонтировать или заменить все поврежденные компоненты.
Износ, повреждения или перекос компонентов привода агрегатов или чрезмерное биение шкива.
Код пропуска зажигания может появиться и без наличия реальных условий, вызывающих пропуск зажигания.
  1. Осмотреть компоненты привода вспомогательных агрегатов.
  2. Отремонтировать или заменить все поврежденные компоненты.
Ослабленное крепление и/или повреждение шкива коленчатого вала
Код пропуска зажигания может появиться и без наличия реальных условий, вызывающих пропуск зажигания.
  1. Осмотреть шкив коленчатого вала и болт шкива.
  2. Отремонтировать или заменить все поврежденные компоненты.
Ослабленное крепление болтов гидротрансформатора
Код пропуска зажигания может появиться и без наличия реальных условий, вызывающих пропуск зажигания.
  1. Осмотреть болты гидротрансформатора и маховик.
  2. Отремонтировать или заменить все поврежденные компоненты.
Ослабленное крепление и/или повреждение маховика
Код пропуска зажигания может появиться и без наличия реальных условий, вызывающих пропуск зажигания.
  1. Осмотреть маховик и болты крепления маховика.
  2. Отремонтировать или заменить все поврежденные компоненты.
Чрезмерный зазор между поршнем и расточкой цилиндра
  1. Выполнить проверки герметичности цилиндра и компрессии.
  2. Осмотреть поршень, поршневые кольца и внутреннюю поверхность цилиндра.
  3. Отремонтировать или заменить все поврежденные компоненты.
Чрезмерный зазор упорного подшипника коленчатого вала
Серьезный износ упорных поверхностей коленчатого вала и/или упорного подшипника может допускать перемещение в передней и задней чисти коленчатого вала и создавать код пропуска зажигания без наличия реальных условий, вызывающих пропуск зажигания.
  1. Осмотреть осевой зазор коленчатого вала и упорные подшипники коленчатого вала.
  2. Отремонтировать или заменить все поврежденные компоненты.

Первоначальный пропуск зажигания с возникновением ненормальных шумов клапанного механизма

СОСТОЯНИЕ
Операция, действие
Ослабленное крепление, износ или повреждение мостика клапанов и пальца-толкателя
  1. Осмотреть мостик клапанов и палец-толкатель.
  2. Отремонтировать или заменить все поврежденные компоненты.
Сломанные пружины клапанов
  1. Осмотреть пружины клапанов.
  2. Отремонтировать или заменить все поврежденные компоненты.
Заедание клапана
Нагар на штоке клапана или седле клапана может вызывать заедание клапана.
  1. Осмотреть клапаны и направляющие клапанов.
  2. Отремонтировать или заменить все поврежденные компоненты.
Износ или неисправность кулачков распределительного вала
  1. Осмотреть кулачки распределительного вала.
  2. Отремонтировать или заменить все поврежденные компоненты.

Первоначальный пропуск зажигания с расходом охлаждающей жидкости

Проверка
Операция, действие
Определение: Первоначальный пропуск зажигания с расходом охлаждающей жидкости
Предварительный осмотр
Убедиться в отсутствии внешних утечек охлаждающей жидкости. См. раздел 1D2, "Охлаждение двигателя - дизель 2.0".
Локализовать поврежденные цилиндры
  • Проверить балансировку цилиндров с помощью диагностического прибора.
  • Давление в системе охлаждения.
  • Осмотреть свечи накаливания.
  • Проверить компрессию.
Визуальная проверка системы рециркуляции отработавших газов (EGR)
  • Осмотреть клапан рециркуляции отработавших газов (EGR) и систему впуска на наличие признаков утечки охлаждающей жидкости.
  • При обнаружении любых проблем заменить охладитель системы рециркуляции отработавших газов.
Утечка в прокладке головки цилиндров
  • Снять головки цилиндров ряда с поврежденным цилиндром и осмотреть на наличие повреждений.
  • При необходимости заменить компоненты.
Повреждение головки цилиндров или блока цилиндров двигателя
  • Осмотреть головки цилиндров на наличие трещин.
  • Осмотреть блок цилиндров на наличие повреждений.
  • Осмотреть поверхность сопряжения головки с блоком цилиндров на предмет прямизны.
  • При необходимости заменить компоненты.

Первоначальный пропуск зажигания с чрезмерным расходом масла

СОСТОЯНИЕ
Операция, действие
Износ направляющих клапанов
  1. Осмотреть клапаны и направляющие клапанов.
  2. Отремонтировать или заменить все поврежденные компоненты.
Износ сальников штоков клапанов
  1. Осмотреть сальники штоков клапанов.
  2. Отремонтировать или заменить все поврежденные компоненты.
Чрезмерный зазор между поршнем и расточкой цилиндра
  1. Для выяснения причины выполнить проверки компрессии.
  2. Осмотреть поршневые кольца на наличие низкого кольцевого напряжения, разрушенных или изношенных колец.
  3. Осмотреть расточку цилиндра.
  4. Отремонтировать или заменить все поврежденные компоненты.

Шум двигателя при запуске, продолжающийся всего несколько секунд

СОСТОЯНИЕ
Операция, действие
Ненадлежащая вязкость масла
  1. Слить масло.
  2. Залить масло с надлежащей вязкостью.
Чрезмерный зазор между поршнем и расточкой цилиндра
  1. Осмотреть поршень и юбку поршня, шатун и расточку цилиндра.
  2. Отремонтировать или заменить все поврежденные компоненты.

Шум в верхней части двигателя независимо от частоты вращения двигателя

СОСТОЯНИЕ
Операция, действие
Низкое давление масла
Недостаточное количество или низкое качество масла, подаваемого в клапанный механизм.
  1. Выполнить проверку давления масла.
  2. Отремонтировать или заменить все поврежденные компоненты.
Неправильная смазка пальца-толкателя клапана
  1. Осмотреть палец-толкатель клапана, мостик клапанов, подъемник толкателя пальца клапана, масляный насос и масляные каналы в блоке цилиндров двигателя.
  2. Отремонтировать или заменить все поврежденные компоненты.
Износ или повреждение пальца-толкателя клапана
  1. Осмотреть мостик клапанов и палец-толкатель.
  2. Отремонтировать или заменить все поврежденные компоненты.
Заедание клапана
Нагар на штоке клапана или седле клапана может вызывать заедание клапана.
  1. Осмотреть клапаны и направляющие клапанов.
  2. Отремонтировать или заменить все поврежденные компоненты.
Износ или неисправность кулачков распределительного вала
  1. Осмотреть кулачки распределительного вала.
  2. При повреждении заменить распределительный вал и все пальцы-толкатели клапанов.
Повреждение или перекос распределительных шестерен.
  1. Осмотреть распределительные шестерни.
  2. Заменить все поврежденные компоненты.

Шум в нижней части двигателя независимо от частоты вращения двигателя

СОСТОЯНИЕ
Операция, действие
Износ компонентов привода агрегатов (такие аномалии, как серьезное растрескивание, неровности или отсутствующие участки на ремне привода вспомогательных агрегатов и/или перекос компонентов системы).
  1. Осмотреть компоненты привода вспомогательных агрегатов.
  2. Отремонтировать или заменить все поврежденные компоненты.
Низкое давление масла
Недостаточное количество или низкое качество масла, подаваемого на коленчатый вал и шатунные подшипники.
  1. Выполнить проверку давления масла.
  2. Отремонтировать или заменить все поврежденные компоненты.
Течь и/или заедание сопла впрыска топлива (заедание сопла впрыска топлива может вызывать шум как при повреждении поршня, шатуна или шатунного подшипника).
  1. Проверить баланс цилиндров диагностическим прибором, чтобы облегчить определение цилиндра, являющегося источником шума.
  2. Если не удается определить, какой из цилиндров является источником шума, выполнить диагностирование двигателя на наличие механических повреждений.
  3. Если установлено, что шум вызывает сопло впрыска топлива, заменить сопло впрыска топлива.
Ослабленное крепление и/или повреждение шкива коленчатого вала
  1. Осмотреть шкив коленчатого вала и болт шкива.
  2. Отремонтировать или заменить все поврежденные компоненты.
Ослабленное крепление болтов гидротрансформатора
  1. Осмотреть болты гидротрансформатора и маховик.
  2. Отремонтировать или заменить все поврежденные компоненты.
Ослабленное крепление и/или повреждение маховика
  1. Осмотреть маховик и болты крепления маховика.
  2. Отремонтировать или заменить все поврежденные компоненты.
Чрезмерный зазор между поршневым пальцем и расточкой
  1. Осмотреть поршень, поршневой палец и шатун.
  2. Отремонтировать или заменить все поврежденные компоненты.
Перекос или изгиб шатуна
  1. Осмотреть шатун и шатунные подшипники.
  2. Отремонтировать или заменить все поврежденные компоненты.
Чрезмерный зазор шатунного подшипника
  1. Осмотреть шатунные подшипники, шатуны, коленчатый вал и шейки коленчатого вала.
  2. Отремонтировать или заменить все поврежденные компоненты.
Чрезмерный зазор коренного подшипника
  1. Осмотреть коренные подшипники и шейки коленчатого вала.
  2. Отремонтировать или заменить все поврежденные компоненты.

Шум двигателя под нагрузкой

Причина
Устранение
Низкое давление масла
Недостаточное количество или низкое качество масла, подаваемого в компоненты.
  1. Выполнить проверку давления масла.
  2. Отремонтировать или заменить все поврежденные компоненты.
Ослабленное крепление болтов гидротрансформатора
  1. Осмотреть болты гидротрансформатора и маховик.
  2. Отремонтировать или заменить все поврежденные компоненты.
Ослабленное крепление и/или повреждение маховика
  1. Осмотреть маховик и болты крепления маховика.
  2. Отремонтировать или заменить все поврежденные компоненты.
Чрезмерный зазор между поршнем и расточкой цилиндра
  1. Осмотреть поршневые кольца на наличие низкого кольцевого напряжения, разрушенных или изношенных колец, осмотреть расточку цилиндра.
  2. Отремонтировать или заменить все поврежденные компоненты.
Чрезмерный зазор упорного подшипника коленчатого вала
  1. Осмотреть осевой зазор коленчатого вала и упорные подшипники коленчатого вала.
  2. Отремонтировать или заменить все поврежденные компоненты.
Чрезмерный зазор коренного подшипника
  1. Осмотреть коренные подшипники и шейки коленчатого вала.
  2. Отремонтировать или заменить все поврежденные компоненты.

Двигатель не запускается – коленчатый вал не проворачивается

Причина
Устранение
Заедает компонент системы привода вспомогательных агрегатов
  1. Внимательно осмотреть компоненты системы привода вспомогательных агрегатов.
  2. Отремонтировать или заменить все поврежденные компоненты.
Гидравлически заблокирован цилиндр
    • Охлаждающая жидкость/антифриз в цилиндре
    • Масло в цилиндре
    • Топливо в цилиндре
  1. Убедиться в отсутствии повреждений прокладки головки цилиндров.
  2. Убедиться в отсутствии трещин в блоке цилиндров или головке цилиндров.
  3. Проверить топливную форсунку на наличие налипаний.
Заедание гидротрансформатора АКПП
  1. Снимите двигатель в сборе. При установке двигателя на коробку передач отсутствует доступ к болтам гидротрансформатора.
  2. Вращать коленчатый вал за шкив.
Заедание механической КПП
  1. Выключить муфту сцепления.
  2. Вращать коленчатый вал за шкив.
См. "Руководство по ремонту агрегата - механическая КПП".
Посторонний материал в цилиндре:
    • Сломан клапан
    • Материал поршня
    • Посторонние предметы
  • Внимательно осмотреть цилиндр на наличие поврежденных компонентов и/или посторонних материалов.
  • Отремонтировать или заменить при необходимости.
Заедание коленчатого вала или шатунных подшипников
  • Осмотреть подшипники коленвала и шатуна.
  • При необходимости отремонтировать.
Деформирован или разрушен шатун
  • Проверить шатуны.
  • При необходимости отремонтировать.
Разрушен коленчатый вал
  • Осмотреть коленчатый вал.
  • При необходимости отремонтировать.

Охлаждающая жидкость попала в камеру сгорания

Проверка
Операция, действие
Определение: Выброс из выхлопной трубы избыточного количества белого дыма и/или запах охлаждающей жидкости могут указывать на наличие охлаждающей жидкости в камере сгорания. Низкие уровни охлаждающей жидкости, неэффективная работа вентилятора системы охлаждения или неисправный термостат могут привести к условиям "чрезмерной температуры", что может вызвать повреждение компонентов двигателя.
Предварительный осмотр
Убедиться в отсутствии внешних утечек охлаждающей жидкости. См. раздел 1D2, "Охлаждение двигателя - дизель 2.0".
Локализовать поврежденные цилиндры
  • Проверить балансировку цилиндров с помощью диагностического прибора.
  • Давление в системе охлаждения
  • Проверить компрессию
Визуальная проверка системы рециркуляции отработавших газов (EGR)
  • Осмотреть клапан рециркуляции отработавших газов (EGR) и систему впуска на наличие признаков утечки охлаждающей жидкости.
  • При обнаружении любых проблем заменить охладитель системы рециркуляции отработавших газов.
Утечка в прокладке головки цилиндров
  • Снять головки цилиндров ряда с поврежденным цилиндром и осмотреть на наличие повреждений.
  • При необходимости заменить компоненты.
Повреждение головки цилиндров или блока цилиндров двигателя
  • Осмотреть головки цилиндров на наличие трещин.
  • Осмотреть блок цилиндров на наличие повреждений.
  • Осмотреть поверхность сопряжения головки с блоком цилиндров на предмет прямизны.
  • При необходимости заменить компоненты.

Охлаждающая жидкость попала в моторное масло.

Причина
Устранение
Определение: Пенистое или изменившее цвет масло или же перезалив масла в двигатель могут указывать на попадание охлаждающей жидкости в картер двигателя. Низкие уровни охлаждающей жидкости, неэффективная работа вентилятора системы охлаждения или неисправный термостат могут привести к условиям "чрезмерной температуры", что может вызвать повреждение компонентов двигателя. Загрязненное моторное масло и загрязненный масляный фильтр должны быть заменены.
  1. Проверить масло на избыточное вспенивание или проверить на избыточную заливку масла в двигатель. Масло, разбавленное охлаждающей жидкостью, может неэффективно смазывать коренные подшипники, что может привести к повреждению компонентов двигателя. См. "Шум в нижней части двигателя независимо от частоты вращения двигателя" в этом разделе.
  2. Проверку провести, испытывая цилиндр на возможность утечек. Во время этой проверки избыточное количество воздушных пузырьков в системе охлаждения может указывать на неисправность уплотнительной прокладки или повреждение компонентов.
  3. Осмотр произвести при проведении проверки на степень сжатия в цилиндре. Наличие низкой степени сжатия в двух рядом расположенных цилиндрах блока цилиндров двигателя может указывать на разрушение уплотнительной прокладки головки цилиндров. См. "Проверка компрессии двигателя" в этом разделе.
Неисправна прокладка головки цилиндров
При необходимости заменить уплотнительную прокладку и компоненты головки цилиндров. См. Раздел 1B, Механическая система двигателя - 2.0 Дизель.
Деформирована головка цилиндров
Заменить прокладку головки цилиндров. См. Раздел 1B, Механическая система двигателя - 2.0 Дизель.
Растрескалась головка цилиндров
Заменить головку цилиндров и прокладку.
Трещины в блоке цилиндров двигателя
При необходимости заменить эти компоненты двигателя.
Пористость головки цилиндров, блока или коллектора
При необходимости заменить эти компоненты двигателя.
Течь в масляном радиаторе системы охлаждения двигателя
При необходимости заменить компоненты.

Топливо попало в моторное масло

Определение: Если имеется подозрение на протекание топлива в картер, для проверки его правильности необходимо выполнить следующую процедуру.
  1. Снять указатель уровня масла и капнуть маслом на чистую белую бумажную салфетку.
  2. Если масло разбавлено топливом, это обнаружится по тому, как салфетка будет впитывать топливо из капли масла на салфетке. Топливо расползется в виде кольца вокруг капли масла.
  3. Если обнаружится разжижение топливом, осмотреть установленное в процессе послепродажного обслуживания автомобиля дополнительное оборудование, которое могло вызвать повреждение насоса впрыска. После завершения ремонтных работ выполните тест еще раз, чтобы убедиться в устранении неисправности.
  4. Если разжижения топливом нет, проверить уровень масла и при необходимости откорректировать.

Воющий шум турбонагнетателя

СОСТОЯНИЕ
Операция, действие
Некоторый воющий шум является нормой. Сравнить с заведомо исправным автомобилем.
Утечка в охладителе/трубках/шлангах нагнетаемого воздуха
Осмотреть на наличие утечек в охладителе/трубках/шлангах нагнетаемого воздуха.
Износ подшипников турбонагнетателя
Осмотреть подшипники турбонагнетателя. См. "Недостаточная подача масла в турбонагнетатель" в этом разделе.
При износе или повреждении подшипников турбонагнетателя произвести ремонт или заменить турбонагнетатель.
Утечки или препятствия в системе впуска
Осмотреть на наличие утечек или препятствий во впускном коллекторе.

Свистящий шум турбонагнетателя

СОСТОЯНИЕ
Операция, действие
Утечки или препятствия в воздухозаборнике
Осмотреть на наличие утечек или препятствий во впускных трубках/шлангах турбонагнетателя.
Утечка в охладителе/трубках/шлангах нагнетаемого воздуха
Осмотреть на наличие утечек или препятствий в охладителе/трубках/шлангах нагнетаемого воздуха.
Утечки или препятствия в системе выпуска отработавших газов
  1. Осмотреть на наличие утечек в системе выпуска отработавших газов.
  2. Осмотреть на наличие препятствий в системе выпуска отработавших газов.
Утечки или препятствия в системе впуска
  1. Осмотреть на наличие утечек во впускных коллекторах.
  2. Осмотреть на наличие препятствий во впускных коллекторах.

Утечка масла в турбонагнетателе из-под уплотнения компрессора

СОСТОЯНИЕ
Операция, действие

Важно: Попадание масла в воздушный впускной канал турбонагнетателя, на крыльчатку турбокомпрессора и в систему охладителя нагнетаемого воздуха является нормой, когда закрыта система принудительной вентиляции картера (PCV). Не пытайтесь это устранять.

Препятствие в воздушной системе
Осмотреть на наличие засорения вкладыша воздушного фильтра или препятствия в системе впуска воздуха.
Препятствие в системе выхлопа
Осмотреть на наличие препятствий в выпуске.
Утечки в системе выпуска отработавших газов.
Осмотреть на наличие утечек в выпускном коллекторе.
Недостаточный сток масла из турбонагнетателя
Осмотреть сливную масляную трубку турбонагнетателя на наличие препятствия.
Препятствие в системе вентиляции картера
Осмотреть систему вентиляции картера на наличие препятствия.
Износ внутренних компонентов двигателя
Осмотреть на наличие чрезмерного прорыва газов или расхода моторного масла.

Утечка масла в турбонагнетателе из-под уплотнения турбины

СОСТОЯНИЕ
Операция, действие
Недостаточный сток масла из турбонагнетателя
Осмотреть сливную масляную трубку турбонагнетателя на наличие препятствия.
Препятствие в системе вентиляции картера
Осмотреть систему вентиляции картера на наличие препятствия.
Износ внутренних компонентов двигателя
Осмотреть на наличие чрезмерного прорыва газов или расхода моторного масла.

Недостаточная подача масла в турбонагнетатель

СОСТОЯНИЕ
Операция, действие
Препятствие в подающем маслопроводе
Осмотреть подающий маслопровод турбонагнетателя на наличие препятствия.
Течь масла в подающем маслопроводе
Осмотреть подающий маслопровод турбонагнетателя

Свист ремня привода

Примечание: Свист при запуске в холодных условиях с повышенной влажностью, уменьшающийся, как только автомобиль прогреется до рабочей температуры, считается нормой.

Диагностическая информация

Симптом может проявляться непостоянно из-за влаги на приводных ремнях или шкивах. Возможно, необходимо распылить немного воды на приводной ремень, чтобы продублировать условие и подтвердить жалобу клиента. Если распыление воды на систему приводных ремней повторяет симптом, решением проблемы может стать очистка ременных шкивов.
Причиной шума может быть ослабленное крепление или неправильная установка компонента кузова, компонента подвески или другой предмета.

Описание проверки

Номера пунктов ниже являются номерами шагов в диагностической таблице.
  1. Шум, возможно, не связан с работой двигателя. На этом этапе следует получить подтверждение того, что шум издает двигатель. Если шум издает не двигатель, не следует продолжать эту процедуру диагностики.
  2. Этот шум может быть вызван внутренними узлами двигателя. Если снять приводной ремень и дать двигателю немного поработать, можно подтвердить или опровергнуть то, что шум связан с приводным ремнем.
  3. Осмотреть все шкивы приводных ремней на предмет пиллинга.

Примечание: Пиллинг - это образование маленьких шариков (наростов) или полосок резины в углублениях приводного ремня, вызванное накоплением резиновой пыли.

  1. Перекос шкивов системы привода агрегатов может быть вызван неправильным креплением компонента привода агрегатов (компрессора кондиционера, генератора и т.п.) или шкива. Перекос также может быть вызван неправильной установкой шкива во время предыдущего ремонта. Проверить выравнивание шкивов по плоскости, приложив линейку к канавкам двух или трех шкивов. Если обнаружен перекос шкива, см. информацию по обслуживанию соответствующего компонента относительно процедур установки и снятия.
  2. Осмотр крепежа может устранить вероятность того, что был установлен неправильный крепеж.
  3. Осмотр шкивов на наличие изгибов должен включать в себя проверку наличия вмятин и других повреждений, которые препятствовали бы правильной посадке приводного ремня во всех канавках шкивов или на гладкой поверхности, когда обратная сторона ремня используется как приводная поверхность.
  4. Замена приводного ремня, если он не поврежден и нет чрезмерных вкраплений частиц пыли, будет только временным ремонтом.

Диагностическая таблица

Примечание: Свист при запуске в холодных условиях с повышенной влажностью, уменьшающийся, как только автомобиль прогреется до рабочей температуры, считается нормой.

Определение: Свист ремня привода вспомогательных агрегатов может быть охарактеризован как высокотональный звук, который слышен при вращении приводного ремня или шкива.
ШагОперацияЗначенияДаНет
1
Вы просмотрели информацию, приведенную в разделе "Симптомы", и выполнили требуемые проверки?
-
Перейти к операции 2
Перейти к пункту Симптомы
2
Подтвердить жалобу клиента. Есть ли свистящий шум?
-
Перейти к операции 3
См. рекомендации по диагностике в этом разделе
3
  1. Снять приводной ремень, см. раздел 1B, "Механическая часть двигателя - дизель 2.0".
  2. Дать двигателю поработать не более 40 секунд.
Свистящий звук все еще имеется?
-
Система привода вспомогательных агрегатов в порядке.
Перейти к разделу "Признаки неисправности" и выполнить диагностику шума.
Перейти к операции 4
4
Осмотреть на наличие серьезного пиллинга, то есть такого, который превышает 33 % глубины канавки ремня.
Имеется ли в канавках приводного ремня пиллинг?
-
Перейти к операции 5
Перейти к операции 6
5
Очистить шкивы приводного ремня проволочной щеткой.
Ременные шкивы очищены?
-
Перейти к операции 15
Перейти к операции 6
6
Осмотреть шкивы на наличие перекоса.
Есть ли перекос шкивов?
-
Перейти к операции 7
Перейти к операции 8
7
Заменить или отремонтировать шкивы с перекосом.
Ремонт завершен?
-
Перейти к операции 15
-
8
Осмотреть кронштейны крепления компонентов привода агрегатов на наличие изгибов или повреждений.
Обнаружены ли кронштейны с изгибами или повреждениями?
-
Перейти к операции 9
Перейти к операции 10
9
Заменить или отремонтировать любые кронштейны с изгибами или повреждениями.
Завершен ли ремонт?
-
Перейти к операции 15
-
10
Осмотреть на наличие отсутствующего, ослабленного или неправильного крепежа.
Найден ли отсутствующий, ослабленный или неправильный крепеж?
-
Перейти к операции 11
Перейти к операции 12
11
Затянуть весь ослабленный крепеж с моментом, соответствующим техническим требованиям.
Заменить весь неправильный или отсутствующий крепеж.
Завершен ли ремонт?
-
Перейти к операции 15
-
12
Осмотреть шкив на наличие изгибов.
Обнаружены ли шкивы с изгибами?
-
Перейти к операции 13
Перейти к операции 14
13
При необходимости заменить шкивы с изгибами.
Ремонт завершен?
-
Перейти к операции 15
-
14
Заменить ремень привода вспомогательных агрегатов, см. раздел 1B, "Механическая часть двигателя - дизель 2.0".
Ремонт завершен?
-
Перейти к операции 15
-
15
Повторно установить ремень привода вспомогательных агрегатов и запустить систему в эксплуатацию, чтобы подтвердить завершение ремонта.
Свистящий шум устранен?
-
Система привода агрегатов в порядке
Перейти к "Симптомам" и повторно начать диагностику

Визжание ремня привода

Диагностическая информация

Если шум непостоянный, проверить компоненты привода агрегатов, изменяя их нагрузки, и подтвердить, что они работают с максимальной производительностью. Избыток холодильного агента в системе кондиционирования, препятствия в рабочем контуре рулевого управления с гидроусилителем или неисправный генератор с большой вероятностью могут быть причиной визжания ремня привода вспомогательных агрегатов.
Причиной шума может быть ослабленное крепление или неправильная установка компонента кузова, компонента подвески или другой предмета.

Описание проверки

Номера пунктов ниже являются номерами шагов в диагностической таблице.
  1. Шум, возможно, не связан с работой двигателя. На этом этапе следует получить подтверждение того, что шум издает двигатель. Если шум издает не двигатель, не следует продолжать эту процедуру диагностики.
  2. Этот шум может быть вызван внутренними узлами двигателя. Если снять приводной ремень и дать двигателю немного поработать, можно подтвердить или опровергнуть то, что шум связан с приводным ремнем.
  3. Подтверждает, что в компоненте привода агрегатов нет заедания подшипника. При снятом ремне проверить подшипники компонентов привода вспомогательных агрегатов на легкость и плавность вращения.
  4. Подтверждает правильность работы натяжителя приводного ремня. Если натяжитель приводного ремня работает неправильно, натяжение приводного ремня не будет сохраняться, вызывая визжащий шум ремня.
  5. Подтверждает, что ремень не слишком длинный и что это не должно препятствовать надлежащей работе натяжителя. Также, если установлен чрезмерно длинный ремень, он также может быть неправильно проложен и может вращать компонент привода агрегатов в неправильном направлении.
  6. Перекос шкивов может быть вызван одной из следующих причин:
  7. Проверить выравнивание шкивов по плоскости, приложив линейку к канавкам 2 или 3 шкивов. Если обнаружен перекос шкива, см. информацию по обслуживанию соответствующего компонента относительно процедур установки и снятия.
  8. Этот тест позволяет подтвердить правильность диаметра и/или ширины шкивов. Сравнить с размерами шкивов на заведомо исправном автомобиле.

Диагностическая таблица

Определение: Визжание ремня привода вспомогательных агрегатов может быть определено как громкий визжащий звук, вызванный проскальзыванием приводного ремня. Визг редко происходит на многоручьевых ремнях. Визг приводного ремня обычно происходит при большой нагрузке на ремень, например, при включении муфты компрессора кондиционера, защелкивании дроссельной заслонки, заклинивании шкива или дефекте компонента привода вспомогательных агрегатов.
ШагОперацияЗначенияДаНет
1
Вы просмотрели информацию, приведенную в разделе "Симптомы", и выполнили требуемые проверки?
-
Перейти к операции 2
Перейти к пункту Симптомы
2
Подтвердить жалобу клиента. Есть ли визжащий шум?
-
Перейти к операции 3
См. рекомендации по диагностике в этом разделе
3
  1. Снять приводной ремень, см. раздел 1B, "Механическая часть двигателя - дизель 2.0".
  2. Дать двигателю поработать не более 40 секунд.
Визжащий звук все еще имеется?
-
Система привода вспомогательных агрегатов в порядке.
Перейти к разделу "Признаки неисправности" и выполнить диагностику шума.
Перейти к операции 4
4
Осмотреть компоненты привода вспомогательных агрегатов на наличие заедания подшипника и неисправностей общего характера.
Заедание подшипников и неисправности общего характера в системе привода вспомогательных агрегатов обнаружены и устранены?
-
Перейти к операции 9
Перейти к операции 5
5
Проверить правильность функционирования натяжителя ремня привода вспомогательных агрегатов, см. "Диагностика натяжителя приводного ремня".
Проблемы натяжителя обнаружены и устранены?
-
Перейти к операции 9
Перейти к операции 6
6
Проверить правильность длины ремня привода вспомогательных агрегатов.
Проблемы, связанные с длиной натяжителя, обнаружены и устранены?
-
Перейти к операции 9
Перейти к операции 7
7
Проверить выравнивание шкивов привода агрегатов по плоскости.
Перекосы шкивов привода агрегатов обнаружены и устранены?
-
Перейти к операции 9
Перейти к операции 8
8
Проверить правильность размеров шкивов привода вспомогательных агрегатов.
Неправильные шкивы обнаружены и заменены?
-
Перейти к операции 9
См. рекомендации по диагностике в этом разделе
9
Повторно установить ремень привода вспомогательных агрегатов и запустить систему в эксплуатацию, чтобы подтвердить завершение ремонта.
Визжащий шум устранен?
-
Система привода агрегатов в порядке
Перейти к "Симптомам" и повторно начать диагностику

Вой ремня привода

Диагностическая информация

Приводные ремни сами по себе не вызывают воющий шум. Если шум непостоянный, проверить компоненты привода агрегатов, изменяя их нагрузки, и подтвердить, что они работают с максимальной производительностью. Избыток холодильного агента в системе кондиционирования, препятствия в рабочем контуре рулевого управления с гидроусилителем или неисправный генератор с большой вероятностью могут быть причиной воя ремня привода вспомогательных агрегатов.

Описание проверки

Номера пунктов ниже являются номерами шагов в диагностической таблице.
  1. Этот шум может быть вызван внутренними узлами двигателя. Если снять приводной ремень и дать двигателю немного поработать, можно подтвердить или опровергнуть то, что шум связан с приводным ремнем.
  2. Осмотр подшипников должен охватывать следующие компоненты привода агрегатов:
  3. Чтобы определить расположение неисправного подшипника, возможно, потребуется установить приводной ремень и задействовать компоненты привода агрегатов по отдельности, изменяя нагрузки; см. соответствующие разделы по процедурам проверки и ремонта компонентов.

Диагностическая таблица

Определение: Скуление ремня привода вспомогательных агрегатов можно определить как высокий непрерывный звук, который, наиболее вероятно, вызван вышедшим из строя подшипником на одном из компонентов привода вспомогательных агрегатов.
ШагОперацияЗначенияДаНет
1
Вы просмотрели информацию, приведенную в разделе "Симптомы", и выполнили требуемые проверки?
-
Перейти к операции 2
Перейти к пункту Симптомы
2
Подтвердить жалобу клиента. Есть ли воющий шум?
-
Перейти к операции 3
См. рекомендации по диагностике в этом разделе
3
  1. Снять приводной ремень, см. раздел 1B, "Механическая часть двигателя - дизель 2.0".
  2. Дать двигателю поработать не более 40 секунд.
Скулящий звук все еще имеется?
-
Система привода вспомогательных агрегатов в порядке.
Перейти к разделу "Признаки неисправности" и выполнить диагностику заново.
Перейти к операции 4
4
Осмотреть компоненты привода вспомогательных агрегатов на наличие повреждений и заедания подшипников и неисправностей общего характера.
Повреждения/заедание подшипников и неисправности общего характера в системе привода вспомогательных агрегатов обнаружены и устранены?
-
Перейти к операции 5
См. рекомендации по диагностике в этом разделе
5
Повторно установить ремень привода вспомогательных агрегатов и запустить систему в эксплуатацию, чтобы подтвердить завершение ремонта.
Воющий шум устранен?
-
Система привода агрегатов в порядке
Перейти к "Симптомам" и повторно начать диагностику

Грохот ремня привода

Диагностическая информация

Вибрация двигателя может вызывать грохочущий шум компонентов кузова или других деталей.
Приводной ремень может иметь свойства, которые не могут быть определены при визуальном осмотре. Иногда замена ремня может быть единственным способом подтвердить, что причина в неисправности ремня.
Если после замены приводного ремня пройдена вся диагностическая таблица, но грохот присутствует только тогда, когда установлен приводной ремень, его причиной может быть компонент привода агрегатов, например, компрессор кондиционера. Варьирование нагрузки на каждый компонент привода агрегатов по очереди должно помочь локализовать компонент, вызывающий шум.

Описание проверки

Номера пунктов ниже являются номерами шагов в диагностической таблице.
  1. Подтверждает существование симптома во время диагностики. Шум могут вызывать другие компоненты автомобиля.
  2. Подтверждает, что ремень привода вспомогательных агрегатов вызывает шум. Грохот приводного ремня часто путают с внутренним шумом двигателя из-за подобия в описании. Если снять приводной ремень и дать двигателю немного поработать, можно подтвердить или опровергнуть то, что шум связан с приводным ремнем.
  3. Осмотр приводного ремня позволяет гарантировать, что он не является причиной шума. Мелкие трещины на ребрах приводного ремня не вызывают шум и сами по себе не являются обоснованием для замены ремня. Расслоение ремня можно определить по слою разделения ремня и можно заметить по боковым кромкам ремня или почувствовать как вздутия под ремнем.
  4. Небольшое количество налипания и вкраплений является нормальным состоянием и считается допустимым. Когда количество пиллинга достигает значительного уровня (33 % от глубины канавки ремня), на ремне не остается гладкой рабочей поверхности и его требуется заменить.

Диагностическая таблица

Определение: Определение: Грохот ремня привода вспомогательных агрегатов может быть определен как низкотональное постукивание, удары или глухой стук, слышимый только при оборотах холостого хода или выше, один раз за оборот приводного ремня или определенного компонента привода вспомогательных агрегатов. Грохот приводного ремня вызывается одной из следующих причин:

Примечание: Пиллинг - это образование маленьких шариков (наростов) или полосок резины в углублениях приводного ремня, вызванное накоплением резиновой пыли.

ШагОперацияЗначенияДаНет
1
Вы просмотрели информацию, приведенную в разделе "Симптомы", и выполнили требуемые проверки?
-
Перейти к операции 2
Перейти к пункту Симптомы
2
Подтвердить жалобу клиента. Есть ли грохочущий шум?
-
Перейти к операции 3
См. рекомендации по диагностике в этом разделе
3
  1. Снять приводной ремень, см. раздел 1B, "Механическая часть двигателя - дизель 2.0".
  2. Дать двигателю поработать не более 40 секунд.
Грохочущий звук все еще имеется?
-
Система привода вспомогательных агрегатов в порядке.
Перейти к разделу "Признаки неисправности" и выполнить диагностику заново.
Перейти к операции 4
4
Осмотреть ремень привода вспомогательных агрегатов на наличие повреждений, расслоения или участков с отсутствующими ребрами.
Обнаружены ли повреждения, расслоение или отсутствующие ребра?
-
Перейти к операции 7
Перейти к операции 5
5
Осмотреть ремень привода вспомогательных агрегатов на наличие чрезмерного пиллинга (превышающего 33% глубины канавки ремня).
Обнаружен чрезмерный пиллинг?
-
Перейти к операции 6
Перейти к операции 5
6
Очистить приводной ремень подходящей проволочной щеткой и снова установить его на двигатель, см. раздел 1B, "Механическая часть двигателя - дизель 2.0".
Завершен ли ремонт?
-
Перейти к операции 8
-
7
Установить новый ремень привода вспомогательных агрегатов, см. раздел 1B, "Механическая часть двигателя - дизель 2.0".
Замена ремня привода вспомогательных агрегатов произведена?
-
Перейти к операции 8
-
8
Если требуется, повторно установить ремень привода вспомогательных агрегатов и запустить систему в эксплуатацию, чтобы подтвердить завершение ремонта.
Грохочущий шум устранен?
-
Система привода агрегатов в порядке
Перейти к "Симптомам" и повторно начать диагностику

Вибрация ремня привода

Диагностическая информация

Компоненты привода агрегатов, такие как компрессор кондиционера или генератор, могут оказывать воздействие на вибрацию двигателя.
Чтобы облегчить локализацию компонента, вызывающего шум, изменять нагрузку на каждый компонент привода агрегатов по очереди и записывать результат влияния на вибрацию, если таковой имелся.

Описание проверки

Номера пунктов ниже являются номерами шагов в диагностической таблице.
  1. Подтверждает существование симптома во время диагностики. Шум могут вызывать другие компоненты автомобиля.
  2. Подтверждает, что ремень привода вспомогательных агрегатов вызывает шум. Грохот приводного ремня часто путают с внутренним шумом двигателя из-за подобия в описании. Если снять приводной ремень и дать двигателю немного поработать, можно подтвердить или опровергнуть то, что шум связан с приводным ремнем.
  3. Причиной вибрации может быть приводной ремень. Гораздо легче производить осмотр приводного ремня, когда он снят.
  4. Осмотр крепежа может устранить вероятность того, что был установлен неправильный крепеж.
  5. Этот шаг должен быть выполнен, только если привод насоса охлаждающей жидкости осуществляется от ремня. Осмотреть насос охлаждающей жидкости на наличие погнутости вала. Также проверить подшипники насоса охлаждающей жидкости на плавность вращения и отсутствие чрезмерного люфта. Сравнить насос охлаждающей жидкости с заведомо исправным насосом.
  6. Имеющие изгибы, трещины или ослабленный крепеж кронштейны компонентов привода вспомогательных агрегатов могут оказывать дополнительное напряжение на вспомогательные компоненты, вызывая их вибрацию.

Диагностическая таблица

Определение: Вибрация приводного ремня может быть определена как подскакивание, тряска или дребезжание. Вибрация приводного ремня обычно проявляется следующим образом:
ШагОперацияЗначенияДаНет
1
Вы просмотрели информацию, приведенную в разделе "Симптомы", и выполнили требуемые проверки?
-
Перейти к операции 2
Перейти к пункту Симптомы
2
Подтвердить жалобу клиента. Есть ли грохочущий шум?
-
Перейти к операции 3
См. рекомендации по диагностике в этом разделе
3
  1. Снять приводной ремень, см. раздел 1B, "Механическая часть двигателя - дизель 2.0".
  2. Дать двигателю поработать не более 40 секунд.
Шум вибрации сохраняется?
-
Система привода вспомогательных агрегатов в порядке.
Перейти к разделу "Признаки неисправности" и выполнить диагностику заново.
Перейти к операции 4
4
Осмотреть ремень привода вспомогательных агрегатов на наличие повреждений, износа, наслоения грязи или участков с отсутствующими ребрами.
Обнаружены ли повреждения, износ, наслоения грязи или отсутствующие ребра?
-
Перейти к операции 5
Перейти к операции 6
5
Установить новый ремень привода вспомогательных агрегатов, см. раздел 1B, "Механическая часть двигателя - дизель 2.0".
Замена ремня привода вспомогательных агрегатов произведена?
-
Перейти к операции 9
-
6
Осмотреть на предмет правильности установки, ослабления затяжки, отсутствия или повреждения крепежа.
Найден ли неправильный, ослабленный, отсутствующий или поврежденный крепеж?
-
Перейти к операции 7
Перейти к операции 8
7
Затянуть весь ослабленный крепеж с правильным моментом, соответствующим техническим требованиям.
Заменить весь неправильный или отсутствующий крепеж.
Завершен ли ремонт?
-
Перейти к операции 9
-
8
Осмотреть кронштейны крепления компонентов привода агрегатов на наличие изгибов, трещин или повреждений.
Погнутые кронштейны обнаружены и отремонтированы?
-
Перейти к операции 9
См. рекомендации по диагностике в этом разделе
9
Если требуется, повторно установить ремень привода вспомогательных агрегатов и запустить систему в эксплуатацию, чтобы подтвердить завершение ремонта.
Вибрация устранена?
-
Система привода агрегатов в порядке
См. рекомендации по диагностике в этом разделе

Соскальзывание ремня привода

Диагностическая информация

Если ремень привода вспомогательных агрегатов постоянно соскальзывает с приводных шкивов, скорее всего это из-за перекоса шкива.
Быстрое приложение и ослабление дополнительной нагрузки компонентом привода агрегатов (например, компрессором кондиционера) может вызывать соскальзывание ремня привода вспомогательных агрегатов. В этом случае, установить неисправность, задействуя компоненты привода агрегатов по очереди, отмечая, который из них вызывает соскальзывание ремня.
Недостаточное натяжение приводного ремня также может вызывать соскальзывание ремня со шкивов. Слабое натяжение приводного ремня может быть вызвано одной из следующих причин:

Описание проверки

Номера пунктов ниже являются номерами шагов в диагностической таблице.
  1. Подтверждает состояние приводного ремня. Повреждение приводного ремня могло произойти при его первом соскальзывании или его повреждение могло привести к соскальзыванию.
  2. Перекос шкивов может быть вызван следующими причинами:
  3. Проверить выравнивание шкивов по плоскости, приложив подходящую линейку к канавкам двух или трех шкивов. Если обнаружен перекос шкива, см. информацию по обслуживанию определенного компонента относительно правильной процедуры замены шкива.
  4. Осмотр шкивов должен включать в себя проверку наличия вмятин и других повреждений, которые препятствовали бы правильной посадке приводного ремня во всех канавках шкивов или на гладкой поверхности шкива, когда используется обратная сторона ремня.
  5. Имеющие изгибы кронштейны крепления компонентов привода вспомогательных агрегатов могут вызвать соскальзывание приводного ремня.
  6. Визуальная проверка крепежа может устранить вероятность того, что был установлен неправильный крепеж. Отсутствующий, ослабленный или неправильный крепеж может вызывать перекос шкива из-за перемещения крепежа под нагрузкой. Чрезмерная затяжка крепежа может вызвать отклонение кронштейнов крепления и привести к перекосу шкивов привода агрегатов.

Диагностическая таблица

Определение: Ремень привода соскальзывает при нормальных условиях эксплуатации или неправильно перемещается на шкивах привода агрегатов.
ШагОперацияЗначенияДаНет
1
Вы просмотрели информацию, приведенную в разделе "Симптомы", и выполнили требуемые проверки?
-
Перейти к операции 2
Перейти к пункту Симптомы
2
Осмотреть ремень привода вспомогательных агрегатов на наличие повреждений.
Обнаружены ли повреждения на приводном ремне?
-
Перейти к операции 3
Перейти к операции 4
3
Установить новый ремень привода вспомогательных агрегатов, см. раздел 1B, "Механическая часть двигателя - дизель 2.0".
Продолжает ли соскальзывать приводной ремень?
-
Перейти к операции 4
Перейти к операции 12
4
Проверить выравнивание шкивов системы привода агрегатов по плоскости.
Перекосы шкивов системы привода агрегатов обнаружены и устранены?
-
Перейти к операции 12
Перейти к операции 5
5
Осмотреть шкив системы привода агрегатов на наличие вмятин или трещин.
Вмятины или трещины системы привода обнаружены и устранены?
-
Перейти к операции 12
Перейти к операции 6
6
Осмотреть кронштейны крепления компонентов привода агрегатов на наличие изгибов.
Изгибы кронштейнов крепления обнаружены и устранены?
-
Перейти к операции 12
Перейти к операции 7
7
Осмотреть на предмет правильности установки, ослабления затяжки, отсутствия или повреждения крепежа.
Найден ли неправильный, ослабленный, отсутствующий или поврежденный крепеж?
-
Перейти к операции 8
Перейти к операции 9
8
Затянуть весь ослабленный крепеж с правильным моментом, соответствующим техническим требованиям.
Заменить весь неправильный или отсутствующий крепеж.
Продолжает ли соскальзывать приводной ремень?
-
Перейти к операции 9
Перейти к операции 12
9
Проверить правильность функционирования натяжителя ремня привода вспомогательных агрегатов, см. раздел 1B, "Механическая часть двигателя - дизель 2.0".
Натяжитель ремня привода вспомогательных агрегатов функционирует правильно?
-
Перейти к операции 11
Перейти к операции 10
10
Заменить натяжитель приводного ремня, см. раздел 1B, "Механическая часть двигателя - дизель 2.0".
Продолжает ли соскальзывать приводной ремень?
-
Перейти к операции 11
Перейти к операции 12
11
Визуально проверить наличие неисправных подшипников натяжного ролика и натяжителя приводного ремня.
Неисправности подшипников обнаружены и устранены?
-
Перейти к операции 12
См. рекомендации по диагностике в этом разделе
12
Если требуется, повторно установить ремень привода вспомогательных агрегатов и запустить систему в эксплуатацию, чтобы подтвердить завершение ремонта.
Продолжает ли соскальзывать приводной ремень?
-
Перейти к операции 2
Система привода агрегатов в порядке

Чрезмерный износ ремня привода

Диагностическая информация

Чрезмерный износ приводного ремня обычно вызывается неправильной установкой или неправильным подбором приводного ремня. Незначительный перекос шкива не приводит к чрезмерному износу приводного ремня, но вызывает его соскальзывание. Значительный перекос шкива может привести к чрезмерному износу приводного ремня, но также влечет за собой и его соскальзывание.

Описание проверки

Номера пунктов ниже являются номерами шагов в диагностической таблице.
  1. Подтверждает правильность установки приводного ремня на всех шкивах системы привода агрегатов. Износ приводного ремня может вызываться неправильным расположением приводного ремня в одной или нескольких канавках определенного шкива.
  2. Установка приводного ремня неправильной ширины приводит к его износу. Ребра приводного ремня должны совпадать со всеми канавками на всех шкивах системы привода агрегатов.
  3. Подтверждает отсутствие контакта приводного ремня с какими-либо частями двигателя или кузова во время работы. Всегда должен оставаться достаточный зазор, когда изменяются нагрузки на компонентах привода вспомогательных агрегатов. Приводной ремень не должен контактировать с какими-либо частями двигателя или кузова.

Диагностическая таблица

Определение: Чрезмерный износ может быть определен как износ наружных ребер приводного ремня (истертые края), обычно вызываемый неправильной установкой приводного ремня.
ШагОперацияЗначенияДаНет
1
Вы просмотрели информацию, приведенную в разделе "Симптомы", и выполнили требуемые проверки?
-
Перейти к операции 2
Перейти к пункту Симптомы
2
Проверить правильность установки ремня привода вспомогательных агрегатов.
Правильно ли установлен приводной ремень?
-
Перейти к операции 5
Перейти к операции 3
3
Убедиться в соответствии приводного ремня для применения.
Установлен соответствующий приводной ремень?
-
Перейти к операции 5
Перейти к операции 4
4
Контактирует ли приводной ремень с какими-либо компонентами двигателя или кузова во время работы двигателя?
-
Перейти к операции 6
См. рекомендации по диагностике в этом разделе
5
Установить новый ремень привода вспомогательных агрегатов, см. раздел 1B, "Механическая часть двигателя - дизель 2.0".
Замена ремня привода вспомогательных агрегатов произведена?
-
Перейти к операции 6
-
6
Если требуется, повторно установить ремень привода вспомогательных агрегатов и запустить систему в эксплуатацию, чтобы подтвердить завершение ремонта.
Чрезмерный износ устранен?
-
Система привода агрегатов в порядке
Перейти к операции 2

РАСПОЛОЖЕНИЕ КОМПОНЕНТОВ

Система нагнетания воздуха


L7C11B01
Показать иллюстрациюПеревод текста в иллюстрациях


  1. Выпускной шланг турбонагнетателя
  2. Выпускная труба турбонагнетателя
  3. Впускной шланг охладителя нагнетаемого воздуха
  4. Охладитель нагнетаемого воздуха
  5. Выпускной шланг охладителя нагнетаемого воздуха
  6. Впускной шланг турбонагнетателя
  7. Датчик MAF (массового расхода воздуха)
  8. Верхняя часть воздушного фильтра
  9. Воздушный фильтр
  10. Нижняя часть воздушного фильтра
  11. Впускной канал воздушного фильтра
  12. Верхний впускной воздуховод
  13. Нижний впускной воздуховод
  14. Резонатор

Система впуска/выпуска


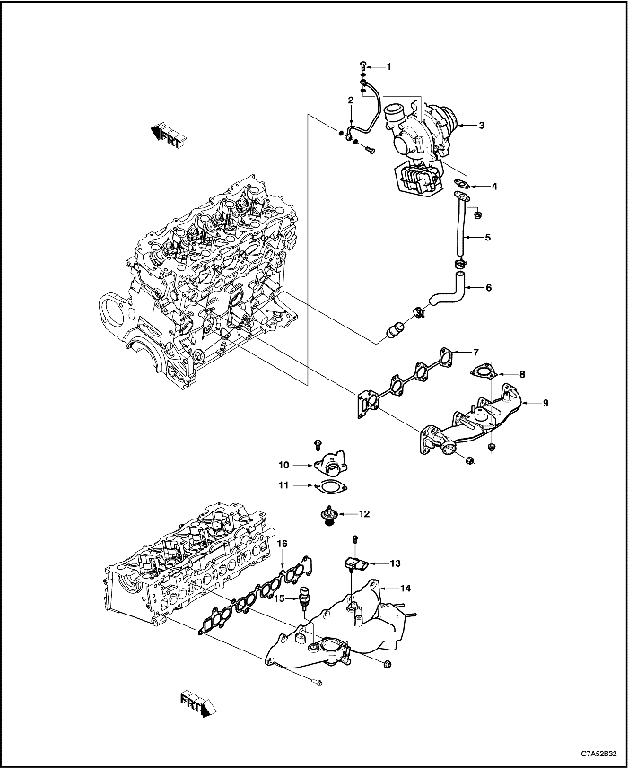
C7A52B32
Показать иллюстрациюПеревод текста в иллюстрациях


  1. Болт впускного маслопровода на подшипник колеса
  2. Впускной маслопровод на подшипник колеса
  3. Турбонагнетатель
  4. Прокладка выпускного маслопровода на подшипник колеса
  5. Выпускной маслопровод на подшипник колеса
  6. Выпускной масляный шланг на подшипник колеса
  7. Прокладка выпускного коллектора
  8. Прокладка турбонагнетателя
  9. Выпускной коллектор
  10. Корпус термостата
  11. Прокладка корпуса термостата
  12. Термостат
  13. Датчик давления наддува (датчик T-MAP)
  14. Впускной коллектор
  15. Датчик температуры охлаждающей жидкости
  16. Прокладка впускного коллектора

Система приводного ремня ГРМ


C7A52B33
Показать иллюстрациюПеревод текста в иллюстрациях


  1. Звездочка распредвала
  2. Натяжной ролик приводного ремня ГРМ
  3. Звездочка топливного насоса высокого давления
  4. Натяжитель приводного ремня ГРМ
  5. Шкив водяного насоса
  6. Звездочка коленвала
  7. Приводной ремень ГРМ
  8. Задний кожух приводного ремня ГРМ
  9. Верхний кожух приводного ремня ГРМ
  10. Нижний кожух приводного ремня ГРМ
  11. Кронштейн подвески двигателя
  12. Шкив коленвала
  13. Прокладка водяного насоса
  14. Топливный насос высокого давления
  15. Кронштейн компрессора кондиционера и генератора

Верхняя часть


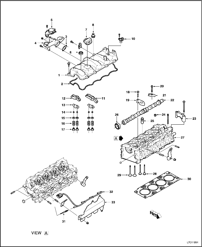
L7C11B04
Показать иллюстрациюПеревод текста в иллюстрациях


  1. Крышка газораспределительного механизма
  2. Прокладка крышки газораспределительного механизма
  3. Прокладка переходника принудительной вентиляции картера (PCV)
  4. Переходник принудительной вентиляции картера (PCV)
  5. Клапан PCV
  6. Уплотнение форсунки
  7. Масло - крышка
  8. Пробка кронштейна форсунки
  9. Датчик положения распределительного вала
  10. Роликовый палец-толкатель на выпуске
  11. Роликовый палец-толкатель на впуске
  12. Мостик клапанов
  13. Клин клапана
  14. Пружинодержатель клапана
  15. Пружина клапана
  16. Сальник штока клапана
  17. Винт головки распределительного вала
  18. Головка распределительного вала
  19. Болт кронштейна форсунки
  20. Кронштейн форсунки
  21. Распределительный вал
  22. Головка распределительного вала
  23. Заглушка
  24. Регулятор зазора клапана
  25. Сальник распределительного вала
  26. Головка цилиндров
  27. Выпускной клапан
  28. Впускной клапан
  29. Прокладка головки цилиндров
  30. Свеча накаливания
  31. Проводка свечей накаливания
  32. Теплозащитный экран свечей накаливания

Нижняя часть


C7A52B36
Показать иллюстрациюПеревод текста в иллюстрациях



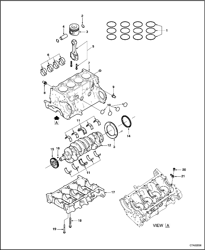
C7A52B37
Показать иллюстрациюПеревод текста в иллюстрациях


  1. Комплект поршневых колец
  2. Фиксатор поршневого пальца
  3. Поршень
  4. Поршневой палец
  5. Шатун и крышка
  6. Комплект вкладышей шатунных подшипников
  7. Блок цилиндров
  8. Переходник для охлаждающей жидкости
  9. Переходник для охлаждающей жидкости
  10. Заглушка
  11. Комплект вкладышей коренных подшипников коленчатого вала
  12. Коленчатый вал
  13. Колесо с "мишенью" для датчика положения коленчатого вала (CPS)
  14. Задний сальник коленчатого вала
  15. Шестерня коленчатого вала
  16. Шпонка шестерни коленчатого вала
  17. Опорная плита двигателя
  18. Болт коленчатого вала
  19. Болт опорной плиты
  20. Болт трубки сопла смазки
  21. Трубка сопла смазки
  22. Крышка масляного фильтра
  23. Кольцевое уплотнение
  24. Масляный фильтр
  25. Корпус масляного фильтра
  26. Кольцевое уплотнение
  27. Шайба сливного болта корпуса масляного фильтра
  28. Сливной болт корпуса масляного фильтра
  29. Болт фитинга корпуса масляного фильтра
  30. Масляный радиатор системы охлаждения двигателя
  31. Кольцевое уплотнение
  32. Выпускной шланг масляного радиатора
  33. Впускной шланг масляного радиатора
  34. Узел масляного насоса
  35. Предохранительный клапан давления масла
  36. Пружина предохранительного клапана давления масла
  37. Прокладка предохранительного клапана давления масла
  38. Пробка предохранительного клапана давления масла
  39. Передний сальник коленчатого вала
  40. Датчик давления масла
  41. Уплотнение масляного насоса
  42. Наружный ротор масляного насоса
  43. Внутренний ротор масляного насоса
  44. Крышка масляного насоса
  45. Внутренняя (ведущая) шестерня масляного насоса
  46. Указатель уровня масла
  47. Трубка указателя уровня масла
  48. Датчик положения коленчатого вала
  49. Болт масляного поддона
  50. Болт масляного поддона
  51. Масляный поддон
  52. Сливная масляная пробка
  53. Шайба сливной масляной пробки
  54. Балансир коленчатого вала
  55. Трубка масляного фильтра грубой очистки
  56. Уплотнение трубки масляного фильтра грубой очистки


На предыдущую страницуНа следующую страницу
Главная страница сайта