Руководство по техническому обслуживанию2007 Epica РЕМОНТ АГРЕГАТАК началу документа
Epica
На предыдущую страницуНа следующую страницу
Главная страница GMDEЗагрузить нединамическое оглавлениеЗагрузить динамическое оглавлениеПомощь

РЕМОНТ АГРЕГАТА



C7A52B58
Показать иллюстрациюПеревод текста в иллюстрациях


Головка цилиндров

Необходимое оборудование

09916-14510 Приспособление для сжатия пружины клапана
EN-48247 Переходник для сжатия пружины клапана
EN-48252 Приспособление для установки сальника распредвала

Процедура разборки

  1. Снимите головку цилиндров. Следуйте пункту "Головка цилиндров и прокладка" в этом разделе.
  2. Снимите впускной коллектор. См. пункт "Впускной коллектор" в этом разделе.
  3. Снимите выпускной коллектор. Следуйте пункту "Выпускной коллектор" в этом разделе.
  4. Снять вакуумный насос. См. раздел 1F2, "Органы управления двигателем - дизель 2.0".


  5. C7A52B88
    Показать иллюстрациюПеревод текста в иллюстрациях


  6. Снять звездочку распределительного вала.


  7. C7A52B72
    Показать иллюстрациюПеревод текста в иллюстрациях


  8. Снимите крышку распределительного вала.
  9. Снимите распределительный вал.


  10. C7A52B73
    Показать иллюстрациюПеревод текста в иллюстрациях


  11. Снять впускные/выпускные роликовые пальцы-толкатели.
  12. Снять впускной/выпускной мостик клапанов.
  13. Снимите компенсатор зазора клапанов впуска/выпуска.


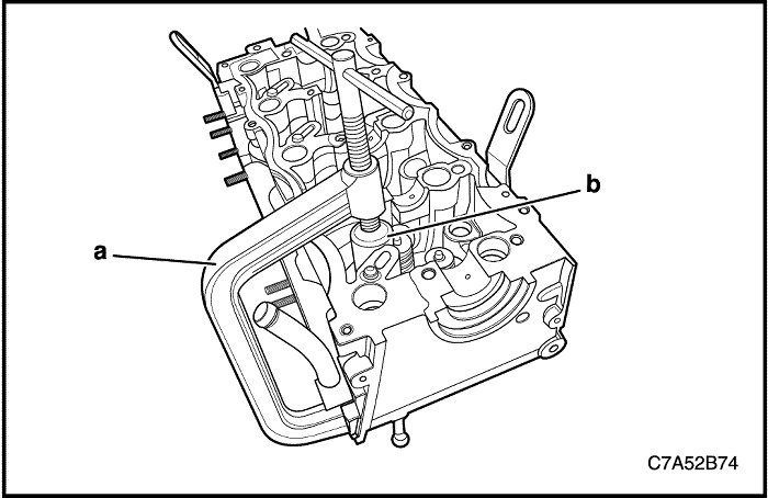
  14. C7A52B74
    Показать иллюстрациюПеревод текста в иллюстрациях


  15. Установите приспособление для сжатия пружин клапанов 09916-14510 (a) вместе с адаптером давления сжатия пружины клапана EN-48247 (b) на головку цилиндров.
  16. Чтобы сжать пружину клапана, поворачивайте рукоять приспособления для сжатия пружин клапанов 09916-14510.
  17. Снимите шпонку клапана.
  18. Снимите фиксатор пружины клапана.
  19. Снимите пружину клапана.
  20. Снимите клапаны.


  21. C7A52B76
    Показать иллюстрациюПеревод текста в иллюстрациях


  22. Снимите сальник штока клапана.


J3B11C76
Показать иллюстрациюПеревод текста в иллюстрациях


Проверка головки цилиндров

  1. Почистите уплотнительные поверхности.
  2. Проверить головку цилиндров следующим образом.
  3. Если на головке цилиндров обнаружены трещины или повреждения, ее необходимо заменить. Не рекомендуется проводить на головке цилиндров сварочные работы или заделывать повреждения.
  4. Измерить зазор между линейкой и лицевой стороной головки цилиндра в четырех точках вдоль линейки с помощью калибра для измерения зазоров.
  5. Проверьте уплотнительные поверхности на деформацию и искривление. Уплотнительные поверхности головки цилиндров должны быть выровненными в пределах до 0,05 мм (0,002 дюйма).


  6. C7A52B75
    Показать иллюстрациюПеревод текста в иллюстрациях


  7. Измерьте высоту головки цилиндров от уплотнительной поверхности до уплотнительной поверхности. Высота головки цилиндров должна быть от 129,9 до 130,1 мм (от 5,1142 до 5,1220 дюйма). Если высота головки цилиндров меньше допустимых технических характеристик, замените головку цилиндров.


C7A11C82
Показать иллюстрациюПеревод текста в иллюстрациях


Проверка клапанов

  1. Проверить, нет ли повреждений клапана от головки до упора следующим образом.
  2. Заменить клапан, если появился какой-либо из этих признаков.
  3. Проверьте пружины клапана. Если конец пружины клапана не параллельны, замените пружину клапана.
  4. Проверьте седло механизма поворота клапана на износ или сколы. Замените, если необходима.

Процедура очистки

  1. Почистите головку цилиндров.
  2. Почистите направляющие клапана.
  3. Почистите все резьбовые отверстия.
  4. Почистите клапаны от сажи, масла и нагара.


C7A52B75
Показать иллюстрациюПеревод текста в иллюстрациях


Процедура сборки

  1. Смажьте штоки клапана моторным маслом.
  2. Осторожно установите клапаны в их исходное положение.
  3. Установите сальник штока клапана.


  4. C7A52B74
    Показать иллюстрациюПеревод текста в иллюстрациях


  5. Установите пружину клапана.
  6. Установите опорную чашку пружины клапана.
  7. Установите клапан.
  8. Установите фиксатор пружины клапана.
  9. Сжать пружины клапана с помощью приспособления 09916-14510 (a) и переходника EN-48247 (b) для сжатия пружин клапанов.
  10. Установить шпонку клапана.
  11. Снимите приспособление для сжатия пружин клапанов 09916-14510 (a) и адаптер давления сжатия пружины клапана EN-48247 (b).


  12. C7A52B73
    Показать иллюстрациюПеревод текста в иллюстрациях


  13. Установите регуляторы зазора клапанов.
  14. Установите мостики клапанов.
  15. Установите роликовые пальцы-толкатели клапанов.


  16. C7A52B77
    Показать иллюстрациюПеревод текста в иллюстрациях


  17. Нанесите герметик (LOCTITE 573) на уплотняемую поверхность передней/задней крышки распределительного вала.


  18. C7A52B72
    Показать иллюстрациюПеревод текста в иллюстрациях


  19. Установите распределительный вал.
  20. Установите крышку распределительного вала.
  21. Затянуть
    Затяните болты крышки распределительного вала до 28 Н•м (20,7 фунт-футов).



    C7A52B78
    Показать иллюстрациюПеревод текста в иллюстрациях


  22. Установите переднее уплотнительное кольцо распределительного вала с помощью приспособления для установки сальника распределительного вала EN-48252 (a).
  23. Примечание: При повреждении передний сальник распределительного вала нужно заменить на новый. При установке переднего сальника распределительного вала на масляный насос убедитесь, что канавка сальника обращена в направлении контакта на корпусе масляного насоса.



    C7A52B88
    Показать иллюстрациюПеревод текста в иллюстрациях


  24. Установите звездочку распределительного вала.
  25. Затянуть
    Затяните болт звездочки распределительного вала до 133 Н•м (98,1 фунт-фута).



C7A52B79
Показать иллюстрациюПеревод текста в иллюстрациях


Блок цилиндров

Необходимое оборудование

DW100-130 Стенд для капремонта двигателя
KM-470-B Угловой индикатор крутящего момента
EN-48251 Приспособление для установки заднего сальника коленчатого вала
EN-48249 Приспособление для сжатия поршневых колец

Процедура разборки

  1. Снимите двигатель. Следуйте пункту "Двигатель в сборе" в этом разделе.
  2. Снимите винты маховика или гибкой пластины.
  3. Снять маховик или гибкую пластину.


  4. C7A52B58
    Показать иллюстрациюПеревод текста в иллюстрациях


  5. Установить двигатель в сборе на стенд для капремонта двигателя DW100-130.
  6. Снять головку цилиндров. См. пункт "Головка цилиндров и прокладка" в этом разделе.


  7. L7C11B15
    Показать иллюстрациюПеревод текста в иллюстрациях


  8. Снимите масляный поддон. Следуйте пункту "Масляный поддон" в этом разделе.


  9. C7A52B65
    Показать иллюстрациюПеревод текста в иллюстрациях


  10. Снять балансир коленчатого вала. См. "Балансир коленчатого вала" в этом разделе.


  11. C7A52B68
    Показать иллюстрациюПеревод текста в иллюстрациях


  12. Снимите масляный насос. См. "Масляный насос" в этом разделе.


  13. C7A52E04
    Показать иллюстрациюПеревод текста в иллюстрациях


  14. Снимите стартер. См. раздел 1E2, "Электрическая часть двигателя - дизель 2.0".


  15. C7A52E03
    Показать иллюстрациюПеревод текста в иллюстрациях


  16. Снимите генератор. См. раздел 1E2, "Электрическая часть двигателя - дизель 2.0".
  17. Снимите компрессор кондиционирования воздуха. См. раздел 7 D, "Система автоматического контроля обогрева, вентиляции и кондиционирования воздуха".


  18. C7A52B80
    Показать иллюстрациюПеревод текста в иллюстрациях


  19. Снимите кронштейн компрессора кондиционера и генератора.


  20. C7A52B81
    Показать иллюстрациюПеревод текста в иллюстрациях


  21. Снимите шатун и поршень.
  22. Снять опорную плиту двигателя.
  23. Снимите коленчатый вал с задним сальником.


  24. C7A52B82
    Показать иллюстрациюПеревод текста в иллюстрациях


  25. Снимите трубку сопла смазки.

Процедура очистки

  1. Очистить уплотнительную поверхность опорной плиты.
  2. Почистите уплотнительную поверхность блока цилиндров.
  3. Очистить стяжные болты опорной плиты.
  4. Очистить отверстия под болты опорной плиты.


C7A52B82
Показать иллюстрациюПеревод текста в иллюстрациях


Процедура сборки

  1. Смажьте коренной подшипник моторным маслом.
  2. Установите трубку сопла смазки.
  3. Затянуть
    Затяните болты крепления трубки сопла смазки до 23 Н•м (17 фунт-футов).



    C7A52B83
    Показать иллюстрациюПеревод текста в иллюстрациях


  4. При замене коленчатого вала колесо с "мишенью" для датчика положения коленчатого вала (CPS) перенести на новый коленчатый вал.
  5. Затянуть
    Затяните стяжные болты колеса с "мишенью" для датчика положения коленчатого вала (CPS) до 12 Н•м (8,9 фунт-фута).



    C7A52B71
    Показать иллюстрациюПеревод текста в иллюстрациях


  6. Установите коленчатый вал вместе с вкладышами коренных подшипников.
  7. Установите опорную плиту двигателя. См. "Опорная плита двигателя" в этом разделе.


  8. C7A52B84
    Показать иллюстрациюПеревод текста в иллюстрациях


  9. Проверьте осевой люфт коленчатого вала с установленными коренными подшипниками. Следуйте пункту "Технические характеристики двигателя" в этом разделе.
  10. Проверьте допустимый осевой люфт коленчатого вала. См. "Технические характеристики двигателя" в этом разделе.


  11. C7A52B85
    Показать иллюстрациюПеревод текста в иллюстрациях


  12. Смажьте поршень и кольца моторным маслом.
  13. Вставка поршень и шатун с помощью приспособления для сжатия поршневых колец EN-48249.


  14. C7A52B86
    Показать иллюстрациюПеревод текста в иллюстрациях


  15. Установите винты головки шатуна.
  16. Затянуть
    Затяните болты крышки большой головки шатуна до 25 Н•м (18,4 фунт-фута). Используя угловой индикатор крутящего момента KM-470-B, затяните болты крышки большой головки шатуна еще на 90 градусов.

  17. Проверьте осевой зазор шатуна. Следуйте пункту "Технические характеристики двигателя" в этом разделе.


  18. C7A52B87
    Показать иллюстрациюПеревод текста в иллюстрациях


  19. Установите новый задний сальник коленчатого вала с помощью приспособления для установки заднего сальника коленчатого вала EN-48251.


  20. C7A52B80
    Показать иллюстрациюПеревод текста в иллюстрациях


  21. Установите кронштейн компрессора кондиционера и генератора.
  22. Затянуть
    Затяните болты кронштейна компрессора кондиционера и генератора до 35 Н•м (25,8 фунт-фута).



    C7A52B79
    Показать иллюстрациюПеревод текста в иллюстрациях


  23. Установите маховик или гибкую пластину.
  24. Затянуть
    Затяните стяжные болты маховика или гибкой пластины до 105 Н•м (77,4 фунт-фута).



На предыдущую страницуНа следующую страницу
Главная страница сайта