Руководство по техническому обслуживанию2007 Epica К началу документа
Epica
На предыдущую страницуНа следующую страницу
Главная страница GMDEЗагрузить нединамическое оглавлениеЗагрузить динамическое оглавлениеПомощь

РАЗДЕЛ

ПРИНЦИПИАЛЬНЫЕ И МОНТАЖНЫЕ СХЕМЫ

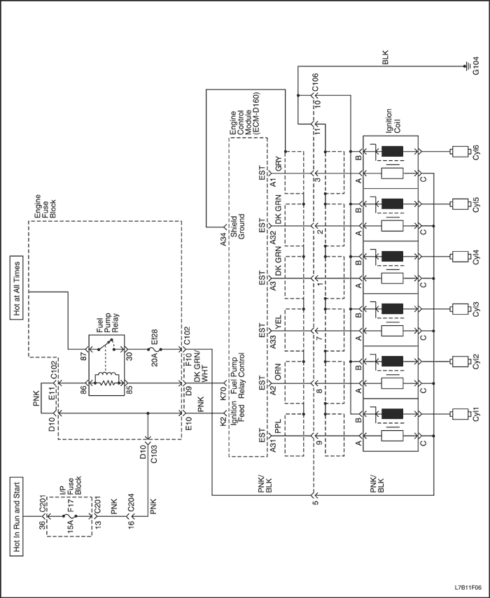
Электрическая схема контроллера системы управления двигателем (1 ИЗ 7)


L7B11F01
Показать иллюстрациюПеревод текста в иллюстрациях


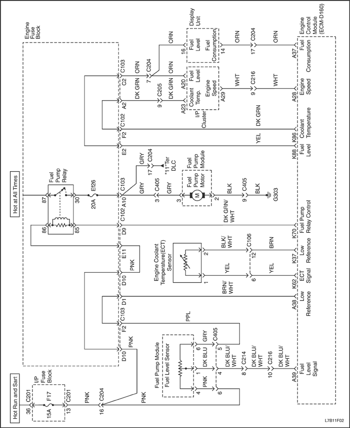
Электрическая схема контроллера системы управления двигателем (2 ИЗ 7)


L7B11F02
Показать иллюстрациюПеревод текста в иллюстрациях


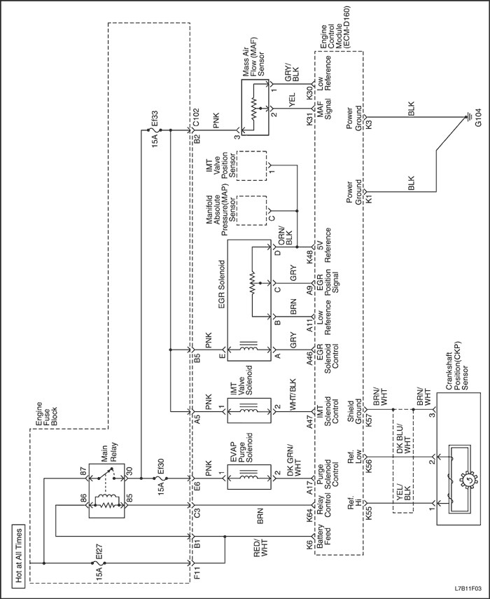
Электрическая схема контроллера системы управления двигателем (3 ИЗ 7)


L7B11F03
Показать иллюстрациюПеревод текста в иллюстрациях


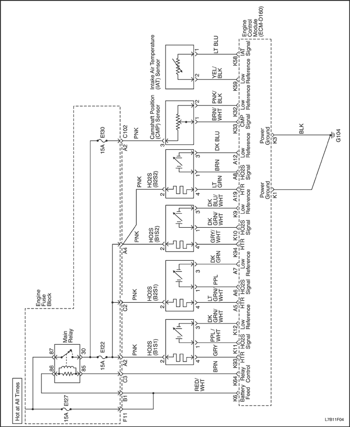
Электрическая схема контроллера системы управления двигателем (4 ИЗ 7)


L7B11F04
Показать иллюстрациюПеревод текста в иллюстрациях


Электрическая схема контроллера системы управления двигателем (5 ИЗ 7)


L7B11F05
Показать иллюстрациюПеревод текста в иллюстрациях


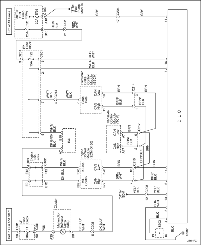
Электрическая схема контроллера системы управления двигателем (6 ИЗ 7)


L7B11F06
Показать иллюстрациюПеревод текста в иллюстрациях


Электрическая схема контроллера системы управления двигателем (7 ИЗ 7)


L7B11F07
Показать иллюстрациюПеревод текста в иллюстрациях


Колодка (вид спереди); Колодка (вид со стороны разъема)


V6B31F36
Показать иллюстрациюПеревод текста в иллюстрациях



L7B11F32
Показать иллюстрациюПеревод текста в иллюстрациях



V3B31F79
Показать иллюстрациюПеревод текста в иллюстрациях



L7B11F34
Показать иллюстрациюПеревод текста в иллюстрациях



V6B31F37
Показать иллюстрациюПеревод текста в иллюстрациях



V3B31F78
Показать иллюстрациюПеревод текста в иллюстрациях



L7B11F33
Показать иллюстрациюПеревод текста в иллюстрациях



V3B31F83
Показать иллюстрациюПеревод текста в иллюстрациях



V3B31F85
Показать иллюстрациюПеревод текста в иллюстрациях



L7B11F35
Показать иллюстрациюПеревод текста в иллюстрациях



V3B31F84
Показать иллюстрациюПеревод текста в иллюстрациях



V6B31F39
Показать иллюстрациюПеревод текста в иллюстрациях



V3B31F86
Показать иллюстрациюПеревод текста в иллюстрациях



V3B31F88
Показать иллюстрациюПеревод текста в иллюстрациях



T3B11F21
Показать иллюстрациюПеревод текста в иллюстрациях



V6B31F38
Показать иллюстрациюПеревод текста в иллюстрациях



L7B11F36
Показать иллюстрациюПеревод текста в иллюстрациях



L7B11F37
Показать иллюстрациюПеревод текста в иллюстрациях



L7B11F38
Показать иллюстрациюПеревод текста в иллюстрациях



L7B11F39
Показать иллюстрациюПеревод текста в иллюстрациях


РАСПОЛОЖЕНИЕ КОМПОНЕНТОВ


V3B31F90
Показать иллюстрациюПеревод текста в иллюстрациях


Компоненты на жгуте проводов контроллера ЭСУД
  1. Контроллер электронной системы управления двигателем (ЭСУД)
  2. Колодка диагностики
  3. Контрольная лампа индикации неисправности
  4. Масса жгута проводов ЭСУД/АБС
  5. Блок предохранителей
Устройства, управляемые ЭСУД
  1. Клапан рециркуляции отработавших газов (EGR)
  2. Топливная форсунка
  3. Электронное управление дроссельной заслонкой
  4. Реле топливного насоса
  5. Реле высоких оборотов вентилятора системы охлаждения
  6. Реле управления вентилятора системы охлаждения (только с кондиционером)
  7. Катушка электронной системы зажигания
  8. Клапан продувки адсорбера СУПБ
  9. Главное реле
  10. Реле компрессора кондиционера
  11. Реле низких оборотов вентилятора системы охлаждения
Информационные датчики
  1. Датчик абсолютного давления в коллекторе (МАР)
  2. Управляющий датчик кислорода (HO2S1)
  3. Датчик положения дроссельной заслонки (TP).
  4. Датчик температуры охлаждающей жидкости (ЕТС)
  5. Датчик температуры впускного воздуха (IAT)
  6. Датчик положения коленчатого вала (CKP)
  7. Датчик детонации
  8. Диагностический датчик кислорода (HO2S2)
  9. Датчик положения распределительного вала (СМР)
Подключен не контроллер ЭСУД
  1. Адсорбер СУПБ (под автомобилем, за правым задним колесом)
  2. Датчик давления моторного масла
  3. Воздухоочиститель


На предыдущую страницуНа следующую страницу
Главная страница сайта