ДИАГНОСТИКА
ДИАГНОСТИКА СИСТЕМЫ
Диагностическая информация
Если обнаружена неустойчивая проблема, следовать указаниям, приведенным ниже.
Предварительные проверки
Сначала провести тщательный контрольный осмотр. Этот осмотр часто помогает исправить проблему без дальнейших проверок и сэкономить ценное время. Проверить следующее:
- Заземление контроллера ЭСУД чистое, надлежащим образом затянуто и находится в нужном месте.
- Вакуумные шланги не должны иметь трещин, перекручиваний, быть в исправном состоянии и подключенными согласно табличке системы снижения токсичности отработавших газов. Тщательно проверить шланги на утечки и засорения.
- Утечка воздуха в зоне монтажа корпуса дроссельной заслонки и уплотнительные поверхности впускного коллектора.
- Правильность подключения проводки.
- Проводку на зажимы или разрезы.
Таблица диагностических кодов неисправности
Не использовать таблицы диагностических кодов неисправности (DTC) при попытках и методах устранения перемежающихся неисправностей. Неисправность должна иметь место, чтобы определить место ее нахождения.
Неправильное применение таблицы DTC может привести к ненужной замене деталей.
Неисправная электропроводка или подключения
Большинство неустойчивых неисправностей вызваны неисправной электропроводкой или подключениями. Тщательно проверить подозрительные цепи на наличие следующих неисправностей:
- Слабый контакт в разъемах.
- Клеммы неплотно сидят в корпусе разъема.
- Деформированные или поврежденные клеммы. Все клеммы разъемов в неисправных цепях должны быть тщательно проверены, исправлены или заменены для обеспечения надежного контакта.
- Слабое соединение клемм с проводами. Требуется снятие клеммы с корпуса разъема.
Ходовое испытание
Если контрольный осмотр не позволяет установить причину проблемы, можно провести ходовые испытания с вольтметром или сканирующим прибором, подключенным к сомнительной цепи. Ненормальный уровень сигнала или ненормальные показания сканирующего прибора свидетельствуют о проблеме в этой цепи.
Если не неисправности проводки и разъемов не обнаружены и при этом записан диагностический код неисправности для схемы, имеющей сменный датчик, заменить датчик
Контрольная лампа индикации перемежающихся неисправностей (MIL)
Загорание контрольной лампы индикации перемежающихся неисправностей (MIL) без вывода диагностического кода неисправности может быть вызвано следующими причинами:
- Неверной установкой дополнительного электрооборудования, например, ламп, приемо-передающих радиостанций, звукоусилительного оборудования или систем охраны.
- Сигнальный провод контрольной лампы индикации неисправности время от времени закорачивается на массу.
Система питания двигателя
Некоторые неустойчивые проблемы с управляемостью автомобиля могут быть связаны с плохим качеством топлива. Если автомобиль временами едет с рывками, глохнет или имеет другие проблемы, спросить клиента о том, как он заправляет автомобиль.
- Заправляет ли он автомобиль всегда на той же самой заправке? В этом случае проблемы с топливом можно не принимать в расчет.
- Заправляет ли он автомобиль на заправке, предлагающей самые низкие цены? Если да, проверить топливный бак на отложения, наличие воды или другие загрязнения.
Процедура определения параметров холостого хода
Необходимо выполнить следующую процедуру определения параметров холостого хода при выполнении любых из нижеперечисленных действий, одного или нескольких:
- - Замена на новый контроллер ЭСУД
- - Замена нового корпуса дроссельной заслонки (MTIA, ЕТС)
- - Замена на новый клапан РХХ
- - Очистка корпуса дроссельной заслонки от нагара
- - Отключение от источника питания (провод аккумулятора, предохранитель контроллера ЭСУД и т.д.) (Только Delphi ECM)
- - Перепрограммирование программы контроллера ЭСУД (только для контроллера ЭСУД Siemens D160 с системой ETC)
- Включите зажигание.
- Произвести сброс значений адаптации сканирующим прибором. (Только с приводом рег. хол. хода глав. дросс. заслонки, датчиком охлажд. жидкости двиг.)
- Выключить зажигание на 15 секунд.
- Включить зажигание на 5 секунд.
- Выключить зажигание на 15 секунд. (Для контроллера ЭСУД Siemens D160 с системой ЕТС зажигание отключить на 35 секунд.)
- Запустить двигатель в положении парковка/нейтраль.
- Если автомобиль оснащен автоматической КПП, включить стояночный тормоз. Выжав педаль тормоза, переключить КПП в положение D (движение) на 1 секунду и вернуть ее обратно в положение Р (стоянка). (Только контроллер ЭСУД Siemes).
- Дайте двигателю поработать, чтобы температура охлаждающей жидкости стала выше 85°C (185°F).
- Включить кондиционер на 10 секунд, если имеется.
- Если автомобиль оснащен автоматической КПП, включить стояночный тормоз. Выжав педаль тормоза, установить КПП в положение D (движение) на 10 секунд.
- Выключить кондиционер на 10 секунд, если имеется.
- Если автомобиль оборудован автоматической КПП, выжав педаль тормоза, переключить КПП в положение стоянка/нейтраль.
- Выключить зажигание. Процедура определения параметров холостого хода завершена.
- Подождать 15 секунд перед последующим запуском двигателя (только для контроллера ЭСУД Siemens). (Для контроллера ЭСУД Siemens D160 с системой ЕТС зажигание отключить на 35 секунд.)
Проверка диагностической системы
Описание схемы
Проверка диагностической системы - отправная точка для любой диагностики при проблемах в управлении автомобилем. Перед выполнением этой процедуры провести контрольный осмотр/проверку контроллера ЭСУД и заземления двигателя на чистоту и затяжку.
Проверка диагностической системы - это отлаженная методика выявления проблем, вызываемых нарушением работы электронной системы управления двигателем.
Диагностическая информация
Неустойчивая неисправность может быть вызвана слабым контактом, перетертой изоляции или обрывом проводки под изоляцией. Проверить слабые контакты или поврежденные жгуты проводов. Проверить в жгуте проводов контроллера ЭСУД и в соединениях отсутствие неверной состыковки контактов, поломки фиксаторов, деформированности или повреждения контактов, ненадежных соединений контактов с проводами и повреждений жгутов.
Проверка диагностической системы
| Шаг | Операция | Значения | Да | Нет |
| 1 | - Включить зажигание, двигатель не запускать.
- Посмотреть на контрольную лампу индикации неисправности.
Горит ли контрольная лампа индикации неисправности (MIL)? | - | Перейти к операции 2 | |
| 2 | - Выключите зажигание.
- Подключите диагностический прибор.
- Включите зажигание.
- Попытайтесь вывести на дисплей сканирующего прибора данные двигателя контроллера ЭСУД.
Сканирующий прибор выводит данные двигателя контроллера ЭСУД? | - | Перейти к операции 3 | Перейти к операции 7 |
| 3 | - Используя функцию тестовых выходных сигналов сканирующего прибора, выбрать управление контрольной лампой индикации неисправности и дать команду на ее отключение.
- Посмотреть на контрольную лампу индикации неисправности.
Контрольная лампа индикации неисправности выключена? | - | Перейти к операции 4 | |
| 4 | Попытайтесь запустить двигатель. Двигатель запускается и продолжает работать? | - | Перейти к операции 5 | |
| 5 | Выбрать сканирующим прибором DISPLAY DTC. Сохранены ли какие-либо диагностические коды неисправности? | - | Перейти к операции 6 | Система в норме |
| 6 | Проверить наличие на дисплее диагностических кодов неисправности. Сохранены ли два или больше следующих диагностических кодов неисправности? | - | | Перейти разделу "Таблица применимых диагностических кодов неисправности" |
| 7 | - Выключить зажигание и отсоединить контроллер ЭСУД.
- Включить зажигание, двигатель не запускать.
- Проверить цепь последовательных данных на обрыв цепи, замыкание на массу или на источник питания. Проверить также отсутствие обрыва или короткого замыкания на массу цепи питания зажигания колодки диагностики (DLC) и проверить отсутствие обрыва цепей заземления на массу колодки диагностики.
Проблема найдена? | - | Перейти к операции 8 | Перейти к операции 9 |
| 8 | Исправить обрыв цепи, замыкание на массу или на источник питания в цепи передачи данных или в цепи тока зажигания DLC. Закончен ли ремонт? | - | Система в норме | - |
| 9 | - Попытайтесь перепрограммировать контроллер ЭСУД.
- Попытайтесь вывести на дисплей сканирующего прибора данные контроллера ЭСУД.
Сканирующий прибор выводит данные двигателя контроллера ЭСУД? | - | Перейти к операции 2 | Перейти к операции 10 |
| 10 | Заменить контроллер ЭСУД. Закончен ли ремонт? | - | Система в норме | - |
Диагностика системы управления системой улавливания паров бензина
Описание схемы
Система улавливания паров бензина (СУПБ) состоит из следующих компонентов:
- Топливный бак
- Топливные трубы и шланги
- Трубопроводы паров топлива
- Адсорбер
- Продувочные трубопроводы
- Клапан продувки адсорбера.
Диагностическая информация
Сканирующий прибор позволяет включать и выключать клапан продувки адсорбера системы СУПБ.
При наличии замыкания на массу или короткого замыкания провода соленоиды могут срабатывать при включении зажигания.
При диагностике эпизодически возникающих неисправностей тщательно проверить наличие вытолкнутых клемм, неправильного сопряжения, сломанных фиксаторов, повреждений клемм и проводов.
Диагностика клапана продувки адсорбера СУПБ
| Шаг | Операция | Значения | Да | Нет |
| 1 | - Отсоединить от клапана продувки адсорбера СУПБ шланг, идущий к впускному коллектору.
- Подключить ручной вакуумный насос к освободившемуся штуцеру клапана.
- Включить зажигание, двигатель не запускать.
- Приложить к клапану вакуум в 5 дюймов (126 мм) рт.ст.
Держит ли клапан вакуум в течение заданного времени? | 5 секунд | Перейти к операции 2 | Перейти к операции 3 |
| 2 | - Подключите диагностический прибор.
- Включить зажигание, двигатель не запускать.
- Приложить к клапану продувки абсорбера СУПБ вакуум в 5 дюймов (126 мм) рт.ст.
- С помощью сканирующего прибора включить клапан продувки адсорбера СУПБ.
Падает ли вакуум до заданного значения при включении клапана? | 0 дюймов рт.ст. | | Перейти к операции 5 |
| 3 | - Выключите зажигание.
- Приложить к клапану продувки абсорбера СУПБ вакуум в 5 дюймов (126 мм) рт.ст.
Держит ли клапан вакуум в течение заданного времени? | 5 секунд | Перейти к операции 4 | Заменить клапан продувки СУПБ. |
| 4 | - Выключите зажигание.
- Отсоединить электрический разъем клапана продувки адсорбера СУПБ.
- Отсоединить разъем контроллера ЭСУД.
- Цифровым вольтметром, подключенным к клемме A17 жгута ЭСУД, измерить сопротивление на массу.
Сопротивление ниже установленного значения? | 100 кОм | Устраните замыкание на массу между контроллером ЭСУД и клеммой 2 клапана продувки адсорбера СУПБ. | Заменить контроллер ЭСУД |
| 5 | - Включите зажигание.
- Цифровым вольтметром, подключенным к массе, измерить напряжение на выводе 1 клапана продувки адсорбера СУПБ.
Значение измеренного напряжения больше указанного значения? | 11 В | Перейти к операции 6 | Устранить обрыв цепи к выводу 1 клапана продувки адсорбера СУПБ. |
| 6 | - Включите зажигание.
- Цифровым вольтметром, подключенным к массе, измерить напряжение на выводе 2 клапана продувки адсорбера СУПБ.
Значение измеренного напряжения больше указанного значения? | 11 В | Перейти к операции 7 | Заменить клапан продувки СУПБ. |
| 7 | - Подключите диагностический прибор.
- Включите зажигание.
- Цифровым вольтметром, подключенным к массе, измерить напряжение на выводе 2 клапана продувки адсорбера СУПБ.
- С помощью сканирующего прибора включить клапан продувки адсорбера СУПБ.
Значение напряжения аккумулятора меньше указанного значения? | 1 В | Заменить клапан продувки СУПБ. | Перейти к операции 8 |
| 8 | - Подключите диагностический прибор.
- Включите зажигание.
- Цифровым вольтметром, подключенным к массе, измерить напряжение на выводе A17 модуля контроллера ЭСУД.
Значение напряжения аккумулятора меньше указанного значения? | 11 В | Устраните разрыв или высокое напряжение цепи между выводом A17 модуля ЭСУД и выводом 2 клапана продувки адсорбера СУПБ. | Заменить контроллер ЭСУД |
Занесено несколько кодов неисправностей датчиков контроллера ЭСУД
Описание схемы
Контроллер электронной системы управления двигателем (ЭСУД) контролирует различные датчики для определения условий работы двигателя. Контроллер ЭСУД контролирует подачу топлива, опережение зажигания, работу КПП и работу системы снижения токсичности отработавших газов на основе входных сигналов от датчиков.
Контроллер ЭСУД предоставляет массу для всех датчиков. Контроллер ЭСУД подает 5 В через нагрузочный резистор и контролирует напряжение между датчиком и резистором для определения состояния датчика температуры охлаждающей жидкости (ЕСТ) и датчика температуры впускного воздуха (IAT). Контроллер ЭСУД подает в датчик положения иглы системы рециркуляции отработавших газов, положения дроссельной заслонки и абсолютного давления в коллекторе 5-вольтовый опорный сигнал и сигнал заземления датчика. Контроллер ЭСУД контролирует отдельные обратные сигналы от этих датчиков для определения их рабочего состояния.
Диагностическая информация
Обязательно проверить чистоту и надежность крепления контроллера ЭСУД и соединения на массу двигателя.
Замыкание на цепь под напряжением в одной из цепей датчика может стать причиной установки одного или нескольких диагностических кодов неисправности высокого уровня сигнала/входного сигнала.
Если входная цепь датчика замкнута на источник питания, убедитесь, что датчик не поврежден. Неисправный датчик будет показывать высокий или низкий уровень сигнала после устранения неисправности соответствующей цепи. Если датчик был поврежден, заменить его.
Обрыв в одной из цепей датчика вызывает установку одного или нескольких диагностических кодов неисправности низкого уровня сигнала/входного сигнала.
Замыкание на массу в одной из цепей датчика вызывает установку одного или нескольких диагностических кодов неисправности низкого уровня сигнала/входного сигнала.
Проверить следующее:
- Проверить контроллер ЭСУД на слабость соединений. Проверить разъемы жгутов проводов на соединения клемм, слабый контакт, неисправность замков, деформированность или повреждения клемм и слабое соединение клемм с проводами.
- Осмотреть жгут проводов на наличие повреждений. Если жгут проводов кажется исправным, обратить внимание на отображаемое значение соответствующего датчика на сканирующем приборе при включенном зажигании и выключенном двигателе, двигая разъемы и жгуты проводов, относящиеся к соответствующим датчикам. Изменения в отображаемых значениях соответствующего датчика покажут место нахождения неисправности.
Занесено несколько кодов неисправностей датчиков контроллера ЭСУД
| Шаг | Операция | Значения | Да | Нет |
| 1 | Провести проверку системы диагностики. Проверка завершена? | - | Перейти к операции 2 | |
| 2 | - Выключить зажигание и отсоединить контроллер ЭСУД.
- Включить зажигание и проверить отсутствие в цепи опорного напряжения 5 вольт следующих состояний:
- Слабый контакт контроллера ЭСУД.
- Обрыв цепи между разъёмом соответствующего датчика контроллера ЭСУД, имеющим короткое замыкание на массу или источник питания.
- Если проблема найдена, определить ее местонахождение и устранить обрыв цепи или короткое замыкание, если необходимо.
Проблема найдена? | - | Перейти к операции 17 | Перейти к операции 3 |
| 3 | - Проверить цепь массы датчика на следующее:
- Слабый контакт контроллера ЭСУД или соответствующего датчика.
- Обрыв цепи между разъёмом контроллера ЭСУД и соответствующим датчиком.
- Если проблема найдена, устранить ее, если необходимо.
Проблема найдена? | - | Перейти к операции 17 | Перейти к операции 4 |
| 4 | Измерить напряжение сигнальной цепи датчика положения иглы клапана рециркуляции отработавших газов (EGR) между разъемом жгута проводов контроллера ЭСУД и массой. Близко ли измеренное напряжение к заданному значению? | 0 В | Перейти к операции 5 | Перейти к операции 9 |
| 5 | Измерить напряжение сигнальной цепи датчика абсолютного давление в коллекторе (МАР) между разъемом жгута проводов контроллера ЭСУД и массой. Близко ли измеренное напряжение к заданному значению? | 0 В | Перейти к операции 6 | Перейти к операции 11 |
| 6 | Измерить напряжение сигнальной цепи датчика положения дроссельной заслонки (ТР) между разъемом жгута проводов контроллера ЭСУД и массой. Близко ли измеренное напряжение к заданному значению? | 0 В | Перейти к операции 7 | Перейти к операции 12 |
| 7 | Измерить напряжение сигнальной цепи датчика температуры впускного воздуха (IAT) между разъемом жгута проводов контроллера ЭСУД и массой. Близко ли измеренное напряжение к заданному значению? | 0 В | Перейти к операции 8 | Перейти к операции 13 |
| 8 | Измерить напряжение сигнальной цепи датчика температуры охлаждающей жидкости (ЕСТ) между разъемом жгута проводов контроллера ЭСУД и массой. Близко ли измеренное напряжение к заданному значению? | 0 В | Перейти к операции 16 | Перейти к операции 14 |
| 9 | - Отсоединить клапан системы рециркуляции.
- Измерить напряжение сигнальной цепи датчика положения иглы клапана рециркуляции отработавших газов между разъемом жгута проводов контроллера ЭСУД и массой.
Близко ли измеренное напряжение к заданному значению? | 0 В | Перейти к операции 10 | Перейти к операции 15 |
| 10 | Заменить клапан EGR. Закончен ли ремонт? | - | Перейти к операции 17 | - |
| 11 | Определить местонахождение и устранить замыкание на источник питания в сигнальной цепи датчика МАР. Закончен ли ремонт? | - | Перейти к операции 17 | - |
| 12 | Определить местонахождение и устранить замыкание на источник питания в сигнальной цепи датчика ТР. Закончен ли ремонт? | - | Перейти к операции 17 | - |
| 13 | Определить местонахождение и устранить замыкание на источник питания в сигнальной цепи датчика IAT. Закончен ли ремонт? | - | Перейти к операции 17 | - |
| 14 | Определить местонахождение и устранить замыкание на источник питания в сигнальной цепи датчика ECT. Закончен ли ремонт? | - | Перейти к операции 17 | - |
| 15 | Определить местонахождение и устранить замыкание на источник питания в сигнальной цепи датчика положения иглы клапана рециркуляции отработавших газов. Закончен ли ремонт? | - | Перейти к операции 17 | - |
| 16 | Заменить контроллер ЭСУД. Закончен ли ремонт? | - | Перейти к операции 17 | - |
| 17 | - Используя сканирующий прибор, очистить диагностические коды неисправностей.
- Запустить двигатель и дать ему поработать на холостом ходу при нормальной рабочей температуре.
- Совершить поездку для установки кодов неисправности, как это указано во вспомогательном тексте.
Сканирующий прибор определяет эту диагностику как прошедшую и успешную? | - | Перейти к операции 18 | Перейти к операции 2 |
| 18 | Проверьте, не установлены ли дополнительные диагностические коды неисправности. Отображены ли диагностические коды неисправности, которые не были продиагностированы? | - | Перейти разделу "Таблица применимых диагностических кодов неисправности" | Система в норме |
Коленчатый вал проворачивается, но двигатель не запускается
Описание схемы
Коленчатый вал проворачивается, но двигатель не запускается. В диагностической таблице систематизирована методика выявления состояния, препятствующего запуску двигателя. Коленчатый вал проворачивается, но двигатель не запускается. С помощью диагностической таблицы специалист, занимающийся сервисом, может выбрать необходимую диагностику системы. Для запуска и работы двигателя в каждый цилиндр должно должным образом подаваться необходимое количество высококачественного топлива. Синхронизация работы клапанного механизма с положением поршней также важна, как и механическая компрессия воздушно-топливной смеси.
Коленчатый вал проворачивается, но двигатель не запускается. Согласно диагностической таблице установлено следующее:
- Полная разрядка аккумулятора.
- Скорость вращения коленчатого вала при запуске двигателя приемлема.
- В топливном баке соответствующее количество топлива.
Диагностическая информация
Проверить на наличие следующих состояний:
- Невозможность запуска может быть вызвана недостаточным количеством топлива. Тщательно проверить систему подачи топлива, чтобы убедиться в достаточном количестве топлива, подаваемого к топливным форсункам. Проверить компоненты подачи топлива, убедившись в том, нет ли закупорки или препятствий.
- Топливные форсунки с частично закупоренными или имеющими ограниченный проход соплами или неисправность соленоида могут стать причиной отказа в запуске. См. "Проверка катушки топливной форсунки" и "Проверка баланса форсунок".
- В топливных форсунках может осуществляться впрыск топлива и указанное давление топлива может быть точным, но может быть недостаточно топлива для запуска двигателя. Топливные форсунки и цепь форсунок в порядке, обнаруживается впрыск топлива, но может быть несоответствующей длительность нахождения топливной форсунки во включенном положении. При получении контроллером ЭСУД неточных входных сигналов от различных информирующих датчиков может образовываться несоответствующее количество подаваемого топливными форсунками топлива для запуска двигателя. Проверить все параметры данных двигателя сканирующим прибором и сравнить показываемые значения с ожидаемыми значениями или значениями у автомобиля, о котором известно, что он в исправном состоянии.
- Проверить контрольный сигнал о состоянии двигателя от датчика положения коленчатого вала сканирующим прибором. При проворачивании коленчатого вала контролировать параметр числа оборотов двигателя. При проворачивании коленчатого вала сканирующий прибор должен устойчиво показывать 200-300 об/мин. При неточности значений, например, при обнаружении резких скачкообразных сигналов, отражающих число оборотов двигателя, контрольный сигнал о состоянии двигателя недостаточно устойчив, из-за чего двигатель не может должным образом запуститься и работать.
- Проверить надежность и исправность электрических точек заземления двигателя.
- Если двигатель почти завелся и глохнет, проверить обрыв в цепях заземления датчика положения коленчатого вала (СКР) и датчика положения распределительного вала (СМР).
- Вода или посторонние вещества в топливе могут стать причиной незапуска или неустойчивой работы двигателя. В морозную погоду охлаждающая жидкость может замерзнуть в топливной системе. В обогреваемой мастерской двигатель может запуститься через 30 минут. Неисправность не может повториться до тех пор, пока автомобиль не будет оставлен на ночь при температуре замерзания. Чрезвычайно неблагоприятные погодные условия могут привести к тому, что загрязнение топлива будет препятствовать запуску двигателя.
- Если автомобиль заводится и двигатель у него работает после доставки в мастерскую по причине невозможности запуска, значит, его система зажигания подвержена воздействию влаги. Необходимо распылить воду на компоненты системы зажигания и провода для проверки запуска двигателя или при неустойчивости его работы.
Неустойчивый сбой может быть вызван сбоем в какой-либо из электрических цепей передачи данных или компонентов. Проверить, нет ли перемежающихся сбоев в жгуте проводов или отдельных компонентах. См. "Непостоянные неисправности".
Описание проверки
Нижеприведенный номер относится к номерам этапов из таблицы диагностики.
- Невозможность запуска может быть стать следствием перечисленных диагностических кодов неисправности. При установке кода DTC перед тем, как выполнить процедуру диагностики, необходимо продиагностировать код.
- На этом этапе проверяется правильность работы датчика положения коленчатого вала (CKP). При возникновении отклонения в датчике СКР или цепях число оборотов двигателя на сканирующем приборе не отображается. В зависимости от характера нарушения в цепи код DTC P0337 может не устанавливаться.
- Важно проверить наличие искры на всех свечах зажигания.
- На этом этапе проверяется правильность работы контроллера ЭСУД цепи топливного насоса.
Коленчатый вал проворачивается, но двигатель не запускается
| Шаг | Операция | Значения | Да | Нет |
| 1 | Провести проверку системы диагностики. Проверка завершена? | - | Перейти к операции 2 | |
| 2 | - Провернуть коленчатый вал двигателя в течение 15 секунд.
- Включить зажигание при заглушенном двигателе.
- Проверить данные о DTC сканирующим прибором.
На сканирующем приборе отображаются коды DTC, сообщающие о сбое в датчике контроллера ЭСУД, цепях форсунок, катушке зажигания, контроллере ЭСУД и иммобилизаторе? | - | Перейти к соответствующей таблице диагностических кодов неисправности | Перейти к операции 3 |
| 3 | Проверить параметры иммобилизатора сканирующим прибором. На сканирующем приборе отображается Disabled (отключено)? | - | Перейти к операции 4 | |
| 4 | - Провернуть коленчатый вал двигателя.
- Проверить сканирующим прибором параметры числа оборотов двигателя при проворачивании коленчатого вала.
На сканирующем приборе отображается число оборотов двигателя? | - | Перейти к операции 5 | |
| 5 | Проверить наличие искры на всех свечах зажигания при проворачивании двигателя стартером. Искра имеется на всех свечах зажигания? | - | Перейти к операции 6 | |
| 6 | - Включить зажигание, двигатель не запускать.
- Дать команду сканирующим прибором на включение топливного насоса.
Топливный насос включается? | - | Перейти к операции 7 | |
| 7 | - Выключите зажигание.
Внимание! Обернуть фабричным полотенцем место соединения для подачи топлива под давлением для снижения риска возгорания и получения травмы. В полотенце впитается вытекающее топливо, что может произойти при подключении манометра давления топлива. Отложить полотенце в подходящий контейнер по завершении соединения манометра давления топлива. - Установить топливный манометр.
- Включить зажигание, двигатель не запускать.
- Дать команду сканирующим прибором на включение топливного насоса.
Давление топлива во время работы топливного насоса находится в указанных пределах? | 310 кПа (45 psi) | Перейти к операции 8 | |
| 8 | Проверить следующее: - Обрыв трубы впуска воздуха в корпус дроссельной заслонки.
- Уменьшена пропускная способность воздушного фильтра.
- Загрязнение свечей зажигания от топлива или охлаждающей жидкости. При загрязнении свечей зажигания определить причину появления этого состояния.
- Проверить проходимость системы выпуска отработавших газов.
- Проверить на наличие загрязнения от охлаждающей жидкости, спирта, топлива или других загрязнений.
- Механические изменения двигателя, например, износ приводного ремня газораспределительного механизма или небольшая компрессия.
- Проверить на наличие высокого сопротивления в цепях датчика абсолютного давления в коллекторе (МАР). Также проверить, нет ли перекоса датчика. Двигатель может не запускаться в связи с повышением сопротивления в цепи или перекосом датчика.
- Проверить температуру охлаждающей жидкости двигателя - она может не быть близка к фактической температуре двигателя.
Действие выполнено? | - | Перейти к операции 9 | - |
| 9 | - Сбросить коды DTC сканирующим прибором.
- Попытайтесь запустить двигатель.
Двигатель запускается и продолжает работать? | - | Перейти к операции 10 | Перейти к операции 2 |
| 10 | - Дать двигателю поработать на холостом ходу.
- Прогреть двигатель до рабочей температуры.
- Проверить данные о DTC сканирующим прибором.
Если ли коды DTC, которые еще не были продиагностированы? | - | Перейти к соответствующей таблице диагностических кодов неисправности | Система в норме |
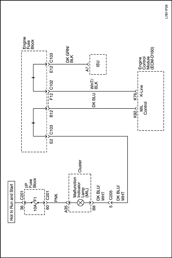
Контрольная лампа индикации неисправности не горит
Описание схемы
Контрольная лампа индикации неисправности загорается при включенном зажигании и продолжает гореть при работающем двигателе, если диагностические коды неисправностей не сохранены. Питание подается на контрольную лампу индикации неисправности непосредственно через выключатель зажигания. Контроллер электронной системы управления двигателем (ЭСУД) управляет контрольной лампой индикации неисправности, подключая к ней массу через контрольную цепь.
Диагностическая информация
Перегоревший предохранитель приводит к неработоспособности всего блока.
Проверить аккумуляторную батарею и цепи зажигания на слабый контакт, если контрольная лампа индикации неисправности показывает неустойчивую неисправность.
Любая цепь, подозреваемая на создание неустойчивой неисправности, должна быть тщательно проверена на соединения клемм, слабый контакт, неисправность замков, деформированность или повреждения клемм, слабое соединение клемм с проводами и физическое повреждение жгутов проводов.
Описание проверки
Числа, приведенные ниже, относятся к номерам операции в диагностической таблице.
- Если двигатель не запускается и контрольная лампа индикации неисправности не работает, то неисправность может находиться в одной из цепей зажигания контроллера ЭСУД. Питание аккумуляторной батареи или плохое соединение на массу блока цилиндров двигателя или контроллер ЭСУД.
- Проверка цепи лампы индикации неисправности контрольной лампой, подключенной к массе, заставляет контроллер ЭСУД включить контрольную лампу индикации неисправности. Если контрольная лампа индикации неисправности загорается, то неисправность может быть в управлении контрольной лампы индикации неисправности или в слабом контакте клеммы контрольной лампы индикации с контроллером ЭСУД.
Контрольная лампа индикации неисправности не горит
| Шаг | Операция | Значения | Да | Нет |
| 1 | Попытайтесь запустить двигатель. Двигатель запускается? | - | Перейти к операции 2 | |
| 2 | - Поверните замок зажигание в положение LOCK.
- Отсоединить разъём контроллера электронной системы управления двигателем (ЭСУД).
- Поверните ключ зажигания в положение ON.
- Присоединить контрольную лампу между клеммой K92 разъема контроллера ЭСУД и массой.
Контрольная лампа горит? | - | Перейти к операции 3 | Перейти к операции 6 |
| 3 | Проверить клеммы на повреждения или слабый контакт. Проблема найдена? | - | Перейти к операции 5 | Перейти к операции 4 |
| 4 | Заменить контроллер ЭСУД. Замена закончена? | - | | - |
| 5 | Устранить повреждения клемм или слабый контакт. Закончен ли ремонт? | - | | - |
| 6 | Проверить предохранитель F1. Предохранитель перегорел? | - | Перейти к операции 7 | Перейти к операции 8 |
| 7 | - Проверить на замыкание на массу и устранить неисправность, если необходимо.
- Заменить предохранитель F1.
Ремонт или замена закончены? | - | | - |
| 8 | - Проверить обрыв цепи между предохранителем F1 и клеммой К92 разъема контроллера ЭСУД и устранить неисправность, если необходимо.
- Проверить контрольную лампу индикации неисправности и заменить ее, если необходимо.
Ремонт или замена закончены? | - | | - |
Контрольная лампа индикации неисправности горит постоянно
Описание схемы
Контрольная лампа индикации неисправности загорается при включении выключателя зажигания и продолжает гореть при работающем двигателе, если диагностические коды неисправностей не сохранены. Питание подается на контрольную лампу индикации неисправности непосредственно через выключатель зажигания. Контроллер электронной системы управления двигателем (ЭСУД) управляет контрольной лампой индикации неисправности, подключая к ней массу через контрольную цепь.
Описание проверки
Приведенными ниже числами указываются номера операций в таблице диагностики.
- Проверка диагностической системы предлагает мастеру выполнить основную проверку и, если это предусмотрено, сохранить состояние и данные неисправностей в сканирующем приборе. Это создает электронную копию данных, записанную при возникновении неисправности. Информация сохраняется в сканирующем приборе для дальнейшей обработки.
- Контрольная лампа индикации неисправности загорается при включенном зажигании и продолжает гореть при работающем двигателе или если сохранен диагностический код выброса вредных веществ. Эта операция проверят способность контроллера ЭСУД управлять контрольной лампой индикации неисправности. Сканирующий прибор может подавать команды на включение и выключение контрольной лампы индикации неисправности.
- Замкнутая цепь контрольной лампы индикации неисправности может быть диагностирована сканирующим прибором.
Контрольная лампы индикации неисправности горит постоянно
| Шаг | Операция | Значения | Да | Нет |
| 1 | Провести проверку системы диагностики. Проверка завершена? | - | Перейти к операции 2 | |
| 2 | - Поверните замок зажигание в положение LOCK.
- Подключить сканирующий прибор к колодке диагностики (DLC).
- Подать команду контрольной лампе индикации неисправности на включение и выключение.
Контрольная лампа индикации неисправности включается и выключается при подаче команды? | - | Перейти к операции 7 | Перейти к операции 3 |
| 3 | - Поверните замок зажигание в положение LOCK.
- Отсоединить разъём контроллера электронной системы управления двигателем (ЭСУД).
- Поверните ключ зажигания в положение ON.
Контрольная лампа индикации неисправности выключена? | - | Перейти к операции 6 | Перейти к операции 4 |
| 4 | Проверить контрольную лампу индикации неисправности на замыкание на массу и устранить неисправность, если необходимо. Закончен ли ремонт? | - | Перейти к операции 7 | Перейти к операции 5 |
| 5 | Заменить блок панели инструментов. См. Закончен ли ремонт? | - | Перейти к операции 7 | - |
| 6 | Заменить контроллер ЭСУД. Закончен ли ремонт? | - | Перейти к операции 7 | - |
| 7 | - Используя сканирующий прибор, очистить диагностические коды неисправностей.
- Попытайтесь запустить двигатель.
Двигатель запускается и продолжает работать? | - | Перейти к операции 8 | Перейти к операции 1 |
| 8 | - Дать двигателю поработать на холостом ходу до достижения нормальной рабочей температуры.
- Проверьте, не установлены ли какие-либо диагностические коды неисправности.
Отображены ли диагностические коды неисправности, которые не были продиагностированы? | - | Перейти к соответствующей таблице диагностических кодов неисправности | Система в норме |
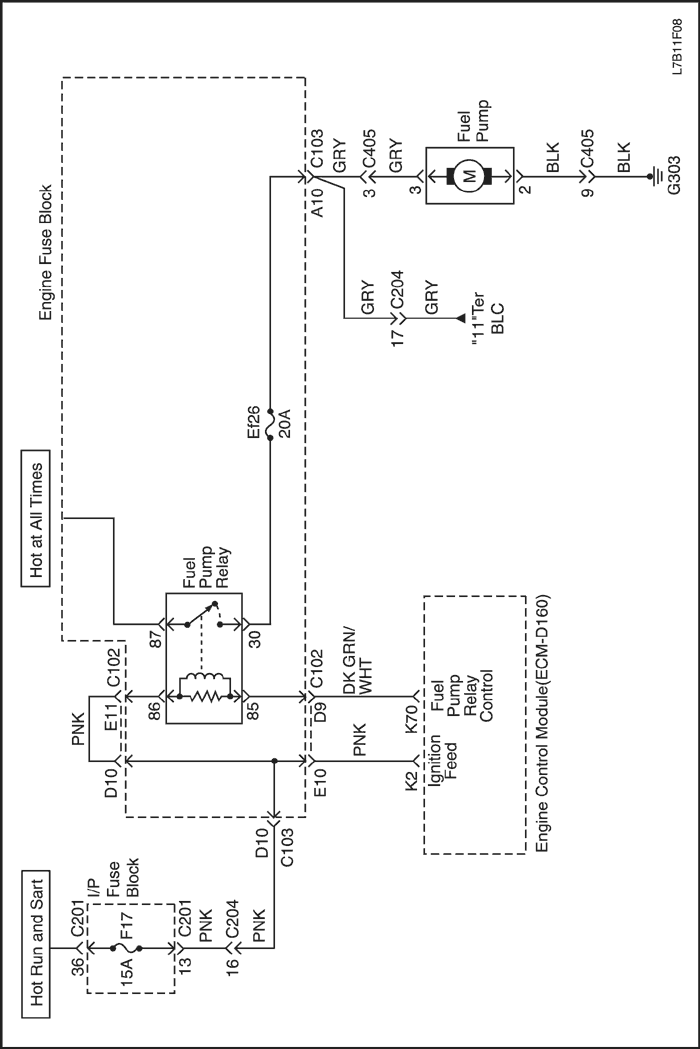
Диагностика топливной системы
Описание схемы
При включении зажигания контроллер электронной системы управления двигателем (ЭСУД) питает топливный насос в баке через реле топливного насоса. Топливный насос в баке остается включенным, пока проворачивается коленчатый вал или двигатель работает, и в контроллер ЭСУД поступают контрольные импульсы от коленчатого вала. При отсутствии контрольных импульсов контроллер ЭСУД выключает топливный насос в баке через 2 секунды после перевода выключателя зажигания в положение включения или через 2 секунды после остановки двигателя. Электробензонасос встроен в блок, состоящий из топливного насоса и датчика, и расположен внутри топливного бака. Топливный фильтр подает топливо через топливный фильтр, а также через топливопровода к узлу топливной рампы. Топливный насос подает топливо под давлением, превышающим давление, необходимое для топливных форсунок. Регулятор давления топлива, расположенный в блоке топливного насоса и датчика, обеспечивает для топливных форсунок присутствие топлива под регулируемым давлением. Если давление топлива поднимется выше заданного регулятором уровня, оно стравливается, и избыток топлива выпускается в бачок блока топливного насоса с датчиком.
Внимание! Топливная система находится под давлением. Перед отсоединением топливопроводов во избежание пролива топлива и ожогов следует сбросить давление в системе подачи топлива.
Внимание! Не зажимать и не перегибать нейлоновые топливопроводы во избежание утечки топлива и связанных с ней пожаров и травм.
Сбрасывание давления в системе подачи топлива
- Снять топливную крышку.
- Снять предохранитель топливного насоса EF18 с блока предохранителей топливного насоса.
- Запустить двигатель и заглушить его.
- Провернуть коленчатый вал двигателя еще в течение 10 секунд.
Диагностика топливной системы
| Шаг | Операция | Значения | Да | Нет |
| 1 | - Сбросить давление в системе подачи топлива.
- Установить топливный манометр.
- Включите зажигание.
Давление топлива в пределах установленного значения, но не держится стабильно? | 310 кПа (45 psi) | Перейти к операции 2 | Перейти к операции 9 |
| 2 | Проверить топливопроводы на утечку. Неисправность обнаружена? | - | Перейти к операции 3 | Перейти к операции 4 |
| 3 | - Заменить топливопровод(ы), если необходимо.
- Установить топливный манометр.
- Включите зажигание.
Давление топлива в пределах установленного значения, но не держится стабильно? | 310 кПа (45 psi) | Система в норме | - |
| 4 | - Снять узел топливного насоса.
- Проверить соединительные шланги топливного насоса на утечку под давлением.
Неисправность обнаружена? | - | Перейти к операции 5 | Перейти к операции 6 |
| 5 | - Затянуть или заменить соединительные шланги топливного насоса, если необходимо.
- Установить топливный манометр.
- Включите зажигание.
Давление топлива в пределах установленного значения, но не держится стабильно? | 310 кПа (45 psi) | Система в норме | - |
| 6 | - Заменить узел топливного насоса.
- Установить топливный манометр.
- Включите зажигание.
Давление топлива в пределах установленного значения, но не держится стабильно? | 310 кПа (45 psi) | Система в норме | - |
| 7 | - Снять топливную рампу и топливные форсунки в сборе.
- Проверить все топливные форсунки на утечку под давлением в топливной системе.
Неисправность обнаружена? | - | Перейти к операции 8 | - |
| 8 | - Заменить протекающие топливные форсунки.
- Установить топливный манометр.
- Включите зажигание.
Давление топлива в пределах установленного значения, но не держится стабильно? | 310 кПа (45 psi) | Система в норме | - |
| 9 | - Сбросить давление в системе подачи топлива.
- Установить топливный манометр.
- Включите зажигание.
Давление топлива ниже установленного значения и держится стабильно? | 310 кПа (45 psi) | Перейти к операции 6 | Перейти к операции 10 |
| 10 | Проверить топливопроводы на утечку. Неисправность обнаружена? | - | Перейти к операции 3 | Перейти к операции 11 |
| 11 | - Снять узел топливного насоса.
- Проверить соединительные шланги топливного насоса на утечку под давлением.
Неисправность обнаружена? | - | Перейти к операции 5 | Перейти к операции 12 |
| 12 | - Снять топливную рампу и топливные форсунки в сборе.
- Проверить все топливные форсунки на утечку под давлением в топливной системе.
Неисправность обнаружена? | - | Перейти к операции 8 | Перейти к операции 6 |
Проверка цепи реле топливного насоса; Проверка цепи реле бензонасоса; Проверка цепи реле электробензонасоса
Описание схемы
При включенном выключателе зажигания модуль ЭСУД включит реле топливного насоса и запустит топливный насос в баке. Топливный насос работает, пока двигатель запускается стартером или работает, и контроллер ЭСУД получает контрольные импульсы зажигания.
Если контрольных импульсов нет, контроллер ЭСУД отключит топливный насос в течение 2 секунд после включения зажигания.
Диагностическая информация
Неустойчивая проблема может быть вызвана слабым контактом, перетертой изоляции или обрывом проводки под изоляцией.
Проверка цепи реле топливного насоса; Проверка цепи реле бензонасоса; Проверка цепи реле электробензонасоса
| Шаг | Операция | Значения | Да | Нет |
| 1 | - Выключить зажигание на 10 секунд.
- Включите зажигание.
- Прислушайтесь к работе топливного насоса в топливном баке.
Топливный насос работает в течение установленного времени? | 2 сек. | Система в норме | Перейти к операции 2 |
| 2 | - Выключите зажигание.
- Отсоединить реле топливного насоса.
- Присоединить контрольную лампу между клеммой 86 разъема реле топливного насоса и массой.
- Включите зажигание.
Горит ли контрольная лампа? | - | Перейти к операции 3 | Перейти к операции 8 |
| 3 | - Выключите зажигание.
- Присоединить контрольную лампу между клеммой 85 разъема реле топливного насоса и положительным проводом аккумуляторной батареи.
- Включите зажигание.
- При включенном зажигании контрольная лампа должна гореть в течение установленного времени.
Горит ли контрольная лампа? | 2 сек. | Перейти к операции 4 | Перейти к операции 9 |
| 4 | - Выключите зажигание.
- Подключить контрольную лампу между клеммой 87 разъема реле топливного насоса и массой.
Горит ли контрольная лампа? | - | Перейти к операции 5 | Перейти к операции 11 |
| 5 | Проверить провод между клеммой 30 разъема реле топливного насоса и клеммой 3 разъема топливного насоса на обрыв цепи или замыкание на массу. Неисправность обнаружена? | - | Перейти к операции 6 | Перейти к операции 7 |
| 6 | - Отремонтировать провод между клеммой 30 разъема реле топливного насоса и клеммой 3 разъема топливного насоса.
- Установить реле топливного насоса.
- Выключить зажигание на 10 секунд.
- Включите зажигание.
Топливный насос работает в течение установленного времени? | 2 сек. | Система в норме | - |
| 7 | - Заменить реле топливного насоса.
- Выключить зажигание на 10 секунд.
- Включите зажигание.
Топливный насос работает в течение установленного времени? | 2 сек. | Система в норме | - |
| 8 | Проверить на обрыв цепь между клеммой 86 разъема реле топливного насоса и выключателем зажигания. Неисправность обнаружена? | - | Перейти к операции 13 | |
| 9 | Проверить на обрыв цепь между клеммой 85 разъема реле топливного насоса и клеммой К70 разъема контроллера ЭСУД. Неисправность обнаружена? | - | Перейти к операции 10 | Перейти к операции 12 |
| 10 | - Отремонтировать цепь между клеммой 85 разъема реле топливного насоса и клеммой К70 разъема контроллера ЭСУД.
- Установить реле топливного насоса.
- Выключить зажигание на 10 секунд.
- Включите зажигание.
Топливный насос работает в течение установленного времени? | 2 сек. | Система в норме | - |
| 11 | - Отремонтировать цепь между клеммой 87 разъема реле топливного насоса и аккумуляторной батареей.
- Установить реле топливного насоса.
- Выключить зажигание на 10 секунд.
- Включите зажигание.
Топливный насос работает в течение установленного времени? | 2 сек. | Система в норме | - |
| 12 | - Заменить контроллер ЭСУД.
- Выключить зажигание на 10 секунд.
- Включите зажигание.
Топливный насос работает в течение установленного времени? | 2 сек. | Система в норме | - |
| 13 | Отремонтировать провод между клеммой 86 разъема реле топливного насоса и выключателем зажигания. Закончен ли ремонт? | - | Система в норме | - |
 | |  | |