Диагностический код неисправности P0153
Датчик HO2S, ряд цилиндров 2, датчик 1, медленный отклик
Описание схемы
Контроллер электронной системы управления двигателем (ЭСУД) создает напряжение примерно 0,45 В между клеммами A6 и A7 контроллера ЭСУД. Датчик кислорода (О2) изменяет это напряжение в диапазоне от примерно 1 В при обогащенном выхлопе до примерно 0,1 В при обедненном выхлопе. Датчик кислорода представляет собой как бы разомкнутую цепь и не создает напряжения, когда его температура ниже 300°C(600°F). При разомкнутой цепи датчика кислорода или холодном датчике кислорода система работает в режиме "разомкнутой цепи".
Условия установки кода неисправности.
- Включено зажигание.
- Обороты двигателя в пределах от 512 до 4608 об./мин.
- Массовый расход воздуха в пределах от 15 кг/ч до 400 кг/ч.
- Температура охлаждающей жидкости двигателя более 50,25°С.
- Температура отработавших газов больше 399,97°C.
- Связанных диагностических кодов неисправностей не установлено.
Действия, выполняемые при установке кода неисправности
- Контрольная лампа индикации неисправности загорается.
- Контроллер записывает рабочие условия в момент определения неисправности. Эта информация сохраняется в буфере записей состояния и протоколах неисправностей.
- Сохраняется архив диагностических кодов неисправности.
Условия очистки кода неисправности/индикации неисправности
- Лампа индикации неисправности выключается по окончании трех (3) циклов проверки подряд, в которых диагностика выполняется без сбоя.
- Архивный диагностический код неисправности убирается после 40 циклов нагрева без сбоя.
- Диагностический код неисправности может быть очищен сканирующим прибором.
Диагностическая информация
Нормальный сигнал сканирующего прибор изменяется между 0,15 В и 8,5 В в закрытом контуре. Если DTC P0153 неустойчив, см.
"Непостоянные неисправности" в этом разделе.
DTC P0153 - Датчик HO2S, ряд цилиндров 2, датчик 1, медленный отклик
| Шаг | Операция | Значения | Да | Нет |
| 1 | Провести проверку системы диагностики. Проверка системы завершена? | - | Перейти к операции 2 | |
| 2 | - Подключить сканирующий прибор к колодке диагностики.
- Запустить двигатель и дать ему нагреться до рабочей температуры.
- Проверить работу в закрытом контуре.
Сканирующий прибор определяет закрытый контур? | - | Перейти к операции 3 | Перейти к операции 4 |
| 3 | - Поверните замок зажигание в положение LOCK.
- Просмотреть данные записи состояний и записать параметры.
- Совершить поездку в условиях записанных состояний и условиях установки кода неисправности.
Сканирующий прибор определяет закрытый контур? | - | Перейти к операции 12 | Перейти к операции 4 |
| 4 | - Отключить разъем диагностического датчика кислорода (HO2S).
- Перемкнуть клемму 1 датчика кислорода на массу.
- Поверните ключ зажигания в положение ON.
Сканирующий прибор показывает уровень сигнала датчика кислорода в пределах установленного значения? | 0,4~0,5 В | Перейти к операции 5 | Перейти к операции 8 |
| 5 | Проверить разъемы датчика кислорода на неисправность клемм или слабый контакт и устранить неисправность, если необходимо. Ремонт необходим? | - | Перейти к операции 12 | Перейти к операции 6 |
| 6 | - Дать двигателю поработать на холостом ходу.
- Снять перемычку.
- Измерить уровень сигнала между клеммой 3 разъема датчика кислорода и массой.
Уровень сигнала датчика кислорода выше установленного значения? | 0,6 В | Перейти к операции 7 | Перейти к операции 11 |
| 7 | - Поверните замок зажигание в положение LOCK.
- Измерить напряжение между клеммой 3 разъема датчика HO2S и массой.
Уровень сигнала датчика кислорода выше установленного значения? | 0,3 В | Перейти к операции 9 | Перейти к операции 11 |
| 8 | Устранить обрыв цепи или замыкание на массу разъема или провода между клеммой 1 датчика кислорода и клеммой A6 контроллера ЭСУД. Закончен ли ремонт? | - | Перейти к операции 11 | Перейти к операции 9 |
| 9 | Устранить обрыв цепи или замыкание на массу разъема или провода между клеммой 3 датчика кислорода и клеммой A7 контроллера ЭСУД. Закончен ли ремонт? | - | Перейти к операции 12 | Перейти к операции 10 |
| 10 | - Поверните замок зажигание в положение LOCK.
- Заменить контроллер ЭСУД.
- Провести проверку системы диагностики.
Закончен ли ремонт? | - | Система в норме | - |
| 11 | Заменить датчик кислорода. Закончен ли ремонт? | - | Перейти к операции 12 | - |
| 12 | - Очистить все диагностические коды неисправности в контроллере ЭСУД.
- Провести проверку системы диагностики.
Закончен ли ремонт? | - | Перейти к операции 13 | - |
| 13 | Проверьте, не установлены ли дополнительные диагностические коды неисправности. Отображены ли диагностические коды неисправности, которые не были продиагностированы? | - | Перейти к соответствующей таблице диагностических кодов неисправности | Система в норме |
Диагностический код неисправности P0154
Датчик HO2S, ряд цилиндров 2, датчик 1, недостаточный отклик
Описание схемы
Контроллер электронной системы управления двигателем (ЭСУД) создает напряжение примерно 0,45 В между клеммами A6 и A7 контроллера ЭСУД. Датчик кислорода (О2) изменяет это напряжение в диапазоне от примерно 1 В при обогащенном выхлопе до примерно 0,1 В при обедненном выхлопе. Датчик О2 представляет собой как бы разомкнутую цепь и не создает напряжения, когда его температура ниже 300°C(600°F). При разомкнутой цепи датчика кислорода O2 или холодном датчике кислорода O2 система работает в режиме "разомкнутой цепи".
Условия установки кода неисправности.
- В датчике кислорода неисправностей нет.
- Температура отработавших газов больше 349,975°C.
- Разность между минимальным и максимальным значениями напряжения датчика HO2S меньше 0,25 В.
Действия, выполняемые при установке кода неисправности
- Контрольная лампа индикации неисправности загорается.
- Контроллер записывает рабочие условия в момент определения неисправности. Эта информация сохраняется в буфере записей состояния и протоколах неисправностей.
- Сохраняется архив диагностических кодов неисправности.
Условия очистки кода неисправности/индикации неисправности
- Лампа индикации неисправности выключается по окончании трех (3) циклов проверки подряд, в которых диагностика выполняется без сбоя.
- Архивный диагностический код неисправности убирается после 40 циклов нагрева без сбоя.
- Диагностический код неисправности может быть очищен сканирующим прибором.
Диагностическая информация
Нормальный сигнал сканирующего прибор изменяется между 0,15 В и 8,5 В в закрытом контуре. Если DTC P0154 неустойчив, см.
"Непостоянные неисправности" в этом разделе.
DTC P0154 - Датчик HO2S, ряд цилиндров 2, датчик 1, недостаточный отклик
| Шаг | Операция | Значения | Да | Нет |
| 1 | Провести проверку системы диагностики. Проверка системы завершена? | - | Перейти к операции 2 | |
| 2 | - Запустить двигатель и дать ему нагреться выше рабочей температуры.
- Установите диагностический прибор.
- Дать двигателю поработать на оборотах выше установленных в течение 2 минут.
Сканирующий прибор определяет закрытый контур? | 80°C(176°F) 1200 об/мин | Перейти к операции 3 | Перейти к операции 4 |
| 3 | - Включить зажигание.
- Просмотреть данные записи состояний и записать параметры.
- Поездка произведена в условиях записанных состояний и условиях установки кода неисправности?
Сканирующий прибор определяет закрытый контур? | - | Перейти к операции 12 | Перейти к операции 4 |
| 4 | Отсоединить разъем датчика кислорода и перемкнуть клемму 3 цепи датчика кислорода на массу. Уровень сигнала датчика кислорода ниже установленного значения и сканирующий прибор показывает уровень сигнала нагревателя датчика кислорода в пределах установленного значения? | 0,5 В | Перейти к операции 5 | Перейти к операции 6 |
| 5 | Проверить разъемы датчика кислорода на неисправность клемм или слабый контакт и устранить неисправность, если необходимо. Ремонт необходим? | - | Перейти к операции 12 | Перейти к операции 9 |
| 6 | - Включить зажигание.
- Снять перемычку.
- С помощью цифрового вольтметра измерить напряжение между клеммой 1 сигнальной цепи датчика кислорода с электронагревом и массой.
Уровень сигнала датчика кислорода выше установленного значения? | 0,6 В | Перейти к операции 10 | Перейти к операции 9 |
| 7 | Уровень сигнала датчика кислорода ниже установленного значения? | 0,3 В | Перейти к операции 11 | Перейти к операции 8 |
| 8 | Проверить клемму 3 цепи массы датчика кислорода на обрыв цепи или слабый контакт и устранить неисправность, если необходимо. Ремонт необходим? | - | Перейти к операции 12 | Перейти к операции 8 |
| 9 | Проверить отсутствие обрыва или плохого подсоединения провода на клемме 1 сигнальной цепи датчика кислорода с электронагревом, при необходимости устранить неисправность. Ремонт необходим? | - | Перейти к операции 12 | Перейти к операции 8 |
| 10 | - Присоединить разъём датчика кислорода, если он был отсоединен.
- Используя сканирующий прибор, очистить диагностические коды неисправностей.
- Запустить двигатель и дать ему поработать на холостом ходу при нормальной рабочей температуре.
- Совершить поездку для установки кодов неисправности, как это указано во вспомогательном тексте.
Сканирующий прибор определяет эту диагностику как прошедшую и успешную? | - | Перейти к операции 13 | Перейти к операции 2 |
| 11 | - Поверните замок зажигание в положение LOCK.
- Заменить датчик кислорода.
- Опробовать автомобиль на ходу.
- Провести проверку системы диагностики.
Замена закончена? | - | Перейти к операции 15 | - |
| 12 | - Поверните замок зажигание в положение LOCK.
- Заменить контроллер ЭСУД.
- Опробовать автомобиль на ходу.
- Провести проверку системы диагностики.
Замена закончена? | - | Перейти к операции 15 | - |
| 13 | Проверьте, не установлены ли дополнительные диагностические коды неисправности. Отображены ли диагностические коды неисправности, которые не были продиагностированы? | - | Перейти к соответствующей таблице диагностических кодов неисправности | Система в норме |
Диагностический код неисправности P0155
Работоспособность нагревателя датчика HO2S, ряд цилиндров 2, датчик 1
Описание схемы
Датчики кислорода с электронагревателем используются для контроля топлива и контроля после нейтрализатора. Каждый датчик HO2S сравнивает содержание кислорода в окружающем воздухе с содержанием кислорода в отработавших газах. При первом запуске двигателя контроллер ЭСУД работает в режиме управления без обратной связи, игнорируя уровень сигнала HO2S при расчете соотношения воздуха и топлива. Контроллер ЭСУД снабжает датчик HO2S уровнем контрольного сигнала около 0,45 В. Датчик HO2S генерирует уровень сигнала в пределах 0~1В, который при работе в замкнутом контуре колеблется выше и ниже напряжения смещения. Высокий уровень выходного сигнала датчика HO2S указывает на насыщенную топливную смесь. Низкий уровень выходного сигнала датчика HO2S указывает на обедненную топливную смесь. Нагревательные элементы в датчике HO2S сводят к минимуму время, необходимое для достижения датчиками рабочей температуры и последующей передачи точного сигнала напряжения. Контроллер ЭСУД контролирует цепь управления сигналами низкого уровня нагревателя HO2S с помощью управляющего устройства в цепи с низким уровнем сигнала. Система диагностики нагревателя HO2S контролирует пропускание тока через управляющее устройство в цепи с низким уровнем сигнала датчика HO2S во время работы двигателя. При обнаружении контроллером ЭСУД превышения заданного уровня тока цепи управления с низким уровнем сигнала нагревателя HO2S происходит установка кода DTC.
Условия установки кода неисправности.
- Зажигание включено, двигатель работает.
- Напряжение аккумулятора выше 10.46 В.
- Коэффициент заполнения широтно-импульсной модуляции управления нагревателем меньше 0.39% или больше 99.69%.
Действия, выполняемые при установке кода неисправности
- Контрольная лампа индикации неисправности загорается.
- Контроллер записывает рабочие условия в момент определения неисправности. Эта информация сохраняется в буфере записей состояния и протоколах неисправностей.
- Сохраняется архив диагностических кодов неисправности.
Условия очистки кода неисправности/индикации неисправности
- Лампа индикации неисправности выключается по окончании трех (3) циклов проверки подряд, в которых диагностика выполняется без сбоя.
- Архивный диагностический код неисправности убирается после 40 циклов нагрева без сбоя.
- Диагностический код неисправности может быть очищен сканирующим прибором.
DTC P0155 - Работоспособность нагревателя датчика HO2S, ряд цилиндров 2, датчик 1
| Шаг | Операция | Значения | Да | Нет |
| 1 | Провести проверку системы диагностики. Проверка системы завершена? | - | Перейти к операции 2 | |
| 2 | - Запустите двигатель.
- Прогреть двигатель на холостом ходу до рабочей температуры.
- Сканирующим прибором проверить ток нагревателя датчика HO2S.
Находится ли ток в пределах установленных значений? | 0.25~0.85 A | Перейти к операции 3 | Перейти к операции 4 |
| 3 | - Изучить зарегистрированные данные о сбое для данного кода DTC.
- Выключить зажигание на 30 секунд.
- Запустите двигатель.
- Создать для автомобиля условия появления кода DTC. Можно также создать для автомобиля условия, которые наблюдались на основе зарегистрированных данных о нарушении работы.
Код DTC показал пропуск зажигания? | - | Перейти к операции 4 | |
| 4 | - Выключить зажигание.
- Отключить разъем диагностического датчика кислорода (HO2S).
- Запустите двигатель.
- Прогреть двигатель на холостом ходу до рабочей температуры.
- С помощью сканирующего прибора считать информацию о диагностическом коде неисправности в течение не менее чем 30 секунд.
Код DTC показал пропуск зажигания? | - | Перейти к операции 5 | Перейти к операции 6 |
| 5 | Проверить на замыкание на напряжение питания цепь низкого уровня датчика HO2S. Неисправность обнаружена и устранена? | - | Перейти к операции 10 | Перейти к операции 7 |
| 6 | Проверить на нестабильные и плохие контакты соединения у разъема жгута датчика HO2S. Неисправность обнаружена и устранена? | - | Перейти к операции 10 | Перейти к операции 8 |
| 7 | Проверить на непостоянные и плохие контакты соединения у разъема жгута контроллера ЭСУД . Неисправность обнаружена и устранена? | - | Перейти к операции 10 | Перейти к операции 9 |
| 8 | Заменить диагностический датчик кислорода HO2S. Замена произведена? | - | Перейти к операции 10 | - |
| 9 | Заменить контроллер ЭСУД. Замена произведена? | - | Перейти к операции 10 | - |
| 10 | - Сканирующим прибором сбросить коды DTC.
- Выключить зажигание на 30 секунд.
- Запустите двигатель.
- Создать для автомобиля условия появления кода DTC. Можно также создать для автомобиля условия, которые наблюдались на основе зарегистрированных данных о нарушении работы.
Диагностический код неисправности возникает и проходит? | - | Перейти к операции 11 | Перейти к операции 2 |
| 11 | Проверьте, не установлены ли дополнительные диагностические коды неисправности. Отображены ли диагностические коды неисправности, которые не были продиагностированы? | - | Перейти к соответствующей таблице диагностических кодов неисправности | Система в норме |
Диагностический код неисправности P0157
Цепь датчика HO2S, ряд цилиндров 2, датчик 2, низкое напряжение
Описание схемы
Контроллер электронной системы управления двигателем (ЭСУД) создает напряжение примерно 0,45 В между клеммами A8 и A12 контроллера ЭСУД. Датчик кислорода (О2) изменяет это напряжение в диапазоне от примерно 1 В при обогащенном выхлопе до примерно 0,1 В при обедненном выхлопе. Датчик О2 представляет собой как бы разомкнутую цепь и не создает напряжения, когда его температура ниже 300°C(600°F). При разомкнутой цепи датчика кислорода O2 или холодном датчике кислорода O2 система работает в режиме "разомкнутой цепи".
Условия установки кода неисправности.
- Неисправностей датчиков массового расхода воздуха, угла поворота коленчатого вала, положения дроссельной заслонки, угла поворота распределительного вала либо топливной системы нет.
- Включено зажигание.
- Массовый расход воздуха больше 12 кг/час.
- Напряжение HO2S меньше 0,02 В.
- Внутреннее сопротивление датчика кислорода меньше 20 Ом.
Действия, выполняемые при установке кода неисправности
- Контрольная лампа индикации неисправности загорается.
- Контроллер записывает рабочие условия в момент определения неисправности. Эта информация сохраняется в буфере записей состояния и протоколах неисправностей.
- Сохраняется архив диагностических кодов неисправности.
Условия очистки кода неисправности/индикации неисправности
- Лампа индикации неисправности выключается по окончании трех (3) циклов проверки подряд, в которых диагностика выполняется без сбоя.
- Архивный диагностический код неисправности убирается после 40 циклов нагрева без сбоя.
- Диагностический код неисправности может быть очищен сканирующим прибором.
Диагностическая информация
- Нормальный сигнал сканирующего прибор изменяется между 0,1 В и 0,9 В в закрытом контуре.
- Проверить провод датчика кислорода (О2). Датчик кислорода может быть неправильно установлен и контактирует с выпускным коллектором.
- Проверить неустойчивое замыкание на массу провода между датчиком кислорода и контроллером ЭСУД.
- Проверить баланс форсунок, чтобы определить, не вызвано ли обеднение смеси забитой форсункой.
- Разряжение в картере из-за его неплотности вызывает обеднение смеси.
- Неплотность прокладки выпускного коллектора может привести к тому, что наружный воздух будет подсасываться в выхлоп и проходить мимо датчика.
DTC P0157 - Цепь датчика HO2S, ряд цилиндров 2, датчик 2, низкое напряжение
| Шаг | Операция | Значения | Да | Нет |
| 1 | Провести проверку системы диагностики. Проверка системы завершена? | - | Перейти к операции 2 | |
| 2 | - Включить зажигание, двигатель не запускать.
- Установите диагностический прибор.
- Двигатель имеет рабочую температуру.
- Установить обороты двигателя на 1200 об/мин.
Сканирующий прибор показывает напряжение сигнала датчика HO2S в установленных пределах? | 0,07-0,52 В | Перейти к операции 4 | Перейти к операции 3 |
| 3 | Сканирующий прибор показывает напряжение сигнала датчика HO2S в установленных пределах? | 0,1 В | Перейти к операции 9 | |
| 4 | - Поверните замок зажигание в положение LOCK.
- Отсоединить разъем датчика кислорода и разъём контроллера ЭСУД.
- Проверить замыкание на массу провода датчика кислорода между клеммой 1 разъема датчика кислорода и клеммой A8 контроллера ЭСУД.
Неисправность обнаружена? | - | Перейти к операции 5 | Перейти к операции 6 |
| 5 | - Отремонтировать провод клеммы разъемов, если необходимо.
- Очистить все диагностические коды неисправности из контроллера ЭСУД.
- Выполните пробный выезд.
- Провести проверку системы диагностики.
Закончен ли ремонт? | - | Система в норме | - |
| 6 | - Поверните замок зажигание в положение LOCK.
- Отсоединить разъем датчика кислорода и разъём контроллера ЭСУД.
- Проверить замыкание на массу провода датчика кислорода между клеммой 3 разъема датчика кислорода и клеммой A12 контроллера ЭСУД.
Неисправность обнаружена? | - | Перейти к операции 7 | Перейти к операции 8 |
| 7 | - Отремонтировать провод клеммы разъемов, если необходимо.
- Очистить все диагностические коды неисправности из контроллера ЭСУД.
- Опробовать автомобиль на ходу.
- Провести проверку системы диагностики.
Закончен ли ремонт? | - | Система в норме | - |
| 8 | - Поверните замок зажигание в положение LOCK.
- Заменить датчик кислорода.
- Выполните пробный выезд.
- Провести проверку системы диагностики.
Замена закончена? | - | Перейти к операции 10 | - |
| 9 | - Поверните замок зажигание в положение LOCK.
- Заменить контроллер ЭСУД.
- Опробовать автомобиль на ходу.
- Провести проверку системы диагностики.
Замена закончена? | - | Перейти к операции 10 | - |
| 10 | Проверьте, не установлены ли дополнительные диагностические коды неисправности. Отображены ли диагностические коды неисправности, которые не были продиагностированы? | - | Перейти к соответствующей таблице диагностических кодов неисправности | Система в норме |
Диагностический код неисправности P0158
Цепь датчика HO2S, ряд цилиндров 2, датчик 2, высокое напряжение
Описание схемы
Контроллер электронной системы управления двигателем (ЭСУД) создает напряжение примерно 0,45 В между клеммами A8 и A12 контроллера ЭСУД. Подогреваемый датчик кислорода (О2) изменяет это напряжение в диапазоне от примерно 1 В при обогащенном выхлопе до примерно 0,1 В при обедненном выхлопе. Подогреваемый датчик кислорода представляет собой как бы разомкнутую цепь и не подает напряжение, когда температура ниже 300°C(600°F). При разомкнутой цепи датчика кислорода или холодном датчике кислорода система работает в режиме "разомкнутой цепи".
Условия установки кода неисправности.
- В датчике HO2S неисправностей нет.
- Включено зажигание.
- Напряжение датчика HO2S больше 1,499 В в течение более чем 2 секунд.
Действия, выполняемые при установке кода неисправности
- Контрольная лампа индикации неисправности загорается.
- Контроллер записывает рабочие условия в момент определения неисправности. Эта информация сохраняется в буфере записей состояния и протоколах неисправностей.
- Сохраняется архив диагностических кодов неисправности.
Условия очистки кода неисправности/индикации неисправности
- Лампа индикации неисправности выключается по окончании трех (3) циклов проверки подряд, в которых диагностика выполняется без сбоя.
- Архивный диагностический код неисправности убирается после 40 циклов нагрева без сбоя.
- Диагностический код неисправности может быть очищен сканирующим прибором.
Диагностическая информация
- Нормальный сигнал сканирующего прибор изменяется между 0,1 В и 0,9 В в закрытом контуре.
- Проверить провод датчика кислорода (О2). Датчик кислорода может быть неправильно установлен и контактирует с выпускным коллектором.
- Проверить неустойчивое замыкание на массу провода между датчиком кислорода и контроллером ЭСУД.
- Проверить баланс форсунок, чтобы определить, не вызвано ли обеднение смеси забитой форсункой.
- Разряжение в картере из-за его неплотности вызывает обеднение смеси.
- Неплотность прокладки выпускного коллектора может привести к тому, что наружный воздух будет подсасываться в выхлоп и проходить мимо датчика.
DTC P0158 - Цепь датчика HO2S, ряд цилиндров 2, датчик 2, высокое напряжение
| Шаг | Операция | Значения | Да | Нет |
| 1 | Провести проверку системы диагностики. Проверка системы завершена? | - | Перейти к операции 2 | |
| 2 | - Включить зажигание, двигатель не запускать.
- Установите диагностический прибор.
- Двигатель имеет рабочую температуру.
- Нажать педаль акселератора, следя за плавностью изменения напряжения датчика HO2S.
Сканирующий прибор показывает напряжение сигнала подогреваемого датчика кислорода выше установленного значения? | 4,0 В | Перейти к операции 3 | Перейти к операции 6 |
| 3 | - Поверните замок зажигание в положение LOCK.
- Отсоединить разъем датчика кислорода и разъём контроллера ЭСУД.
- Проверить на обрыв или короткое замыкание на напряжение аккумулятора провод между клеммой 1 разъема подогреваемого датчика кислорода и клеммой A8 контроллера ЭСУД.
Неисправность обнаружена? | - | Перейти к операции 4 | Перейти к операции 5 |
| 4 | - Отремонтировать провод или клемму разъема, если необходимо.
- Очистить все диагностические коды неисправности из контроллера ЭСУД.
- Опробовать автомобиль на ходу.
- Провести проверку системы диагностики.
Закончен ли ремонт? | - | Система в норме | - |
| 5 | - Поверните замок зажигание в положение LOCK.
- Заменить датчик кислорода.
- Опробовать автомобиль на ходу.
- Провести проверку системы диагностики.
Замена закончена? | - | Перейти к операции 7 | - |
| 6 | - Поверните замок зажигание в положение LOCK.
- Заменить контроллер ЭСУД.
- Опробовать автомобиль на ходу.
- Провести проверку системы диагностики.
Замена закончена? | - | Перейти к операции 7 | - |
| 7 | Проверьте, не установлены ли дополнительные диагностические коды неисправности. Отображены ли диагностические коды неисправности, которые не были продиагностированы? | - | Перейти к соответствующей таблице диагностических кодов неисправности | Система в норме |
Диагностический код неисправности P0159
Датчик HO2S, ряд цилиндров 2, датчик 2, медленный отклик
Описание схемы
Контроллер электронной системы управления двигателем (ЭСУД) создает напряжение примерно 0,45 В между клеммами A8 и A12 контроллера ЭСУД. Датчик кислорода (О2) изменяет это напряжение в диапазоне от примерно 1 В при обогащенном выхлопе до примерно 0,1 В при обедненном выхлопе. Датчик кислорода представляет собой как бы разомкнутую цепь и не создает напряжения, когда его температура ниже 300°C(600°F). При разомкнутой цепи датчика кислорода или холодном датчике кислорода система работает в режиме "разомкнутой цепи".
Условия установки кода неисправности.
- Включено зажигание.
- Температура охлаждающей жидкости двигателя более 50,25°С.
- Скорость автомобиля в пределах от 20 км/ч до 150 км/ч.
- Температура каталитического нейтрализатора больше 306,975°С.
- Количество переключений с обогащенной на обедненную смесь равно 3 или больше.
Действия, выполняемые при установке кода неисправности
- Контрольная лампа индикации неисправности загорается.
- Контроллер записывает рабочие условия в момент определения неисправности. Эта информация сохраняется в буфере записей состояния и протоколах неисправностей.
- Сохраняется архив диагностических кодов неисправности.
Условия очистки кода неисправности/индикации неисправности
- Лампа индикации неисправности выключается по окончании трех (3) циклов проверки подряд, в которых диагностика выполняется без сбоя.
- Архивный диагностический код неисправности убирается после 40 циклов нагрева без сбоя.
- Диагностический код неисправности может быть очищен сканирующим прибором.
Диагностическая информация
Нормальный сигнал сканирующего прибор изменяется между 0,15 В и 8,5 В в закрытом контуре. Если DTC P0159 неустойчив, см.
"Непостоянные неисправности" в этом разделе.
DTC P0159 - Датчик HO2S, ряд цилиндров 2, датчик 2, медленный отклик
| Шаг | Операция | Значения | Да | Нет |
| 1 | Провести проверку системы диагностики. Проверка системы завершена? | - | Перейти к операции 2 | |
| 2 | - Подключить сканирующий прибор к колодке диагностики.
- Запустить двигатель и дать ему нагреться до рабочей температуры.
- Проверить работу в закрытом контуре.
Сканирующий прибор определяет закрытый контур? | - | Перейти к операции 3 | Перейти к операции 4 |
| 3 | - Поверните замок зажигание в положение LOCK.
- Просмотреть данные записи состояний и записать параметры.
- Совершить поездку в условиях записанных состояний и условиях установки кода неисправности.
Сканирующий прибор определяет закрытый контур? | - | Перейти к операции 12 | Перейти к операции 4 |
| 4 | - Отключить разъем диагностического датчика кислорода (HO2S).
- Перемкнуть клемму 1 датчика кислорода на массу.
- Поверните ключ зажигания в положение ON.
Сканирующий прибор показывает уровень сигнала датчика кислорода в пределах установленного значения? | 0,4~0,5 В | Перейти к операции 5 | Перейти к операции 8 |
| 5 | Проверить разъемы датчика кислорода на неисправность клемм или слабый контакт и устранить неисправность, если необходимо. Ремонт необходим? | - | Перейти к операции 12 | Перейти к операции 6 |
| 6 | - Дать двигателю поработать на холостом ходу.
- Снять перемычку.
- Измерить уровень сигнала между клеммой 3 разъема датчика кислорода и массой.
Уровень сигнала датчика кислорода выше установленного значения? | 0,6 В | Перейти к операции 7 | Перейти к операции 11 |
| 7 | - Поверните замок зажигание в положение LOCK.
- Измерить напряжение между клеммой 3 разъема датчика HO2S и массой.
Уровень сигнала датчика кислорода выше установленного значения? | 0,3 В | Перейти к операции 9 | Перейти к операции 11 |
| 8 | Устранить обрыв цепи или замыкание на массу разъема или провода между клеммой 1 датчика HO2S и клеммой A8 контроллера ЭСУД. Закончен ли ремонт? | - | Перейти к операции 11 | Перейти к операции 9 |
| 9 | Устранить обрыв цепи или замыкание на массу разъема или провода между клеммой 3 датчика кислорода до нейтрализатора и клеммой A12 контроллера ЭСУД. Закончен ли ремонт? | - | Перейти к операции 12 | Перейти к операции 10 |
| 10 | - Поверните замок зажигание в положение LOCK.
- Заменить контроллер ЭСУД.
- Провести проверку системы диагностики.
Закончен ли ремонт? | - | Система в норме | - |
| 11 | Заменить датчик кислорода. Закончен ли ремонт? | - | Перейти к операции 12 | - |
| 12 | - Очистить все диагностические коды неисправности в контроллере ЭСУД.
- Провести проверку системы диагностики.
Закончен ли ремонт? | - | Перейти к операции 13 | - |
| 13 | Проверьте, не установлены ли дополнительные диагностические коды неисправности. Отображены ли диагностические коды неисправности, которые не были продиагностированы? | - | Перейти к соответствующей таблице диагностических кодов неисправности | Система в норме |
Диагностический код неисправности P0160
Датчик HO2S, ряд цилиндров 2, датчик 2, недостаточный отклик
Описание схемы
Контроллер электронной системы управления двигателем (ЭСУД) создает напряжение примерно 0,45 В между клеммами A8 и A12 контроллера ЭСУД. Датчик кислорода (О2) изменяет это напряжение в диапазоне от примерно 1 В при обогащенном выхлопе до примерно 0,1 В при обедненном выхлопе. Датчик кислорода представляет собой как бы разомкнутую цепь и не создает напряжения, когда его температура ниже 300°C(600°F). При разомкнутой цепи датчика кислорода или холодном датчике кислорода система работает в режиме "разомкнутой цепи".
Условия установки кода неисправности.
- Включено зажигание.
- Неисправностей датчика кислорода, датчика массового расхода воздуха, датчика абсолютного давления, датчика положения коленчатого вала, топливной системы, датчиков положения дроссельной заслонки нет.
- Напряжение датчика кислорода больше 0,298 В в течение более чем 2 секунд.
Действия, выполняемые при установке кода неисправности
- Контрольная лампа индикации неисправности загорается.
- Контроллер записывает рабочие условия в момент определения неисправности. Эта информация сохраняется в буфере записей состояния и протоколах неисправностей.
- Сохраняется архив диагностических кодов неисправности.
Условия очистки кода неисправности/индикации неисправности
- Лампа индикации неисправности выключается по окончании трех (3) циклов проверки подряд, в которых диагностика выполняется без сбоя.
- Архивный диагностический код неисправности убирается после 40 циклов нагрева без сбоя.
- Диагностический код неисправности может быть очищен сканирующим прибором.
Диагностическая информация
Нормальный сигнал сканирующего прибор изменяется между 0,15 В и 8,5 В в закрытом контуре. Если DTC P0160 неустойчив, см.
"Непостоянные неисправности" в этом разделе.
DTC P0160 - Датчик HO2S, ряд цилиндров 2, датчик 2, недостаточный отклик
| Шаг | Операция | Значения | Да | Нет |
| 1 | Провести проверку системы диагностики. Проверка системы завершена? | - | Перейти к операции 2 | |
| 2 | - Запустить двигатель и дать ему нагреться выше рабочей температуры.
- Установите диагностический прибор.
- Дать двигателю поработать на оборотах выше установленных в течение 2 минут.
Сканирующий прибор определяет закрытый контур? | 80°C(176°F) 1200 об/мин | Перейти к операции 3 | Перейти к операции 4 |
| 3 | - Поверните ключ зажигания в положение ON.
- Просмотреть данные записи состояний и записать параметры.
- Поездка произведена в условиях записанных состояний и условиях установки кода неисправности?
Сканирующий прибор определяет закрытый контур? | - | Перейти к операции 12 | Перейти к операции 4 |
| 4 | Отсоединить разъем датчика кислорода и перемкнуть клемму 3 цепи датчика кислорода на массу. Уровень сигнала датчика кислорода ниже установленного значения и сканирующий прибор показывает уровень сигнала нагревателя датчика кислорода в пределах установленного значения? | 0,5 В | Перейти к операции 5 | Перейти к операции 6 |
| 5 | Проверить разъемы датчика кислорода на неисправность клемм или слабый контакт и устранить неисправность, если необходимо. Ремонт необходим? | - | Перейти к операции 12 | Перейти к операции 9 |
| 6 | - Включить зажигание.
- Снять перемычку.
- С помощью цифрового вольтметра измерить напряжение между клеммой 1 сигнальной цепи датчика кислорода с электронагревом и массой.
Уровень сигнала датчика кислорода выше установленного значения? | 0,6 В | Перейти к операции 10 | Перейти к операции 9 |
| 7 | Уровень сигнала датчика кислорода ниже установленного значения? | 0,3 В | Перейти к операции 11 | Перейти к операции 8 |
| 8 | Проверить клемму 3 цепи массы датчика кислорода на обрыв цепи или слабый контакт и устранить неисправность, если необходимо. Ремонт необходим? | - | Перейти к операции 12 | Перейти к операции 8 |
| 9 | Проверить отсутствие обрыва или плохого подсоединения провода на клемме 1 сигнальной цепи датчика кислорода с электронагревом, при необходимости устранить неисправность. Ремонт необходим? | - | Перейти к операции 12 | Перейти к операции 8 |
| 10 | - Присоединить разъём датчика кислорода, если он был отсоединен.
- Используя сканирующий прибор, очистить диагностические коды неисправностей.
- Запустить двигатель и дать ему поработать на холостом ходу при нормальной рабочей температуре.
- Совершить поездку для установки кодов неисправности, как это указано во вспомогательном тексте.
Сканирующий прибор определяет эту диагностику как прошедшую и успешную? | - | Перейти к операции 13 | Перейти к операции 2 |
| 11 | - Поверните замок зажигание в положение LOCK.
- Заменить датчик кислорода.
- Опробовать автомобиль на ходу.
- Провести проверку системы диагностики.
Замена закончена? | - | Перейти к операции 15 | - |
| 12 | - Поверните замок зажигание в положение LOCK.
- Заменить контроллер ЭСУД.
- Опробовать автомобиль на ходу.
- Провести проверку системы диагностики.
Замена закончена? | - | Перейти к операции 15 | - |
| 13 | Проверьте, не установлены ли дополнительные диагностические коды неисправности. Отображены ли диагностические коды неисправности, которые не были продиагностированы? | - | Перейти к соответствующей таблице диагностических кодов неисправности | Система в норме |
Диагностический код неисправности P0161
Работоспособность нагревателя датчика HO2S, ряд цилиндров 2, датчик 2
Описание схемы
Датчики кислорода с электронагревателем используются для контроля топлива и контроля после нейтрализатора. Каждый датчик HO2S сравнивает содержание кислорода в окружающем воздухе с содержанием кислорода в отработавших газах. При первом запуске двигателя контроллер ЭСУД работает в режиме управления без обратной связи, игнорируя уровень сигнала HO2S при расчете соотношения воздуха и топлива. Контроллер ЭСУД снабжает датчик HO2S уровнем контрольного сигнала около 0,45 В. Датчик HO2S генерирует уровень сигнала в пределах 0~1В, который при работе в замкнутом контуре колеблется выше и ниже напряжения смещения. Высокий уровень выходного сигнала датчика HO2S указывает на насыщенную топливную смесь. Низкий уровень выходного сигнала датчика HO2S указывает на обедненную топливную смесь. Нагревательные элементы в датчике HO2S сводят к минимуму время, необходимое для достижения датчиками рабочей температуры и последующей передачи точного сигнала напряжения. Контроллер ЭСУД контролирует цепь управления сигналами низкого уровня нагревателя HO2S с помощью управляющего устройства в цепи с низким уровнем сигнала. Система диагностики нагревателя HO2S контролирует пропускание тока через управляющее устройство в цепи с низким уровнем сигнала датчика HO2S во время работы двигателя. При обнаружении контроллером ЭСУД превышения заданного уровня тока цепи управления с низким уровнем сигнала нагревателя HO2S происходит установка кода DTC.
Условия установки кода неисправности.
- Зажигание включено, двигатель работает.
- Напряжение аккумулятора выше 10.46 В.
- Коэффициент заполнения широтно-импульсной модуляции управления нагревателем меньше 0.39% или больше 99.69%.
Действия, выполняемые при установке кода неисправности
- Контрольная лампа индикации неисправности загорается.
- Контроллер записывает рабочие условия в момент определения неисправности. Эта информация сохраняется в буфере записей состояния и протоколах неисправностей.
- Сохраняется архив диагностических кодов неисправности.
Условия очистки кода неисправности/индикации неисправности
- Лампа индикации неисправности выключается по окончании последующего цикла проверки, при котором диагностика выполняется без сбоя.
- Архивный диагностический код неисправности убирается после 40 циклов нагрева без сбоя.
- Диагностический код неисправности может быть очищен сканирующим прибором.
DTC P0161 - Работоспособность нагревателя датчика HO2S, ряд цилиндров 2, датчик 2
| Шаг | Операция | Значения | Да | Нет |
| 1 | Провести проверку системы диагностики. Проверка системы завершена? | - | Перейти к операции 2 | |
| 2 | - Запустите двигатель.
- Прогреть двигатель на холостом ходу до рабочей температуры.
- Сканирующим прибором проверить ток нагревателя датчика HO2S.
Находится ли ток в пределах установленных значений? | 0.25~0.85 A | Перейти к операции 3 | Перейти к операции 4 |
| 3 | - Изучить зарегистрированные данные о сбое для данного кода DTC.
- Выключить зажигание на 30 секунд.
- Запустите двигатель.
- Создать для автомобиля условия появления кода DTC. Можно также создать для автомобиля условия, которые наблюдались на основе зарегистрированных данных о нарушении работы.
Код DTC показал пропуск зажигания? | - | Перейти к операции 4 | |
| 4 | - Выключить зажигание.
- Отключить разъем диагностического датчика кислорода (HO2S).
- Запустите двигатель.
- Прогреть двигатель на холостом ходу до рабочей температуры.
- С помощью сканирующего прибора считать информацию о диагностическом коде неисправности в течение не менее чем 30 секунд.
Код DTC показал пропуск зажигания? | - | Перейти к операции 5 | Перейти к операции 6 |
| 5 | Проверить на замыкание на напряжение питания цепь низкого уровня датчика HO2S. Неисправность обнаружена и устранена? | - | Перейти к операции 10 | Перейти к операции 7 |
| 6 | Проверить на нестабильные и плохие контакты соединения у разъема жгута датчика HO2S. Неисправность обнаружена и устранена? | - | Перейти к операции 10 | Перейти к операции 8 |
| 7 | Проверить на непостоянные и плохие контакты соединения у разъема жгута контроллера ЭСУД . Неисправность обнаружена и устранена? | - | Перейти к операции 10 | Перейти к операции 9 |
| 8 | Заменить диагностический датчик кислорода HO2S. Замена произведена? | - | Перейти к операции 10 | - |
| 9 | Заменить контроллер ЭСУД. Замена произведена? | - | Перейти к операции 10 | - |
| 10 | - Сканирующим прибором сбросить коды DTC.
- Выключить зажигание на 30 секунд.
- Запустите двигатель.
- Создать для автомобиля условия появления кода DTC. Можно также создать для автомобиля условия, которые наблюдались на основе зарегистрированных данных о нарушении работы.
Диагностический код неисправности возникает и проходит? | - | Перейти к операции 11 | Перейти к операции 2 |
| 11 | Проверьте, не установлены ли дополнительные диагностические коды неисправности. Отображены ли диагностические коды неисправности, которые не были продиагностированы? | - | Перейти к соответствующей таблице диагностических кодов неисправности | Система в норме |
Диагностический код неисправности P0171
Обедненная смесь в системе корректировки топливоподачи, ряд цилиндров 1
Описание системы
Контроллер электронной системы управления двигателем (ЭСУД) управляет системой подачи воздуха и топлива, поддерживая оптимальное сочетание управляемости, экономичности и ограничения вредных выбросов. Подача топлива в режимах разомкнутой цепи и замкнутой цепи регулируется по-разному. В режиме разомкнутой цепи контроллер ЭСУД определяет подачу топлива на основе сигналов датчиков, без учета сигнала подогреваемого датчика кислорода (HO2S). В режиме замкнутой цепи контроллер ЭСУД дополнительно учитывает сигнал датчика HO2S и уровень продува, внося краткосрочные и долгосрочные корректировки топливоподачи. Если датчик HO2S показывает обедненное состояние смеси, корректировка топливоподачи будет больше 0%. Если датчик HO2S показывает обогащенное состояние смеси, корректировка топливоподачи будет меньше 0%. Краткосрочная корректировка топливоподачи меняется быстро в ответ на сигналы датчика HO2S. Долгосрочная корректировка топливоподачи вводит грубые поправки, поддерживая соотношение воздуха к топливу 14,7:1. Если контроллер ЭСУД обнаруживает чрезмерное обеднение, устанавливается этот диагностический код неисправности.
Условия установки кода неисправности.
- Система в закрытом контуре.
- Долгосрочная корректировка топливоподачи больше ожидаемой.
Действия, выполняемые при установке кода неисправности
- Контрольная лампа индикации неисправности загорается.
- Контроллер записывает рабочие условия в момент определения неисправности. Эта информация сохраняется в буфере записей состояния и протоколах неисправностей.
- Сохраняется архив диагностических кодов неисправности.
Условия очистки кода неисправности/индикации неисправности
- Лампа индикации неисправности выключается по окончании трех (3) циклов проверки подряд, в которых диагностика выполняется без сбоя.
- Архивный диагностический код неисправности убирается после 40 циклов нагрева без сбоя.
- Диагностический код неисправности может быть очищен сканирующим прибором.
Диагностическая информация
Важно: После ремонта с помощью функции сброса корректировки топливоподачи диагностического прибора сбросить долгосрочную корректировку топливоподачи на 0%.
- Давление топлива - Система обедненная, если давление слишком низкое. Возможно, потребуется наблюдение за давлением топлива на ходу при разных скоростях и нагрузках для подтверждения.
- Датчик MAP - Выходной сигнал, который воспринимается контроллером ЭСУД как давление в коллекторе (высокое разряжение) ниже нормального, заставляет систему обеднять состав топливной смеси. Отсоединение датчика MAP позволяет контроллеру ЭСУД заменить фиксированное (по умолчанию) значение датчика МАР. Если условия обеднения смеси исчезли с отсоединением датчика, заменить датчик на заведомо исправный и проверить еще раз.
- Загрязнение топлива - Вода, даже в небольших количествах рядом с входом в насос топливного бака, можен попасть в топливные форсунки. Вода вызывает обедненный выхлоп и может приводить к появлению кодов неисправности P0171, P0174.
Проверить отсутствие плохого контакта в подключениях датчиков HO2S или МАР к контроллеру ЭСУД. Проверить разъемы жгутов проводов на отсутствие следующих неполадок:
- Снятые клеммы
- Соединение клемм
- Неисправность замков
- Деформированность
- Повреждения клемм
- Слабое соединение клемм с проводами
Осмотреть жгут проводов на наличие повреждений. Если жгут проводов кажется исправным, контролировать значение датчика HO2S на сканирующем приборе, перемещая разъемы и жгуты проводов, относящиеся к двигателю. Изменения на дисплее покажут место нахождения неисправности.
Проверить клапан тормозного усилителя на возможные утечки.
DTC P0171 - Обедненная смесь в системе корректировки топливоподачи, ряд цилиндров 1
| Шаг | Операция | Значения | Да | Нет |
| 1 | Провести проверку системы диагностики. Проверка системы завершена? | - | Перейти к операции 2 | |
| 2 | - Подключить сканирующий прибор к колодке диагностики (DLC).
- Включите зажигание.
Какие-либо диагностические коды неисправности компонентов установлены? | - | Перейти к соответствующей таблице диагностических кодов неисправности | Перейти к операции 3 |
| 3 | Дать работать автомобилю с включенным двигателем до тех пор, пока СТАТУС КОНТУРА не будет показывать закрыто. Долгосрочная корректировка топливоподачи ниже установленного значения? | 29% | Перейти к операции 4 | Перейти к операции 5 |
| 4 | - Включить зажигание, двигатель не запускать.
- Просмотреть данные записи состояний и записать параметры.
- Совершить поездку в условиях записанных состояний и условий установки кода неисправности.
Долгосрочная корректировка топливоподачи опускается ниже установленного значения при работе в заданных условиях? | 29% | Перейти к операции 14 | Перейти к операции 5 |
| 5 | Визуально/физически проверить следующее: - Вакуумные шланги на трещины, перекручивания и надежность соединения.
- Воздушный/масляный сепаратор вентиляции картера на правильность монтажа.
- Систему выпуска отработавших на коррозию, утечку, отсутствующие или ослабленные крепежи.
- Датчик кислорода установлен прочно и соединительный жгут не контактирует с выпускным коллектором или двигателем.
- Топливо на загрязнение водой, спиртом и др.
- Контроллер ЭСУД и массы датчиков чистые, затянуты и находятся в нужном месте.
Одна из этих проверок позволяет локализовать неисправность, требующую ремонта? | - | Перейти к операции 7 | Перейти к операции 6 |
| 6 | - Отсоединить разъем датчика абсолютного давления в коллекторе (МАР).
- Дать автомобилю работать в закрытом контуре, наблюдая за значениями долгосрочной корректировки топливоподачи.
Долгосрочная корректировка топливоподачи ниже установленного значения? | 29% | Перейти к операции 13 | Перейти к операции 9 |
| 7 | - Устранить неисправности, обнаруженные в операции 5.
- Еще раз проверить значения долгосрочной корректировки топливоподачи на работающем двигателе.
Долгосрочная корректировка топливоподачи ниже установленного значения? | 29% | Перейти к операции 8 | Перейти к операции 9 |
| 8 | Условия для обеднения отсутствуют. Есть проблемы с управляемостью? | - | | Перейти к операции 14 |
| 9 | - Визуально/физически проверить следующие позиции на утечки:
- Впускной коллектор.
- Корпус дроссельной заслонки.
- Уплотнительные кольца форсунки.
- Устранить все найденные утечки, если необходимо.
Закончен ли ремонт? | - | Перейти к операции 14 | Перейти к операции 10 |
| 10 | Проверить топливо на загрязнение водой, спиртом и другими веществами и удалить загрязнения, если необходимо. Закончен ли ремонт? | - | Перейти к операции 14 | Перейти к операции 11 |
| 11 | - Присоединить манометр к топливной системе.
- Выключить зажигание не менее, чем на 10 секунд.
- Включить зажигание, двигатель не запускать. Топливный насос будет работать примерно 2-3 секунды. Возможно, будет необходимым включить зажигание несколько раз, чтобы получить максимальное давление топлива.
- Записать давление топлива при работающем топливном насосе. Давление должно быть в пределах установленного значения. При остановке топливного насоса давление может слегка измениться, затем остановиться на одном уровне.
Давление топлива на одном уровне и держится стабильно? | 284-325 кПа (41-47 psi) | Перейти к операции 12 | |
| 12 | - Запустить двигатель и дать ему поработать на холостом ходу при нормальной рабочей температуре.
- Давление топлива, записанное на предыдущей операции, должно упасть на указанное значение.
Давление топлива падает на указанное значение? | 21-69 кПа (3-10 psi) | | |
| 13 | Заменить датчик MAP. Работа закончена? | - | Перейти к операции 14 | - |
| 14 | - Используя сканирующий прибор, очистить диагностические коды неисправностей.
- Запустить двигатель и дать ему поработать на холостом ходу при нормальной рабочей температуре.
- Совершить поездку для установки кодов неисправности, как это указано во вспомогательном тексте.
Сканирующий прибор определяет эту диагностику как прошедшую и успешную? | - | Перейти к операции 15 | Перейти к операции 2 |
| 15 | Проверьте, не установлены ли дополнительные диагностические коды неисправности. Отображены ли диагностические коды неисправности, которые не были продиагностированы? | - | Перейти к соответствующей таблице диагностических кодов неисправности | Система в норме |
Диагностический код неисправности P0172
Обогащенная смесь в системе корректировки топливоподачи, ряд цилиндров 1
Описание системы
Контроллер электронной системы управления двигателем (ЭСУД) управляет системой подачи воздуха и топлива, поддерживая оптимальное сочетание управляемости, экономичности и ограничения вредных выбросов. Подача топлива в режимах разомкнутой цепи и замкнутой цепи регулируется по-разному. В режиме разомкнутой цепи контроллер ЭСУД определяет подачу топлива на основе сигналов датчиков, без учета сигнала подогреваемого датчика кислорода (HO2S). В режиме замкнутой цепи контроллер ЭСУД дополнительно учитывает сигнал датчика HO2S и уровень продува, внося краткосрочные и долгосрочные корректировки топливоподачи. Если датчик HO2S показывает обедненное состояние смеси, корректировка топливоподачи будет больше 0%. Если датчик HO2S показывает обогащенное состояние смеси, корректировка топливоподачи будет меньше 0%. Краткосрочная корректировка топливоподачи меняется быстро в ответ на сигналы датчика HO2S. Долгосрочная корректировка топливоподачи вводит грубые поправки, поддерживая соотношение воздуха к топливу 14,7:1. Если контроллер ЭСУД обнаруживает чрезмерное обогащение, устанавливается этот диагностический код неисправности.
Условия установки кода неисправности.
- Система в закрытом контуре.
- Долгосрочная корректировка топливоподачи меньше ожидаемой.
Действия, выполняемые при установке кода неисправности
- Контрольная лампа индикации неисправности загорается.
- Контроллер записывает рабочие условия в момент определения неисправности. Эта информация сохраняется в буфере записей состояния и протоколах неисправностей.
- Сохраняется архив диагностических кодов неисправности.
Условия очистки кода неисправности/индикации неисправности
- Лампа индикации неисправности выключается по окончании трех (3) циклов проверки подряд, в которых диагностика выполняется без сбоя.
- Архивный диагностический код неисправности убирается после 40 циклов нагрева без сбоя.
- Диагностический код неисправности может быть очищен сканирующим прибором.
Диагностическая информация
Важно: После ремонта с помощью функции сброса корректировки топливоподачи диагностического прибора сбросить долгосрочную корректировку топливоподачи на 0%.
Проверить слабый контакт на контроллере ЭСУД. Проверить жгуты проводов на следующее:
- Снятые клеммы.
- Соединение клемм.
- Неисправность замков.
- Деформированность.
- Повреждения клемм.
- Слабое соединение клемм с проводами.
Осмотреть жгут проводов на наличие повреждений. Если жгут проводов кажется исправным, контролировать значение датчика HO2S на сканирующем приборе, перемещая разъемы и жгуты проводов, относящиеся к двигателю. Изменения на дисплее покажут место нахождения неисправности.
DTC P0172 - Обогащенная смесь в системе корректировки топливоподачи, ряд цилиндров 1
| Шаг | Операция | Значения | Да | Нет |
| 1 | Провести проверку системы диагностики. Проверка системы завершена? | - | Перейти к операции 2 | |
| 2 | - Подключить сканирующий прибор к колодке диагностики (DLC).
- Включите зажигание.
Какие-либо диагностические коды неисправности компонентов установлены? | - | Перейти к соответствующей таблице диагностических кодов неисправности | Перейти к операции 3 |
| 3 | Дать работать автомобилю с включенным двигателем до тех пор, пока СТАТУС КОНТУРА не будет показывать закрыто. Долгосрочная корректировка топливоподачи выше установленного значения? | -32% | Перейти к операции 4 | Перейти к операции 5 |
| 4 | - Включить зажигание, двигатель не запускать.
- Просмотреть данные записи состояний и записать параметры.
- Совершить поездку в условиях записанных состояний и условий установки кода неисправности.
Долгосрочная корректировка топливоподачи выше установленного значения при работе в заданных условиях? | -32% | Перейти к операции 15 | Перейти к операции 5 |
| 5 | Визуально/физически проверить фильтр воздухоочистителя на чрезмерную загрязненность или забитость и устранить неисправность, если необходимо. Закончен ли ремонт? | - | Перейти к операции 15 | Перейти к операции 6 |
| 6 | Визуально/физически проверить систему впуска воздуха на повреждения или забитость и устранить неисправность, если необходимо. Закончен ли ремонт? | - | Перейти к операции 15 | Перейти к операции 7 |
| 7 | Проверить впуск в корпус дроссельной заслонки на повреждения или присутствие посторонних предметов, которые могут частично заблокировать поток воздуха и устранить неисправность, если необходимо. Закончен ли ремонт? | - | Перейти к операции 15 | Перейти к операции 8 |
| 8 | - Выключите зажигание.
- Осмотреть отверстие и пластину дроссельной заслонки на предмет засорения и инородных тел, при необходимости отремонтировать.
Закончен ли ремонт? | - | Перейти к операции 15 | Перейти к операции 9 |
| 9 | - Выключите зажигание.
- Отсоединить разъем датчика абсолютного давления в коллекторе (МАР).
- Запустите двигатель.
- Дать автомобилю работать в закрытом контуре, наблюдая за значениями долгосрочной корректировки топливоподачи.
Долгосрочная корректировка топливоподачи повышается выше установленного значения? | -32% | Перейти к операции 15 | Перейти к операции 10 |
| 10 | - Выполнить диагностику топливной системы.
- Если таблица позволяет локализовать проблему, устранить ее, если необходимо.
Закончен ли ремонт? | - | Перейти к операции 15 | Перейти к операции 11 |
| 11 | - Выполнить диагностику системы улавливания паров бензина (СУПБ)
- Если таблица позволяет локализовать проблему, устранить ее, если необходимо.
Закончен ли ремонт? | - | Перейти к операции 15 | Перейти к операции 12 |
| 12 | - Провести проверку баланса форсунок.
- Если таблица позволяет локализовать проблему, устранить ее, если необходимо.
Закончен ли ремонт? | - | Перейти к операции 15 | Перейти к операции 13 |
| 13 | - Снять датчик кислорода.
- Визуально/физически проверить датчик кислорода на загрязнение силиконом.
- Примечание: это заметно по белому порошковому отложению на части датчика кислорода, находящейся в потоке отработавших газов.
- Если на датчике найдено загрязнение, найти источник и устранить неисправность, если необходимо.
Закончен ли ремонт? | - | Перейти к операции 15 | |
| 14 | - Выключите зажигание.
- Заменить датчик MAP.
Закончен ли ремонт? | - | Перейти к операции 15 | - |
| 15 | - Используя сканирующий прибор, очистить диагностические коды неисправностей.
- Запустить двигатель и дать ему поработать на холостом ходу при нормальной рабочей температуре.
- Совершить поездку для установки кодов неисправности, как это указано во вспомогательном тексте.
Сканирующий прибор определяет эту диагностику как прошедшую и успешную? | - | Перейти к операции 16 | Перейти к операции 2 |
| 16 | Проверьте, не установлены ли дополнительные диагностические коды неисправности. Отображены ли диагностические коды неисправности, которые не были продиагностированы? | - | Перейти к соответствующей таблице диагностических кодов неисправности | Система в норме |
Диагностический код неисправности P0174
Обедненная смесь в системе корректировки топливоподачи, ряд цилиндров 2
Описание системы
Контроллер электронной системы управления двигателем (ЭСУД) управляет системой подачи воздуха и топлива, поддерживая оптимальное сочетание управляемости, экономичности и ограничения вредных выбросов. Подача топлива в режимах разомкнутой цепи и замкнутой цепи регулируется по-разному. В режиме разомкнутой цепи контроллер ЭСУД определяет подачу топлива на основе сигналов датчиков, без учета сигнала подогреваемого датчика кислорода (HO2S). В режиме замкнутой цепи контроллер ЭСУД дополнительно учитывает сигнал датчика HO2S и уровень продува, внося краткосрочные и долгосрочные корректировки топливоподачи. Если датчик HO2S показывает обедненное состояние смеси, корректировка топливоподачи будет больше 0%. Если датчик HO2S показывает обогащенное состояние смеси, корректировка топливоподачи будет меньше 0%. Краткосрочная корректировка топливоподачи меняется быстро в ответ на сигналы датчика HO2S. Долгосрочная корректировка топливоподачи вводит грубые поправки, поддерживая соотношение воздуха к топливу 14,7:1. Если контроллер ЭСУД обнаруживает чрезмерное обеднение, устанавливается этот диагностический код неисправности.
Условия установки кода неисправности.
- Система в закрытом контуре.
- Долгосрочная корректировка топливоподачи больше ожидаемой.
Действия, выполняемые при установке кода неисправности
- Контрольная лампа индикации неисправности загорается.
- Контроллер записывает рабочие условия в момент определения неисправности. Эта информация сохраняется в буфере записей состояния и протоколах неисправностей.
- Сохраняется архив диагностических кодов неисправности.
Условия очистки кода неисправности/индикации неисправности
- Лампа индикации неисправности выключается по окончании трех (3) циклов проверки подряд, в которых диагностика выполняется без сбоя.
- Архивный диагностический код неисправности убирается после 40 циклов нагрева без сбоя.
- Диагностический код неисправности может быть очищен сканирующим прибором.
Диагностическая информация
Важно: После ремонта с помощью функции сброса корректировки топливоподачи диагностического прибора сбросить долгосрочную корректировку топливоподачи на 0%.
- Давление топлива - Система обедненная, если давление слишком низкое. Возможно, потребуется наблюдение за давлением топлива на ходу при разных скоростях и нагрузках для подтверждения.
- Датчик MAP - Выходной сигнал, который воспринимается контроллером ЭСУД как давление в коллекторе (высокое разряжение) ниже нормального, заставляет систему обеднять состав топливной смеси. Отсоединение датчика MAP позволяет контроллеру ЭСУД заменить фиксированное (по умолчанию) значение датчика МАР. Если условия обеднения смеси исчезли с отсоединением датчика, заменить датчик на заведомо исправный и проверить еще раз.
- Загрязнение топлива - Вода, даже в небольших количествах рядом с входом в насос топливного бака, можен попасть в топливные форсунки. Вода вызывает обедненный выхлоп и может приводить к появлению кодов неисправности P0171, P0174.
Проверить отсутствие плохого контакта в подключениях датчиков HO2S или МАР к контроллеру ЭСУД. Проверить разъемы жгутов проводов на отсутствие следующих неполадок:
- Снятые клеммы
- Соединение клемм
- Неисправность замков
- Деформированность
- Повреждения клемм
- Слабое соединение клемм с проводами
Осмотреть жгут проводов на наличие повреждений. Если жгут проводов кажется исправным, контролировать значение датчика HO2S на сканирующем приборе, перемещая разъемы и жгуты проводов, относящиеся к двигателю. Изменения на дисплее покажут место нахождения неисправности.
Проверить клапан тормозного усилителя на возможные утечки.
DTC P0174 - Обедненная смесь в системе корректировки топливоподачи, ряд цилиндров 2
| Шаг | Операция | Значения | Да | Нет |
| 1 | Провести проверку системы диагностики. Проверка системы завершена? | - | Перейти к операции 2 | |
| 2 | - Подключить сканирующий прибор к колодке диагностики (DLC).
- Включите зажигание.
Какие-либо диагностические коды неисправности компонентов установлены? | - | Перейти к соответствующей таблице диагностических кодов неисправности | Перейти к операции 3 |
| 3 | Дать работать автомобилю с включенным двигателем до тех пор, пока СТАТУС КОНТУРА не будет показывать закрыто. Долгосрочная корректировка топливоподачи ниже установленного значения? | 29% | Перейти к операции 4 | Перейти к операции 5 |
| 4 | - Включить зажигание, двигатель не запускать.
- Просмотреть данные записи состояний и записать параметры.
- Совершить поездку в условиях записанных состояний и условий установки кода неисправности.
Долгосрочная корректировка топливоподачи опускается ниже установленного значения при работе в заданных условиях? | 29% | Перейти к операции 14 | Перейти к операции 5 |
| 5 | Визуально/физически проверить следующее: - Вакуумные шланги на трещины, перекручивания и надежность соединения.
- Воздушный/масляный сепаратор вентиляции картера на правильность монтажа.
- Систему выпуска отработавших на коррозию, утечку, отсутствующие или ослабленные крепежи.
- Датчик кислорода установлен прочно и соединительный жгут не контактирует с выпускным коллектором или двигателем.
- Топливо на загрязнение водой, спиртом и др.
- Контроллер ЭСУД и массы датчиков чистые, затянуты и находятся в нужном месте.
Одна из этих проверок позволяет локализовать неисправность, требующую ремонта? | - | Перейти к операции 7 | Перейти к операции 6 |
| 6 | - Отсоединить разъем датчика абсолютного давления в коллекторе (МАР).
- Дать автомобилю работать в закрытом контуре, наблюдая за значениями долгосрочной корректировки топливоподачи.
Долгосрочная корректировка топливоподачи ниже установленного значения? | 29% | Перейти к операции 13 | Перейти к операции 9 |
| 7 | - Устранить неисправности, обнаруженные в операции 5.
- Еще раз проверить значения долгосрочной корректировки топливоподачи на работающем двигателе.
Долгосрочная корректировка топливоподачи ниже установленного значения? | 29% | Перейти к операции 8 | Перейти к операции 9 |
| 8 | Условия для обеднения отсутствуют. Есть проблемы с управляемостью? | - | | Перейти к операции 14 |
| 9 | - Визуально/физически проверить следующие позиции на утечки:
- Впускной коллектор.
- Корпус дроссельной заслонки.
- Уплотнительные кольца форсунки.
- Устранить все найденные утечки, если необходимо.
Закончен ли ремонт? | - | Перейти к операции 14 | Перейти к операции 10 |
| 10 | Проверить топливо на загрязнение водой, спиртом и другими веществами и удалить загрязнения, если необходимо. Закончен ли ремонт? | - | Перейти к операции 14 | Перейти к операции 11 |
| 11 | - Присоединить манометр к топливной системе.
- Выключить зажигание не менее, чем на 10 секунд.
- Включить зажигание, двигатель не запускать. Топливный насос будет работать примерно 2-3 секунды. Возможно, будет необходимым включить зажигание несколько раз, чтобы получить максимальное давление топлива.
- Записать давление топлива при работающем топливном насосе. Давление должно быть в пределах установленного значения. При остановке топливного насоса давление может слегка измениться, затем остановиться на одном уровне.
Давление топлива на одном уровне и держится стабильно? | 284-325 кПа (41-47 psi) | Перейти к операции 12 | |
| 12 | - Запустить двигатель и дать ему поработать на холостом ходу при нормальной рабочей температуре.
- Давление топлива, записанное на предыдущей операции, должно упасть на указанное значение.
Давление топлива падает на указанное значение? | 21-69 кПа (3-10 psi) | | |
| 13 | Заменить датчик MAP. Работа закончена? | - | Перейти к операции 14 | - |
| 14 | - Используя сканирующий прибор, очистить диагностические коды неисправностей.
- Запустить двигатель и дать ему поработать на холостом ходу при нормальной рабочей температуре.
- Совершить поездку для установки кодов неисправности, как это указано во вспомогательном тексте.
Сканирующий прибор определяет эту диагностику как прошедшую и успешную? | - | Перейти к операции 15 | Перейти к операции 2 |
| 15 | Проверьте, не установлены ли дополнительные диагностические коды неисправности. Отображены ли диагностические коды неисправности, которые не были продиагностированы? | - | Перейти к соответствующей таблице диагностических кодов неисправности | Система в норме |
Диагностический код неисправности P0175
Обогащенная смесь в системе корректировки топливоподачи, ряд цилиндров 2
Описание системы
Контроллер электронной системы управления двигателем (ЭСУД) управляет системой подачи воздуха и топлива, поддерживая оптимальное сочетание управляемости, экономичности и ограничения вредных выбросов. Подача топлива в режимах разомкнутой цепи и замкнутой цепи регулируется по-разному. В режиме разомкнутой цепи контроллер ЭСУД определяет подачу топлива на основе сигналов датчиков, без учета сигнала подогреваемого датчика кислорода (HO2S). В режиме замкнутой цепи контроллер ЭСУД дополнительно учитывает сигнал датчика HO2S и уровень продува, внося краткосрочные и долгосрочные корректировки топливоподачи. Если датчик HO2S показывает обедненное состояние смеси, корректировка топливоподачи будет больше 0%. Если датчик HO2S показывает обогащенное состояние смеси, корректировка топливоподачи будет меньше 0%. Краткосрочная корректировка топливоподачи меняется быстро в ответ на сигналы датчика HO2S. Долгосрочная корректировка топливоподачи вводит грубые поправки, поддерживая соотношение воздуха к топливу 14,7:1. Если контроллер ЭСУД обнаруживает чрезмерное обогащение, устанавливается этот диагностический код неисправности.
Условия установки кода неисправности.
- Система в закрытом контуре.
- Долгосрочная корректировка топливоподачи меньше ожидаемой.
Действия, выполняемые при установке кода неисправности
- Контрольная лампа индикации неисправности загорается.
- Контроллер записывает рабочие условия в момент определения неисправности. Эта информация сохраняется в буфере записей состояния и протоколах неисправностей.
- Сохраняется архив диагностических кодов неисправности.
Условия очистки кода неисправности/индикации неисправности
- Лампа индикации неисправности выключается по окончании трех (3) циклов проверки подряд, в которых диагностика выполняется без сбоя.
- Архивный диагностический код неисправности убирается после 40 циклов нагрева без сбоя.
- Диагностический код неисправности может быть очищен сканирующим прибором.
Диагностическая информация
Важно: После ремонта с помощью функции сброса корректировки топливоподачи диагностического прибора сбросить долгосрочную корректировку топливоподачи на 0%.
Проверить слабый контакт на контроллере ЭСУД. Проверить жгуты проводов на следующее:
- Снятые клеммы.
- Соединение клемм.
- Неисправность замков.
- Деформированность.
- Повреждения клемм.
- Слабое соединение клемм с проводами.
Осмотреть жгут проводов на наличие повреждений. Если жгут проводов кажется исправным, контролировать значение датчика HO2S на сканирующем приборе, перемещая разъемы и жгуты проводов, относящиеся к двигателю. Изменения на дисплее покажут место нахождения неисправности.
DTC P0175 - Обогащенная смесь в системе корректировки топливоподачи, ряд цилиндров 2
| Шаг | Операция | Значения | Да | Нет |
| 1 | Провести проверку системы диагностики. Проверка системы завершена? | - | Перейти к операции 2 | |
| 2 | - Подключить сканирующий прибор к колодке диагностики (DLC).
- Включите зажигание.
Какие-либо диагностические коды неисправности компонентов установлены? | - | Перейти к соответствующей таблице диагностических кодов неисправности | Перейти к операции 3 |
| 3 | Дать работать автомобилю с включенным двигателем до тех пор, пока СТАТУС КОНТУРА не будет показывать закрыто. Долгосрочная корректировка топливоподачи выше установленного значения? | -32% | Перейти к операции 4 | Перейти к операции 5 |
| 4 | - Включить зажигание, двигатель не запускать.
- Просмотреть данные записи состояний и записать параметры.
- Совершить поездку в условиях записанных состояний и условий установки кода неисправности.
Долгосрочная корректировка топливоподачи выше установленного значения при работе в заданных условиях? | -32% | Перейти к операции 15 | Перейти к операции 5 |
| 5 | Визуально/физически проверить фильтр воздухоочистителя на чрезмерную загрязненность или забитость и устранить неисправность, если необходимо. Закончен ли ремонт? | - | Перейти к операции 15 | Перейти к операции 6 |
| 6 | Визуально/физически проверить систему впуска воздуха на повреждения или забитость и устранить неисправность, если необходимо. Закончен ли ремонт? | - | Перейти к операции 15 | Перейти к операции 7 |
| 7 | Проверить впуск в корпус дроссельной заслонки на повреждения или присутствие посторонних предметов, которые могут частично заблокировать поток воздуха и устранить неисправность, если необходимо. Закончен ли ремонт? | - | Перейти к операции 15 | Перейти к операции 8 |
| 8 | - Выключите зажигание.
- Осмотреть отверстие и пластину дроссельной заслонки на предмет засорения и инородных тел, при необходимости отремонтировать.
Закончен ли ремонт? | - | Перейти к операции 15 | Перейти к операции 9 |
| 9 | - Выключите зажигание.
- Отсоединить разъем датчика абсолютного давления в коллекторе (МАР).
- Запустите двигатель.
- Дать автомобилю работать в закрытом контуре, наблюдая за значениями долгосрочной корректировки топливоподачи.
Долгосрочная корректировка топливоподачи повышается выше установленного значения? | -32% | Перейти к операции 15 | Перейти к операции 10 |
| 10 | - Выполнить диагностику топливной системы.
- Если таблица позволяет локализовать проблему, устранить ее, если необходимо.
Закончен ли ремонт? | - | Перейти к операции 15 | Перейти к операции 11 |
| 11 | - Выполнить диагностику системы улавливания паров бензина (СУПБ)
- Если таблица позволяет локализовать проблему, устранить ее, если необходимо.
Закончен ли ремонт? | - | Перейти к операции 15 | Перейти к операции 12 |
| 12 | - Провести проверку баланса форсунок.
- Если таблица позволяет локализовать проблему, устранить ее, если необходимо.
Закончен ли ремонт? | - | Перейти к операции 15 | Перейти к операции 13 |
| 13 | - Снять датчик кислорода.
- Визуально/физически проверить датчик кислорода на загрязнение силиконом.
- Примечание: это заметно по белому порошковому отложению на части датчика кислорода, находящейся в потоке отработавших газов.
- Если на датчике найдено загрязнение, найти источник и устранить неисправность, если необходимо.
Закончен ли ремонт? | - | Перейти к операции 15 | |
| 14 | - Выключите зажигание.
- Заменить датчик MAP.
Закончен ли ремонт? | - | Перейти к операции 15 | - |
| 15 | - Используя сканирующий прибор, очистить диагностические коды неисправностей.
- Запустить двигатель и дать ему поработать на холостом ходу при нормальной рабочей температуре.
- Совершить поездку для установки кодов неисправности, как это указано во вспомогательном тексте.
Сканирующий прибор определяет эту диагностику как прошедшую и успешную? | - | Перейти к операции 16 | Перейти к операции 2 |
| 16 | Проверьте, не установлены ли дополнительные диагностические коды неисправности. Отображены ли диагностические коды неисправности, которые не были продиагностированы? | - | Перейти к соответствующей таблице диагностических кодов неисправности | Система в норме |
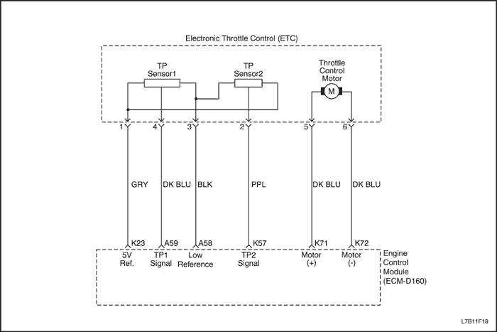
Диагностический код неисправности P0221
Работоспособность датчика 2 положения дроссельной заслонки (TP)
Описание схемы
В узле дроссельной заслонки имеется 2 датчика положения дроссельной заслонки (TP). Датчики TP смонтированы на корпусе дроссельной заслонки и не подлежат техническому обслуживанию. Датчики TP выдают выходные сигналы, напряжения которых зависят от угла открытия дроссельной заслонки. Контроллер электронной системы управления двигателем (ЭСУД) подает на датчики TP общее опорное напряжение 5 В и общее низкое опорное напряжение и получает сигналы по 2 независимым сигнальным цепям.
Датчики TP действуют в противоположных направлениях. Напряжение датчика TP 1 увеличивается от уровня менее 1 В на холостом ходу до более чем 4 В при полностью открытой заслонке (WOT). Напряжение датчика TP 2 уменьшается от уровня более 4 В на холостом ходу до менее чем 1 В при полностью открытой заслонке.
Условия установки кода неисправности.
- Включено зажигание.
- Разность между значениями TP1 и TP2 больше 6.003° TPS.
- Реальное значение TP меньше 90,002° TPS.
Действия, выполняемые при установке кода неисправности
- Контрольная лампа индикации неисправности загорается.
- Контроллер записывает рабочие условия в момент определения неисправности. Эта информация сохраняется в буфере записей состояния и протоколах неисправностей.
- Сохраняется архив диагностических кодов неисправности.
Условия очистки кода неисправности/индикации неисправности
- Лампа индикации неисправности выключается по окончании последующего цикла проверки, при котором диагностика выполняется без сбоя.
- Архивный диагностический код неисправности убирается после 40 циклов нагрева без сбоя.
- Диагностический код неисправности может быть очищен сканирующим прибором.
Диагностическая информация
Если DTC P0221 не удается воспроизвести, полезно проанализировать информацию записи состояния неисправностей. Считайте состояние ВЕС с помощью сканирующего прибора.
Описание проверки
Нижеприведенный номер относится к номерам этапов из таблицы диагностики.
- Этот шаг необходим, чтобы убедиться, что неисправность существует. Если в цепи датчиков TP имеются неполадки, сканирующий прибор покажет Disagree.
- Этот шаг проверяет высокое сопротивление в цепи опорного напряжения 5 В датчиков TP. Если цифровой мультиметр не показывает напряжение выше указанного, это означает наличие высокого сопротивления в цепи.
- Этот шаг проверяет высокое сопротивление в цепи низкого опорного напряжения датчиков TP. Для точного измерения сопротивления питание модуля контроллера ЭСУД должно быть полностью выключено. Для полного выключения питания контроллера ЭСУД после удаления ключа зажигания может потребоваться до 30 минут. Удаление предохранителя контроллера ЭСУД/контроллера КПП позволяет полностью отключить питание контроллера ЭСУД.
DTC Р0221 - Работоспособность датчика 2 положения дроссельной заслонки
| Шаг | Операция | Значения | Да | Нет |
| 1 | Вы провели проверку диагностической системы? | - | Перейти к операции 2 | |
| 2 | - Запустите двигатель.
- Выполнить следующие проверки:
- Быстро нажать на педаль акселератора из положения покоя до положения полного открытия дроссельной заслонки (WOT) и отпустите педаль. Повторить процедуру несколько раз.
- Медленно нажать на педаль акселератора до положения WOT и затем медленно вернуть педаль в положение закрытой заслонки. Повторить процедуру несколько раз.
- Проконтролировать параметры датчиков TP1 и TP2 сканирующим прибором.
На сканирующем приборе отображается Agree (Согласовано)? | - | Перейти к операции 3 | Перейти к операции 5 |
| 3 | - Выключить двигатель.
- Включить зажигание при заглушенном двигателе.
- Проконтролировать напряжение датчика TP 2 сканирующим прибором.
Напряжение в пределах указанного? | 4,7~4,1 В | Перейти к операции 4 | Перейти к операции 5 |
| 4 | - Изучить зарегистрированные данные о сбое для данного кода DTC.
- Выключить зажигание на 30 секунд.
- Запустите двигатель.
- Создать для автомобиля условия появления кода DTC. Можно также создать для автомобиля условия, которые наблюдались на основе зарегистрированных данных о нарушении работы.
Код DTC показал пропуск зажигания? | - | Перейти к операции 5 | |
| 5 | - Выключить зажигание.
- Отсоединить разъем жгута проводов корпуса дроссельной заслонки.
- Включить зажигание при заглушенном двигателе.
- Подключить контрольную лампу между цепью опорного напряжения 5 В датчика положения дроссельной заслонки (TP) и корпусом модуля контроллера ЭСУД.
- Присоединить цифровой мультиметр к щупу контрольной лампы и к корпусу модуля ЭСУД.
Напряжение выше указанного? | 4,8 В | Перейти к операции 6 | Перейти к операции 11 |
| 6 | - Соединить перемычкой с 3-амперным предохранителем цепь опорного сигнала 5 В и цепь сигнала 2 датчика положения дроссельной заслонки.
- Проконтролировать напряжение датчика TP 2 сканирующим прибором.
Напряжение выше указанного? | 4,8 В | Перейти к операции 7 | Перейти к операции 9 |
| 7 | - Соединить перемычкой с 3-амперным предохранителем цепь опорного сигнала 5 В и цепь сигнала 1 датчика положения дроссельной заслонки.
- Проконтролировать напряжение датчика TP1 сканирующим прибором.
Напряжение выше указанного? | 4,8 В | Перейти к операции 8 | Перейти к операции 10 |
| 8 | - Выключить зажигание.
- Вынуть предохранитель контроллера ЭСУД/контроллера КПП из блока предохранителей двигателя.
- Измерить сопротивление от цепи низкого опорного напряжения датчика положения дроссельной заслонки до корпуса модуля контроллера ЭСУД цифровым мультиметром.
Находится ли сопротивление ниже указанного значения? | 5 Ом | Перейти к операции 13 | Перейти к операции 12 |
| 9 | Проверить сигнальную цепь 2 датчика TP на высокое сопротивление или обрыв. Неисправность обнаружена и устранена? | - | Перейти к операции 17 | Перейти к операции 14 |
| 10 | Проверить сигнальную цепь 1 датчика TP на высокое сопротивление или обрыв. Неисправность обнаружена и устранена? | - | Перейти к операции 17 | Перейти к операции 14 |
| 11 | Проверить цепь опорного напряжения 5 В датчика TP на высокое сопротивление или обрыв. Неисправность обнаружена и устранена? | - | Перейти к операции 17 | Перейти к операции 14 |
| 12 | Проверить цепь низкого опорного напряжения датчика TP на высокое сопротивление или обрыв. Неисправность обнаружена и устранена? | - | Перейти к операции 17 | Перейти к операции 14 |
| 13 | Проверить на непостоянный или плохой контакт разъем жгута проводки на корпусе дроссельной заслонки. Неисправность обнаружена и устранена? | - | Перейти к операции 17 | Перейти к операции 15 |
| 14 | Проверить контроллер ЭСУД на наличие непостоянных неисправностей или на ненадежность соединения. Неисправность обнаружена и устранена? | - | Перейти к операции 17 | Перейти к операции 16 |
| 15 | Заменить узел корпуса дроссельной заслонки. Замена произведена? | - | Перейти к операции 17 | - |
| 16 | Заменить контроллер ЭСУД. Замена произведена? | - | Перейти к операции 17 | - |
| 17 | - Сканирующим прибором сбросить коды DTC.
- Выключить зажигание на 30 секунд.
- Запустите двигатель.
- Создать для автомобиля условия появления кода DTC. Можно также создать для автомобиля условия, которые наблюдались на основе зарегистрированных данных о нарушении работы.
Код DTC показал пропуск зажигания? | - | Перейти к операции 2 | Перейти к операции 18 |
| 18 | Проверьте, не установлены ли дополнительные диагностические коды неисправности. Если ли коды DTC, которые еще не были продиагностированы? | - | Перейти к соответствующей таблице диагностических кодов неисправности | Система в норме |
Диагностический код неисправности P0222
Цепь датчика 2 положения дроссельной заслонки, низкий уровень сигнала
Описание схемы
В узле дроссельной заслонки имеется 2 датчика положения дроссельной заслонки (TP). Датчики TP смонтированы на корпусе дроссельной заслонки и не подлежат техническому обслуживанию. Датчики TP выдают выходные сигналы, напряжения которых зависят от угла открытия дроссельной заслонки. Контроллер электронной системы управления двигателем (ЭСУД) подает на датчики TP общее опорное напряжение 5 В и общее низкое опорное напряжение и получает сигналы по 2 независимым сигнальным цепям.
Датчики TP действуют в противоположных направлениях. Напряжение датчика TP 1 увеличивается от уровня менее 1 В на холостом ходу до более чем 4 В при полностью открытой заслонке (WOT). Напряжение датчика TP 2 уменьшается от уровня более 4 В на холостом ходу до менее чем 1 В при полностью открытой заслонке.
Условия установки кода неисправности.
- Включено зажигание.
- В датчике положения дроссельной заслонки неисправностей нет.
- Уровень сигнала MTIA меньше 0,124 В.
Действия, выполняемые при установке кода неисправности
- Контрольная лампа индикации неисправности загорается.
- Контроллер записывает рабочие условия в момент определения неисправности. Эта информация сохраняется в буфере записей состояния и протоколах неисправностей.
- Сохраняется архив диагностических кодов неисправности.
Условия очистки кода неисправности/индикации неисправности
- Лампа индикации неисправности выключается по окончании последующего цикла проверки, при котором диагностика выполняется без сбоя.
- Архивный диагностический код неисправности убирается после 40 циклов нагрева без сбоя.
- Диагностический код неисправности может быть очищен сканирующим прибором.
Диагностическая информация
Неустойчивая неисправность может быть вызвана слабым контактом, перетертой изоляции или обрывом проводки под изоляцией.
Любая цепь, подозреваемая на создание неустойчивой неисправности, должна быть тщательно проверена на следующие обстоятельства.
- Снятые клеммы
- Соединение клемм
- Неисправность замков
- Повреждения клемм
- Слабое соединение клемм с проводами
- Физическое повреждение жгутов проводов
Описание проверки
Нижеприведенный номер относится к номерам этапов из таблицы диагностики.
- Этот шаг необходим, чтобы убедиться, что неисправность существует.
- Датчики TP имеют общую цепь опорного напряжения 5 В. Если устанавливаются оба диагностических кода ошибок P0122 и P0222, проверьте наличие неисправности в цепи опорного напряжения 5 В.
- Контроллер ЭСУД вырабатывает измеримый стационарный ток, который обеспечивает подачу опорного напряжения 5 В на датчики TP. Если ток цепи опорного напряжения 5 В меньше 50 мА, проверьте цепь опорного напряжения 5 В на обрыв или на высокое сопротивление.
- Этот шаг проверяет сигнальную цепь 2 датчика TP. Если напряжение датчика TP 2 не находится в пределах 4,8~5,2 В, проверьте на неисправность сигнальную цепь 2.
DTC P0222 - Цепь датчика 2 положения дроссельной заслонки, низкий уровень сигнала
| Шаг | Операция | Значения | Да | Нет |
| 1 | Вы провели проверку диагностической системы? | - | Перейти к операции 2 | |
| 2 | - Включить зажигание при заглушенном двигателе.
- Проконтролировать напряжение датчика TP 2 сканирующим прибором.
Напряжение меньше указанного значения? | 0,16 В | Перейти к операции 4 | Перейти к операции 3 |
| 3 | - Изучить зарегистрированные данные о сбое для данного кода DTC.
- Выключить зажигание на 30 секунд.
- Запустите двигатель.
- Создать для автомобиля условия появления кода DTC. Можно также создать для автомобиля условия, которые наблюдались на основе зарегистрированных данных о нарушении работы.
Код DTC показал пропуск зажигания? | - | Перейти к операции 4 | |
| 4 | Проверить данные о DTC сканирующим прибором. Установлен ли также код неисправности Р0122? | - | Перейти к операции 5 | Перейти к операции 6 |
| 5 | - Выключить зажигание.
- Отсоединить разъем жгута проводов корпуса дроссельной заслонки.
- Включить зажигание при заглушенном двигателе.
- Установить цифровой мультиметр на измерение тока 400 мА.
- Измерить ток цепи опорного напряжения 5 В между датчиком положения дроссельной заслонки (TP) и корпусом модуля контроллера ЭСУД.
Ток выше указанного значения? | 50 мА | Перейти к операции 9 | Перейти к операции 7 |
| 6 | - Выключить зажигание.
- Отсоединить разъем жгута проводов корпуса дроссельной заслонки.
- Включить зажигание при заглушенном двигателе.
- Подключить перемычку с предохранителем на 3 А между цепью опорного напряжения 5 В датчика TP и сигнальной цепью 2 датчика TP.
- Проконтролировать напряжение датчика TP 2 сканирующим прибором.
Напряжение в пределах указанного? | 4,8-5,2 В | Перейти к операции 9 | Перейти к операции 8 |
| 7 | Проверить цепь опорного напряжения 5 В датчика TP и все общие цепи опорного напряжения 5 В на следующие неисправности: - Обрыв
- Замыкание на массу
- Высокое сопротивление
Неисправность обнаружена и устранена? | - | Перейти к операции 13 | Перейти к операции 10 |
| 8 | Проверить цепь сигнала 2 датчика положения дроссельной заслонки на наличие следующих неисправностей: - Обрыв
- Замыкание на массу
- Высокое сопротивление
Неисправность обнаружена и устранена? | - | Перейти к операции 13 | Перейти к операции 10 |
| 9 | Проверить на наличие непостоянных нарушений и ненадежность соединения узел корпуса дроссельной заслонки. Неисправность обнаружена и устранена? | - | Перейти к операции 13 | Перейти к операции 11 |
| 10 | Проверить контроллер ЭСУД на наличие непостоянных неисправностей или на ненадежность соединения. Неисправность обнаружена и устранена? | - | Перейти к операции 13 | Перейти к операции 12 |
| 11 | Заменить узел корпуса дроссельной заслонки. Замена произведена? | - | Перейти к операции 13 | - |
| 12 | Заменить контроллер ЭСУД. Замена произведена? | - | Перейти к операции 13 | - |
| 13 | - Сканирующим прибором сбросить коды DTC.
- Выключить зажигание на 30 секунд.
- Запустите двигатель.
- Создать для автомобиля условия появления кода DTC. Можно также создать для автомобиля условия, которые наблюдались на основе зарегистрированных данных о нарушении работы.
Код DTC показал пропуск зажигания? | - | Перейти к операции 2 | Перейти к операции 14 |
| 14 | Проверьте, не установлены ли дополнительные диагностические коды неисправности. Если ли коды DTC, которые еще не были продиагностированы? | - | Перейти к соответствующей таблице диагностических кодов неисправности | Система в норме |
Диагностический код неисправности P0223
Цепь 2 датчика положения дроссельной заслонки, высокий уровень сигнала
Описание схемы
В узле дроссельной заслонки имеется 2 датчика положения дроссельной заслонки (TP). Датчики TP смонтированы на корпусе дроссельной заслонки и не подлежат техническому обслуживанию. Датчики TP выдают выходные сигналы, напряжения которых зависят от угла открытия дроссельной заслонки. Контроллер электронной системы управления двигателем (ЭСУД) подает на датчики TP общее опорное напряжение 5 В и общее низкое опорное напряжение и получает сигналы по 2 независимым сигнальным цепям.
Датчики TP действуют в противоположных направлениях. Напряжение датчика TP 1 увеличивается от уровня менее 1 В на холостом ходу до более чем 4 В при полностью открытой заслонке (WOT). Напряжение датчика TP 2 уменьшается от уровня более 4 В на холостом ходу до менее чем 1 В при полностью открытой заслонке.
Условия установки кода неисправности.
- Включено зажигание.
- В датчике положения дроссельной заслонки неисправностей нет.
- Уровень сигнала MTIA выше 4,917 В.
Действия, выполняемые при установке кода неисправности
- Контрольная лампа индикации неисправности загорается.
- Контроллер записывает рабочие условия в момент определения неисправности. Эта информация сохраняется в буфере записей состояния и протоколах неисправностей.
- Сохраняется архив диагностических кодов неисправности.
Условия очистки кода неисправности/индикации неисправности
- Лампа индикации неисправности выключается по окончании последующего цикла проверки, при котором диагностика выполняется без сбоя.
- Архивный диагностический код неисправности убирается после 40 циклов нагрева без сбоя.
- Диагностический код неисправности может быть очищен сканирующим прибором.
Диагностическая информация
Неустойчивая неисправность может быть вызвана слабым контактом, перетертой изоляции или обрывом проводки под изоляцией.
Любая цепь, подозреваемая на создание неустойчивой неисправности, должна быть тщательно проверена на следующие обстоятельства.
- Снятые клеммы
- Соединение клемм
- Неисправность замков
- Повреждения клемм
- Слабое соединение клемм с проводами
- Физическое повреждение жгутов проводов
Описание проверки
Нижеприведенный номер относится к номерам этапов из таблицы диагностики.
- Этот шаг определяет, существует ли неисправность.
- Этот шаг проверяет сигнальную цепь на замыкание на напряжение питания. Если сканирующий прибор показывает наличие напряжения после отсоединения датчика TP - значит, цепь замкнута на напряжение питания.
- Этот шаг проверяет высокое сопротивление в цепи низкого опорного напряжения датчиков TP. Для точного измерения сопротивления питание модуля контроллера ЭСУД должно быть полностью выключено. Для полного выключения питания контроллера ЭСУД после удаления ключа зажигания может потребоваться до 30 минут. Удаление предохранителя контроллера ЭСУД/контроллера КПП позволяет полностью отключить питание контроллера ЭСУД.
- Этот шаг проверяет цепь низкого опорного напряжения на замыкание на напряжение питания.
DTC P0223 - Цепь датчика 2 положения дроссельной заслонки, высокий уровень сигнала
| Шаг | Операция | Значения | Да | Нет |
| 1 | Вы провели проверку диагностической системы? | - | Перейти к операции 2 | |
| 2 | - Включить зажигание при заглушенном двигателе.
- Проконтролировать напряжение датчика TP 2 сканирующим прибором.
Напряжение выше указанного? | 4,8 В | Перейти к операции 4 | Перейти к операции 3 |
| 3 | - Изучить зарегистрированные данные о сбое для данного кода DTC.
- Выключить зажигание на 30 секунд.
- Запустите двигатель.
- Создать для автомобиля условия появления кода DTC. Можно также создать для автомобиля условия, которые наблюдались на основе зарегистрированных данных о нарушении работы.
Код DTC показал пропуск зажигания? | - | Перейти к операции 4 | |
| 4 | - Выключить зажигание.
- Отсоединить разъем жгута проводов корпуса дроссельной заслонки.
- Включить зажигание при заглушенном двигателе.
- Проконтролировать напряжение датчика TP 2 сканирующим прибором.
Напряжение меньше указанного значения? | 0,1 В | Перейти к операции 5 | Перейти к операции 8 |
| 5 | Измерить напряжение между цепью опорного напряжения 5 В датчика положения дроссельной заслонки (TP) и корпусом модуля контроллера ЭСУД. Напряжение выше указанного? | 5,2 В | Перейти к операции 9 | Перейти к операции 6 |
| 6 | - Выключить зажигание.
- Вынуть предохранитель контроллера ЭСУД/контроллера КПП из блока предохранителей двигателя.
- Измерить сопротивление от цепи низкого опорного напряжения датчика положения дроссельной заслонки до корпуса модуля контроллера ЭСУД цифровым мультиметром.
Находится ли сопротивление ниже указанного значения? | 5 Ом | Перейти к операции 11 | Перейти к операции 7 |
| 7 | - Установить предохранитель контроллера ЭСУД / контроллера КПП
- Включить зажигание при заглушенном двигателе.
- Измерить напряжение между цепью низкого опорного напряжения датчика положения дроссельной заслонки и корпусом модуля контроллера ЭСУД цифровым мультиметром.
Напряжение меньше указанного значения? | 1 В | Перейти к операции 13 | Перейти к операции 10 |
| 8 | Проверить цепь сигнала 2 датчика положения дроссельной заслонки на наличие замыкания на напряжение питания. Неисправность обнаружена и устранена? | - | Перейти к операции 16 | Перейти к операции 12 |
| 9 | Проверить цепь опорного напряжения 5 В датчика TP и все общие цепи опорного напряжения 5 В на короткое замыкание на напряжение питания. Неисправность обнаружена и устранена? | - | Перейти к операции 16 | Перейти к операции 12 |
| 10 | - Выключить зажигание.
- Отсоединить контроллер ЭСУД
- Проверить цепь низкого опорного напряжения датчика TP на обрыв или высокое сопротивление.
Неисправность обнаружена и устранена? | - | Перейти к операции 16 | Перейти к операции 12 |
| 11 | Проверить на наличие замыкания клемм и надежно ли установлены соединения в узле корпуса дроссельной заслонки. Неисправность обнаружена и устранена? | - | Перейти к операции 16 | Перейти к операции 14 |
| 12 | Проверить на наличие замыкания клемм и плохие контакты у контроллера ЭСУД. Неисправность обнаружена и устранена? | - | Перейти к операции 16 | Перейти к операции 15 |
| 13 | Устранить короткое замыкание на напряжение питания цепи низкого опорного напряжения датчика TP. Ремонт завершен? | - | Перейти к операции 16 | - |
| 14 | Заменить узел корпуса дроссельной заслонки. Замена произведена? | - | Перейти к операции 16 | - |
| 15 | Заменить контроллер ЭСУД. Замена произведена? | - | Перейти к операции 16 | - |
| 16 | - Сканирующим прибором сбросить коды DTC.
- Выключить зажигание на 30 секунд.
- Запустите двигатель.
- Создать для автомобиля условия появления кода DTC. Можно также создать для автомобиля условия, которые наблюдались на основе зарегистрированных данных о нарушении работы.
Код DTC показал пропуск зажигания? | - | Перейти к операции 2 | Перейти к операции 17 |
| 17 | Проверьте, не установлены ли дополнительные диагностические коды неисправности. Если ли коды DTC, которые еще не были продиагностированы? | - | Перейти к соответствующей таблице диагностических кодов неисправности | Система в норме |
 | |  | |