Диагностический код неисправности P0662
Цепь управления электромагнитом клапана регулировки впускного коллектора (IMT), высокое напряжение
Описание схемы
Контроллер электронной системы управления двигателем (ЭСУД) контролирует работу электромагнита, осуществляя управление электрической цепи клапана регулировки впускного коллектора (IMT). В обычном положении электромагнитный клапан закрыт. Включая "массу", контроллер ЭСУД запитывает клапан.
Условия установки кода неисправности.
- Включено зажигание.
- Имеется короткое замыкание на напряжение аккумулятора в цепи электромагнита клапана IMT.
Действия, выполняемые при установке кода неисправности
- Контрольная лампа индикации неисправности загорается.
- Контроллер записывает рабочие условия в момент определения неисправности. Эта информация сохраняется в буфере записей состояния и протоколах неисправностей.
- Сохраняется архив диагностических кодов неисправности.
Условия очистки кода неисправности/индикации неисправности
- Лампа индикации неисправности выключается по окончании одного цикла проверки, в котором диагностика выполняется без сбоя.
- Архивный диагностический код неисправности убирается после 40 циклов нагрева без сбоя.
- Диагностический код неисправности может быть очищен сканирующим прибором.
Диагностическая информация
Периодическая неисправность может быть вызвана слабым контактом, перетертой изоляцией или обрывом проводки в изоляции.
DTC P0662 - Цепь управления электромагнитом клапана регулировки впускного коллектора (IMT), высокое напряжение
| Шаг | Операция | Значения | Да | Нет |
| 1 | Провести проверку системы диагностики. Проверка системы завершена? | - | Перейти к операции 2 | |
| 2 | - Поверните замок зажигание в положение LOCK.
- Отсоединить разъём электромагнита клапана регулировки впускного коллектора (IMT).
- Измерить сопротивление электромагнита VIS.
Находится ли замеренное сопротивление в пределах указанного значения? | 0 Ом | Перейти к операции 3 | Перейти к операции 6 |
| 3 | - Отсоединить разъём реле зажигания.
- Проверить на короткое замыкание на напряжение аккумулятора провод между клеммой 1 разъема электромагнита клапана IMT и клеммой 30 разъема главного реле.
Неисправность обнаружена? | - | Перейти к операции 4 | Перейти к операции 5 |
| 4 | Восстановить провод и клемму разъема. Закончен ли ремонт? | - | Перейти к операции 8 | - |
| 5 | - Поверните замок зажигание в положение LOCK.
- Отсоединить разъём контроллера электронной системы управления двигателем (ЭСУД).
- Проверить на короткое замыкание на напряжение аккумулятора провод между клеммой 2 разъема электромагнита клапана IMT и клеммой A47 разъема контроллера ЭСУД.
Неисправность обнаружена? | - | Перейти к операции 4 | Перейти к операции 7 |
| 6 | Заменить электромагнит клапана IMT. Замена закончена? | - | Перейти к операции 8 | - |
| 7 | Заменить контроллер ЭСУД. Замена закончена? | - | Перейти к операции 9 | - |
| 8 | - Используя сканирующий прибор, очистить диагностические коды неисправностей.
- Запустите двигатель.
- Прогнать двигатель на холостых оборотах до достижения обычной рабочей температуры.
- Совершить поездку для установки кодов неисправности, как указано во вспомогательном тексте.
Сканирующий прибор определяет эту диагностику как прошедшую и успешную? | - | Перейти к операции 9 | Перейти к операции 2 |
| 9 | Проверьте, не установлены ли дополнительные диагностические коды неисправности. Отображены ли диагностические коды неисправности, которые не были продиагностированы? | - | Перейти к соответствующей таблице диагностических кодов неисправности | Система в норме |
Диагностический код неисправности P0689
Цепь обратной связи реле зажигания органов управления двигателем, низкое напряжение
Описание схемы
ЭСУД контролирует напряжение зажигания по цепи зажигания до клеммы К2 на блоке ЭСУД. При любом значении сигнала ниже калиброванного значения устанавливается диагностический код неисправности напряжения в системе.
Условия установки кода неисправности.
- Напряжение главного реле меньше 5,5 В.
Действия, выполняемые при установке кода неисправности
- Контрольная лампа индикации неисправности загорается.
- Контроллер записывает рабочие условия в момент определения неисправности. Эта информация сохраняется в буфере записей состояния и протоколах неисправностей.
- Сохраняется архив диагностических кодов неисправности.
Условия очистки кода неисправности/индикации неисправности
- Лампа индикации неисправности выключается по окончании трех циклов проверки подряд, при которых диагностика выполняется без сбоя.
- Архивный диагностический код неисправности убирается после 40 циклов нагрева без сбоя.
- Диагностический код неисправности может быть очищен сканирующим прибором.
Диагностическая информация
Неустойчивая неисправность может быть вызвана слабым контактом, перетертой изоляции или обрывом проводки под изоляцией.
Любая цепь, подозреваемая на создание неустойчивой неисправности, должна быть тщательно проверена на следующие обстоятельства.
- Снятые клеммы
- Соединение клемм
- Неисправность замков
- Деформированность
- Повреждения клемм
- Слабый контакт клемм с разъемами проводки.
- Физическое повреждение жгутов проводов
DTC P0689 - Цепь обратной связи реле зажигания органов управления двигателем, низкое напряжение
| Шаг | Операция | Значения | Да | Нет |
| 1 | Провести проверку системы диагностики. Проверка системы завершена? | - | Перейти к операции 2 | |
| 2 | - Подключить сканирующий прибор и очистить диагностические коды неисправностей.
- Запустите двигатель и доведите обороты двигателя до указанного значения.
- Нагрузите электросистему, включив фары, привод нагнетателя.
Находится ли напряжение ниже указанного значения? | 7,9 В | Перейти к операции 3 | Перейти к операции 8 |
| 3 | - При двигателе, работающем с указанными значениями
- Используя цифровой вольтметр, замерить напряжение аккумулятора на аккумуляторе.
Значение напряжения аккумулятора больше указанного значения? | 12 В | Перейти к операции 4 | |
| 4 | - Поверните замок зажигание в положение LOCK.
- Отсоединить разъём контроллера ЭСУД от ЭСУД.
- Включить зажигание, двигатель не запускать.
- При помощи цифрового вольтметра измерить напряжение в цепи зажигания, клемма К2.
Значение напряжения зажигания больше указанного значения? | 7,9 В | Перейти к операции 5 | Перейти к операции 6 |
| 5 | Проверить клеммы жгута контроллера ЭСУД на отсутствие неисправного подключения и устранить неисправность при необходимости. Ремонт необходим? | - | Перейти к операции 8 | Перейти к операции 7 |
| 6 | Устранить слабый контакт (высокое напряжение) в цепи зажигания. Закончен ли ремонт? | - | Перейти к операции 8 | - |
| 7 | Заменить контроллер ЭСУД. Замена закончена? | - | Перейти к операции 8 | - |
| 8 | - Используя сканирующий прибор, очистить диагностические коды неисправностей.
- Запустить двигатель и дать ему поработать на холостом ходу при нормальной рабочей температуре.
- Совершить поездку для установки кодов неисправности, как это указано во вспомогательном тексте.
Сканирующий прибор определяет эту диагностику как прошедшую и успешную? | - | Перейти к операции 9 | Перейти к операции 2 |
| 9 | Проверьте, не установлены ли дополнительные диагностические коды неисправности. Отображены ли диагностические коды неисправности, которые не были продиагностированы? | - | Перейти к соответствующей таблице диагностических кодов неисправности | Система в норме |
Диагностический код неисправности P0690
Цепь обратной связи реле зажигания органов управления двигателем, высокое напряжение
Описание схемы
ЭСУД контролирует напряжение зажигания по цепи зажигания до клеммы К2 на блоке ЭСУД. При любом значении сигнала ниже калиброванного значения устанавливается диагностический код неисправности напряжения в системе.
Условия установки кода неисправности.
- Напряжение главного реле выше 5,5 В.
Действия, выполняемые при установке кода неисправности
- Контрольная лампа индикации неисправности загорается.
- Контроллер записывает рабочие условия в момент определения неисправности. Эта информация сохраняется в буфере записей состояния и протоколах неисправностей.
- Сохраняется архив диагностических кодов неисправности.
Условия очистки кода неисправности/индикации неисправности
- Лампа индикации неисправности выключается по окончании трех циклов проверки подряд, при которых диагностика выполняется без сбоя.
- Архивный диагностический код неисправности убирается после 40 циклов нагрева без сбоя.
- Диагностический код неисправности может быть очищен сканирующим прибором.
Диагностическая информация
Неустойчивая неисправность может быть вызвана слабым контактом, перетертой изоляции или обрывом проводки под изоляцией.
Любая цепь, подозреваемая на создание неустойчивой неисправности, должна быть тщательно проверена на следующие обстоятельства.
- Снятые клеммы
- Соединение клемм
- Неисправность замков
- Деформированность
- Повреждения клемм
- Слабый контакт клемм с разъемами проводки.
- Физическое повреждение жгутов проводов
DTC P0690 - Цепь обратной связи реле зажигания органов управления двигателем, высокое напряжение
| Шаг | Операция | Значения | Да | Нет |
| 1 | Провести проверку системы диагностики. Проверка системы завершена? | - | Перейти к операции 2 | |
| 2 | - Подключить сканирующий прибор и очистить диагностические коды неисправностей.
- Запустите двигатель и доведите обороты двигателя до указанного значения.
- Нагрузите электросистему, включив фары, привод нагнетателя.
Находится ли напряжение ниже указанного значения? | 1200 об/мин 18 В | Перейти к операции 3 | Перейти к операции 8 |
| 3 | - При двигателе, работающем с указанными значениями
- Используя цифровой вольтметр, замерить напряжение аккумулятора на аккумуляторе.
Значение напряжения аккумулятора больше указанного значения? | 1200 об/мин 18 В | Перейти к операции 4 | |
| 4 | - Поверните замок зажигание в положение LOCK.
- Отсоединить разъём контроллера ЭСУД от ЭСУД.
- Включить зажигание, двигатель не запускать.
- При помощи цифрового вольтметра измерить напряжение в цепи зажигания, клемма К2.
Значение напряжения зажигания больше указанного значения? | 18 В | Перейти к операции 5 | Перейти к операции 6 |
| 5 | Проверить клеммы жгута контроллера ЭСУД на отсутствие неисправного подключения и устранить неисправность при необходимости. Ремонт необходим? | - | Перейти к операции 8 | Перейти к операции 7 |
| 6 | Устранить слабый контакт (высокое напряжение) в цепи зажигания. Закончен ли ремонт? | - | Перейти к операции 8 | - |
| 7 | Заменить контроллер ЭСУД. Замена закончена? | - | Перейти к операции 8 | - |
| 8 | - Используя сканирующий прибор, очистить диагностические коды неисправностей.
- Запустить двигатель и дать ему поработать на холостом ходу при нормальной рабочей температуре.
- Совершить поездку для установки кодов неисправности, как это указано во вспомогательном тексте.
Сканирующий прибор определяет эту диагностику как прошедшую и успешную? | - | Перейти к операции 9 | Перейти к операции 2 |
| 9 | Проверьте, не установлены ли дополнительные диагностические коды неисправности. Отображены ли диагностические коды неисправности, которые не были продиагностированы? | - | Перейти к соответствующей таблице диагностических кодов неисправности | Система в норме |
Диагностический код неисправности P0700
Контроллер КПП с главной передачей в сборе подал команду на включение контрольной лампы индикации неисправности
Описание схемы
Контроллер КПП и контроллер ЭСУД соединены между собой последовательным каналом передачи данных. Контроллер КПП каждые 100 миллисекунд выдает Р-код (сообщение о состоянии) на контроллер ЭСУД для подтверждения правильной работы трансмиссии.
Если контроллер КПП определяет в трансмиссии неисправность типа А или В, то он выдает на контроллер ЭСУД Р-код для включения контрольной лампы индикации неисправности и для установки кода неисправности Р0700.
Условия установки кода неисправности.
- Включено зажигание.
- Сообщение, полученное от контроллера КПП, указывающее на неисправность, определяется в самом контроллере.
Действия, выполняемые при установке кода неисправности
- Контрольная лампа индикации неисправности загорается.
- Контроллер записывает рабочие условия в момент определения неисправности. Эта информация сохраняется в буфере записей состояния и/или протоколах неисправностей.
- Сохраняется архив диагностических кодов неисправности.
Условия очистки кода неисправности/индикации неисправности
- Архив диагностических кодов неисправности очищается через 40 последовательных циклов нагрева без неисправностей.
- Диагностический код неисправности может быть очищен сканирующим прибором.
- Отключение питания контроллера ЭСУД более, чем на 10 секунд.
Диагностическая информация
Неустойчивая неисправность может быть вызвана слабым контактом, перетертой изоляции или обрывом проводки под изоляцией.
Проверить отсутствие слабого контакта или поврежденного жгута контроллера ЭСУД/КПП. Проверить цепь канала передачи данных на отсутствие следующего:
- Соединение клемм
- Неисправность замков
- Деформированность
- Повреждения клемм
- Слабый контакт клемм с разъемами проводки.
- Повреждения жгутов
DTC P0700 - Контроллер КПП с главной передачей в сборе подал команду на включение контрольной лампы индикации неисправности
| Шаг | Операция | Значения | Да | Нет |
| 1 | Провести проверку системы диагностики. Проверка проведена? | - | Перейти к операции 2 | |
| 2 | - Подключить сканирующий прибор к колодке диагностики.
- Включите зажигание.
- При помощи сканирующего прибора выбрать диагностический код неисправности контроллера КПП.
Отображается ли код неисправности трансмиссии? | - | Перейти к операции 3 | Перейти к операции 4 |
| 3 | - Устранить неисправность коробки передач с главной передачей в сборе. Раздел по ремонту трансмиссии смотри в таблице с соответствующими кодами неисправности.
- Используя сканирующий прибор, обнулить коды неисправностей контроллера КПП.
Закончен ли ремонт? | - | Перейти к операции 4 | - |
| 4 | - Используя сканирующий прибор, очистить диагностические коды неисправностей.
- Запустить двигатель и дать ему поработать на холостом ходу при нормальной рабочей температуре.
- Совершить поездку для установки кодов неисправности, как это указано во вспомогательном тексте.
Сканирующий прибор определяет эту диагностику как прошедшую и успешную? | - | Перейти к операции 5 | Перейти к операции 2 |
| 5 | Проверьте, не установлены ли дополнительные диагностические коды неисправности. Отображены ли диагностические коды неисправности, которые не были продиагностированы? | - | Перейти к соответствующей таблице диагностических кодов неисправности | Система в норме |
Диагностический код неисправности P1138
Высокое напряжение цепи датчика кислорода при отключении подачи топлива в режиме торможения двигателем, ряд цилиндров 1, датчик 2
Описание схемы
Датчики кислорода с электронагревателем используются для контроля топлива и контроля после нейтрализатора. Каждый датчик кислорода сравнивает содержание кислорода в окружающем воздухе с содержанием кислорода в выхлопе. Датчик кислорода должен иметь рабочую температуру, чтобы выдавать правильный сигнал напряжения. Нагревательные элементы внутри датчика кислорода сокращают время, требуемое датчику для достижения рабочей температуры. Контроллер ЭСУД подает на датчик кислорода опорное напряжение (смещение) примерно 450 мВ. При первом запуске двигателя контроллер ЭСУД работает в режиме разомкнутого контура, игнорируя сигнал напряжения датчика кислорода. Когда датчик кислорода достигает рабочей температуры и достигается режим замкнутого контура, датчик кислорода вырабатывает напряжение в диапазоне 0-1000 мВ, меняющееся вокруг напряжения смещения. Высокое напряжение датчика кислорода соответствует обогащенному выхлопу. Низкое напряжение датчика кислорода соответствует обедненному выхлопу.
Если контроллер ЭСУД обнаруживает, что напряжение датчика кислорода остается выше определенного значения, устанавливается код неисправности P1138.
Условия установки кода неисправности.
- Включено зажигание.
- Нет неисправностей датчика кислорода, датчика массового расхода воздуха, датчика положения распределительного вала, топливной системы, датчиков положения дроссельной заслонки.
- Напряжение датчика HO2S 2 превышает 0,2 В в течение более чем 1 секунды.
Действия, выполняемые при установке кода неисправности
- Контрольная лампа индикации неисправности загорается.
- Контроллер записывает рабочие условия в момент определения неисправности. Эта информация сохраняется в буфере записей состояния и протоколах неисправностей.
- Сохраняется архив диагностических кодов неисправности.
Условия очистки кода неисправности/индикации неисправности
- Лампа индикации неисправности выключается по окончании 3 циклов проверки подряд, при которых диагностика выполняется без сбоя.
- Архивный диагностический код неисправности убирается после 40 циклов нагрева без сбоя.
- Диагностический код неисправности может быть очищен сканирующим прибором.
Описание проверки
Нижеприведенный номер относится к номерам этапов из таблицы диагностики.
- Когда система работает нормально, напряжение датчика HO2S 2 должно колебаться выше и ниже заданных значений. Для повторения отказа, обнаруженного контроллером ЭСУД, может потребоваться эксплуатация автомобиля в условиях записанных состояний и условиях установки кода неисправности.
- При отсоединении датчика HO2S 2 и подключении перемычки между сигнальной цепью высокого уровня HO2S 2 и сигнальной цепью HO2S 2 низкого уровня и массой сканирующий прибор должен показывать напряжение HO2S 2 ниже 100 мВ. Если напряжение сигнала остается высоким, это указывает на неисправность контроллера ЭСУД.
DTC P1138 - Высокое напряжение цепи датчика кислорода при отключении подачи топлива в режиме торможения двигателем, ряд цилиндров 1, датчик 2
| Шаг | Операция | Значения | Да | Нет |
| 1 | Вы провели проверку диагностической системы? | - | Перейти к операции 2 | |
| 2 | Важно: Если кроме DTC, относящихся к датчику HO2S, имеются другие коды неисправности, сначала рассмотрите эти коды неисправности, и лишь затем перейдите к этой таблице. - Запустить двигатель при нормальной рабочей температуре.
- Дать двигателю проработать при оборотах выше 1200 об./мин. в течение 2 минут.
- Контролировать напряжение HO2S 2 с помощью сканирующего прибора.
Значение сигнала HO2S 2 на сканирующем приборе больше установленного значения? | 200 мВ | Перейти к операции 4 | Перейти к операции 3 |
| 3 | - Изучить зарегистрированные данные о сбое для данного кода DTC.
- Выключить зажигание на 30 секунд.
- Запустите двигатель.
- Создать для автомобиля условия появления кода DTC. Можно также создать для автомобиля условия, которые наблюдались на основе зарегистрированных данных о нарушении работы.
Код DTC показал пропуск зажигания? | - | Перейти к операции 4 | |
| 4 | - Выключить зажигание.
- Отсоединить разъем HO2S 2.
- Включить зажигание при заглушенном двигателе.
- С помощью цифрового мультиметра измерить напряжение цепи высокого уровня датчика HO2S на стороне контроллера ЭСУД.
Напряжение находится в указанных пределах? | 350-550 мВ | Перейти к операции 6 | Перейти к операции 5 |
| 5 | Проверить сигнальную цепь высокого уровня HO2S 2 на короткое замыкание на напряжение аккумулятора. Неисправность обнаружена и устранена? | - | Перейти к операции 11 | Перейти к операции 8 |
| 6 | Датчик HO2S 2 обнаруживает обогащенный выхлоп или, возможно, загрязнен. Проверить следующее: - В разъем датчика HO2S попала вода
- Датчик HO2S 2 загрязнен силиконом
- Моторное масло загрязнено топливом
- Неверное давление топлива
- Форсунки установлены на богатую смесь
При необходимости устранить вышеперечисленные или аналогичные состояния двигателя. Неисправность обнаружена и устранена? | - | Перейти к операции 11 | Перейти к операции 7 |
| 7 | Обследовать разъем жгута со стороны HO2S 2 на плохой контакт. Неисправность обнаружена и устранена? | - | Перейти к операции 11 | Перейти к операции 9 |
| 8 | Обследовать разъем жгута со стороны контроллера ЭСУД на плохой контакт. Неисправность обнаружена и устранена? | - | Перейти к операции 11 | Перейти к операции 9 |
| 9 | Заменить датчик HO2S2. Замена произведена? | - | Перейти к операции 11 | - |
| 10 | Заменить контроллер ЭСУД. Замена произведена? | - | Перейти к операции 11 | - |
| 11 | - Сканирующим прибором сбросить коды DTC.
- Выключить зажигание на 30 секунд.
- Запустите двигатель.
- Создать для автомобиля условия появления кода DTC. Можно также создать для автомобиля условия, которые наблюдались на основе зарегистрированных данных о нарушении работы.
Код DTC показал пропуск зажигания? | - | Перейти к операции 2 | Перейти к операции 12 |
| 12 | Проверьте, не установлены ли дополнительные диагностические коды неисправности. Если ли коды DTC, которые еще не были продиагностированы? | - | Перейти к соответствующей таблице диагностических кодов неисправности | Система в норме |
Диагностический код неисправности P1158
Высокое напряжение цепи датчика кислорода при отключении подачи топлива в режиме торможения двигателем, ряд цилиндров 2, датчик 2
Описание схемы
Датчики кислорода с электронагревателем используются для контроля топлива и контроля после нейтрализатора. Каждый датчик кислорода сравнивает содержание кислорода в окружающем воздухе с содержанием кислорода в выхлопе. Датчик кислорода должен иметь рабочую температуру, чтобы выдавать правильный сигнал напряжения. Нагревательные элементы внутри датчика кислорода сокращают время, требуемое датчику для достижения рабочей температуры. Контроллер ЭСУД подает на датчик кислорода опорное напряжение (смещение) примерно 450 мВ. При первом запуске двигателя контроллер ЭСУД работает в режиме разомкнутого контура, игнорируя сигнал напряжения датчика кислорода. Когда датчик кислорода достигает рабочей температуры и достигается режим замкнутого контура, датчик кислорода вырабатывает напряжение в диапазоне 0-1000 мВ, меняющееся вокруг напряжения смещения. Высокое напряжение датчика кислорода соответствует обогащенному выхлопу. Низкое напряжение датчика кислорода соответствует обедненному выхлопу.
Если контроллер ЭСУД обнаруживает, что напряжение датчика кислорода остается выше определенного значения, устанавливается код неисправности P1158.
Условия установки кода неисправности.
- Включено зажигание.
- Нет неисправностей датчика кислорода, датчика массового расхода воздуха, датчика положения распределительного вала, топливной системы, датчиков положения дроссельной заслонки.
- Напряжение датчика HO2S 2 превышает 0,2 В в течение более чем 1 секунды.
Действия, выполняемые при установке кода неисправности
- Контрольная лампа индикации неисправности загорается.
- Контроллер записывает рабочие условия в момент определения неисправности. Эта информация сохраняется в буфере записей состояния и протоколах неисправностей.
- Сохраняется архив диагностических кодов неисправности.
Условия очистки кода неисправности/индикации неисправности
- Лампа индикации неисправности выключается по окончании 3 циклов проверки подряд, при которых диагностика выполняется без сбоя.
- Архивный диагностический код неисправности убирается после 40 циклов нагрева без сбоя.
- Диагностический код неисправности может быть очищен сканирующим прибором.
Описание проверки
Нижеприведенный номер относится к номерам этапов из таблицы диагностики.
- Когда система работает нормально, напряжение датчика HO2S 2 должно колебаться выше и ниже заданных значений. Для повторения отказа, обнаруженного контроллером ЭСУД, может потребоваться эксплуатация автомобиля в условиях записанных состояний и условиях установки кода неисправности.
- При отсоединении датчика HO2S 2 и подключении перемычки между сигнальной цепью высокого уровня HO2S 2 и сигнальной цепью HO2S 2 низкого уровня и массой сканирующий прибор должен показывать напряжение HO2S 2 ниже 100 мВ. Если напряжение сигнала остается высоким, это указывает на неисправность контроллера ЭСУД.
DTC P1158 - Высокое напряжение цепи датчика кислорода при отключении подачи топлива в режиме торможения двигателем, ряд цилиндров 2, датчик 2
| Шаг | Операция | Значения | Да | Нет |
| 1 | Вы провели проверку диагностической системы? | - | Перейти к операции 2 | |
| 2 | Важно: Если кроме DTC, относящихся к датчику HO2S, имеются другие коды неисправности, сначала рассмотрите эти коды неисправности, и лишь затем перейдите к этой таблице. - Запустить двигатель при нормальной рабочей температуре.
- Дать двигателю проработать при оборотах выше 1200 об./мин. в течение 2 минут.
- Контролировать напряжение HO2S 2 с помощью сканирующего прибора.
Значение сигнала HO2S 2 на сканирующем приборе больше установленного значения? | 200 мВ | Перейти к операции 4 | Перейти к операции 3 |
| 3 | - Изучить зарегистрированные данные о сбое для данного кода DTC.
- Выключить зажигание на 30 секунд.
- Запустите двигатель.
- Создать для автомобиля условия появления кода DTC. Можно также создать для автомобиля условия, которые наблюдались на основе зарегистрированных данных о нарушении работы.
Код DTC показал пропуск зажигания? | - | Перейти к операции 4 | |
| 4 | - Выключить зажигание.
- Отсоединить разъем HO2S 2.
- Включить зажигание при заглушенном двигателе.
- С помощью цифрового мультиметра измерить напряжение цепи высокого уровня датчика HO2S на стороне контроллера ЭСУД.
Напряжение находится в указанных пределах? | 350-550 мВ | Перейти к операции 6 | Перейти к операции 5 |
| 5 | Проверить сигнальную цепь высокого уровня HO2S 2 на короткое замыкание на напряжение аккумулятора. Неисправность обнаружена и устранена? | - | Перейти к операции 11 | Перейти к операции 8 |
| 6 | Датчик HO2S 2 обнаруживает обогащенный выхлоп или, возможно, загрязнен. Проверить следующее: - В разъем датчика HO2S попала вода
- Датчик HO2S 2 загрязнен силиконом
- Моторное масло загрязнено топливом
- Неверное давление топлива
- Форсунки установлены на богатую смесь
При необходимости устранить вышеперечисленные или аналогичные состояния двигателя. Неисправность обнаружена и устранена? | - | Перейти к операции 11 | Перейти к операции 7 |
| 7 | Обследовать разъем жгута со стороны HO2S 2 на плохой контакт. Неисправность обнаружена и устранена? | - | Перейти к операции 11 | Перейти к операции 9 |
| 8 | Обследовать разъем жгута со стороны контроллера ЭСУД на плохой контакт. Неисправность обнаружена и устранена? | - | Перейти к операции 11 | Перейти к операции 10 |
| 9 | Заменить датчик HO2S2. Замена произведена? | - | Перейти к операции 11 | - |
| 10 | Заменить контроллер ЭСУД. Замена произведена? | - | Перейти к операции 11 | - |
| 11 | - Сканирующим прибором сбросить коды DTC.
- Выключить зажигание на 30 секунд.
- Запустите двигатель.
- Создать для автомобиля условия появления кода DTC. Можно также создать для автомобиля условия, которые наблюдались на основе зарегистрированных данных о нарушении работы.
Код DTC показал пропуск зажигания? | - | Перейти к операции 2 | Перейти к операции 12 |
| 12 | Проверьте, не установлены ли дополнительные диагностические коды неисправности. Если ли коды DTC, которые еще не были продиагностированы? | - | Перейти к соответствующей таблице диагностических кодов неисправности | Система в норме |
Диагностический код неисправности P1320
Диагностика сегментов распределительного вала
Описание схемы
Контрольный сигнал 58Х генерируется датчиком положения коленчатого вала. За время одного оборота коленчатого вала производятся 58 импульсов. ЭСУД использует опорный сигнал 58Х для вычисления числа оборотов двигателя и положения коленчатого вала. Контроллер ЭСУД постоянно отслеживает количество импульсов в цепи опорного сигнала 58Х и сравнивает их с получаемыми сигнальными импульсами положения коленчатого вала. Если контроллер ЭСУД получает неправильное количество импульсов по цепи опорного сигнала 58Х, устанавливается диагностический код неисправности Р1320.
Условия установки кода неисправности.
- За один оборот коленчатого вала зарегистрированы 1 или 2 лишних или недостающих зубца.
Действия, выполняемые при установке кода неисправности
- Контрольная лампа индикации неисправности загорается.
- Контроллер записывает рабочие условия в момент определения неисправности. Эта информация сохраняется в буфере записей состояния и протоколах неисправностей.
- Сохраняется архив диагностических кодов неисправности.
Условия очистки кода неисправности/индикации неисправности
- Лампа индикации неисправности выключается по окончании трех циклов проверки подряд, при которых диагностика выполняется без сбоя.
- Архивный диагностический код неисправности убирается после 40 циклов нагрева без сбоя.
- Диагностический код неисправности может быть очищен сканирующим прибором.
Диагностическая информация
Неустойчивая неисправность может быть вызвана слабым контактом, перетертой изоляции или обрывом проводки под изоляцией. Проверить:
- Слабое соединение - проверить жгут проводов контроллера ЭСУД и разъемы на отсутствие неправильного сопряжения, неисправности замков, деформации или повреждения клемм, а также отсутствие слабого соединения клемм с проводами.
- Повреждения жгутов - осмотреть жгут проводов на наличие повреждений. Если жгут проводов кажется исправным, отсоединить контроллер ЭСУД, включить зажигание и проследить за показаниями вольтметра в цепи опорного сигнала 58Х, перемещая разъемы и жгуты проводки, относящиеся к контроллеру ЭСУД. Изменения в уровне сигнала покажут место нахождения неисправности.
- Просмотр протоколов неисправностей после последней неудавшейся диагностической проверки поможет определить, как часто происходило условие, вызывавшее установку диагностического кода неисправности. Это поможет продиагностировать условия.
DTC P1320 - Диагностика сегментов распределительного вала
| Шаг | Операция | Значения | Да | Нет |
| 1 | Провести проверку системы диагностики. Проверка проведена? | - | Перейти к операции 2 | |
| 2 | Попытайтесь запустить двигатель. Двигатель запускается? | - | Перейти к операции 3 | |
| 3 | - Выключите зажигание.
- Подключить сканирующий прибор к колодке диагностики.
- Включить зажигание, двигатель не запускать.
- Просмотреть и записать информацию протокола неисправностей.
- Очистить диагностические коды неисправностей.
- Запустить двигатель и дать ему поработать на холостом ходу 1 минуту.
Установлен ли код Р1320? | - | Перейти к операции 4 | |
| 4 | - Снимите коленчатый вал.
- Проверить коленчатый вал и зуб на наличие видимых повреждений.
Проблема найдена? | - | Перейти к операции 5 | Перейти к операции 6 |
| 5 | Заменить коленчатый вал. Замена закончена? | - | Система в норме | - |
| 6 | - Выключите зажигание.
- Заменить контроллер ЭСУД.
Закончен ли ремонт? | - | Перейти к операции 7 | - |
| 7 | - Используя сканирующий прибор, очистить диагностические коды неисправностей.
- Запустить двигатель и дать ему поработать на холостом ходу при нормальной рабочей температуре.
- Совершить поездку для установки кодов неисправности, как это указано во вспомогательном тексте.
Сканирующий прибор определяет эту диагностику как прошедшую и успешную? | - | Перейти к операции 8 | Перейти к операции 2 |
| 8 | Проверьте, не установлены ли дополнительные диагностические коды неисправности. Отображены ли диагностические коды неисправности, которые не были продиагностированы? | - | Перейти к соответствующей таблице диагностических кодов неисправности | Система в норме |



Диагностический код неисправности P1648
Неправильный код безопасности противоугонной системы
Описание схемы
При включении переключателя зажигания, ключ проверяется противоугонной системой иммобилизатора. При считывании кода ключа блоком управления иммобилизатора или комплексным встроенным блоком управления противоугонного устройства, двигатель может запуститься любым ключом, который поворачивает блокировочный цилиндр. Код ключа считывается и сравнивается с кодами ключей, сохраненными в памяти блока управления иммобилизатором. При определении действительного ключа, блок управления иммобилизатором посылает сообщение с последовательно передаваемыми данными в блок ЭСУД. В исходящее сообщение включается код идентификации для подтверждения, что ни блок управления иммобилизатором, ни блок ЭСУД не были заменены для обхода системы. При получении недействительного сообщения контроллер ЭСУД выполняет следующие действия:
- Отключает цепь топливной форсунки.
- Отключает цепь топливного насоса.
- Отключает катушку зажигания.
Диагностический код неисправности будет сохранен при отказе связи между блоком ЭСУД и блоком управления иммобилизатора.
Условия установки кода неисправности.
- Неверное кодовое значение от блока управления иммобилизатора.
Действия, выполняемые при установке кода неисправности
- Контрольная лампа индикации неисправности загорается.
- Контроллер записывает рабочие условия в момент определения неисправности. Эта информация сохраняется в буфере записей состояния и протоколах неисправностей.
- Сохраняется архив диагностических кодов неисправности.
Условия очистки кода неисправности/индикации неисправности
- Лампа индикации неисправности выключается по окончании трех циклов проверки подряд, при которых диагностика выполняется без сбоя.
- Архивный диагностический код неисправности убирается после 40 циклов нагрева без сбоя.
- Диагностический код неисправности может быть очищен сканирующим прибором.
DTC P1648 - Неправильный код безопасности противоугонной системы
| Шаг | Операция | Значения | Да | Нет |
| 1 | Провести проверку системы диагностики. Проверка системы завершена? | - | Перейти к операции 2 | |
| 2 | - Выключите зажигание.
- Подключить сканирующий прибор к колодке диагностики.
- Включите зажигание.
- В меню сканирующего прибора выбрать IMMOBILIZER DIAGNOSIS STATUS (СОСТОЯНИЕ ДИАГНОСТИКИ ИММОБИЛИЗАТОРА)
Установлена ли связь между сканирующим инструментом и блоком управления иммобилизатора. | - | Перейти к операции 3 | |
| 3 | - Выключите зажигание.
- Отсоединить разъемы интеллектуального коммутационного блока (ISU) и контроллера ЭСУД.
- Замерить сопротивление между клеммой A7 ISU и клеммой К76 контроллера ЭСУД.
Сопротивление в пределах установленного значения? | 0 Ом | Перейти к операции 5 | Перейти к операции 4 |
| 4 | Устранить обрыв цепи между клеммой A7 блока ISU и клеммой К76 контроллера ЭСУД. Закончен ли ремонт? | - | Перейти к операции 8 | - |
| 5 | Проверить клеммы блока ISU и контроллера ЭСУД на повреждения, при необходимости заменить. Закончен ли ремонт? | - | Перейти к операции 8 | Перейти к операции 6 |
| 6 | Заменить ISU. Закончен ли ремонт? | - | Перейти к операции 8 | Перейти к операции 7 |
| 7 | - Выключите зажигание.
- Заменить контроллер ЭСУД.
Закончен ли ремонт? | - | Перейти к операции 8 | - |
| 8 | - Используя сканирующий прибор, очистить диагностические коды неисправностей.
- Запустить двигатель и дать ему поработать на холостом ходу при нормальной рабочей температуре.
- Совершить поездку для установки кодов неисправности, как это указано во вспомогательном тексте.
Сканирующий прибор определяет эту диагностику как прошедшую и успешную? | - | Перейти к операции 9 | Перейти к операции 2 |
| 9 | Проверьте, не установлены ли дополнительные диагностические коды неисправности. Отображены ли диагностические коды неисправности, которые не были продиагностированы? | - | Перейти к соответствующей таблице диагностических кодов неисправности | Система в норме |
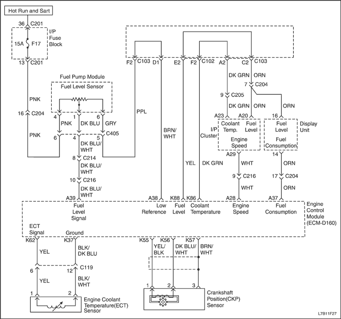
Диагностический код неисправности P1691
Выходная цепь датчика температуры охлаждающей жидкости (ECT)
Описание схемы
Датчик температуры охлаждающей жидкости напрямую управляется контроллером ЭСУД на основании информации, полученной от датчика температуры охлаждающей жидкости (ECT). При включенном зажигании напряжение аккумуляторной батареи поступает на контроллер ЭСУД с панели приборов (IPC), контроллер определяет отсутствие неисправности в цепи с помощью диагностического сигнала обратной связи.
Условия установки кода неисправности.
- Включено зажигание.
- Имеется обрыв, замыкание на массу или замыкание на напряжение аккумулятора в выходной цепи датчика температуры охлаждающей жидкости.
Действия, выполняемые при установке кода неисправности
- Контрольная лампа индикации неисправности не загорается.
- Контроллер записывает рабочие условия в момент определения неисправности. Эта информация сохраняется в буфере записей состояния и протоколах неисправностей.
Условия очистки кода неисправности/индикации неисправности
- Архивный диагностический код неисправности убирается после 40 циклов нагрева без сбоя.
- Диагностический код неисправности может быть очищен сканирующим прибором.
Диагностическая информация
Неустойчивая неисправность может быть вызвана слабым контактом, перетертой изоляции или обрывом проводки под изоляцией.
Любая цепь, подозреваемая на создание неустойчивой неисправности, должна быть тщательно проверена на следующие обстоятельства.
- Снятые клеммы
- Соединение клемм
- Неисправность замков
- Деформированность
- Повреждения клемм
- Слабое соединение клемм с проводами
- Физическое повреждение жгутов проводов
DTC P1691 - Выходная цепь датчика температуры охлаждающей жидкости (ECT)
| Шаг | Операция | Значения | Да | Нет |
| 1 | Провести проверку системы диагностики. Проверка системы завершена? | - | Перейти к операции 2 | |
| 2 | - Поверните замок зажигание в положение LOCK.
- Подключить сканирующий прибор к колодке диагностики.
- Поверните ключ зажигания в положение ON.
Какие-либо диагностические коды неисправности отображаются? | - | Перейти к операции 3 | Попробовать другой сканирующий инструмент инструмент |
| 3 | См. соответствующую таблицу диагностических кодов неисправности. Начать с диагностического кода неисправности с наименьшим числовым значением и переходить на код неисправности с большим числовым значением. Идентифицируется ли код неисправности как действительный код Р1691? | - | Перейти к операции 4 | Перейти к соответствующей таблице диагностических кодов неисправности |
| 4 | - Отсоединить разъем от панели приборов.
- Поверните замок зажигание в положение LOCK.
- Проверить на обрыв цепи или короткое замыкание на массу провод между клеммой K86 разъема контроллера ЭСУД и клеммой A23 разъема панели приборов.
| - | Перейти к операции 6 | Перейти к операции 5 |
| 5 | - Поверните замок зажигание в положение LOCK.
- Проверить на короткое замыкание на напряжение аккумулятора провод между клеммой K86 разъема контроллера ЭСУД и клеммой A23 разъема панели приборов.
Неисправность обнаружена? | - | Перейти к операции 6 | Перейти к операции 7 |
| 6 | Отремонтировать провод или клемму разъема, если необходимо. Закончен ли ремонт? | - | Перейти к операции 9 | - |
| 7 | Заменить блок. Закончена ли замена? | - | Перейти к операции 9 | - |
| 8 | Заменить контроллер ЭСУД. Замена закончена? | - | Перейти к операции 9 | - |
| 9 | - Используя сканирующий прибор, очистить диагностические коды неисправностей.
- Запустить двигатель и дать ему поработать на холостом ходу при нормальной рабочей температуре.
- Совершить поездку для установки кодов неисправности, как это указано во вспомогательном тексте.
Сканирующий прибор определяет эту диагностику как прошедшую и успешную? | - | Перейти к операции 10 | Перейти к операции 2 |
| 10 | Проверьте, не установлены ли дополнительные диагностические коды неисправности. Отображены ли диагностические коды неисправности, которые не были продиагностированы? | - | Перейти к соответствующей таблице диагностических кодов неисправности | Система в норме |
 | |  | |