Диагностический код неисправности P2300
Цепь управления катушкой зажигания 1, низкое напряжение
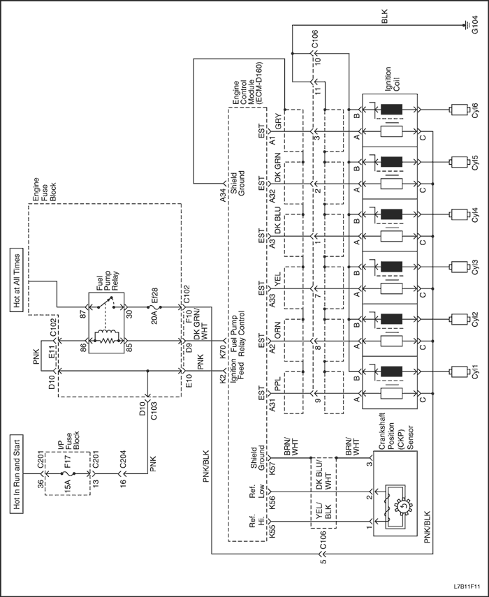
Описание схемы
Контроллер электронной системы управления двигателем (ЭСУД) служит источником заземления для электронной цепи угла опережения зажигания. Когда контроллер ЭСУД размыкает "массу" первичной катушки зажигания, магнитное поле катушки исчезает. Исчезновение магнитного поля вызывает появление напряжения во вторичной катушке, которая выдает разряд на свече зажигания.
Цепь между контроллером ЭСУД и катушкой электронной системы зажигания контролируется на наличие обрыва, замыкания на источник напряжения и замыкание на массу. Если контроллер ЭСУД обнаруживает неисправность в цепи электронной регулировки зажигания, устанавливается код неисправности.
Условия установки кода неисправности.
- Имеется обрыв цепи, короткое замыкание на массу или короткое замыкание на напряжение аккумулятора.
Действия, выполняемые при установке кода неисправности
- Контрольная лампа индикации неисправности загорается.
- Контроллер записывает рабочие условия в момент определения неисправности. Эта информация сохраняется в буфере записей состояния и протоколах неисправностей.
- Сохраняется архив диагностических кодов неисправности.
Условия очистки кода неисправности/индикации неисправности
- Лампа индикации неисправности выключается по окончании последующего цикла проверки, при котором диагностика выполняется без сбоя.
- Архивный диагностический код неисправности убирается после 40 циклов нагрева без сбоя.
- Диагностический код неисправности может быть очищен сканирующим прибором.
Диагностическая информация
Неустойчивая неисправность может быть вызвана слабым контактом, перетертой изоляции или обрывом проводки под изоляцией. Проверить:
- Слабое соединение - проверить жгут проводов контроллера ЭСУД и разъемы на слабый контакт, неисправность замков, деформированность или повреждения клемм и слабое соединение клемм с проводами.
- Повреждения жгутов - осмотреть жгут проводов на наличие повреждений. Если жгут проводов кажется исправным, отсоединить контроллер ЭСУД, включить зажигание и проследить за показаниями вольтметра в цепи опорного сигнала 58Х, перемещая разъемы и жгуты проводки, относящиеся к контроллеру ЭСУД. Изменения в уровне сигнала покажут место нахождения неисправности.
Просмотр протоколов неисправностей после последней неудавшейся диагностической проверки поможет определить, как часто происходило условие, вызывавшее установку диагностического кода неисправности. Это поможет продиагностировать условия.
DTC P2300 - Цепь управления катушкой зажигания 1, низкое напряжение
| Шаг | Операция | Значения | Да | Нет |
| 1 | Провести проверку системы диагностики. Проверка проведена? | - | Перейти к операции 2 | |
| 2 | Проверить, нет ли нарушения в соединении или повреждения клеммы а у катушки электронной системы зажигания, и при необходимости произвести ремонт. Закончен ли ремонт? | - | Перейти к операции 8 | Перейти к операции 3 |
| 3 | Проверить на неисправность соединения или повреждение клеммы A31 у контроллера ЭСУД, при необходимости отремонтировать. Закончен ли ремонт? | - | Перейти к операции 8 | Перейти к операции 4 |
| 4 | - Выключить зажигание.
- Отсоединить разъём контроллера ЭСУД.
- Проверить цепь управления зажиганием на замыкание на массу и устранить неисправность, если необходимо.
Закончен ли ремонт? | - | Перейти к операции 8 | Перейти к операции 5 |
| 5 | Проверить цепь управления зажиганием на отсутствие напряжения короткого замыкания на источник напряжения и устранить неисправность при необходимости. Закончен ли ремонт? | - | Перейти к операции 8 | Перейти к операции 6 |
| 6 | Проверить на обрыв цепь управления зажиганием и устранить неисправность при необходимости. Закончен ли ремонт? | - | Перейти к операции 8 | Перейти к операции 7 |
| 7 | - Выключите зажигание.
- Заменить контроллер ЭСУД.
Закончен ли ремонт? | - | Перейти к операции 8 | - |
| 8 | - Используя сканирующий прибор, очистить диагностические коды неисправностей.
- Запустить двигатель и дать ему поработать на холостом ходу при нормальной рабочей температуре.
- Совершить поездку для установки кодов неисправности, как это указано во вспомогательном тексте.
Сканирующий прибор определяет эту диагностику как прошедшую и успешную? | - | Перейти к операции 9 | Перейти к операции 2 |
| 9 | Проверьте, не установлены ли дополнительные диагностические коды неисправности. Отображены ли диагностические коды неисправности, которые не были продиагностированы? | - | Перейти к соответствующей таблице диагностических кодов неисправности | Система в норме |
Диагностический код неисправности P2301
Цепь управления катушкой зажигания 1, высокое напряжение
Описание схемы
Контроллер электронной системы управления двигателем (ЭСУД) служит источником заземления для электронной цепи угла опережения зажигания. Когда контроллер ЭСУД размыкает "массу" первичной катушки зажигания, магнитное поле катушки исчезает. Исчезновение магнитного поля вызывает появление напряжения во вторичной катушке, которая выдает разряд на свече зажигания.
Цепь между контроллером ЭСУД и катушкой электронной системы зажигания контролируется на наличие обрыва, замыкания на источник напряжения и замыкание на массу. Если контроллер ЭСУД обнаруживает неисправность в цепи электронной регулировки зажигания, устанавливается код неисправности.
Условия установки кода неисправности.
- Имеется обрыв цепи, короткое замыкание на массу или короткое замыкание на напряжение аккумулятора.
Действия, выполняемые при установке кода неисправности
- Контрольная лампа индикации неисправности загорается.
- Контроллер записывает рабочие условия в момент определения неисправности. Эта информация сохраняется в буфере записей состояния и протоколах неисправностей.
- Сохраняется архив диагностических кодов неисправности.
Условия очистки кода неисправности/индикации неисправности
- Лампа индикации неисправности выключается по окончании последующего цикла проверки, при котором диагностика выполняется без сбоя.
- Архивный диагностический код неисправности убирается после 40 циклов нагрева без сбоя.
- Диагностический код неисправности может быть очищен сканирующим прибором.
Диагностическая информация
Неустойчивая неисправность может быть вызвана слабым контактом, перетертой изоляции или обрывом проводки под изоляцией. Проверить:
- Слабое соединение - проверить жгут проводов контроллера ЭСУД и разъемы на слабый контакт, неисправность замков, деформированность или повреждения клемм и слабое соединение клемм с проводами.
- Повреждения жгутов - осмотреть жгут проводов на наличие повреждений. Если жгут проводов кажется исправным, отсоединить контроллер ЭСУД, включить зажигание и проследить за показаниями вольтметра в цепи опорного сигнала 58Х, перемещая разъемы и жгуты проводки, относящиеся к контроллеру ЭСУД. Изменения в уровне сигнала покажут место нахождения неисправности.
Просмотр протоколов неисправностей после последней неудавшейся диагностической проверки поможет определить, как часто происходило условие, вызывавшее установку диагностического кода неисправности. Это поможет продиагностировать условия.
DTC P2301 - Цепь управления катушкой зажигания 1, высокое напряжение
| Шаг | Операция | Значения | Да | Нет |
| 1 | Провести проверку системы диагностики. Проверка проведена? | - | Перейти к операции 2 | |
| 2 | Проверить, нет ли нарушения в соединении или повреждения клеммы а у катушки электронной системы зажигания, и при необходимости произвести ремонт. Закончен ли ремонт? | - | Перейти к операции 8 | Перейти к операции 3 |
| 3 | Проверить на неисправность соединения или повреждение клеммы A31 у контроллера ЭСУД, при необходимости отремонтировать. Закончен ли ремонт? | - | Перейти к операции 8 | Перейти к операции 4 |
| 4 | - Выключить зажигание.
- Отсоединить разъём контроллера ЭСУД.
- Проверить цепь управления зажиганием на замыкание на массу и устранить неисправность, если необходимо.
Закончен ли ремонт? | - | Перейти к операции 8 | Перейти к операции 5 |
| 5 | Проверить цепь управления зажиганием на отсутствие напряжения короткого замыкания на источник напряжения и устранить неисправность при необходимости. Закончен ли ремонт? | - | Перейти к операции 8 | Перейти к операции 6 |
| 6 | Проверить на обрыв цепь управления зажиганием и устранить неисправность при необходимости. Закончен ли ремонт? | - | Перейти к операции 8 | Перейти к операции 7 |
| 7 | - Выключите зажигание.
- Заменить контроллер ЭСУД.
Закончен ли ремонт? | - | Перейти к операции 8 | - |
| 8 | - Используя сканирующий прибор, очистить диагностические коды неисправностей.
- Запустить двигатель и дать ему поработать на холостом ходу при нормальной рабочей температуре.
- Совершить поездку для установки кодов неисправности, как это указано во вспомогательном тексте.
Сканирующий прибор определяет эту диагностику как прошедшую и успешную? | - | Перейти к операции 9 | Перейти к операции 2 |
| 9 | Проверьте, не установлены ли дополнительные диагностические коды неисправности. Отображены ли диагностические коды неисправности, которые не были продиагностированы? | - | Перейти к соответствующей таблице диагностических кодов неисправности | Система в норме |
Диагностический код неисправности P2303
Цепь управления катушкой зажигания 2, низкое напряжение
Описание схемы
Контроллер электронной системы управления двигателем (ЭСУД) служит источником заземления для электронной цепи угла опережения зажигания. Когда контроллер ЭСУД размыкает "массу" первичной катушки зажигания, магнитное поле катушки исчезает. Исчезновение магнитного поля вызывает появление напряжения во вторичной катушке, которая выдает разряд на свече зажигания.
Цепь между контроллером ЭСУД и катушкой электронной системы зажигания контролируется на наличие обрыва, замыкания на источник напряжения и замыкание на массу. Если контроллер ЭСУД обнаруживает неисправность в цепи электронной регулировки зажигания, устанавливается код неисправности.
Условия установки кода неисправности.
- Имеется обрыв цепи, короткое замыкание на массу или короткое замыкание на напряжение аккумулятора.
Действия, выполняемые при установке кода неисправности
- Контрольная лампа индикации неисправности загорается.
- Контроллер записывает рабочие условия в момент определения неисправности. Эта информация сохраняется в буфере записей состояния и протоколах неисправностей.
- Сохраняется архив диагностических кодов неисправности.
Условия очистки кода неисправности/индикации неисправности
- Лампа индикации неисправности выключается по окончании последующего цикла проверки, при котором диагностика выполняется без сбоя.
- Архивный диагностический код неисправности убирается после 40 циклов нагрева без сбоя.
- Диагностический код неисправности может быть очищен сканирующим прибором.
Диагностическая информация
Неустойчивая неисправность может быть вызвана слабым контактом, перетертой изоляции или обрывом проводки под изоляцией. Проверить:
- Слабое соединение - проверить жгут проводов контроллера ЭСУД и разъемы на слабый контакт, неисправность замков, деформированность или повреждения клемм и слабое соединение клемм с проводами.
- Повреждения жгутов - осмотреть жгут проводов на наличие повреждений. Если жгут проводов кажется исправным, отсоединить контроллер ЭСУД, включить зажигание и проследить за показаниями вольтметра в цепи опорного сигнала 58Х, перемещая разъемы и жгуты проводки, относящиеся к контроллеру ЭСУД. Изменения в уровне сигнала покажут место нахождения неисправности.
Просмотр протоколов неисправностей после последней неудавшейся диагностической проверки поможет определить, как часто происходило условие, вызывавшее установку диагностического кода неисправности. Это поможет продиагностировать условия.
DTC P2303 - Цепь управления катушкой зажигания 2, низкое напряжение
| Шаг | Операция | Значения | Да | Нет |
| 1 | Провести проверку системы диагностики. Проверка проведена? | - | Перейти к операции 2 | |
| 2 | Проверить, нет ли нарушения в соединении или повреждения клеммы а у катушки электронной системы зажигания, и при необходимости произвести ремонт. Закончен ли ремонт? | - | Перейти к операции 8 | Перейти к операции 3 |
| 3 | Проверить на неисправность соединения или повреждение клеммы A2 у контроллера ЭСУД, при необходимости отремонтировать. Закончен ли ремонт? | - | Перейти к операции 8 | Перейти к операции 4 |
| 4 | - Выключить зажигание.
- Отсоединить разъём контроллера ЭСУД.
- Проверить цепь управления зажиганием на замыкание на массу и устранить неисправность, если необходимо.
Закончен ли ремонт? | - | Перейти к операции 8 | Перейти к операции 5 |
| 5 | Проверить цепь управления зажиганием на отсутствие напряжения короткого замыкания на источник напряжения и устранить неисправность при необходимости. Закончен ли ремонт? | - | Перейти к операции 8 | Перейти к операции 6 |
| 6 | Проверить на обрыв цепь управления зажиганием и устранить неисправность при необходимости. Закончен ли ремонт? | - | Перейти к операции 8 | Перейти к операции 7 |
| 7 | - Выключите зажигание.
- Заменить контроллер ЭСУД.
Закончен ли ремонт? | - | Перейти к операции 8 | - |
| 8 | - Используя сканирующий прибор, очистить диагностические коды неисправностей.
- Запустить двигатель и дать ему поработать на холостом ходу при нормальной рабочей температуре.
- Совершить поездку для установки кодов неисправности, как это указано во вспомогательном тексте.
Сканирующий прибор определяет эту диагностику как прошедшую и успешную? | - | Перейти к операции 9 | Перейти к операции 2 |
| 9 | Проверьте, не установлены ли дополнительные диагностические коды неисправности. Отображены ли диагностические коды неисправности, которые не были продиагностированы? | - | Перейти к соответствующей таблице диагностических кодов неисправности | Система в норме |
Диагностический код неисправности P2304
Цепь управления катушкой зажигания 2, высокое напряжение
Описание схемы
Контроллер электронной системы управления двигателем (ЭСУД) служит источником заземления для электронной цепи угла опережения зажигания. Когда контроллер ЭСУД размыкает "массу" первичной катушки зажигания, магнитное поле катушки исчезает. Исчезновение магнитного поля вызывает появление напряжения во вторичной катушке, которая выдает разряд на свече зажигания.
Цепь между контроллером ЭСУД и катушкой электронной системы зажигания контролируется на наличие обрыва, замыкания на источник напряжения и замыкание на массу. Если контроллер ЭСУД обнаруживает неисправность в цепи электронной регулировки зажигания, устанавливается код неисправности.
Условия установки кода неисправности.
- Имеется обрыв цепи, короткое замыкание на массу или короткое замыкание на напряжение аккумулятора.
Действия, выполняемые при установке кода неисправности
- Контрольная лампа индикации неисправности загорается.
- Контроллер записывает рабочие условия в момент определения неисправности. Эта информация сохраняется в буфере записей состояния и протоколах неисправностей.
- Сохраняется архив диагностических кодов неисправности.
Условия очистки кода неисправности/индикации неисправности
- Лампа индикации неисправности выключается по окончании последующего цикла проверки, при котором диагностика выполняется без сбоя.
- Архивный диагностический код неисправности убирается после 40 циклов нагрева без сбоя.
- Диагностический код неисправности может быть очищен сканирующим прибором.
Диагностическая информация
Неустойчивая неисправность может быть вызвана слабым контактом, перетертой изоляции или обрывом проводки под изоляцией. Проверить:
- Слабое соединение - проверить жгут проводов контроллера ЭСУД и разъемы на слабый контакт, неисправность замков, деформированность или повреждения клемм и слабое соединение клемм с проводами.
- Повреждения жгутов - осмотреть жгут проводов на наличие повреждений. Если жгут проводов кажется исправным, отсоединить контроллер ЭСУД, включить зажигание и проследить за показаниями вольтметра в цепи опорного сигнала 58Х, перемещая разъемы и жгуты проводки, относящиеся к контроллеру ЭСУД. Изменения в уровне сигнала покажут место нахождения неисправности.
Просмотр протоколов неисправностей после последней неудавшейся диагностической проверки поможет определить, как часто происходило условие, вызывавшее установку диагностического кода неисправности. Это поможет продиагностировать условия.
DTC P2304 - Цепь управления катушкой зажигания 2, высокое напряжение
| Шаг | Операция | Значения | Да | Нет |
| 1 | Провести проверку системы диагностики. Проверка проведена? | - | Перейти к операции 2 | |
| 2 | Проверить, нет ли нарушения в соединении или повреждения клеммы а у катушки электронной системы зажигания, и при необходимости произвести ремонт. Закончен ли ремонт? | - | Перейти к операции 8 | Перейти к операции 3 |
| 3 | Проверить на неисправность соединения или повреждение клеммы A2 у контроллера ЭСУД, при необходимости отремонтировать. Закончен ли ремонт? | - | Перейти к операции 8 | Перейти к операции 4 |
| 4 | - Выключить зажигание.
- Отсоединить разъём контроллера ЭСУД.
- Проверить цепь управления зажиганием на замыкание на массу и устранить неисправность, если необходимо.
Закончен ли ремонт? | - | Перейти к операции 8 | Перейти к операции 5 |
| 5 | Проверить цепь управления зажиганием на отсутствие напряжения короткого замыкания на источник напряжения и устранить неисправность при необходимости. Закончен ли ремонт? | - | Перейти к операции 8 | Перейти к операции 6 |
| 6 | Проверить на обрыв цепь управления зажиганием и устранить неисправность при необходимости. Закончен ли ремонт? | - | Перейти к операции 8 | Перейти к операции 7 |
| 7 | - Выключите зажигание.
- Заменить контроллер ЭСУД.
Закончен ли ремонт? | - | Перейти к операции 8 | - |
| 8 | - Используя сканирующий прибор, очистить диагностические коды неисправностей.
- Запустить двигатель и дать ему поработать на холостом ходу при нормальной рабочей температуре.
- Совершить поездку для установки кодов неисправности, как это указано во вспомогательном тексте.
Сканирующий прибор определяет эту диагностику как прошедшую и успешную? | - | Перейти к операции 9 | Перейти к операции 2 |
| 9 | Проверьте, не установлены ли дополнительные диагностические коды неисправности. Отображены ли диагностические коды неисправности, которые не были продиагностированы? | - | Перейти к соответствующей таблице диагностических кодов неисправности | Система в норме |
Диагностический код неисправности P2306
Цепь управления катушкой зажигания 3, низкое напряжение
Описание схемы
Контроллер электронной системы управления двигателем (ЭСУД) служит источником заземления для электронной цепи угла опережения зажигания. Когда контроллер ЭСУД размыкает "массу" первичной катушки зажигания, магнитное поле катушки исчезает. Исчезновение магнитного поля вызывает появление напряжения во вторичной катушке, которая выдает разряд на свече зажигания.
Цепь между контроллером ЭСУД и катушкой электронной системы зажигания контролируется на наличие обрыва, замыкания на источник напряжения и замыкание на массу. Если контроллер ЭСУД обнаруживает неисправность в цепи электронной регулировки зажигания, устанавливается код неисправности.
Условия установки кода неисправности.
- Имеется обрыв цепи, короткое замыкание на массу или короткое замыкание на напряжение аккумулятора.
Действия, выполняемые при установке кода неисправности
- Контрольная лампа индикации неисправности загорается.
- Контроллер записывает рабочие условия в момент определения неисправности. Эта информация сохраняется в буфере записей состояния и протоколах неисправностей.
- Сохраняется архив диагностических кодов неисправности.
Условия очистки кода неисправности/индикации неисправности
- Лампа индикации неисправности выключается по окончании последующего цикла проверки, при котором диагностика выполняется без сбоя.
- Архивный диагностический код неисправности убирается после 40 циклов нагрева без сбоя.
- Диагностический код неисправности может быть очищен сканирующим прибором.
Диагностическая информация
Неустойчивая неисправность может быть вызвана слабым контактом, перетертой изоляции или обрывом проводки под изоляцией. Проверить:
- Слабое соединение - проверить жгут проводов контроллера ЭСУД и разъемы на слабый контакт, неисправность замков, деформированность или повреждения клемм и слабое соединение клемм с проводами.
- Повреждения жгутов - осмотреть жгут проводов на наличие повреждений. Если жгут проводов кажется исправным, отсоединить контроллер ЭСУД, включить зажигание и проследить за показаниями вольтметра в цепи опорного сигнала 58Х, перемещая разъемы и жгуты проводки, относящиеся к контроллеру ЭСУД. Изменения в уровне сигнала покажут место нахождения неисправности.
Просмотр протоколов неисправностей после последней неудавшейся диагностической проверки поможет определить, как часто происходило условие, вызывавшее установку диагностического кода неисправности. Это поможет продиагностировать условия.
DTC P02306 - Цепь управления катушкой зажигания 3, низкое напряжение
| Шаг | Операция | Значения | Да | Нет |
| 1 | Провести проверку системы диагностики. Проверка проведена? | - | Перейти к операции 2 | |
| 2 | Проверить, нет ли нарушения в соединении или повреждения клеммы а у катушки электронной системы зажигания, и при необходимости произвести ремонт. Закончен ли ремонт? | - | Перейти к операции 8 | Перейти к операции 3 |
| 3 | Проверить на неисправность соединения или повреждение клеммы A33 у контроллера ЭСУД, при необходимости отремонтировать. Закончен ли ремонт? | - | Перейти к операции 8 | Перейти к операции 4 |
| 4 | - Выключить зажигание.
- Отсоединить разъём контроллера ЭСУД.
- Проверить цепь управления зажиганием на замыкание на массу и устранить неисправность, если необходимо.
Закончен ли ремонт? | - | Перейти к операции 8 | Перейти к операции 5 |
| 5 | Проверить цепь управления зажиганием на отсутствие напряжения короткого замыкания на источник напряжения и устранить неисправность при необходимости. Закончен ли ремонт? | - | Перейти к операции 8 | Перейти к операции 6 |
| 6 | Проверить на обрыв цепь управления зажиганием и устранить неисправность при необходимости. Закончен ли ремонт? | - | Перейти к операции 8 | Перейти к операции 7 |
| 7 | - Выключите зажигание.
- Заменить контроллер ЭСУД.
Закончен ли ремонт? | - | Перейти к операции 8 | - |
| 8 | - Используя сканирующий прибор, очистить диагностические коды неисправностей.
- Запустить двигатель и дать ему поработать на холостом ходу при нормальной рабочей температуре.
- Совершить поездку для установки кодов неисправности, как это указано во вспомогательном тексте.
Сканирующий прибор определяет эту диагностику как прошедшую и успешную? | - | Перейти к операции 9 | Перейти к операции 2 |
| 9 | Проверьте, не установлены ли дополнительные диагностические коды неисправности. Отображены ли диагностические коды неисправности, которые не были продиагностированы? | - | Перейти к соответствующей таблице диагностических кодов неисправности | Система в норме |
Диагностический код неисправности P2307
Цепь управления катушкой зажигания 3, высокое напряжение
Описание схемы
Контроллер электронной системы управления двигателем (ЭСУД) служит источником заземления для электронной цепи угла опережения зажигания. Когда контроллер ЭСУД размыкает "массу" первичной катушки зажигания, магнитное поле катушки исчезает. Исчезновение магнитного поля вызывает появление напряжения во вторичной катушке, которая выдает разряд на свече зажигания.
Цепь между контроллером ЭСУД и катушкой электронной системы зажигания контролируется на наличие обрыва, замыкания на источник напряжения и замыкание на массу. Если контроллер ЭСУД обнаруживает неисправность в цепи электронной регулировки зажигания, устанавливается код неисправности.
Условия установки кода неисправности.
- Имеется обрыв цепи, короткое замыкание на массу или короткое замыкание на напряжение аккумулятора.
Действия, выполняемые при установке кода неисправности
- Контрольная лампа индикации неисправности загорается.
- Контроллер записывает рабочие условия в момент определения неисправности. Эта информация сохраняется в буфере записей состояния и протоколах неисправностей.
- Сохраняется архив диагностических кодов неисправности.
Условия очистки кода неисправности/индикации неисправности
- Лампа индикации неисправности выключается по окончании последующего цикла проверки, при котором диагностика выполняется без сбоя.
- Архивный диагностический код неисправности убирается после 40 циклов нагрева без сбоя.
- Диагностический код неисправности может быть очищен сканирующим прибором.
Диагностическая информация
Неустойчивая неисправность может быть вызвана слабым контактом, перетертой изоляции или обрывом проводки под изоляцией. Проверить:
- Слабое соединение - проверить жгут проводов контроллера ЭСУД и разъемы на слабый контакт, неисправность замков, деформированность или повреждения клемм и слабое соединение клемм с проводами.
- Повреждения жгутов - осмотреть жгут проводов на наличие повреждений. Если жгут проводов кажется исправным, отсоединить контроллер ЭСУД, включить зажигание и проследить за показаниями вольтметра в цепи опорного сигнала 58Х, перемещая разъемы и жгуты проводки, относящиеся к контроллеру ЭСУД. Изменения в уровне сигнала покажут место нахождения неисправности.
Просмотр протоколов неисправностей после последней неудавшейся диагностической проверки поможет определить, как часто происходило условие, вызывавшее установку диагностического кода неисправности. Это поможет продиагностировать условия.
DTC P02307 - Цепь управления катушкой зажигания 3, высокое напряжение
| Шаг | Операция | Значения | Да | Нет |
| 1 | Провести проверку системы диагностики. Проверка проведена? | - | Перейти к операции 2 | |
| 2 | Проверить, нет ли нарушения в соединении или повреждения клеммы а у катушки электронной системы зажигания, и при необходимости произвести ремонт. Закончен ли ремонт? | - | Перейти к операции 8 | Перейти к операции 3 |
| 3 | Проверить на неисправность соединения или повреждение клеммы A33 у контроллера ЭСУД, при необходимости отремонтировать. Закончен ли ремонт? | - | Перейти к операции 8 | Перейти к операции 4 |
| 4 | - Выключить зажигание.
- Отсоединить разъём контроллера ЭСУД.
- Проверить цепь управления зажиганием на замыкание на массу и устранить неисправность, если необходимо.
Закончен ли ремонт? | - | Перейти к операции 8 | Перейти к операции 5 |
| 5 | Проверить цепь управления зажиганием на отсутствие напряжения короткого замыкания на источник напряжения и устранить неисправность при необходимости. Закончен ли ремонт? | - | Перейти к операции 8 | Перейти к операции 6 |
| 6 | Проверить на обрыв цепь управления зажиганием и устранить неисправность при необходимости. Закончен ли ремонт? | - | Перейти к операции 8 | Перейти к операции 7 |
| 7 | - Выключите зажигание.
- Заменить контроллер ЭСУД.
Закончен ли ремонт? | - | Перейти к операции 8 | - |
| 8 | - Используя сканирующий прибор, очистить диагностические коды неисправностей.
- Запустить двигатель и дать ему поработать на холостом ходу при нормальной рабочей температуре.
- Совершить поездку для установки кодов неисправности, как это указано во вспомогательном тексте.
Сканирующий прибор определяет эту диагностику как прошедшую и успешную? | - | Перейти к операции 9 | Перейти к операции 2 |
| 9 | Проверьте, не установлены ли дополнительные диагностические коды неисправности. Отображены ли диагностические коды неисправности, которые не были продиагностированы? | - | Перейти к соответствующей таблице диагностических кодов неисправности | Система в норме |
Диагностический код неисправности P2309
Цепь управления катушкой зажигания 4, низкое напряжение
Описание схемы
Контроллер электронной системы управления двигателем (ЭСУД) служит источником заземления для электронной цепи угла опережения зажигания. Когда контроллер ЭСУД размыкает "массу" первичной катушки зажигания, магнитное поле катушки исчезает. Исчезновение магнитного поля вызывает появление напряжения во вторичной катушке, которая выдает разряд на свече зажигания.
Цепь между контроллером ЭСУД и катушкой электронной системы зажигания контролируется на наличие обрыва, замыкания на источник напряжения и замыкание на массу. Если контроллер ЭСУД обнаруживает неисправность в цепи электронной регулировки зажигания, устанавливается код неисправности.
Условия установки кода неисправности.
- Имеется обрыв цепи, короткое замыкание на массу или короткое замыкание на напряжение аккумулятора.
Действия, выполняемые при установке кода неисправности
- Контрольная лампа индикации неисправности загорается.
- Контроллер записывает рабочие условия в момент определения неисправности. Эта информация сохраняется в буфере записей состояния и протоколах неисправностей.
- Сохраняется архив диагностических кодов неисправности.
Условия очистки кода неисправности/индикации неисправности
- Лампа индикации неисправности выключается по окончании последующего цикла проверки, при котором диагностика выполняется без сбоя.
- Архивный диагностический код неисправности убирается после 40 циклов нагрева без сбоя.
- Диагностический код неисправности может быть очищен сканирующим прибором.
Диагностическая информация
Неустойчивая неисправность может быть вызвана слабым контактом, перетертой изоляции или обрывом проводки под изоляцией. Проверить:
- Слабое соединение - проверить жгут проводов контроллера ЭСУД и разъемы на слабый контакт, неисправность замков, деформированность или повреждения клемм и слабое соединение клемм с проводами.
- Повреждения жгутов - осмотреть жгут проводов на наличие повреждений. Если жгут проводов кажется исправным, отсоединить контроллер ЭСУД, включить зажигание и проследить за показаниями вольтметра в цепи опорного сигнала 58Х, перемещая разъемы и жгуты проводки, относящиеся к контроллеру ЭСУД. Изменения в уровне сигнала покажут место нахождения неисправности.
Просмотр протоколов неисправностей после последней неудавшейся диагностической проверки поможет определить, как часто происходило условие, вызывавшее установку диагностического кода неисправности. Это поможет продиагностировать условия.
DTC P2309 - Цепь управления катушкой зажигания 4, низкое напряжение
| Шаг | Операция | Значения | Да | Нет |
| 1 | Провести проверку системы диагностики. Проверка проведена? | - | Перейти к операции 2 | |
| 2 | Проверить, нет ли нарушения в соединении или повреждения клеммы а у катушки электронной системы зажигания, и при необходимости произвести ремонт. Закончен ли ремонт? | - | Перейти к операции 8 | Перейти к операции 3 |
| 3 | Проверить на неисправность соединения или повреждение клеммы A3 у контроллера ЭСУД, при необходимости отремонтировать. Закончен ли ремонт? | - | Перейти к операции 8 | Перейти к операции 4 |
| 4 | - Выключить зажигание.
- Отсоединить разъём контроллера ЭСУД.
- Проверить цепь управления зажиганием на замыкание на массу и устранить неисправность, если необходимо.
Закончен ли ремонт? | - | Перейти к операции 8 | Перейти к операции 5 |
| 5 | Проверить цепь управления зажиганием на отсутствие напряжения короткого замыкания на источник напряжения и устранить неисправность при необходимости. Закончен ли ремонт? | - | Перейти к операции 8 | Перейти к операции 6 |
| 6 | Проверить на обрыв цепь управления зажиганием и устранить неисправность при необходимости. Закончен ли ремонт? | - | Перейти к операции 8 | Перейти к операции 7 |
| 7 | - Выключите зажигание.
- Заменить контроллер ЭСУД.
Закончен ли ремонт? | - | Перейти к операции 8 | - |
| 8 | - Используя сканирующий прибор, очистить диагностические коды неисправностей.
- Запустить двигатель и дать ему поработать на холостом ходу при нормальной рабочей температуре.
- Совершить поездку для установки кодов неисправности, как это указано во вспомогательном тексте.
Сканирующий прибор определяет эту диагностику как прошедшую и успешную? | - | Перейти к операции 9 | Перейти к операции 2 |
| 9 | Проверьте, не установлены ли дополнительные диагностические коды неисправности. Отображены ли диагностические коды неисправности, которые не были продиагностированы? | - | Перейти к соответствующей таблице диагностических кодов неисправности | Система в норме |
Диагностический код неисправности P2310
Цепь управления катушкой зажигания 4, высокое напряжение
Описание схемы
Контроллер электронной системы управления двигателем (ЭСУД) служит источником заземления для электронной цепи угла опережения зажигания. Когда контроллер ЭСУД размыкает "массу" первичной катушки зажигания, магнитное поле катушки исчезает. Исчезновение магнитного поля вызывает появление напряжения во вторичной катушке, которая выдает разряд на свече зажигания.
Цепь между контроллером ЭСУД и катушкой электронной системы зажигания контролируется на наличие обрыва, замыкания на источник напряжения и замыкание на массу. Если контроллер ЭСУД обнаруживает неисправность в цепи электронной регулировки зажигания, устанавливается код неисправности.
Условия установки кода неисправности.
- Имеется обрыв цепи, короткое замыкание на массу или короткое замыкание на напряжение аккумулятора.
Действия, выполняемые при установке кода неисправности
- Контрольная лампа индикации неисправности загорается.
- Контроллер записывает рабочие условия в момент определения неисправности. Эта информация сохраняется в буфере записей состояния и протоколах неисправностей.
- Сохраняется архив диагностических кодов неисправности.
Условия очистки кода неисправности/индикации неисправности
- Лампа индикации неисправности выключается по окончании последующего цикла проверки, при котором диагностика выполняется без сбоя.
- Архивный диагностический код неисправности убирается после 40 циклов нагрева без сбоя.
- Диагностический код неисправности может быть очищен сканирующим прибором.
Диагностическая информация
Неустойчивая неисправность может быть вызвана слабым контактом, перетертой изоляции или обрывом проводки под изоляцией. Проверить:
- Слабое соединение - проверить жгут проводов контроллера ЭСУД и разъемы на слабый контакт, неисправность замков, деформированность или повреждения клемм и слабое соединение клемм с проводами.
- Повреждения жгутов - осмотреть жгут проводов на наличие повреждений. Если жгут проводов кажется исправным, отсоединить контроллер ЭСУД, включить зажигание и проследить за показаниями вольтметра в цепи опорного сигнала 58Х, перемещая разъемы и жгуты проводки, относящиеся к контроллеру ЭСУД. Изменения в уровне сигнала покажут место нахождения неисправности.
Просмотр протоколов неисправностей после последней неудавшейся диагностической проверки поможет определить, как часто происходило условие, вызывавшее установку диагностического кода неисправности. Это поможет продиагностировать условия.
DTC P2310 - Цепь управления катушкой зажигания 4, высокое напряжение
| Шаг | Операция | Значения | Да | Нет |
| 1 | Провести проверку системы диагностики. Проверка проведена? | - | Перейти к операции 2 | |
| 2 | Проверить, нет ли нарушения в соединении или повреждения клеммы а у катушки электронной системы зажигания, и при необходимости произвести ремонт. Закончен ли ремонт? | - | Перейти к операции 8 | Перейти к операции 3 |
| 3 | Проверить на неисправность соединения или повреждение клеммы A3 у контроллера ЭСУД, при необходимости отремонтировать. Закончен ли ремонт? | - | Перейти к операции 8 | Перейти к операции 4 |
| 4 | - Выключить зажигание.
- Отсоединить разъём контроллера ЭСУД.
- Проверить цепь управления зажиганием на замыкание на массу и устранить неисправность, если необходимо.
Закончен ли ремонт? | - | Перейти к операции 8 | Перейти к операции 5 |
| 5 | Проверить цепь управления зажиганием на отсутствие напряжения короткого замыкания на источник напряжения и устранить неисправность при необходимости. Закончен ли ремонт? | - | Перейти к операции 8 | Перейти к операции 6 |
| 6 | Проверить на обрыв цепь управления зажиганием и устранить неисправность при необходимости. Закончен ли ремонт? | - | Перейти к операции 8 | Перейти к операции 7 |
| 7 | - Выключите зажигание.
- Заменить контроллер ЭСУД.
Закончен ли ремонт? | - | Перейти к операции 8 | - |
| 8 | - Используя сканирующий прибор, очистить диагностические коды неисправностей.
- Запустить двигатель и дать ему поработать на холостом ходу при нормальной рабочей температуре.
- Совершить поездку для установки кодов неисправности, как это указано во вспомогательном тексте.
Сканирующий прибор определяет эту диагностику как прошедшую и успешную? | - | Перейти к операции 9 | Перейти к операции 2 |
| 9 | Проверьте, не установлены ли дополнительные диагностические коды неисправности. Отображены ли диагностические коды неисправности, которые не были продиагностированы? | - | Перейти к соответствующей таблице диагностических кодов неисправности | Система в норме |
Диагностический код неисправности P2312
Цепь управления катушкой зажигания 5, низкое напряжение
Описание схемы
Контроллер электронной системы управления двигателем (ЭСУД) служит источником заземления для электронной цепи угла опережения зажигания. Когда контроллер ЭСУД размыкает "массу" первичной катушки зажигания, магнитное поле катушки исчезает. Исчезновение магнитного поля вызывает появление напряжения во вторичной катушке, которая выдает разряд на свече зажигания.
Цепь между контроллером ЭСУД и катушкой электронной системы зажигания контролируется на наличие обрыва, замыкания на источник напряжения и замыкание на массу. Если контроллер ЭСУД обнаруживает неисправность в цепи электронной регулировки зажигания, устанавливается код неисправности.
Условия установки кода неисправности.
- Имеется обрыв цепи, короткое замыкание на массу или короткое замыкание на напряжение аккумулятора.
Действия, выполняемые при установке кода неисправности
- Контрольная лампа индикации неисправности загорается.
- Контроллер записывает рабочие условия в момент определения неисправности. Эта информация сохраняется в буфере записей состояния и протоколах неисправностей.
- Сохраняется архив диагностических кодов неисправности.
Условия очистки кода неисправности/индикации неисправности
- Лампа индикации неисправности выключается по окончании последующего цикла проверки, при котором диагностика выполняется без сбоя.
- Архивный диагностический код неисправности убирается после 40 циклов нагрева без сбоя.
- Диагностический код неисправности может быть очищен сканирующим прибором.
Диагностическая информация
Неустойчивая неисправность может быть вызвана слабым контактом, перетертой изоляции или обрывом проводки под изоляцией. Проверить:
- Слабое соединение - проверить жгут проводов контроллера ЭСУД и разъемы на слабый контакт, неисправность замков, деформированность или повреждения клемм и слабое соединение клемм с проводами.
- Повреждения жгутов - осмотреть жгут проводов на наличие повреждений. Если жгут проводов кажется исправным, отсоединить контроллер ЭСУД, включить зажигание и проследить за показаниями вольтметра в цепи опорного сигнала 58Х, перемещая разъемы и жгуты проводки, относящиеся к контроллеру ЭСУД. Изменения в уровне сигнала покажут место нахождения неисправности.
Просмотр протоколов неисправностей после последней неудавшейся диагностической проверки поможет определить, как часто происходило условие, вызывавшее установку диагностического кода неисправности. Это поможет продиагностировать условия.
DTC P2312 - Цепь управления катушкой зажигания 5, низкое напряжение
| Шаг | Операция | Значения | Да | Нет |
| 1 | Провести проверку системы диагностики. Проверка проведена? | - | Перейти к операции 2 | |
| 2 | Проверить, нет ли нарушения в соединении или повреждения клеммы а у катушки электронной системы зажигания, и при необходимости произвести ремонт. Закончен ли ремонт? | - | Перейти к операции 8 | Перейти к операции 3 |
| 3 | Проверить на неисправность соединения или повреждение клеммы A32 у контроллера ЭСУД, при необходимости отремонтировать. Закончен ли ремонт? | - | Перейти к операции 8 | Перейти к операции 4 |
| 4 | - Выключить зажигание.
- Отсоединить разъём контроллера ЭСУД.
- Проверить цепь управления зажиганием на замыкание на массу и устранить неисправность, если необходимо.
Закончен ли ремонт? | - | Перейти к операции 8 | Перейти к операции 5 |
| 5 | Проверить цепь управления зажиганием на отсутствие напряжения короткого замыкания на источник напряжения и устранить неисправность при необходимости. Закончен ли ремонт? | - | Перейти к операции 8 | Перейти к операции 6 |
| 6 | Проверить на обрыв цепь управления зажиганием и устранить неисправность при необходимости. Закончен ли ремонт? | - | Перейти к операции 8 | Перейти к операции 7 |
| 7 | - Выключите зажигание.
- Заменить контроллер ЭСУД.
Закончен ли ремонт? | - | Перейти к операции 8 | - |
| 8 | - Используя сканирующий прибор, очистить диагностические коды неисправностей.
- Запустить двигатель и дать ему поработать на холостом ходу при нормальной рабочей температуре.
- Совершить поездку для установки кодов неисправности, как это указано во вспомогательном тексте.
Сканирующий прибор определяет эту диагностику как прошедшую и успешную? | - | Перейти к операции 9 | Перейти к операции 2 |
| 9 | Проверьте, не установлены ли дополнительные диагностические коды неисправности. Отображены ли диагностические коды неисправности, которые не были продиагностированы? | - | Перейти к соответствующей таблице диагностических кодов неисправности | Система в норме |
Диагностический код неисправности P2313
Цепь управления катушкой зажигания 5, высокое напряжение
Описание схемы
Контроллер электронной системы управления двигателем (ЭСУД) служит источником заземления для электронной цепи угла опережения зажигания. Когда контроллер ЭСУД размыкает "массу" первичной катушки зажигания, магнитное поле катушки исчезает. Исчезновение магнитного поля вызывает появление напряжения во вторичной катушке, которая выдает разряд на свече зажигания.
Цепь между контроллером ЭСУД и катушкой электронной системы зажигания контролируется на наличие обрыва, замыкания на источник напряжения и замыкание на массу. Если контроллер ЭСУД обнаруживает неисправность в цепи электронной регулировки зажигания, устанавливается код неисправности.
Условия установки кода неисправности.
- Имеется обрыв цепи, короткое замыкание на массу или короткое замыкание на напряжение аккумулятора.
Действия, выполняемые при установке кода неисправности
- Контрольная лампа индикации неисправности загорается.
- Контроллер записывает рабочие условия в момент определения неисправности. Эта информация сохраняется в буфере записей состояния и протоколах неисправностей.
- Сохраняется архив диагностических кодов неисправности.
Условия очистки кода неисправности/индикации неисправности
- Лампа индикации неисправности выключается по окончании последующего цикла проверки, при котором диагностика выполняется без сбоя.
- Архивный диагностический код неисправности убирается после 40 циклов нагрева без сбоя.
- Диагностический код неисправности может быть очищен сканирующим прибором.
Диагностическая информация
Неустойчивая неисправность может быть вызвана слабым контактом, перетертой изоляции или обрывом проводки под изоляцией. Проверить:
- Слабое соединение - проверить жгут проводов контроллера ЭСУД и разъемы на слабый контакт, неисправность замков, деформированность или повреждения клемм и слабое соединение клемм с проводами.
- Повреждения жгутов - осмотреть жгут проводов на наличие повреждений. Если жгут проводов кажется исправным, отсоединить контроллер ЭСУД, включить зажигание и проследить за показаниями вольтметра в цепи опорного сигнала 58Х, перемещая разъемы и жгуты проводки, относящиеся к контроллеру ЭСУД. Изменения в уровне сигнала покажут место нахождения неисправности.
Просмотр протоколов неисправностей после последней неудавшейся диагностической проверки поможет определить, как часто происходило условие, вызывавшее установку диагностического кода неисправности. Это поможет продиагностировать условия.
DTC P2313 - Цепь управления катушкой зажигания 5, высокое напряжение
| Шаг | Операция | Значения | Да | Нет |
| 1 | Провести проверку системы диагностики. Проверка проведена? | - | Перейти к операции 2 | |
| 2 | Проверить, нет ли нарушения в соединении или повреждения клеммы а у катушки электронной системы зажигания, и при необходимости произвести ремонт. Закончен ли ремонт? | - | Перейти к операции 8 | Перейти к операции 3 |
| 3 | Проверить на неисправность соединения или повреждение клеммы A32 у контроллера ЭСУД, при необходимости отремонтировать. Закончен ли ремонт? | - | Перейти к операции 8 | Перейти к операции 4 |
| 4 | - Выключить зажигание.
- Отсоединить разъём контроллера ЭСУД.
- Проверить цепь управления зажиганием на замыкание на массу и устранить неисправность, если необходимо.
Закончен ли ремонт? | - | Перейти к операции 8 | Перейти к операции 5 |
| 5 | Проверить цепь управления зажиганием на отсутствие напряжения короткого замыкания на источник напряжения и устранить неисправность при необходимости. Закончен ли ремонт? | - | Перейти к операции 8 | Перейти к операции 6 |
| 6 | Проверить на обрыв цепь управления зажиганием и устранить неисправность при необходимости. Закончен ли ремонт? | - | Перейти к операции 8 | Перейти к операции 7 |
| 7 | - Выключите зажигание.
- Заменить контроллер ЭСУД.
Закончен ли ремонт? | - | Перейти к операции 8 | - |
| 8 | - Используя сканирующий прибор, очистить диагностические коды неисправностей.
- Запустить двигатель и дать ему поработать на холостом ходу при нормальной рабочей температуре.
- Совершить поездку для установки кодов неисправности, как это указано во вспомогательном тексте.
Сканирующий прибор определяет эту диагностику как прошедшую и успешную? | - | Перейти к операции 9 | Перейти к операции 2 |
| 9 | Проверьте, не установлены ли дополнительные диагностические коды неисправности. Отображены ли диагностические коды неисправности, которые не были продиагностированы? | - | Перейти к соответствующей таблице диагностических кодов неисправности | Система в норме |
Диагностический код неисправности P2315
Цепь управления катушкой зажигания 6, низкое напряжение
Описание схемы
Контроллер электронной системы управления двигателем (ЭСУД) служит источником заземления для электронной цепи угла опережения зажигания. Когда контроллер ЭСУД размыкает "массу" первичной катушки зажигания, магнитное поле катушки исчезает. Исчезновение магнитного поля вызывает появление напряжения во вторичной катушке, которая выдает разряд на свече зажигания.
Цепь между контроллером ЭСУД и катушкой электронной системы зажигания контролируется на наличие обрыва, замыкания на источник напряжения и замыкание на массу. Если контроллер ЭСУД обнаруживает неисправность в цепи электронной регулировки зажигания, устанавливается код неисправности.
Условия установки кода неисправности.
- Имеется обрыв цепи, короткое замыкание на массу или короткое замыкание на напряжение аккумулятора.
Действия, выполняемые при установке кода неисправности
- Контрольная лампа индикации неисправности загорается.
- Контроллер записывает рабочие условия в момент определения неисправности. Эта информация сохраняется в буфере записей состояния и протоколах неисправностей.
- Сохраняется архив диагностических кодов неисправности.
Условия очистки кода неисправности/индикации неисправности
- Лампа индикации неисправности выключается по окончании последующего цикла проверки, при котором диагностика выполняется без сбоя.
- Архивный диагностический код неисправности убирается после 40 циклов нагрева без сбоя.
- Диагностический код неисправности может быть очищен сканирующим прибором.
Диагностическая информация
Неустойчивая неисправность может быть вызвана слабым контактом, перетертой изоляции или обрывом проводки под изоляцией. Проверить:
- Слабое соединение - проверить жгут проводов контроллера ЭСУД и разъемы на слабый контакт, неисправность замков, деформированность или повреждения клемм и слабое соединение клемм с проводами.
- Повреждения жгутов - осмотреть жгут проводов на наличие повреждений. Если жгут проводов кажется исправным, отсоединить контроллер ЭСУД, включить зажигание и проследить за показаниями вольтметра в цепи опорного сигнала 58Х, перемещая разъемы и жгуты проводки, относящиеся к контроллеру ЭСУД. Изменения в уровне сигнала покажут место нахождения неисправности.
Просмотр протоколов неисправностей после последней неудавшейся диагностической проверки поможет определить, как часто происходило условие, вызывавшее установку диагностического кода неисправности. Это поможет продиагностировать условия.
DTC P2315 - Цепь управления катушкой зажигания 6, низкое напряжение
| Шаг | Операция | Значения | Да | Нет |
| 1 | Провести проверку системы диагностики. Проверка проведена? | - | Перейти к операции 2 | |
| 2 | Проверить, нет ли нарушения в соединении или повреждения клеммы а у катушки электронной системы зажигания, и при необходимости произвести ремонт. Закончен ли ремонт? | - | Перейти к операции 8 | Перейти к операции 3 |
| 3 | Проверить на неисправность соединения или повреждение клеммы A1 у контроллера ЭСУД, при необходимости отремонтировать. Закончен ли ремонт? | - | Перейти к операции 8 | Перейти к операции 4 |
| 4 | - Выключить зажигание.
- Отсоединить разъём контроллера ЭСУД.
- Проверить цепь управления зажиганием на замыкание на массу и устранить неисправность, если необходимо.
Закончен ли ремонт? | - | Перейти к операции 8 | Перейти к операции 5 |
| 5 | Проверить цепь управления зажиганием на отсутствие напряжения короткого замыкания на источник напряжения и устранить неисправность при необходимости. Закончен ли ремонт? | - | Перейти к операции 8 | Перейти к операции 6 |
| 6 | Проверить на обрыв цепь управления зажиганием и устранить неисправность при необходимости. Закончен ли ремонт? | - | Перейти к операции 8 | Перейти к операции 7 |
| 7 | - Выключите зажигание.
- Заменить контроллер ЭСУД.
Закончен ли ремонт? | - | Перейти к операции 8 | - |
| 8 | - Используя сканирующий прибор, очистить диагностические коды неисправностей.
- Запустить двигатель и дать ему поработать на холостом ходу при нормальной рабочей температуре.
- Совершить поездку для установки кодов неисправности, как это указано во вспомогательном тексте.
Сканирующий прибор определяет эту диагностику как прошедшую и успешную? | - | Перейти к операции 9 | Перейти к операции 2 |
| 9 | Проверьте, не установлены ли дополнительные диагностические коды неисправности. Отображены ли диагностические коды неисправности, которые не были продиагностированы? | - | Перейти к соответствующей таблице диагностических кодов неисправности | Система в норме |
Диагностический код неисправности P2316
Цепь управления катушкой зажигания 6, высокое напряжение
Описание схемы
Контроллер электронной системы управления двигателем (ЭСУД) служит источником заземления для электронной цепи угла опережения зажигания. Когда контроллер ЭСУД размыкает "массу" первичной катушки зажигания, магнитное поле катушки исчезает. Исчезновение магнитного поля вызывает появление напряжения во вторичной катушке, которая выдает разряд на свече зажигания.
Цепь между контроллером ЭСУД и катушкой электронной системы зажигания контролируется на наличие обрыва, замыкания на источник напряжения и замыкание на массу. Если контроллер ЭСУД обнаруживает неисправность в цепи электронной регулировки зажигания, устанавливается код неисправности.
Условия установки кода неисправности.
- Имеется обрыв цепи, короткое замыкание на массу или короткое замыкание на напряжение аккумулятора.
Действия, выполняемые при установке кода неисправности
- Контрольная лампа индикации неисправности загорается.
- Контроллер записывает рабочие условия в момент определения неисправности. Эта информация сохраняется в буфере записей состояния и протоколах неисправностей.
- Сохраняется архив диагностических кодов неисправности.
Условия очистки кода неисправности/индикации неисправности
- Лампа индикации неисправности выключается по окончании последующего цикла проверки, при котором диагностика выполняется без сбоя.
- Архивный диагностический код неисправности убирается после 40 циклов нагрева без сбоя.
- Диагностический код неисправности может быть очищен сканирующим прибором.
Диагностическая информация
Неустойчивая неисправность может быть вызвана слабым контактом, перетертой изоляции или обрывом проводки под изоляцией. Проверить:
- Слабое соединение - проверить жгут проводов контроллера ЭСУД и разъемы на слабый контакт, неисправность замков, деформированность или повреждения клемм и слабое соединение клемм с проводами.
- Повреждения жгутов - осмотреть жгут проводов на наличие повреждений. Если жгут проводов кажется исправным, отсоединить контроллер ЭСУД, включить зажигание и проследить за показаниями вольтметра в цепи опорного сигнала 58Х, перемещая разъемы и жгуты проводки, относящиеся к контроллеру ЭСУД. Изменения в уровне сигнала покажут место нахождения неисправности.
Просмотр протоколов неисправностей после последней неудавшейся диагностической проверки поможет определить, как часто происходило условие, вызывавшее установку диагностического кода неисправности. Это поможет продиагностировать условия.
DTC P2316 - Цепь управления катушкой зажигания 6, высокое напряжение
| Шаг | Операция | Значения | Да | Нет |
| 1 | Провести проверку системы диагностики. Проверка проведена? | - | Перейти к операции 2 | |
| 2 | Проверить, нет ли нарушения в соединении или повреждения клеммы а у катушки электронной системы зажигания, и при необходимости произвести ремонт. Закончен ли ремонт? | - | Перейти к операции 8 | Перейти к операции 3 |
| 3 | Проверить на неисправность соединения или повреждение клеммы A1 у контроллера ЭСУД, при необходимости отремонтировать. Закончен ли ремонт? | - | Перейти к операции 8 | Перейти к операции 4 |
| 4 | - Выключить зажигание.
- Отсоединить разъём контроллера ЭСУД.
- Проверить цепь управления зажиганием на замыкание на массу и устранить неисправность, если необходимо.
Закончен ли ремонт? | - | Перейти к операции 8 | Перейти к операции 5 |
| 5 | Проверить цепь управления зажиганием на отсутствие напряжения короткого замыкания на источник напряжения и устранить неисправность при необходимости. Закончен ли ремонт? | - | Перейти к операции 8 | Перейти к операции 6 |
| 6 | Проверить на обрыв цепь управления зажиганием и устранить неисправность при необходимости. Закончен ли ремонт? | - | Перейти к операции 8 | Перейти к операции 7 |
| 7 | - Выключите зажигание.
- Заменить контроллер ЭСУД.
Закончен ли ремонт? | - | Перейти к операции 8 | - |
| 8 | - Используя сканирующий прибор, очистить диагностические коды неисправностей.
- Запустить двигатель и дать ему поработать на холостом ходу при нормальной рабочей температуре.
- Совершить поездку для установки кодов неисправности, как это указано во вспомогательном тексте.
Сканирующий прибор определяет эту диагностику как прошедшую и успешную? | - | Перейти к операции 9 | Перейти к операции 2 |
| 9 | Проверьте, не установлены ли дополнительные диагностические коды неисправности. Отображены ли диагностические коды неисправности, которые не были продиагностированы? | - | Перейти к соответствующей таблице диагностических кодов неисправности | Система в норме |
Диагностический код неисправности P2A01
Работоспособность датчика HO2S, ряд цилиндров 1, датчик 2
Описание схемы
Датчики кислорода с электронагревателем используются для контроля топлива и контроля после нейтрализатора. Каждый датчик HO2S сравнивает содержание кислорода в окружающем воздухе с содержанием кислорода в отработавших газах. При первом запуске двигателя контроллер ЭСУД работает в режиме управления без обратной связи, игнорируя уровень сигнала HO2S при расчете соотношения воздуха и топлива. Контроллер ЭСУД снабжает датчик HO2S уровнем контрольного сигнала около 0,45 В. Датчик HO2S генерирует уровень сигнала в пределах 0~1В, который при работе в замкнутом контуре колеблется выше и ниже напряжения смещения. Высокий уровень выходного сигнала датчика HO2S указывает на насыщенную топливную смесь. Низкий уровень выходного сигнала датчика HO2S указывает на обедненную топливную смесь. Нагревательные элементы в датчике HO2S сводят к минимуму время, необходимое для достижения датчиками рабочей температуры и последующей передачи точного сигнала напряжения.
Условия установки кода неисправности.
(Условие 1)
- Нет неисправностей датчика положения коленчатого вала, датчика положения распределительного вала, датчика массового расхода воздуха, датчика кислорода, клапана продувки адсорбера, датчика температуры охлаждающей жидкости, датчика положения дроссельной заслонки, топливной системы, датчика абсолютного давления в коллекторе, а также сбоев зажигания.
- Включено зажигание.
- Температура охлаждающей жидкости двигателя более 75°С.
- Полный массовый расход воздуха больше 400 г.
- Напряжение датчика HO2S 2 для обедненного выхлопа превышает 1,001 В.
- Напряжение датчика HO2S 2 для обогащенного выхлопа превышает 0,620 В.
(Условие 2)
- Нет неисправностей датчика положения коленчатого вала, датчика положения распределительного вала, датчика массового расхода воздуха, датчика кислорода, клапана продувки адсорбера, датчика температуры охлаждающей жидкости, датчика положения дроссельной заслонки, топливной системы, датчика абсолютного давления в коллекторе, а также сбоев зажигания.
- Включено зажигание.
- Температура охлаждающей жидкости двигателя более 75°С.
- Полный массовый расход воздуха больше 400 г.
- Напряжение датчика HO2S 2 для обогащенного выхлопа меньше 0,620 В.
- Напряжение датчика HO2S 2 для обедненного выхлопа меньше 1,001 В.
(Условие 3)
- Включено зажигание.
- Температуры выхлопных газов выше 349,975°C.
- Напряжение датчика HO2S 2 находится в пределах от 0,361 В до 0,488 В.
- Внутреннее сопротивление датчика HO2S 2 больше 60 кОм.
Действия, выполняемые при установке кода неисправности
- Контрольная лампа индикации неисправности загорается.
- Контроллер записывает рабочие условия в момент определения неисправности. Эта информация сохраняется в буфере записей состояния и протоколах неисправностей.
- Сохраняется архив диагностических кодов неисправности.
Условия очистки кода неисправности/индикации неисправности
- Лампа индикации неисправности выключается по окончании трех циклов проверки подряд, при которых диагностика выполняется без сбоя.
- Архивный диагностический код неисправности убирается после 40 циклов нагрева без сбоя.
- Диагностический код неисправности может быть очищен сканирующим прибором.
Описание проверки
Нижеприведенный номер относится к номерам этапов из таблицы диагностики.
- Если напряжение не меняется больше чем на указанное значение, значит, имеется неисправность.
DTC P2A01 - Работоспособность датчика HO2S, ряд цилиндров 1, датчик 2
| Шаг | Операция | Значения | Да | Нет |
| 1 | Вы провели проверку диагностической системы? | - | Перейти к операции 2 | |
| 2 | - Запустите двигатель.
- Прогреть двигатель до рабочей температуры.
- Дать двигателю проработать при 1500 об./мин. в течение 30 секунд.
- Контролируя напряжение датчика HO2S 2 сканирующим прибором, три раза быстро переместите дроссельную заслонку из закрытого в полностью открытое положение и обратно.
Изменяется ли напряжение датчика HO2S 2 больше чем на указанное значение? | 200 мВ | Перейти к операции 3 | Перейти к операции 4 |
| 3 | - Изучить зарегистрированные данные о сбое для данного кода DTC.
- Выключить зажигание на 30 секунд.
- Запустите двигатель.
- Создать для автомобиля условия появления кода DTC. Можно также создать для автомобиля условия, которые наблюдались на основе зарегистрированных данных о нарушении работы.
Код DTC показал пропуск зажигания? | - | Перейти к операции 4 | |
| 4 | - Выключить зажигание.
- Отсоединить датчик кислорода HO2S 2.
- Включить зажигание при заглушенном двигателе.
- Сканирующим прибором проверить напряжение датчика HO2S 2.
Напряжение датчика HO2S 2 меньше указанного значения? | 100 мВ | Перейти к операции 6 | Перейти к операции 5 |
| 5 | Сканирующим прибором проверить напряжение датчика HO2S 2. Напряжение датчика HO2S 2 больше указанного значения? | 800 мВ | Перейти к операции 7 | Перейти к операции 8 |
| 6 | Проверить сигнальную цепь высокого уровня датчика HO2S 2 на короткое замыкание на массу. Неисправность обнаружена и устранена? | - | Перейти к операции 21 | Перейти к операции 9 |
| 7 | Проверить сигнальную цепь высокого уровня HO2S 2 на короткое замыкание на напряжение аккумулятора. Неисправность обнаружена и устранена? | - | Перейти к операции 21 | Перейти к операции 18 |
| 8 | Цифровым мультиметром измерить напряжение от сигнальной цепи низкого уровня датчика HO2S 2 на разъеме жгута проводки датчика со стороны двигателя до надежного источника заземления. Напряжение выше указанного? | 2 В | Перейти к операции 10 | Перейти к операции 11 |
| 9 | Проверить сигнальную цепь высокого уровня датчика HO2S 2 на короткое замыкание на цепь низкого уровня датчика HO2S 2. Неисправность обнаружена и устранена? | - | Перейти к операции 17 | Перейти к операции 14 |
| 10 | Проверить сигнальную цепь низкого уровня HO2S 2 на короткое замыкание на напряжение аккумулятора. Неисправность обнаружена и устранена? | - | Перейти к операции 21 | Перейти к операции 18 |
| 11 | - Подключить перемычку с предохранителем на 3 ампера между сигнальной цепью высокого уровня датчика HO2S 2 на разъеме жгута проводки датчика со стороны двигателя и надежным источником заземления.
- Сканирующим прибором проверить напряжение датчика HO2S 2.
Напряжение датчика HO2S 2 меньше указанного значения? | 100 мВ | Перейти к операции 12 | Перейти к операции 14 |
| 12 | - Снять установленную на предыдущем шаге перемычку.
- Подключить перемычку с предохранителем на 3 ампера между сигнальной цепью высокого уровня датчика HO2S 2 на разъеме жгута проводки датчика со стороны двигателя и сигнальной цепью низкого уровня датчика HO2S 2 на разъеме жгута проводки датчика со стороны двигателя.
- Сканирующим прибором проверить напряжение датчика HO2S 2.
Напряжение датчика HO2S 2 меньше указанного значения? | 100 мВ | Перейти к операции 15 | Перейти к операции 13 |
| 13 | Проверить сигнальную цепь низкого уровня HO2S 2 на обрыв или высокое сопротивление. Неисправность обнаружена и устранена? | - | Перейти к операции 21 | Перейти к операции 18 |
| 14 | Проверить сигнальную цепь высокого уровня HO2S 2 на обрыв или высокое сопротивление. Неисправность обнаружена и устранена? | - | Перейти к операции 21 | Перейти к операции 18 |
| 15 | Проверить управляющую цепь низкого уровня нагревателя датчика HO2S 2 на короткое замыкание на сигнальную цепь высокого уровня датчика HO2S 2 или на сигнальную цепь низкого уровня датчика HO2S 2. Неисправность обнаружена и устранена? | - | Перейти к операции 21 | Перейти к операции 16 |
| 16 | - Возможно, датчик HO2S 2 регистрирует состояние обогащенного выхлопа, состояние обедненного выхлопа, или датчик HO2S загрязнен. Проверить следующее:
- Датчик HO2S 2 загрязнен силиконом.
- В датчик HO2S 2 попала вода.
- Утечка выхлопа между датчиком HO2S 2 и двигателем.
- Утечки вакуума.
- Моторное масло загрязнено топливом.
- Неверное давление топлива.
- Форсунки установлены на обедненную или богатую смесь.
- При необходимости устранить вышеперечисленные или аналогичные состояния двигателя.
Неисправность обнаружена и устранена? | - | Перейти к операции 21 | Перейти к операции 17 |
| 17 | Проверить на замыкания клемм и плохое соединение у датчика HO2S 2. Неисправность обнаружена и устранена? | - | Перейти к операции 21 | Перейти к операции 19 |
| 18 | Проверить на наличие замыкания клемм и плохой контакт со стороны контроллера ЭСУД. Неисправность обнаружена и устранена? | - | Перейти к операции 21 | Перейти к операции 20 |
| 19 | Заменить диагностический датчик кислорода HO2S 2. Замена произведена? | - | Перейти к операции 21 | - |
| 20 | Заменить контроллер ЭСУД. Замена произведена? | - | Перейти к операции 21 | - |
| 21 | - Сканирующим прибором сбросить коды DTC.
- Выключить зажигание на 30 секунд.
- Запустите двигатель.
- Создать для автомобиля условия появления кода DTC. Можно также создать для автомобиля условия, которые наблюдались на основе зарегистрированных данных о нарушении работы.
Код DTC показал пропуск зажигания? | - | Перейти к операции 2 | Перейти к операции 22 |
| 22 | Проверьте, не установлены ли дополнительные диагностические коды неисправности. Если ли коды DTC, которые еще не были продиагностированы? | - | Перейти к соответствующей таблице диагностических кодов неисправности | Система в норме |
Диагностический код неисправности P2A04
Работоспособность датчика HO2S, ряд цилиндров 2, датчик 2
Описание схемы
Датчики кислорода с электронагревателем используются для контроля топлива и контроля после нейтрализатора. Каждый датчик HO2S сравнивает содержание кислорода в окружающем воздухе с содержанием кислорода в отработавших газах. При первом запуске двигателя контроллер ЭСУД работает в режиме управления без обратной связи, игнорируя уровень сигнала HO2S при расчете соотношения воздуха и топлива. Контроллер ЭСУД снабжает датчик HO2S уровнем контрольного сигнала около 0,45 В. Датчик HO2S генерирует уровень сигнала в пределах 0~1В, который при работе в замкнутом контуре колеблется выше и ниже напряжения смещения. Высокий уровень выходного сигнала датчика HO2S указывает на насыщенную топливную смесь. Низкий уровень выходного сигнала датчика HO2S указывает на обедненную топливную смесь. Нагревательные элементы в датчике HO2S сводят к минимуму время, необходимое для достижения датчиками рабочей температуры и последующей передачи точного сигнала напряжения.
Условия установки кода неисправности.
(Условие 1)
- Нет неисправностей датчика положения коленчатого вала, датчика положения распределительного вала, датчика массового расхода воздуха, датчика кислорода, клапана продувки адсорбера, датчика температуры охлаждающей жидкости, датчика положения дроссельной заслонки, топливной системы, датчика абсолютного давления в коллекторе, а также сбоев зажигания.
- Включено зажигание.
- Температура охлаждающей жидкости двигателя более 75°С.
- Полный массовый расход воздуха больше 400 г.
- Напряжение датчика HO2S 2 для обедненного выхлопа превышает 1,001 В.
- Напряжение датчика HO2S 2 для обогащенного выхлопа превышает 0,620 В.
(Условие 2)
- Нет неисправностей датчика положения коленчатого вала, датчика положения распределительного вала, датчика массового расхода воздуха, датчика кислорода, клапана продувки адсорбера, датчика температуры охлаждающей жидкости, датчика положения дроссельной заслонки, топливной системы, датчика абсолютного давления в коллекторе, а также сбоев зажигания.
- Включено зажигание.
- Температура охлаждающей жидкости двигателя более 75°С.
- Полный массовый расход воздуха больше 400 г.
- Напряжение датчика HO2S 2 для обогащенного выхлопа меньше 0,620 В.
- Напряжение датчика HO2S 2 для обедненного выхлопа меньше 1,001 В.
(Условие 3)
- Включено зажигание.
- Температуры выхлопных газов выше 349,975°C.
- Напряжение датчика HO2S 2 находится в пределах от 0,361 В до 0,488 В.
- Внутреннее сопротивление датчика HO2S 2 больше 60 кОм.
Действия, выполняемые при установке кода неисправности
- Контрольная лампа индикации неисправности загорается.
- Контроллер записывает рабочие условия в момент определения неисправности. Эта информация сохраняется в буфере записей состояния и протоколах неисправностей.
- Сохраняется архив диагностических кодов неисправности.
Условия очистки кода неисправности/индикации неисправности
- Лампа индикации неисправности выключается по окончании трех циклов проверки подряд, при которых диагностика выполняется без сбоя.
- Архивный диагностический код неисправности убирается после 40 циклов нагрева без сбоя.
- Диагностический код неисправности может быть очищен сканирующим прибором.
Описание проверки
Нижеприведенный номер относится к номерам этапов из таблицы диагностики.
- Если напряжение не меняется больше чем на указанное значение, значит, имеется неисправность.
DTC P02A04 - Работоспособность датчика HO2S, ряд цилиндров 2, датчик 2
| Шаг | Операция | Значения | Да | Нет |
| 1 | Вы провели проверку диагностической системы? | - | Перейти к операции 2 | |
| 2 | - Запустите двигатель.
- Прогреть двигатель до рабочей температуры.
- Дать двигателю проработать при 1500 об./мин. в течение 30 секунд.
- Контролируя напряжение датчика HO2S 2 сканирующим прибором, три раза быстро переместите дроссельную заслонку из закрытого в полностью открытое положение и обратно.
Изменяется ли напряжение датчика HO2S 2 больше чем на указанное значение? | 200 мВ | Перейти к операции 3 | Перейти к операции 4 |
| 3 | - Изучить зарегистрированные данные о сбое для данного кода DTC.
- Выключить зажигание на 30 секунд.
- Запустите двигатель.
- Создать для автомобиля условия появления кода DTC. Можно также создать для автомобиля условия, которые наблюдались на основе зарегистрированных данных о нарушении работы.
Код DTC показал пропуск зажигания? | - | Перейти к операции 4 | |
| 4 | - Выключить зажигание.
- Отсоединить датчик кислорода HO2S 2.
- Включить зажигание при заглушенном двигателе.
- Сканирующим прибором проверить напряжение датчика HO2S 2.
Напряжение датчика HO2S 2 меньше указанного значения? | 100 мВ | Перейти к операции 6 | Перейти к операции 5 |
| 5 | Сканирующим прибором проверить напряжение датчика HO2S 2. Напряжение датчика HO2S 2 больше указанного значения? | 800 мВ | Перейти к операции 7 | Перейти к операции 8 |
| 6 | Проверить сигнальную цепь высокого уровня датчика HO2S 2 на короткое замыкание на массу. Неисправность обнаружена и устранена? | - | Перейти к операции 21 | Перейти к операции 9 |
| 7 | Проверить сигнальную цепь высокого уровня HO2S 2 на короткое замыкание на напряжение аккумулятора. Неисправность обнаружена и устранена? | - | Перейти к операции 21 | Перейти к операции 18 |
| 8 | Цифровым мультиметром измерить напряжение от сигнальной цепи низкого уровня датчика HO2S 2 на разъеме жгута проводки датчика со стороны двигателя до надежного источника заземления. Напряжение выше указанного? | 2 В | Перейти к операции 10 | Перейти к операции 11 |
| 9 | Проверить сигнальную цепь высокого уровня датчика HO2S 2 на короткое замыкание на цепь низкого уровня датчика HO2S 2. Неисправность обнаружена и устранена? | - | Перейти к операции 17 | Перейти к операции 14 |
| 10 | Проверить сигнальную цепь низкого уровня HO2S 2 на короткое замыкание на напряжение аккумулятора. Неисправность обнаружена и устранена? | - | Перейти к операции 21 | Перейти к операции 18 |
| 11 | - Подключить перемычку с предохранителем на 3 ампера между сигнальной цепью высокого уровня датчика HO2S 2 на разъеме жгута проводки датчика со стороны двигателя и надежным источником заземления.
- Сканирующим прибором проверить напряжение датчика HO2S 2.
Напряжение датчика HO2S 2 меньше указанного значения? | 100 мВ | Перейти к операции 12 | Перейти к операции 14 |
| 12 | - Снять установленную на предыдущем шаге перемычку.
- Подключить перемычку с предохранителем на 3 ампера между сигнальной цепью высокого уровня датчика HO2S 2 на разъеме жгута проводки датчика со стороны двигателя и сигнальной цепью низкого уровня датчика HO2S 2 на разъеме жгута проводки датчика со стороны двигателя.
- Сканирующим прибором проверить напряжение датчика HO2S 2.
Напряжение датчика HO2S 2 меньше указанного значения? | 100 мВ | Перейти к операции 15 | Перейти к операции 13 |
| 13 | Проверить сигнальную цепь низкого уровня HO2S 2 на обрыв или высокое сопротивление. Неисправность обнаружена и устранена? | - | Перейти к операции 21 | Перейти к операции 18 |
| 14 | Проверить сигнальную цепь высокого уровня HO2S 2 на обрыв или высокое сопротивление. Неисправность обнаружена и устранена? | - | Перейти к операции 21 | Перейти к операции 18 |
| 15 | Проверить управляющую цепь низкого уровня нагревателя датчика HO2S 2 на короткое замыкание на сигнальную цепь высокого уровня датчика HO2S 2 или на сигнальную цепь низкого уровня датчика HO2S 2. Неисправность обнаружена и устранена? | - | Перейти к операции 21 | Перейти к операции 16 |
| 16 | - Возможно, датчик HO2S 2 регистрирует состояние обогащенного выхлопа, состояние обедненного выхлопа, или датчик HO2S загрязнен. Проверить следующее:
- Датчик HO2S 2 загрязнен силиконом.
- В датчик HO2S 2 попала вода.
- Утечка выхлопа между датчиком HO2S 2 и двигателем.
- Утечки вакуума.
- Моторное масло загрязнено топливом.
- Неверное давление топлива.
- Форсунки установлены на обедненную или богатую смесь.
- При необходимости устранить вышеперечисленные или аналогичные состояния двигателя.
Неисправность обнаружена и устранена? | - | Перейти к операции 21 | Перейти к операции 17 |
| 17 | Проверить на замыкания клемм и плохое соединение у датчика HO2S 2. Неисправность обнаружена и устранена? | - | Перейти к операции 21 | Перейти к операции 19 |
| 18 | Проверить на наличие замыкания клемм и плохой контакт со стороны контроллера ЭСУД. Неисправность обнаружена и устранена? | - | Перейти к операции 21 | Перейти к операции 20 |
| 19 | Заменить диагностический датчик кислорода HO2S 2. Замена произведена? | - | Перейти к операции 21 | - |
| 20 | Заменить контроллер ЭСУД. Замена произведена? | - | Перейти к операции 21 | - |
| 21 | - Сканирующим прибором сбросить коды DTC.
- Выключить зажигание на 30 секунд.
- Запустите двигатель.
- Создать для автомобиля условия появления кода DTC. Можно также создать для автомобиля условия, которые наблюдались на основе зарегистрированных данных о нарушении работы.
Код DTC показал пропуск зажигания? | - | Перейти к операции 2 | Перейти к операции 22 |
| 22 | Проверьте, не установлены ли дополнительные диагностические коды неисправности. Если ли коды DTC, которые еще не были продиагностированы? | - | Перейти к соответствующей таблице диагностических кодов неисправности | Система в норме |



Диагностический код неисправности (DTC) U0073
Не работает шина связи с модулем управления
Описание схемы
Контроллерная локальная сеть (CAN) обеспечивает передачу от контроллера ЭСУД на модуль контроллера КПП многочисленных данных, которые используются для выбора наилучшей передачи. В свою очередь, контроллер КПП передает на контроллер ЭСУД такие данные, как скорость автомобиля, температура масла в КПП, номер текущей передачи. Для уменьшения влияния управляющих цепей автомобиля контроллерная локальная сеть выполнена на неэкранированной витой паре.
Контроллер КПП представляет собой электронный блок, который выбирает оптимальную передачу автоматической КПП в зависимости от ряда параметров. Для реализации этих функций контроллер КПП получает и передает данные на контроллер ЭСУД по стандартизованному протоколу CAN версии 2.0A.
Условия установки кода неисправности.
- Нет осмысленных сигналов от контроллера ЭСУД.
- Включено зажигание.
Действия, выполняемые при установке кода неисправности
- Контрольная лампа индикации неисправности загорается.
- Контроллер записывает рабочие условия в момент определения неисправности. Эта информация сохраняется в буфере записей состояния и протоколах неисправностей.
- Архив диагностических кодов неисправности сохранен.
Условия очистки кода неисправности/индикации неисправности
- Лампа индикации неисправности выключается по окончании 3 циклов зажигания подряд, при которых диагностика выполняется без сбоя.
- Архивный диагностический код неисправности убирается после 40 циклов нагрева без сбоя.
- При помощи сканирующего прибора можно обнулить диагностический код(ы) неисправности
Диагностическая информация
Неустойчивая неисправность может быть вызвана слабым контактом, перетертой изоляции или обрывом проводки под изоляцией.
Любая цепь, подозреваемая на создание неустойчивой неисправности, должна быть тщательно проверена на следующие обстоятельства.
- Снятые клеммы
- Соединение клемм
- Неисправность замков
- Деформированность
- Повреждения клемм
- Слабое соединение клемм с проводами
- Физическое повреждение жгутов проводов
DTC U0073 - Не работает шина связи с модулем управления
| Шаг | Операция | Значения | Да | Нет |
| 1 | Провести проверку системы диагностики. Проверка системы завершена? | - | Перейти к операции 2 | |
| 2 | - Поверните замок зажигание в положение LOCK.
- Подключить сканирующий прибор к колодке диагностики (DLC).
- Поверните ключ зажигания в положение ON.
Какие-либо диагностические коды неисправности отображаются? | - | Перейти к операции 3 | Попробовать другой сканирующий инструмент. |
| 3 | См. соответствующую таблицу диагностических кодов неисправности. Начать с диагностического кода неисправности с наименьшим числовым значением и переходить на код неисправности с большим числовым значением. Идентифицируется ли код неисправности как действительный код U0073? | - | Перейти к операции 4 | Перейти к соответствующей таблице диагностических кодов неисправности |
| 4 | - Поверните замок зажигание в положение LOCK.
- Отсоединить контроллер электронной системы управления двигателем (ЭСУД) и контроллер коробки передач (контроллер КПП).
- Проверить на обрыв или короткое замыкание на массу провод между клеммой A17 разъема контроллера КПП и клеммой K77 разъема контроллера ЭСУД .
Неисправность обнаружена? | - | Перейти к операции 6 | Перейти к операции 5 |
| 5 | Проверить на обрыв или короткое замыкание на массу провод между клеммой A7 разъема контроллера КПП и клеммой K78 разъема контроллера ЭСУД . Неисправность обнаружена? | - | Перейти к операции 6 | Перейти к операции 7 |
| 6 | - При необходимости заменить неэкранированную витую пару между контроллером КПП и ЭСУД или отремонтировать клемму разъема.
- Используя сканирующий прибор, очистить диагностические коды неисправностей.
- Запустить двигатель и дать ему поработать на холостом ходу при нормальной рабочей температуре.
- Совершить поездку для установки кодов неисправности, как это указано во вспомогательном тексте.
Сканирующий прибор определяет эту диагностику как прошедшую и успешную? | - | Перейти к операции 9 | Перейти к операции 2 |
| 7 | - Заменить контроллер КПП.
- Используя сканирующий прибор, очистить диагностические коды неисправностей.
- Запустить двигатель и дать ему поработать на холостом ходу при нормальной рабочей температуре.
- Совершить поездку для установки кодов неисправности, как это указано во вспомогательном тексте.
Сканирующий прибор определяет эту диагностику как прошедшую и успешную? | - | Перейти к операции 9 | Перейти к операции 8 |
| 8 | - Заменить контроллер ЭСУД.
- Используя сканирующий прибор, очистить диагностические коды неисправностей.
- Запустить двигатель и дать ему поработать на холостом ходу при нормальной рабочей температуре.
- Совершить поездку для установки кодов неисправности, как это указано во вспомогательном тексте.
Сканирующий прибор определяет эту диагностику как прошедшую и успешную? | - | Перейти к операции 9 | - |
| 9 | Проверьте, не установлены ли дополнительные диагностические коды неисправности. Отображены ли диагностические коды неисправности, которые не были продиагностированы? | - | Перейти к соответствующей таблице диагностических кодов неисправности | Система в норме |



Диагностический код неисправности (DTC) U0101
Нарушена связь с контроллером КПП
Описание схемы
Контроллерная локальная сеть (CAN) обеспечивает передачу от контроллера ЭСУД на модуль контроллера КПП многочисленных данных, которые используются для выбора наилучшей передачи. В свою очередь, контроллер КПП передает на контроллер ЭСУД такие данные, как скорость автомобиля, температура масла в КПП, номер текущей передачи. Для уменьшения влияния управляющих цепей автомобиля контроллерная локальная сеть выполнена на неэкранированной витой паре.
Контроллер КПП представляет собой электронный блок, который выбирает оптимальную передачу автоматической КПП в зависимости от ряда параметров. Для реализации этих функций контроллер КПП получает и передает данные на контроллер ЭСУД по стандартизованному протоколу CAN версии 2.0A.
Условия установки кода неисправности.
- Включено зажигание.
- Нет приема сообщения от контроллера КПП.
Действия, выполняемые при установке кода неисправности
- Контрольная лампа индикации неисправности загорается.
- Контроллер записывает рабочие условия в момент определения неисправности. Эта информация сохраняется в буфере записей состояния и протоколах неисправностей.
- Сохраняется архив диагностических кодов неисправности.
Условия очистки кода неисправности/индикации неисправности
- Лампа индикации неисправности выключается по окончании 3 циклов зажигания подряд, при которых диагностика выполняется без сбоя.
- Архивный диагностический код неисправности убирается после 40 циклов нагрева без сбоя.
- Диагностический код неисправности может быть очищен сканирующим прибором.
Диагностическая информация
Неустойчивая неисправность может быть вызвана слабым контактом, перетертой изоляции или обрывом проводки под изоляцией.
Любая цепь, подозреваемая на создание неустойчивой неисправности, должна быть тщательно проверена на следующие обстоятельства.
- Снятые клеммы
- Соединение клемм
- Неисправность замков
- Деформированность
- Повреждения клемм
- Слабое соединение клемм с проводами
- Физическое повреждение жгутов проводов
DTC U0101 - Нарушена связь с контроллером КПП
| Шаг | Операция | Значения | Да | Нет |
| 1 | Провести проверку системы диагностики. Проверка системы завершена? | - | Перейти к операции 2 | |
| 2 | - Поверните замок зажигание в положение LOCK.
- Подключить сканирующий прибор к колодке диагностики (DLC).
- Поверните ключ зажигания в положение ON.
Какие-либо диагностические коды неисправности отображаются? | - | Перейти к операции 3 | Попробовать другой сканирующий инструмент. |
| 3 | См. соответствующую таблицу диагностических кодов неисправности. Начать с диагностического кода неисправности с наименьшим числовым значением и переходить на код неисправности с большим числовым значением. Идентифицируется ли код неисправности как действительный код U0101? | - | Перейти к операции 4 | Перейти к соответствующей таблице диагностических кодов неисправности |
| 4 | - Поверните замок зажигание в положение LOCK.
- Отсоединить контроллер электронной системы управления двигателем (ЭСУД) и контроллер коробки передач (контроллер КПП).
- Проверить на обрыв или короткое замыкание на массу провод между клеммой A17 разъема контроллера КПП и клеммой K77 разъема контроллера ЭСУД .
Неисправность обнаружена? | - | Перейти к операции 6 | Перейти к операции 5 |
| 5 | Проверить на обрыв или короткое замыкание на массу провод между клеммой A7 разъема контроллера КПП и клеммой K78 разъема контроллера ЭСУД . Неисправность обнаружена? | - | Перейти к операции 6 | Перейти к операции 7 |
| 6 | - При необходимости заменить неэкранированную витую пару между контроллером КПП и ЭСУД или отремонтировать клемму разъема.
- Используя сканирующий прибор, очистить диагностические коды неисправностей.
- Запустить двигатель и дать ему поработать на холостом ходу при нормальной рабочей температуре.
- Совершить поездку для установки кодов неисправности, как это указано во вспомогательном тексте.
Сканирующий прибор определяет эту диагностику как прошедшую и успешную? | - | Перейти к операции 9 | Перейти к операции 2 |
| 7 | - Заменить контроллер КПП.
- Используя сканирующий прибор, очистить диагностические коды неисправностей.
- Запустить двигатель и дать ему поработать на холостом ходу при нормальной рабочей температуре.
- Совершить поездку для установки кодов неисправности, как это указано во вспомогательном тексте.
Сканирующий прибор определяет эту диагностику как прошедшую и успешную? | - | Перейти к операции 9 | Перейти к операции 8 |
| 8 | - Заменить контроллер ЭСУД.
- Используя сканирующий прибор, очистить диагностические коды неисправностей.
- Запустить двигатель и дать ему поработать на холостом ходу при нормальной рабочей температуре.
- Совершить поездку для установки кодов неисправности, как это указано во вспомогательном тексте.
Сканирующий прибор определяет эту диагностику как прошедшую и успешную? | - | Перейти к операции 9 | - |
| 9 | Проверьте, не установлены ли дополнительные диагностические коды неисправности. Отображены ли диагностические коды неисправности, которые не были продиагностированы? | - | Перейти к соответствующей таблице диагностических кодов неисправности | Система в норме |



Диагностический код неисправности (DTC) U0121
Потеряна связь с модулем управления АБС
Описание схемы
Контроллерная локальная сеть обеспечивает обмен информацией между модулем контроллера электронной системы управления двигателем (ЭСУД) и модулем АБС.
Условия установки кода неисправности.
- Включено зажигание.
- Нет приема сообщений от блока EBCM.
Действия, выполняемые при установке кода неисправности
- Контрольная лампа индикации неисправности загорается.
- Контроллер записывает рабочие условия в момент определения неисправности. Эта информация сохраняется в буфере записей состояния и протоколах неисправностей.
- Сохраняется архив диагностических кодов неисправности.
Условия очистки кода неисправности/индикации неисправности
- Лампа индикации неисправности выключается по окончании 3 циклов зажигания подряд, при которых диагностика выполняется без сбоя.
- Архивный диагностический код неисправности убирается после 40 циклов нагрева без сбоя.
- Диагностический код неисправности может быть очищен сканирующим прибором.
Диагностическая информация
Неустойчивая неисправность может быть вызвана слабым контактом, перетертой изоляции или обрывом проводки под изоляцией.
Любая цепь, подозреваемая на создание неустойчивой неисправности, должна быть тщательно проверена на следующие обстоятельства.
- Снятые клеммы
- Соединение клемм
- Неисправность замков
- Деформированность
- Повреждения клемм
- Слабое соединение клемм с проводами
- Физическое повреждение жгутов проводов
DTC U0121 - Потеряна связь с модулем управления АБС
| Шаг | Операция | Значения | Да | Нет |
| 1 | Провести проверку системы диагностики. Проверка системы завершена? | - | Перейти к операции 2 | |
| 2 | - Поверните замок зажигание в положение LOCK.
- Подключить сканирующий прибор к колодке диагностики (DLC).
- Поверните ключ зажигания в положение ON.
Какие-либо диагностические коды неисправности отображаются? | - | Перейти к операции 3 | Попробовать другой сканирующий инструмент. |
| 3 | См. соответствующую таблицу диагностических кодов неисправности. Начать с диагностического кода неисправности с наименьшим числовым значением и переходить на код неисправности с большим числовым значением. Идентифицируется ли код неисправности как действительный код U0121? | - | Перейти к операции 4 | Перейти к соответствующей таблице диагностических кодов неисправности |
| 4 | - Поверните замок зажигание в положение LOCK.
- Отсоединить модуль контроллера ЭСУД и модуль АБС
- Проверить на обрыв или замыкание на массу провод между линией высокого уровня контроллерной локальной сети модуля АБС и клеммой K77 разъема контроллера ЭСУД.
Неисправность обнаружена? | - | Перейти к операции 6 | Перейти к операции 5 |
| 5 | Проверить на обрыв или замыкание на массу провод между линией низкого уровня модуля АБС и клеммой K78 разъема контроллера ЭСУД. Неисправность обнаружена? | - | Перейти к операции 6 | Перейти к операции 7 |
| 6 | - При необходимости заменить неэкранированную витую пару между модулем АБС и ЭСУД или отремонтировать клемму разъема.
- Используя сканирующий прибор, очистить диагностические коды неисправностей.
- Запустить двигатель и дать ему поработать на холостом ходу при нормальной рабочей температуре.
- Совершить поездку для установки кодов неисправности, как это указано во вспомогательном тексте.
Сканирующий прибор определяет эту диагностику как прошедшую и успешную? | - | Перейти к операции 9 | Перейти к операции 2 |
| 7 | - Заменить модуль АБС.
- Используя сканирующий прибор, очистить диагностические коды неисправностей.
- Запустить двигатель и дать ему поработать на холостом ходу при нормальной рабочей температуре.
- Совершить поездку для установки кодов неисправности, как это указано во вспомогательном тексте.
Сканирующий прибор определяет эту диагностику как прошедшую и успешную? | - | Перейти к операции 9 | Перейти к операции 8 |
| 8 | - Заменить контроллер ЭСУД.
- Используя сканирующий прибор, очистить диагностические коды неисправностей.
- Запустить двигатель и дать ему поработать на холостом ходу при нормальной рабочей температуре.
- Совершить поездку для установки кодов неисправности, как это указано во вспомогательном тексте.
Сканирующий прибор определяет эту диагностику как прошедшую и успешную? | - | Перейти к операции 9 | - |
| 9 | Проверьте, не установлены ли дополнительные диагностические коды неисправности. Отображены ли диагностические коды неисправности, которые не были продиагностированы? | - | Перейти к соответствующей таблице диагностических кодов неисправности | Система в норме |



Диагностический код неисправности (DTC) U0167
Потеряна связь с модулем управления иммобилизатором
Описание схемы
При включении переключателя зажигания, ключ проверяется противоугонной системой иммобилизатора. При считывании кода ключа блоком управления иммобилизатора или комплексным встроенным блоком управления противоугонного устройства, двигатель может запуститься любым ключом, который поворачивает блокировочный цилиндр. Код ключа считывается и сравнивается с кодами ключей, сохраненными в памяти блока управления иммобилизатором. При определении действительного ключа, блок управления иммобилизатором посылает сообщение с последовательно передаваемыми данными в блок ЭСУД. В исходящее сообщение включается код идентификации для подтверждения, что ни блок управления иммобилизатором, ни блок ЭСУД не были заменены для обхода системы. При получении недействительного сообщения контроллер ЭСУД выполняет следующие действия:
- Отключает цепь топливной форсунки.
- Отключает цепь топливного насоса.
- Отключает катушку зажигания.
- Диагностический код неисправности будет сохранен при отказе связи между блоком ЭСУД и блоком управления иммобилизатора.
Условия установки кода неисправности.
- Время ожидания истекло, а связь успешно установлена не была.
Действия, выполняемые при установке кода неисправности
- Контрольная лампа индикации неисправности не загорается.
- Контроллер записывает рабочие условия в момент определения неисправности. Эта информация сохраняется в буфере записей состояния и протоколах неисправностей.
Условия очистки кода неисправности/индикации неисправности
- Архивный диагностический код неисправности убирается после 40 циклов нагрева без сбоя.
- Диагностический код неисправности может быть очищен сканирующим прибором.
DTC U0167 - Потеряна связь с модулем управления иммобилизатором
| Шаг | Операция | Значения | Да | Нет |
| 1 | Провести проверку системы диагностики. Проверка системы завершена? | - | Перейти к операции 2 | |
| 2 | - Выключите зажигание.
- Подключить сканирующий прибор к колодке диагностики.
- Включите зажигание.
- В меню сканирующего прибора выбрать IMMOBILIZER DIAGNOSIS STATUS (СОСТОЯНИЕ ДИАГНОСТИКИ ИММОБИЛИЗАТОРА)
Установлена ли связь между сканирующим инструментом и блоком управления иммобилизатора. | - | Перейти к операции 3 | |
| 3 | - Выключите зажигание.
- Отсоединить разъемы интеллектуального коммутационного блока (ISU) и контроллера ЭСУД.
- Замерить сопротивление между клеммой A7 ISU и клеммой К76 контроллера ЭСУД.
Сопротивление в пределах установленного значения? | 0 Ом | Перейти к операции 5 | Перейти к операции 4 |
| 4 | Устранить обрыв цепи между клеммой A7 модуля ISU и клеммой K76 модуля контроллера ЭСУД. Закончен ли ремонт? | - | Перейти к операции 8 | - |
| 5 | Проверить клеммы блока ISU и контроллера ЭСУД на повреждения, при необходимости заменить. Закончен ли ремонт? | - | Перейти к операции 8 | Перейти к операции 6 |
| 6 | Заменить ISU. Закончен ли ремонт? | - | Перейти к операции 8 | Перейти к операции 7 |
| 7 | - Выключите зажигание.
- Заменить контроллер ЭСУД.
Закончен ли ремонт? | - | Перейти к операции 8 | - |
| 8 | - Используя сканирующий прибор, очистить диагностические коды неисправностей.
- Запустить двигатель и дать ему поработать на холостом ходу при нормальной рабочей температуре.
- Совершить поездку для установки кодов неисправности, как это указано во вспомогательном тексте.
Сканирующий прибор определяет эту диагностику как прошедшую и успешную? | - | Перейти к операции 9 | Перейти к операции 2 |
| 9 | Проверьте, не установлены ли дополнительные диагностические коды неисправности. Отображены ли диагностические коды неисправности, которые не были продиагностированы? | - | Перейти к соответствующей таблице диагностических кодов неисправности | Система в норме |
 | |  | |