


Диагностический код неисправности (DTC) P0973
Низкое напряжение цепи управления электромагнитным клапаном переключения передач SS1
Условия действия DTC
- Аварийный режим отключен.
- Истекшее время после изменения выходного сигнала электромагнитного клапана составляет 0,025 секунды.
Условия занесения кода неисправности
- Цепь обратной связи электромагнитного клапана переключения передач SS1 сигнализирует о замыкании на землю в течение 0,5 секунды.
Действия при занесении кода неисправности
- Контроллер КПП отдает команду на включение сигнализатора неисправностей (MIL).
- Контроллер КПП регистрирует рабочее состояние, когда удовлетворяются "Условия занесения кода неисправности". Контроллер КПП сохраняет эту информацию как запись о неисправности.
- Контроллер КПП сохраняет диагностический код неисправности в памяти контроллера КПП.
- Контроллер КПП включает аварийный режим.
Когда включен аварийный режим, имеют место следующие условия: КПП будет работать на 4-й передаче при переключении КПП в диапазон D или M+.
КПП будет работать на 2-й передаче при переключении КПП в диапазон 2-й или M- передачи.
Управление обучением отключено.
Управление блокировкой отключено.
Адаптивное управление отключено.
Переключение N-D отключено.
Условия очистки кода неисправности/выключения индикатора неисправности
- Сигнализатор неисправностей (MIL) отключается, если неисправность не обнаруживается в течение трех последовательных драйв-циклов.
- Очистить код из памяти контроллера можно с помощью диагностического прибора.
- Контроллер КПП стирает диагностический код неисправности из памяти контроллера КПП после сорока последующих нагревательных циклов без неисправностей.
Причина неисправности
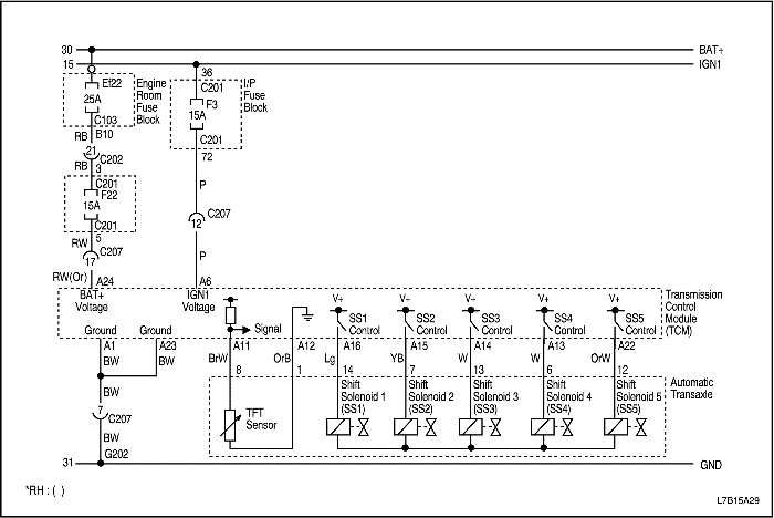
- Электрический разъем или жгут между электромагнитным клапаном переключения передач 1 и контроллером КПП
- Клапан переключения 1
- контроллер КПП
Код P0973 - Низкое напряжение цепи управления электромагнитным клапаном переключения передач SS1
| Шаг | Операция | Значения | Да | Нет |
| 1 | - Выключить зажигание.
- Подключить диагностический прибор.
- Двигатель остановлен. Перевести замок зажигания в положение ON.
- В меню "Diagnostic Trouble Codes Information" ("Информация о кодах") диагностического прибора выбрать команду "Store Freeze Frame/Failure Records" ("Стоп-кадр/Записи о неисправности").
- Сохранить данные стоп-кадра/записи о неисправности.
- В меню "Diagnostic Trouble Codes Information" ("Информация о кодах") выбрать команду "Clear DTC Information" ("Очистить информацию о кодах").
- Очистить информацию о кодах.
- Выполнить один драйв-цикл.
Сигнализатор неисправности горит? | - | Перейти к Шагу 2 | |
| 2 | - В меню "Diagnostic Trouble Codes Information" ("Информация о кодах") выбрать команду "Request DTC by Status" ("Запрос кодов по состоянию").
- Выполнить запрос кодов по состоянию.
Отображается ли код P0973? | - | Перейти к Шагу 3 | |
| 3 | - Выключить зажигание.
- Проверить сопротивление между жгутом автомобиля и электромагнитным клапаном переключения передач 1. См. "Проверка состояния агрегата" в этом разделе.
- Разъединить разъем контроллера КПП (X-1) и проверить сопротивление между контактами A16 и A23.
Результат измерения находится в указанном диапазоне? | 20°C (68°F): 11-16Ом | Перейти к Шагу 4 | Перейти к Шагу 5 |
| 4 | - Проверить наличие неисправности между колодкой жгута автомобиля и контроллером КПП.
- Проверить колодки разъема. См. "Проверка жгутов и электрических разъемов" в этом разделе.
- Проверить надежность соединения колодок разъема (C-1).
Соединение исправно? | - | Перейти к Шагу 6 | Устранить неисправность колодок жгута. |
| 5 | - Проверить наличие неисправности между жгутом автомобиля и клапаном переключения передач 1.
- Отсоединить разъем провода КПП (X-3) и проверить сопротивление между контактом 14 разъема клапана переключения передач SS1 и землей.
Результат измерения находится в указанном диапазоне? | 20°C (68°F): 11-16Ом | Перейти к Шагу 7 | Перейти к Шагу 8 |
| 6 | - Заменить основной контроллер КПП.
- После устранения кодов провести испытание с воспроизведением условий возникновения неисправности.
Отображается ли код неисправности? | - | | Заменить контроллер КПП. |
| 7 | - Проверить наличие неисправности жгута автомобиля или разъемов.
- Проверить жгуты проводов автомобиля на наличие разрывов или замыканий. Проверить соединение между разъемами (C-3). См. "Проверка жгутов проводов и разъемов" в этом разделе.
Все исправно? | - | | Заменить жгут или отрегулировать разъемы. |
| 8 | - Проверить наличие неисправности жгута КПП или разъемов клапана переключения передач 1.
- Проверить исправность клапана переключения передач 1. См. "Проверка состояния агрегата" в этом разделе.
Неисправность обнаружена? | - | Заменить клапан переключения передач SS1. | Перейти к Шагу 9 |
| 9 | - Проверить наличие неисправности жгута КПП.
- Проверить провод КПП на наличие разрывов или замыканий. Проверить соединение между разъемами (C-5). См. "Проверка жгутов и разъемов" в этом разделе.
Все исправно? | - | | Заменить провод КПП или отрегулировать разъемы. |



Диагностический код неисправности (DTC) P0974
Высокое напряжение цепи управления электромагнитным клапаном переключения передач SS1
Условия действия DTC
- Аварийный режим отключен.
- Истекшее время после изменения выходного сигнала электромагнитного клапана составляет 0,025 секунды.
Условия занесения кода неисправности
- Цепь обратной связи электромагнитного клапана переключения передач SS1 сигнализирует о постоянном обрыве или замыкании на напряжение в течение 0,5 секунды.
Действия при занесении кода неисправности
- Контроллер КПП отдает команду на включение сигнализатора неисправностей (MIL).
- Контроллер КПП регистрирует рабочее состояние, когда удовлетворяются "Условия занесения кода неисправности". Контроллер КПП сохраняет эту информацию как запись о неисправности.
- Контроллер КПП сохраняет диагностический код неисправности в памяти контроллера КПП.
- Контроллер КПП включает аварийный режим.
- Контроллер КПП посылает контроллеру ЭСУД запрос на ограничение крутящего момента двигателя до 185 Н•м (136 фунт-футов).
Когда включен аварийный режим, имеют место следующие условия: КПП будет работать на 4-й передаче при переключении КПП в диапазон D или M+.
КПП будет работать на 2-й передаче при переключении КПП в диапазон 2-й или M- передачи.
Управление обучением отключено.
Управление блокировкой отключено.
Адаптивное управление отключено.
Переключение N-D отключено.
Условия очистки кода неисправности/выключения индикатора неисправности
- Сигнализатор неисправностей (MIL) отключается, если неисправность не обнаруживается в течение трех последовательных драйв-циклов.
- Очистить код из памяти контроллера можно с помощью диагностического прибора.
- Контроллер КПП стирает диагностический код неисправности из памяти контроллера КПП после сорока последующих нагревательных циклов без неисправностей.
Причина неисправности
- Электрический разъем или жгут между электромагнитным клапаном переключения передач 1 и контроллером КПП
- Клапан переключения 1
- контроллер КПП
Код P0974 - Высокое напряжение цепи управления электромагнитным клапаном переключения передач SS1
| Шаг | Операция | Значения | Да | Нет |
| 1 | - Выключить зажигание.
- Подключить диагностический прибор.
- Двигатель остановлен. Перевести замок зажигания в положение ON.
- В меню "Diagnostic Trouble Codes Information" ("Информация о кодах") диагностического прибора выбрать команду "Store Freeze Frame/Failure Records" ("Стоп-кадр/Записи о неисправности").
- Сохранить данные стоп-кадра/записи о неисправности.
- В меню "Diagnostic Trouble Codes Information" ("Информация о кодах") выбрать команду "Clear DTC Information" ("Очистить информацию о кодах").
- Очистить информацию о кодах.
- Выполнить один драйв-цикл.
Сигнализатор неисправности горит? | - | Перейти к Шагу 2 | |
| 2 | - В меню "Diagnostic Trouble Codes Information" ("Информация о кодах") выбрать команду "Request DTC by Status" ("Запрос кодов по состоянию").
- Выполнить запрос кодов по состоянию.
Отображается ли код P0974? | - | Перейти к Шагу 3 | |
| 3 | - Выключить зажигание.
- Проверить сопротивление между жгутом автомобиля и электромагнитным клапаном переключения передач 1. См. "Проверка состояния агрегата" в этом разделе.
- Разъединить разъем контроллера КПП (X-1) и проверить сопротивление между контактами A16 и A23.
Результат измерения находится в указанном диапазоне? | 20°C (68°F): 11-16Ом | Перейти к Шагу 4 | Перейти к Шагу 5 |
| 4 | - Проверить наличие неисправности между колодкой жгута автомобиля и контроллером КПП.
- Проверить колодки разъема. См. "Проверка жгутов и электрических разъемов" в этом разделе.
- Проверить надежность соединения колодок разъема (C-1).
Соединение исправно? | - | Перейти к Шагу 6 | Устранить неисправность колодок жгута. |
| 5 | - Проверить наличие неисправности между жгутом автомобиля и клапаном переключения передач 1.
- Отсоединить разъем провода КПП (X-3) и проверить сопротивление между контактом 14 разъема клапана переключения передач SS1 и землей.
Результат измерения находится в указанном диапазоне? | 20°C (68°F): 11-16Ом | Перейти к Шагу 7 | Перейти к Шагу 8 |
| 6 | - Заменить основной контроллер КПП.
- После устранения кодов провести испытание с воспроизведением условий возникновения неисправности.
Отображается ли код неисправности? | - | | Заменить контроллер КПП. |
| 7 | - Проверить наличие неисправности жгута автомобиля или разъемов.
- Проверить жгуты проводов автомобиля на наличие разрывов или замыканий. Проверить соединение между разъемами (C-3). См. "Проверка жгутов проводов и разъемов" в этом разделе.
Все исправно? | - | | Заменить жгут или отрегулировать разъемы. |
| 8 | - Проверить наличие неисправности жгута КПП или разъемов клапана переключения передач 1.
- Проверить исправность клапана переключения передач 1. См. "Проверка состояния агрегата" в этом разделе.
Неисправность обнаружена? | - | Заменить клапан переключения передач SS1. | Перейти к Шагу 9 |
| 9 | - Проверить наличие неисправности жгута КПП.
- Проверить провод КПП на наличие разрывов или замыканий. Проверить соединение между разъемами (C-5). См. "Проверка жгутов и разъемов" в этом разделе.
Все исправно? | - | | Заменить провод КПП или отрегулировать разъемы. |



Диагностический код неисправности (DTC) P0976
Низкое напряжение цепи управления электромагнитным клапаном переключения передач SS2
Условия действия DTC
- Аварийный режим отключен.
- Истекшее время после изменения выходного сигнала электромагнитного клапана составляет 0,025 секунды.
Условия занесения кода неисправности
- Цепь обратной связи электромагнитного клапана переключения передач SS2 сигнализирует о замыкании на землю в течение 0,5 секунды.
Действия при занесении кода неисправности
- Контроллер КПП отдает команду на включение сигнализатора неисправностей (MIL).
- Контроллер КПП регистрирует рабочее состояние, когда удовлетворяются "Условия занесения кода неисправности". Контроллер КПП сохраняет эту информацию как запись о неисправности.
- Контроллер КПП сохраняет диагностический код неисправности в памяти контроллера КПП.
- Контроллер КПП включает аварийный режим.
Когда включен аварийный режим, имеют место следующие условия: КПП будет работать на 4-й передаче при переключении КПП в диапазон D или M+.
КПП будет работать на 2-й передаче при переключении КПП в диапазон 2-й или M- передачи.
Управление обучением отключено.
Управление блокировкой отключено.
Адаптивное управление отключено.
Переключение N-D отключено.
Условия очистки кода неисправности/выключения индикатора неисправности
- Сигнализатор неисправностей (MIL) отключается, если неисправность не обнаруживается в течение трех последовательных драйв-циклов.
- Очистить код из памяти контроллера можно с помощью диагностического прибора.
- Контроллер КПП стирает диагностический код неисправности из памяти контроллера КПП после сорока последующих нагревательных циклов без неисправностей.
Причина неисправности
- Электрический разъем или жгут между электромагнитным клапаном переключения передач SS2 и контроллером КПП
- Клапан переключения 2
- контроллер КПП
Код P0976 - Низкое напряжение цепи управления электромагнитным клапаном переключения передач SS2
| Шаг | Операция | Значения | Да | Нет |
| 1 | - Выключить зажигание.
- Подключить диагностический прибор.
- Двигатель остановлен. Перевести замок зажигания в положение ON.
- В меню "Diagnostic Trouble Codes Information" ("Информация о кодах") диагностического прибора выбрать команду "Store Freeze Frame/Failure Records" ("Стоп-кадр/Записи о неисправности").
- Сохранить данные стоп-кадра/записи о неисправности.
- В меню "Diagnostic Trouble Codes Information" ("Информация о кодах") выбрать команду "Clear DTC Information" ("Очистить информацию о кодах").
- Очистить информацию о кодах.
- Выполнить один драйв-цикл.
Сигнализатор неисправности горит? | - | Перейти к Шагу 2 | |
| 2 | - В меню "Diagnostic Trouble Codes Information" ("Информация о кодах") выбрать команду "Request DTC by Status" ("Запрос кодов по состоянию").
- Выполнить запрос кодов по состоянию.
Отображается ли код P0976? | - | Перейти к Шагу 3 | |
| 3 | - Выключить зажигание.
- Проверить сопротивление между жгутом автомобиля и электромагнитным клапаном переключения передач SS2. См. "Проверка состояния агрегата" в этом разделе.
- Разъединить разъем контроллера КПП (X-1) и проверить сопротивление между контактами A15 и A23.
Результат измерения находится в указанном диапазоне? | 20°C (68°F): 11-16Ом | Перейти к Шагу 4 | Перейти к Шагу 5 |
| 4 | - Проверить наличие неисправности между колодкой жгута автомобиля и контроллером КПП.
- Проверить колодки разъема. См. "Проверка жгутов и электрических разъемов" в этом разделе.
- Проверить надежность соединения колодок разъема (C-1).
Соединение исправно? | - | Перейти к Шагу 6 | Устранить неисправность колодок жгута. |
| 5 | - Проверить наличие неисправности между жгутом автомобиля и клапаном переключения передач 2.
- Отсоединить разъем провода КПП (X-3) и проверить сопротивление между контактом 7 разъема клапана переключения передач SS2 и землей.
Результат измерения находится в указанном диапазоне? | 20°C (68°F): 11-16Ом | Перейти к Шагу 7 | Перейти к Шагу 8 |
| 6 | - Заменить основной контроллер КПП.
- После устранения кодов провести испытание с воспроизведением условий возникновения неисправности.
Отображается ли код неисправности? | - | | Заменить контроллер КПП. |
| 7 | - Проверить наличие неисправности жгута автомобиля или разъемов.
- Проверить жгуты проводов автомобиля на наличие разрывов или замыканий. Проверить соединение между разъемами (C-3). См. "Проверка жгутов проводов и разъемов" в этом разделе.
Все исправно? | - | | Заменить жгут или отрегулировать разъемы. |
| 8 | - Проверить наличие неисправности жгута КПП или разъемов клапана переключения передач 2.
- Проверить исправность клапана переключения передач 2. См. "Проверка состояния агрегата" в этом разделе.
Неисправность обнаружена? | - | Заменить клапан переключения передач SS2. | Перейти к Шагу 9 |
| 9 | - Проверить наличие неисправности жгута КПП.
- Проверить провод КПП на наличие разрывов или замыканий. Проверить соединение между разъемами (C-5). См. "Проверка жгутов и разъемов" в этом разделе.
Все исправно? | - | | Заменить провод КПП или отрегулировать разъемы. |



Диагностический код неисправности (DTC) P0977
Высокое напряжение цепи управления электромагнитным клапаном переключения передач SS2
Условия действия DTC
- Аварийный режим отключен.
- Истекшее время после изменения выходного сигнала электромагнитного клапана составляет 0,025 секунды.
Условия занесения кода неисправности
- Цепь обратной связи электромагнитного клапана переключения передач SS2 сигнализирует о постоянном обрыве или замыкании на напряжение в течение 0,5 секунды.
Действия при занесении кода неисправности
- Контроллер КПП отдает команду на включение сигнализатора неисправностей (MIL).
- Контроллер КПП регистрирует рабочее состояние, когда удовлетворяются "Условия занесения кода неисправности". Контроллер КПП сохраняет эту информацию как запись о неисправности.
- Контроллер КПП сохраняет диагностический код неисправности в памяти контроллера КПП.
- Контроллер КПП включает аварийный режим.
Когда включен аварийный режим, имеют место следующие условия: КПП будет работать на 4-й передаче (замыкание на напряжение: 5-я передача) при переключении КПП в диапазон D или M+.
КПП будет работать на 2-й передаче при переключении КПП в диапазон 2-й или M- передачи.
Управление обучением отключено.
Управление блокировкой отключено.
Адаптивное управление отключено.
Переключение N-D отключено.
Условия очистки кода неисправности/выключения индикатора неисправности
- Сигнализатор неисправностей (MIL) отключается, если неисправность не обнаруживается в течение трех последовательных драйв-циклов.
- Очистить код из памяти контроллера можно с помощью диагностического прибора.
- Контроллер КПП стирает диагностический код неисправности из памяти контроллера КПП после сорока последующих нагревательных циклов без неисправностей.
Причина неисправности
- Электрический разъем или жгут между электромагнитным клапаном переключения передач SS2 и контроллером КПП
- Клапан переключения 2
- контроллер КПП
Код P0977 - Высокое напряжение цепи управления электромагнитным клапаном переключения передач SS2
| Шаг | Операция | Значения | Да | Нет |
| 1 | - Выключить зажигание.
- Подключить диагностический прибор.
- Двигатель остановлен. Перевести замок зажигания в положение ON.
- В меню "Diagnostic Trouble Codes Information" ("Информация о кодах") диагностического прибора выбрать команду "Store Freeze Frame/Failure Records" ("Стоп-кадр/Записи о неисправности").
- Сохранить данные стоп-кадра/записи о неисправности.
- В меню "Diagnostic Trouble Codes Information" ("Информация о кодах") выбрать команду "Clear DTC Information" ("Очистить информацию о кодах").
- Очистить информацию о кодах.
- Выполнить один драйв-цикл.
Сигнализатор неисправности горит? | - | Перейти к Шагу 2 | |
| 2 | - В меню "Diagnostic Trouble Codes Information" ("Информация о кодах") выбрать команду "Request DTC by Status" ("Запрос кодов по состоянию").
- Выполнить запрос кодов по состоянию.
Отображается ли код P0977? | - | Перейти к Шагу 3 | |
| 3 | - Выключить зажигание.
- Проверить сопротивление между жгутом автомобиля и электромагнитным клапаном переключения передач SS2. См. "Проверка состояния агрегата" в этом разделе.
- Разъединить разъем контроллера КПП (X-1) и проверить сопротивление между контактами A15 и A23.
Результат измерения находится в указанном диапазоне? | 20°C (68°F): 11-16Ом | Перейти к Шагу 4 | Перейти к Шагу 5 |
| 4 | - Проверить наличие неисправности между колодкой жгута автомобиля и контроллером КПП.
- Проверить колодки разъема. См. "Проверка жгутов и электрических разъемов" в этом разделе.
- Проверить надежность соединения колодок разъема (C-1).
Соединение исправно? | - | Перейти к Шагу 6 | Устранить неисправность колодок жгута. |
| 5 | - Проверить наличие неисправности между жгутом автомобиля и клапаном переключения передач 2.
- Отсоединить разъем провода КПП (X-3) и проверить сопротивление между контактом 7 разъема клапана переключения передач SS2 и землей.
Результат измерения находится в указанном диапазоне? | 20°C (68°F): 11-16Ом | Перейти к Шагу 7 | Перейти к Шагу 8 |
| 6 | - Заменить основной контроллер КПП.
- После устранения кодов провести испытание с воспроизведением условий возникновения неисправности.
Отображается ли код неисправности? | - | | Заменить контроллер КПП. |
| 7 | - Проверить наличие неисправности жгута автомобиля или разъемов.
- Проверить жгуты проводов автомобиля на наличие разрывов или замыканий. Проверить соединение между разъемами (C-3). См. "Проверка жгутов проводов и разъемов" в этом разделе.
Все исправно? | - | | Заменить жгут или отрегулировать разъемы. |
| 8 | - Проверить наличие неисправности жгута КПП или разъемов клапана переключения передач 2.
- Проверить исправность клапана переключения передач 2. См. "Проверка состояния агрегата" в этом разделе.
Неисправность обнаружена? | - | Заменить клапан переключения передач SS2. | Перейти к Шагу 9 |
| 9 | - Проверить наличие неисправности жгута КПП.
- Проверить провод КПП на наличие разрывов или замыканий. Проверить соединение между разъемами (C-5). См. "Проверка жгутов и разъемов" в этом разделе.
Все исправно? | - | | Заменить провод КПП или отрегулировать разъемы. |



Код P0979
Низкое напряжение цепи управления электромагнитным клапаном переключения передач SS3
Условия действия DTC
- Аварийный режим отключен.
- Истекшее время после изменения выходного сигнала электромагнитного клапана составляет 0,025 секунды.
Условия занесения кода неисправности
- Цепь обратной связи электромагнитного клапана переключения передач SS3 сигнализирует о замыкании на землю в течение 0,5 секунды.
Действия при занесении кода неисправности
- Контроллер КПП отдает команду на включение сигнализатора неисправностей (MIL).
- Контроллер КПП регистрирует рабочее состояние, когда удовлетворяются "Условия занесения кода неисправности". Контроллер КПП сохраняет эту информацию как запись о неисправности.
- Контроллер КПП сохраняет диагностический код неисправности в памяти контроллера КПП.
- Контроллер КПП включает аварийный режим.
Когда включен аварийный режим, имеют место следующие условия: КПП будет работать на 4-й передаче при переключении КПП в диапазон D, M+, M-, 2-й передачи.
Управление обучением отключено.
Управление блокировкой отключено.
Адаптивное управление отключено.
Переключение N-D отключено.
Условия очистки кода неисправности/выключения индикатора неисправности
- Сигнализатор неисправностей (MIL) отключается, если неисправность не обнаруживается в течение трех последовательных драйв-циклов.
- Очистить код из памяти контроллера можно с помощью диагностического прибора.
- Контроллер КПП стирает диагностический код неисправности из памяти контроллера КПП после сорока последующих нагревательных циклов без неисправностей.
Причина неисправности
- Электрический разъем или жгут между электромагнитным клапаном переключения передач SS3 и контроллером КПП
- Клапан переключения SS3
- контроллер КПП
Код P0979 - Низкое напряжение цепи управления электромагнитным клапаном переключения передач SS3
| Шаг | Операция | Значения | Да | Нет |
| 1 | - Выключить зажигание.
- Подключить диагностический прибор.
- Двигатель остановлен. Перевести замок зажигания в положение ON.
- В меню "Diagnostic Trouble Codes Information" ("Информация о кодах") диагностического прибора выбрать команду "Store Freeze Frame/Failure Records" ("Стоп-кадр/Записи о неисправности").
- Сохранить данные стоп-кадра/записи о неисправности.
- В меню "Diagnostic Trouble Codes Information" ("Информация о кодах") выбрать команду "Clear DTC Information" ("Очистить информацию о кодах").
- Очистить информацию о кодах.
- Выполнить один драйв-цикл.
Сигнализатор неисправности горит? | - | Перейти к Шагу 2 | |
| 2 | - В меню "Diagnostic Trouble Codes Information" ("Информация о кодах") выбрать команду "Request DTC by Status" ("Запрос кодов по состоянию").
- Выполнить запрос кодов по состоянию.
Отображается ли код P0979? | - | Перейти к Шагу 3 | |
| 3 | - Выключить зажигание.
- Проверить сопротивление между жгутом автомобиля и электромагнитным клапаном переключения передач SS3. См. "Проверка состояния агрегата" в этом разделе.
- Отключить разъем контроллера КПП (X-1) и проверить сопротивление между контактами A14 и A23.
Результат измерения находится в указанном диапазоне? | 20°C (68°F): 11-16Ом | Перейти к Шагу 4 | Перейти к Шагу 5 |
| 4 | - Проверить наличие неисправности между колодкой жгута автомобиля и контроллером КПП.
- Проверить колодки разъема. См. "Проверка жгутов и электрических разъемов" в этом разделе.
- Проверить надежность соединения колодок разъема (C-1).
Соединение исправно? | - | Перейти к Шагу 6 | Устранить неисправность колодок жгута. |
| 5 | - Проверить наличие неисправности между жгутом автомобиля и клапаном переключения передач SS3.
- Отсоединить разъем провода КПП (X-3) и проверить сопротивление между контактом 13 разъема клапана переключения передач SS3 и землей.
Результат измерения находится в указанном диапазоне? | 20°C (68°F): 11-16Ом | Перейти к Шагу 7 | Перейти к Шагу 8 |
| 6 | - Заменить основной контроллер КПП.
- После устранения кодов провести испытание с воспроизведением условий возникновения неисправности.
Отображается ли код неисправности? | - | | Заменить контроллер КПП. |
| 7 | - Проверить наличие неисправности жгута автомобиля или разъемов.
- Проверить жгуты проводов автомобиля на наличие разрывов или замыканий. Проверить соединение между разъемами (C-3). См. "Проверка жгутов проводов и разъемов" в этом разделе.
Все исправно? | - | | Заменить жгут или отрегулировать разъемы. |
| 8 | - Проверить наличие неисправности провода КПП или разъемов клапана переключения передач SS3.
- Проверить исправность клапана переключения передач SS3. См. "Проверка состояния агрегата" в этом разделе.
Неисправность обнаружена? | - | Заменить клапан переключения передач SS3. | Перейти к Шагу 9 |
| 9 | - Проверить наличие неисправности жгута КПП.
- Проверить провод КПП на наличие разрывов или замыканий. Проверить соединение между разъемами (C-5). См. "Проверка жгутов и разъемов" в этом разделе.
Все исправно? | - | | Заменить провод КПП или отрегулировать разъемы. |



Код P0980
Высокое напряжение цепи управления электромагнитным клапаном переключения передач SS3
Условия действия DTC
- Аварийный режим отключен.
- Истекшее время после изменения выходного сигнала электромагнитного клапана составляет 0,025 секунды.
Условия занесения кода неисправности
- Цепь обратной связи электромагнитного клапана переключения передач SS3 сигнализирует о постоянном обрыве или замыкании на напряжение в течение 0,5 секунды.
Действия при занесении кода неисправности
- Контроллер КПП отдает команду на включение сигнализатора неисправностей (MIL).
- Контроллер КПП регистрирует рабочее состояние, когда удовлетворяются "Условия занесения кода неисправности". Контроллер КПП сохраняет эту информацию как запись о неисправности.
- Контроллер КПП сохраняет диагностический код неисправности в памяти контроллера КПП.
- Контроллер КПП включает аварийный режим.
Когда включен аварийный режим, имеют место следующие условия: КПП будет работать на 3-й передаче (замыкание на напряжение) или 4-й передаче (обрыв) при переключении КПП в диапазон D или M+.
КПП будет работать на 2-й передаче (замыкание на напряжение) или 4-й передаче (обрыв) при переключении КПП в диапазон 2-й или M- передачи.
Управление обучением отключено.
Управление блокировкой отключено.
Адаптивное управление отключено.
Переключение N-D отключено.
Условия очистки кода неисправности/выключения индикатора неисправности
- Сигнализатор неисправностей (MIL) отключается, если неисправность не обнаруживается в течение трех последовательных драйв-циклов.
- Очистить код из памяти контроллера можно с помощью диагностического прибора.
- Контроллер КПП стирает диагностический код неисправности из памяти контроллера КПП после сорока последующих нагревательных циклов без неисправностей.
Причина неисправности
- Электрический разъем или жгут между электромагнитным клапаном переключения передач SS3 и контроллером КПП
- Клапан переключения SS3
- контроллер КПП
Код P0980 - Высокое напряжение цепи управления электромагнитным клапаном переключения передач SS3
| Шаг | Операция | Значения | Да | Нет |
| 1 | - Выключить зажигание.
- Подключить диагностический прибор.
- Двигатель остановлен. Перевести замок зажигания в положение ON.
- В меню "Diagnostic Trouble Codes Information" ("Информация о кодах") диагностического прибора выбрать команду "Store Freeze Frame/Failure Records" ("Стоп-кадр/Записи о неисправности").
- Сохранить данные стоп-кадра/записи о неисправности.
- В меню "Diagnostic Trouble Codes Information" ("Информация о кодах") выбрать команду "Clear DTC Information" ("Очистить информацию о кодах").
- Очистить информацию о кодах.
- Выполнить один драйв-цикл.
Сигнализатор неисправности горит? | - | Перейти к Шагу 2 | |
| 2 | - В меню "Diagnostic Trouble Codes Information" ("Информация о кодах") выбрать команду "Request DTC by Status" ("Запрос кодов по состоянию").
- Выполнить запрос кодов по состоянию.
Отображается ли код P0980? | - | Перейти к Шагу 3 | |
| 3 | - Выключить зажигание.
- Проверить сопротивление между жгутом автомобиля и электромагнитным клапаном переключения передач SS3. См. "Проверка состояния агрегата" в этом разделе.
- Отключить разъем контроллера КПП (X-1) и проверить сопротивление между контактами A14 и A23.
Результат измерения находится в указанном диапазоне? | 20°C (68°F): 11-16Ом | Перейти к Шагу 4 | Перейти к Шагу 5 |
| 4 | - Проверить наличие неисправности между колодкой жгута автомобиля и контроллером КПП.
- Проверить колодки разъема. См. "Проверка жгутов и электрических разъемов" в этом разделе.
- Проверить надежность соединения колодок разъема (C-1).
Соединение исправно? | - | Перейти к Шагу 6 | Устранить неисправность колодок жгута. |
| 5 | - Проверить наличие неисправности между жгутом автомобиля и клапаном переключения передач SS3.
- Отсоединить разъем провода КПП (X-3) и проверить сопротивление между контактом 13 разъема клапана переключения передач SS3 и землей.
Результат измерения находится в указанном диапазоне? | 20°C (68°F): 11-16Ом | Перейти к Шагу 7 | Перейти к Шагу 8 |
| 6 | - Заменить основной контроллер КПП.
- После устранения кодов провести испытание с воспроизведением условий возникновения неисправности.
Отображается ли код неисправности? | - | | Заменить контроллер КПП. |
| 7 | - Проверить наличие неисправности жгута автомобиля или разъемов.
- Проверить жгуты проводов автомобиля на наличие разрывов или замыканий. Проверить соединение между разъемами (C-3). См. "Проверка жгутов проводов и разъемов" в этом разделе.
Все исправно? | - | | Заменить жгут или отрегулировать разъемы. |
| 8 | - Проверить наличие неисправности провода КПП или разъемов клапана переключения передач SS3.
- Проверить исправность клапана переключения передач SS3. См. "Проверка состояния агрегата" в этом разделе.
Неисправность обнаружена? | - | Заменить клапан переключения передач SS3. | Перейти к Шагу 9 |
| 9 | - Проверить наличие неисправности жгута КПП.
- Проверить провод КПП на наличие разрывов или замыканий. Проверить соединение между разъемами (C-5). См. "Проверка жгутов и разъемов" в этом разделе.
Все исправно? | - | | Заменить провод КПП или отрегулировать разъемы. |



Код P0982
Низкое напряжение цепи управления электромагнитным клапаном переключения передач SS4
Условия действия DTC
- Аварийный режим отключен.
- Истекшее время после изменения выходного сигнала электромагнитного клапана составляет 0,025 секунды.
Условия занесения кода неисправности
- Цепь обратной связи электромагнитного клапана переключения передач SS4 сигнализирует о замыкании на землю в течение 0,5 секунды.
Действия при занесении кода неисправности
- Контроллер КПП отдает команду на включение сигнализатора неисправностей (MIL).
- Контроллер КПП регистрирует рабочее состояние, когда удовлетворяются "Условия занесения кода неисправности". Контроллер КПП сохраняет эту информацию как запись о неисправности.
- Контроллер КПП сохраняет диагностический код неисправности в памяти контроллера КПП.
- Контроллер КПП включает аварийный режим.
Когда включен аварийный режим, имеют место следующие условия: КПП будет работать на 4-й передаче при переключении КПП в диапазон D или M+.
КПП будет работать на 2-й передаче при переключении КПП в диапазон 2-й или M- передачи.
Управление обучением отключено.
Управление блокировкой отключено.
Адаптивное управление отключено.
Переключение N-D отключено.
Условия очистки кода неисправности/выключения индикатора неисправности
- Сигнализатор неисправностей (MIL) отключается, если неисправность не обнаруживается в течение трех последовательных драйв-циклов.
- Очистить код из памяти контроллера можно с помощью диагностического прибора.
- Контроллер КПП стирает диагностический код неисправности из памяти контроллера КПП после сорока последующих нагревательных циклов без неисправностей.
Причина неисправности
- Электрический разъем или жгут между электромагнитным клапаном переключения передач SS4 и контроллером КПП
- Клапан переключения SS4
- контроллер КПП
Код P0982 - Низкое напряжение цепи управления электромагнитным клапаном переключения передач SS4
| Шаг | Операция | Значения | Да | Нет |
| 1 | - Выключить зажигание.
- Подключить диагностический прибор.
- Двигатель остановлен. Перевести замок зажигания в положение ON.
- В меню "Diagnostic Trouble Codes Information" ("Информация о кодах") диагностического прибора выбрать команду "Store Freeze Frame/Failure Records" ("Стоп-кадр/Записи о неисправности").
- Сохранить данные стоп-кадра/записи о неисправности.
- В меню "Diagnostic Trouble Codes Information" ("Информация о кодах") выбрать команду "Clear DTC Information" ("Очистить информацию о кодах").
- Очистить информацию о кодах.
- Выполнить один драйв-цикл.
Сигнализатор неисправности горит? | - | Перейти к Шагу 2 | |
| 2 | - В меню "Diagnostic Trouble Codes Information" ("Информация о кодах") выбрать команду "Request DTC by Status" ("Запрос кодов по состоянию").
- Выполнить запрос кодов по состоянию.
Отображается ли код P0982? | - | Перейти к Шагу 3 | |
| 3 | - Выключить зажигание.
- Проверить сопротивление между жгутом автомобиля и электромагнитным клапаном переключения передач SS4. См. "Проверка состояния агрегата" в этом разделе.
- Отсоединить разъем контроллера КПП (X-1) и проверить сопротивление между контактами A13 и A23.
Результат измерения находится в указанном диапазоне? | 20°C (68°F): 11-16Ом | Перейти к Шагу 4 | Перейти к Шагу 5 |
| 4 | - Проверить наличие неисправности между колодкой жгута автомобиля и контроллером КПП.
- Проверить колодки разъема. См. "Проверка жгутов и электрических разъемов" в этом разделе.
- Проверить надежность соединения колодок разъема (C-1).
Соединение исправно? | - | Перейти к Шагу 6 | Устранить неисправность колодок жгута. |
| 5 | - Проверить наличие неисправности между жгутом автомобиля и клапаном переключения передач SS4.
- Отсоединить разъем провода КПП (X-3) и проверить сопротивление между контактом 6 разъема клапана переключения передач SS4 и землей.
Результат измерения находится в указанном диапазоне? | 20°C (68°F): 11-16Ом | Перейти к Шагу 7 | Перейти к Шагу 8 |
| 6 | - Заменить основной контроллер КПП.
- После устранения кодов провести испытание с воспроизведением условий возникновения неисправности.
Отображается ли код неисправности? | - | | Заменить контроллер КПП. |
| 7 | - Проверить наличие неисправности жгута автомобиля или разъемов.
- Проверить жгуты проводов автомобиля на наличие разрывов или замыканий. Проверить соединение между разъемами (C-3). См. "Проверка жгутов проводов и разъемов" в этом разделе.
Все исправно? | - | | Заменить жгут или отрегулировать разъемы. |
| 8 | - Проверить наличие неисправности провода КПП или разъемов клапана переключения передач SS4.
- Проверить исправность клапана переключения передач SS4. См. "Проверка состояния агрегата" в этом разделе.
Неисправность обнаружена? | - | Заменить клапан переключения передач SS4. | Перейти к Шагу 9 |
| 9 | - Проверить наличие неисправности жгута КПП.
- Проверить провод КПП на наличие разрывов или замыканий. Проверить соединение между разъемами (C-5). См. "Проверка жгутов и разъемов" в этом разделе.
Все исправно? | - | | Заменить провод КПП или отрегулировать разъемы. |



Код P0983
Высокое напряжение цепи управления электромагнитным клапаном переключения передач SS4
Условия действия DTC
- Аварийный режим отключен.
- Истекшее время после изменения выходного сигнала электромагнитного клапана составляет 0,025 секунды.
Условия занесения кода неисправности
- Цепь обратной связи электромагнитного клапана переключения передач SS4 сигнализирует о постоянном обрыве или замыкании на напряжение в течение 0,5 секунды.
Действия при занесении кода неисправности
- Контроллер КПП отдает команду на включение сигнализатора неисправностей (MIL).
- Контроллер КПП регистрирует рабочее состояние, когда удовлетворяются "Условия занесения кода неисправности". Контроллер КПП сохраняет эту информацию как запись о неисправности.
- Контроллер КПП сохраняет диагностический код неисправности в памяти контроллера КПП.
- Контроллер КПП включает аварийный режим.
Когда включен аварийный режим, имеют место следующие условия: КПП будет работать на 4-й передаче при переключении КПП в диапазон D или M+.
КПП будет работать на 2-й передаче (обрыв) или 3-й передаче (замыкание на напряжение) при переключении КПП в диапазон 2-й или M- передачи.
Управление обучением отключено.
Управление блокировкой отключено.
Адаптивное управление отключено.
Переключение N-D отключено.
Условия очистки кода неисправности/выключения индикатора неисправности
- Сигнализатор неисправностей (MIL) отключается, если неисправность не обнаруживается в течение трех последовательных драйв-циклов.
- Очистить код из памяти контроллера можно с помощью диагностического прибора.
- Контроллер КПП стирает диагностический код неисправности из памяти контроллера КПП после сорока последующих нагревательных циклов без неисправностей.
Причина неисправности
- Электрический разъем или жгут между электромагнитным клапаном переключения передач SS4 и контроллером КПП
- Клапан переключения SS4
- контроллер КПП
Код P0983 - Высокое напряжение цепи управления электромагнитным клапаном переключения передач SS4
| Шаг | Операция | Значения | Да | Нет |
| 1 | - Выключить зажигание.
- Подключить диагностический прибор.
- Двигатель остановлен. Перевести замок зажигания в положение ON.
- В меню "Diagnostic Trouble Codes Information" ("Информация о кодах") диагностического прибора выбрать команду "Store Freeze Frame/Failure Records" ("Стоп-кадр/Записи о неисправности").
- Сохранить данные стоп-кадра/записи о неисправности.
- В меню "Diagnostic Trouble Codes Information" ("Информация о кодах") выбрать команду "Clear DTC Information" ("Очистить информацию о кодах").
- Очистить информацию о кодах.
- Выполнить один драйв-цикл. Сигнализатор неисправности горит?
Сигнализатор неисправности горит? | - | Перейти к Шагу 2 | |
| 2 | - В меню "Diagnostic Trouble Codes Information" ("Информация о кодах") выбрать команду "Request DTC by Status" ("Запрос кодов по состоянию").
- Выполнить запрос кодов по состоянию.
Отображается ли код P0983? | - | Перейти к Шагу 3 | |
| 3 | - Выключить зажигание.
- Проверить сопротивление между жгутом автомобиля и электромагнитным клапаном переключения передач SS4. См. "Проверка состояния агрегата" в этом разделе.
- Отсоединить разъем контроллера КПП (X-1) и проверить сопротивление между контактами A13 и A23.
Результат измерения находится в указанном диапазоне? | 20°C (68°F): 11-16Ом | Перейти к Шагу 4 | Перейти к Шагу 5 |
| 4 | - Проверить наличие неисправности между колодкой жгута автомобиля и контроллером КПП.
- Проверить колодки разъема. См. "Проверка жгутов и электрических разъемов" в этом разделе.
- Проверить надежность соединения колодок разъема (C-1).
Соединение исправно? | - | Перейти к Шагу 6 | Устранить неисправность колодок жгута. |
| 5 | - Проверить наличие неисправности между жгутом автомобиля и клапаном переключения передач SS4.
- Отсоединить разъем провода КПП (X-3) и проверить сопротивление между контактом 6 разъема клапана переключения передач SS4 и землей.
Результат измерения находится в указанном диапазоне? | 20°C (68°F): 11-16Ом | Перейти к Шагу 7 | Перейти к Шагу 8 |
| 6 | - Заменить основной контроллер КПП.
- После устранения кодов провести испытание с воспроизведением условий возникновения неисправности.
Отображается ли код неисправности? | - | | Заменить контроллер КПП. |
| 7 | - Проверить наличие неисправности жгута автомобиля или разъемов.
- Проверить жгуты проводов автомобиля на наличие разрывов или замыканий. Проверить соединение между разъемами (C-3). См. "Проверка жгутов проводов и разъемов" в этом разделе.
Все исправно? | - | | Заменить жгут или отрегулировать разъемы. |
| 8 | - Проверить наличие неисправности провода КПП или разъемов клапана переключения передач SS4.
- Проверить исправность клапана переключения передач SS4. См. "Проверка состояния агрегата" в этом разделе.
Неисправность обнаружена? | - | Заменить клапан переключения передач SS4. | Перейти к Шагу 9 |
| 9 | - Проверить наличие неисправности жгута КПП.
- Проверить провод КПП на наличие разрывов или замыканий. Проверить соединение между разъемами (C-5). См. "Проверка жгутов и разъемов" в этом разделе.
Все исправно? | - | | Заменить провод КПП или отрегулировать разъемы. |



Код P0985
Низкое напряжение цепи управления электромагнитным клапаном переключения передач SS5
Условия действия DTC
- Аварийный режим отключен.
- Истекшее время после изменения выходного сигнала электромагнитного клапана составляет 0,025 секунды.
Условия занесения кода неисправности
- Цепь обратной связи электромагнитного клапана переключения передач SS5 сигнализирует о замыкании на землю в течение 0,5 секунды.
Действия при занесении кода неисправности
- Контроллер КПП отдает команду на включение сигнализатора неисправностей (MIL).
- Контроллер КПП регистрирует рабочее состояние, когда удовлетворяются "Условия занесения кода неисправности". Контроллер КПП сохраняет эту информацию как запись о неисправности.
- Контроллер КПП сохраняет диагностический код неисправности в памяти контроллера КПП.
- Контроллер КПП посылает контроллеру ЭСУД запрос на ограничение крутящего момента двигателя до 150 Н•м (111 фунт-футов).
- Контроллер КПП включает аварийный режим.
Когда включен аварийный режим, имеют место следующие условия: КПП будет работать на 4-й передаче при переключении КПП в диапазон D или M+.
КПП будет работать на 2-й передаче при переключении КПП в диапазон 2-й или M- передачи.
Управление обучением отключено.
Управление блокировкой отключено.
Адаптивное управление отключено.
Переключение N-D отключено.
Условия очистки кода неисправности/выключения индикатора неисправности
- Сигнализатор неисправностей (MIL) отключается, если неисправность не обнаруживается в течение трех последовательных драйв-циклов.
- Очистить код из памяти контроллера можно с помощью диагностического прибора.
- Контроллер КПП стирает диагностический код неисправности из памяти контроллера КПП после сорока последующих нагревательных циклов без неисправностей.
Причина неисправности
- Электрический разъем или жгут между электромагнитным клапаном переключения передач SS5 и контроллером КПП
- Клапан переключения SS5
- контроллер КПП
Код P0985 - Низкое напряжение цепи управления электромагнитным клапаном переключения передач SS5
| Шаг | Операция | Значения | Да | Нет |
| 1 | - Выключить зажигание.
- Подключить диагностический прибор.
- Двигатель остановлен. Перевести замок зажигания в положение ON.
- В меню "Diagnostic Trouble Codes Information" ("Информация о кодах") диагностического прибора выбрать команду "Store Freeze Frame/Failure Records" ("Стоп-кадр/Записи о неисправности").
- Сохранить данные стоп-кадра/записи о неисправности.
- В меню "Diagnostic Trouble Codes Information" ("Информация о кодах") выбрать команду "Clear DTC Information" ("Очистить информацию о кодах").
- Очистить информацию о кодах.
- Выполнить один драйв-цикл. Сигнализатор неисправности горит?
Сигнализатор неисправности горит? | - | Перейти к Шагу 2 | |
| 2 | - В меню "Diagnostic Trouble Codes Information" ("Информация о кодах") выбрать команду "Request DTC by Status" ("Запрос кодов по состоянию").
- Выполнить запрос кодов по состоянию.
Отображается ли код P0985? | - | Перейти к Шагу 3 | |
| 3 | - Выключить зажигание.
- Проверить сопротивление между жгутом автомобиля и электромагнитным клапаном переключения передач SS5. См. "Проверка состояния агрегата" в этом разделе.
- Отсоединить разъем контроллера КПП (X-1) и проверить сопротивление между контактами A22 и A23.
Результат измерения находится в указанном диапазоне? | 20°C (68°F): 11-16Ом | Перейти к Шагу 4 | Перейти к Шагу 5 |
| 4 | - Проверить наличие неисправности между колодкой жгута автомобиля и контроллером КПП.
- Проверить колодки разъема. См. "Проверка жгутов и электрических разъемов" в этом разделе.
- Проверить надежность соединения колодок разъема (C-1).
Соединение исправно? | - | Перейти к Шагу 6 | Устранить неисправность колодок жгута. |
| 5 | - Проверить наличие неисправности между жгутом автомобиля и клапаном переключения передач SS5.
- Отсоединить разъем провода КПП (X-3) и проверить сопротивление между контактом 12 разъема клапана переключения передач SS5 и землей.
Результат измерения находится в указанном диапазоне? | 20°C (68°F): 11-16Ом | Перейти к Шагу 7 | Перейти к Шагу 8 |
| 6 | - Заменить основной контроллер КПП.
- После устранения кодов провести испытание с воспроизведением условий возникновения неисправности.
Отображается ли код неисправности? | - | | Заменить контроллер КПП. |
| 7 | - Проверить наличие неисправности жгута автомобиля или разъемов.
- Проверить жгуты проводов автомобиля на наличие разрывов или замыканий. Проверить соединение между разъемами (C-3). См. "Проверка жгутов проводов и разъемов" в этом разделе.
Все исправно? | - | | Заменить жгут или отрегулировать разъемы. |
| 8 | - Проверить наличие неисправности провода КПП или разъемов клапана переключения передач SS5.
- Проверить исправность клапана переключения передач SS5. См. "Проверка состояния агрегата" в этом разделе.
Неисправность обнаружена? | - | Заменить клапан переключения передач SS5. | Перейти к Шагу 9 |
| 9 | - Проверить наличие неисправности жгута КПП.
- Проверить провод КПП на наличие разрывов или замыканий. Проверить соединение между разъемами (C-5). См. "Проверка жгутов и разъемов" в этом разделе.
Все исправно? | - | | Заменить провод КПП или отрегулировать разъемы. |



Код P0986
Высокое напряжение цепи управления электромагнитным клапаном переключения передач SS5
Условия действия DTC
- Аварийный режим отключен.
- Истекшее время после изменения выходного сигнала электромагнитного клапана составляет 0,025 секунды.
Условия занесения кода неисправности
- Цепь обратной связи электромагнитного клапана переключения передач SS5 сигнализирует о постоянном обрыве или замыкании на напряжение в течение 0,5 секунды.
Действия при занесении кода неисправности
- Контроллер КПП отдает команду на включение сигнализатора неисправностей (MIL).
- Контроллер КПП регистрирует рабочее состояние, когда удовлетворяются "Условия занесения кода неисправности". Контроллер КПП сохраняет эту информацию как запись о неисправности.
- Контроллер КПП сохраняет диагностический код неисправности в памяти контроллера КПП.
- Контроллер КПП посылает контроллеру ЭСУД запрос на ограничение крутящего момента двигателя до 150 Н•м (111 фунт-футов).
- Контроллер КПП включает аварийный режим.
Когда включен аварийный режим, имеют место следующие условия: КПП будет работать на 4-й передаче при переключении КПП в диапазон D или M+.
КПП будет работать на 2-й передаче при переключении КПП в диапазон 2-й или M- передачи.
Управление обучением отключено.
Управление блокировкой отключено.
Адаптивное управление отключено.
Переключение N-D отключено.
Условия очистки кода неисправности/выключения индикатора неисправности
- Сигнализатор неисправностей (MIL) отключается, если неисправность не обнаруживается в течение трех последовательных драйв-циклов.
- Очистить код из памяти контроллера можно с помощью диагностического прибора.
- Контроллер КПП стирает диагностический код неисправности из памяти контроллера КПП после сорока последующих нагревательных циклов без неисправностей.
Причина неисправности
- Электрический разъем или жгут между электромагнитным клапаном переключения передач SS5 и контроллером КПП
- Клапан переключения SS5
- контроллер КПП
Код P0986 - Высокое напряжение цепи управления электромагнитным клапаном переключения передач SS5
| Шаг | Операция | Значения | Да | Нет |
| 1 | - Выключить зажигание.
- Подключить диагностический прибор.
- Двигатель остановлен. Перевести замок зажигания в положение ON.
- В меню "Diagnostic Trouble Codes Information" ("Информация о кодах") диагностического прибора выбрать команду "Store Freeze Frame/Failure Records" ("Стоп-кадр/Записи о неисправности").
- Сохранить данные стоп-кадра/записи о неисправности.
- В меню "Diagnostic Trouble Codes Information" ("Информация о кодах") выбрать команду "Clear DTC Information" ("Очистить информацию о кодах").
- Очистить информацию о кодах.
- Выполнить один драйв-цикл. Сигнализатор неисправности горит?
Сигнализатор неисправности горит? | - | Перейти к Шагу 2 | |
| 2 | - В меню "Diagnostic Trouble Codes Information" ("Информация о кодах") выбрать команду "Request DTC by Status" ("Запрос кодов по состоянию").
- Выполнить запрос кодов по состоянию.
Отображается ли код P0986? | - | Перейти к Шагу 3 | |
| 3 | - Выключить зажигание.
- Проверить сопротивление между жгутом автомобиля и электромагнитным клапаном переключения передач SS5. См. "Проверка состояния агрегата" в этом разделе.
- Отсоединить разъем контроллера КПП (X-1) и проверить сопротивление между контактами A22 и A23.
Результат измерения находится в указанном диапазоне? | 20°C (68°F): 11-16Ом | Перейти к Шагу 4 | Перейти к Шагу 5 |
| 4 | - Проверить наличие неисправности между колодкой жгута автомобиля и контроллером КПП.
- Проверить колодки разъема. См. "Проверка жгутов и электрических разъемов" в этом разделе.
- Проверить надежность соединения колодок разъема (C-1).
Соединение исправно? | - | Перейти к Шагу 6 | Устранить неисправность колодок жгута. |
| 5 | - Проверить наличие неисправности между жгутом автомобиля и клапаном переключения передач SS5.
- Отсоединить разъем провода КПП (X-3) и проверить сопротивление между контактом 12 разъема клапана переключения передач SS5 и землей.
Результат измерения находится в указанном диапазоне? | 20°C (68°F): 11-16Ом | Перейти к Шагу 7 | Перейти к Шагу 8 |
| 6 | - Заменить основной контроллер КПП.
- После устранения кодов провести испытание с воспроизведением условий возникновения неисправности.
Отображается ли код неисправности? | - | | Заменить контроллер КПП. |
| 7 | - Проверить наличие неисправности жгута автомобиля или разъемов.
- Проверить жгуты проводов автомобиля на наличие разрывов или замыканий. Проверить соединение между разъемами (C-3). См. "Проверка жгутов проводов и разъемов" в этом разделе.
Все исправно? | - | | Заменить жгут или отрегулировать разъемы. |
| 8 | - Проверить наличие неисправности провода КПП или разъемов клапана переключения передач SS5.
- Проверить исправность клапана переключения передач SS5. См. "Проверка состояния агрегата" в этом разделе.
Неисправность обнаружена? | - | Заменить клапан переключения передач SS5. | Перейти к Шагу 9 |
| 9 | - Проверить наличие неисправности жгута КПП.
- Проверить провод КПП на наличие разрывов или замыканий. Проверить соединение между разъемами (C-5). См. "Проверка жгутов и разъемов" в этом разделе.
Все исправно? | - | | Заменить провод КПП или отрегулировать разъемы. |
 | |  | |