Руководство по техническому обслуживанию2007 Epica СИСТЕМА ОТОПЛЕНИЯ И ВЕНТИЛЯЦИИК началу документа
Epica
На предыдущую страницуНа следующую страницу
Главная страница GMDEЗагрузить нединамическое оглавлениеЗагрузить динамическое оглавлениеПомощь

РАЗДЕЛ 7A

СИСТЕМА ОТОПЛЕНИЯ И ВЕНТИЛЯЦИИ

Внимание! Отключить отрицательный кабель батаре перед снятием или установкой любых электрических узлов или при возможном контакте инструментов или оборудования с оголенными электрическими клеммами. Отключение кабеля поможет избежать травм и механических поврежений. Зажигание должно быть заблокировано, если не указано иное.

ТЕХНИЧЕСКИЕ ХАРАКТЕРИСТИКИ

Моменты затяжки резьбовых соединений

Применение
Н•м
lb-ft
lb-in
Винты электровентилятора к кондиционеру в сборе
6
-
53
Винты резистора электровентилятора
6
-
53
Крепежные винты панели управления
4
-
35
Винты кондиционера в сборе
4
-
71
Винты крышки теплообменника обогревателя
3
-
26.5

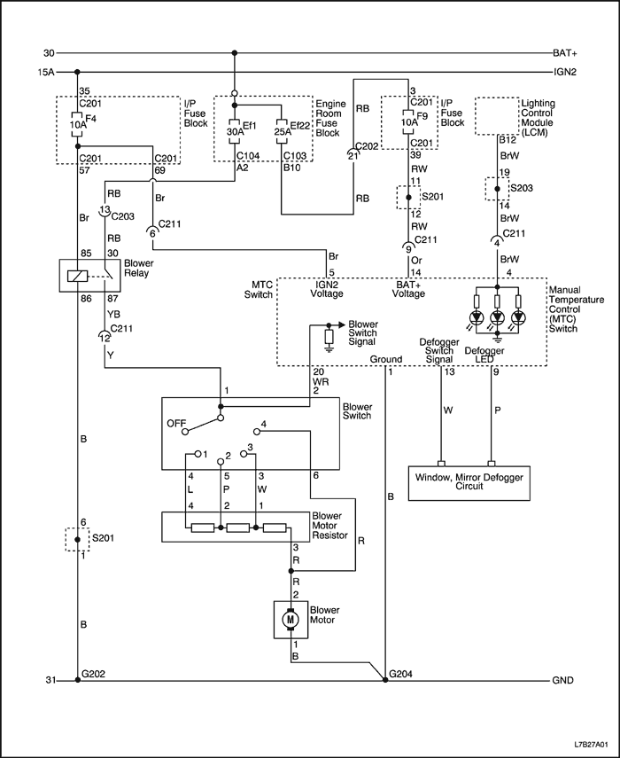
ПРИНЦИПИАЛЬНЫЕ И МОНТАЖНЫЕ СХЕМЫ

Схемы без кондиционера


L7B27A01
Показать иллюстрациюПеревод текста в иллюстрациях


Распределение воздушных потоков - типовое


V3B17A02
Показать иллюстрациюПеревод текста в иллюстрациях


Распределение воздушных потоков с задним нагревательным каналом

(показано левостороннее управление, правостороннее управление аналогично)


L7B27A02
Показать иллюстрациюПеревод текста в иллюстрациях


ДИАГНОСТИКА

СИСТЕМА ОБОГРЕВАТЕЛЯ

Недостаточный обогрев воздуха в салоне или ветрового стекла

Внимание! При нагреве повышается давление в системе охлаждения. Снятие крышки расширительного бачка при недостаточно остывшем двигателе может привести к травме.

ШагОперацияЗначенияДаНет
1
Убедиться в подтверждении жалобы клиента.
Жалобы клиента подтверждены?
-
Перейти к операции 2
Система в норме
2
Проверить уровень охлаждающей жидкости.
Уровень охлаждающей жидкости в норме?
-
Перейти к операции 4
Перейти к операции 3
3
При необходимости долить охлаждающую жидкость.
Закончен ли ремонт?
-
Система в норме
Перейти к операции 4
4
Проверить натяжение и отсутствие повреждений приводных ремней.
Приводные ремни в порядке?
-
Перейти к операции 6
Перейти к операции 5
5
Устранить выявленные дефекты приводных ремней.
Закончен ли ремонт?
-
Система в норме
Перейти к операции 6
6
Проверить шланги охлаждающей жидкости на отсутствие утечки или перегибов.
Шланги охлаждающей жидкости в порядке?
-
Перейти к операции 8
Перейти к операции 7
7
Устранить неисправности шлангов охлаждающей жидкости.
Закончен ли ремонт?
-
Система в норме
Перейти к операции 8
8
Проверить крышку расширительного бачка на наличие утечек.
Крышка расширительного бачка в порядке?
-
Перейти к операции 10
Перейти к операции 9
9
При необходимости заменить крышку расширительного бачка.
Закончен ли ремонт?
-
Система в норме
Перейти к операции 10
10
  1. Выключить кондиционер.
  2. Включить электровентилятор на максимальную скорость.
  3. Установить регулятор обогрева на максимальный обогрев.
  4. Включить зажигание.
  5. Проверить поток воздуха из выпускного вентиляционного отверстия.
Есть ли сильный воздушный поток из выпускного отверстия обогревателя?
-
Перейти к операции 11
Перейти к операции 26
11
Проверить изменение воздушного потока, изменяя скорость вентилятора.
Повышается ли скорость вентилятора при переключении с минимума на максимум?
-
Перейдите к операции 12
12
  1. Выключить кондиционер.
  2. Установить рычаг регулятора температуры на максимальный обогрев.
  3. Включить электровентилятор на максимальную скорость.
  4. Когда двигатель достаточно остынет, снять крышку расширительного бачка.
  5. Запустить двигатель и дать ему поработать на холостых оборотах.
  6. Наблюдать протекание охлаждающей жидкости.
Видно ли движение охлаждающей жидкости?
-
Перейти к операции 14
Перейти к операции 13
13
  1. Проверить наличие следующих проблем:
    • Ограничения протекания в системе охлаждения.
    • Неисправность крыльчатки водяного насоса.
    • Неисправность термостата.
  2. При необходимости отремонтировать систему охлаждения.
Неисправности устранены?
-
Система в норме
Перейти к операции 14
14
  1. Установить на место крышку расширительного бачка.
  2. После включения зажигания прогреть двигатель в течение около 20 минут. Проехать на автомобиле со скоростью 48 км/ч (30 миль/ч).
  3. С помощью термометра измерить температуру наружного воздуха и температуру воздуха, выходящего из выпускного отверстия обогревателя.
Соответствует ли температура на выходе обогревателя приведенным минимальным значениям?
Окружающий
-18°C (0°F)
-4°C (25°F)
10°C (50°F)
24°C (75°F)
Выпускное отверстие обогревателя
54°C (129°F)
59°C (138°F)
64°C (147°F)
68°C (154°F)
Перейдите к операции 15
Перейти к операции 16
15
  1. Проверить наличие на автомобиле утечки холодного воздуха в следующих местах:
    • Передняя панель.
    • Корпус обогревателя.
    • Вентиляционные отверстия.
  2. Проверить наличие препятствий под сидениями.
  3. Устранить выявленные утечки или препятствия.
Неисправности устранены?
-
Система в норме
-
16
  1. Выключить зажигание.
  2. Установить регулятор температуры на максимальное охлаждение, а затем резко на максимальный обогрев.
  3. Прослушать звук щелчка температурной заслонки непосредственно перед тем, как регулятор достигнет упора.
Щелкает ли заслонка?
-
Перейдите к операции 18
Перейти к операции 17
17
  1. Проверить следующие характеристики температурной заслонки:
    • Рабочий ход.
    • Тросы.
    • Соединительные тяги.
  2. Проверить точность температурных регуляторов при максимальном обогреве.
  3. Проверить точность температурных регуляторов при максимальном охлаждении.
Закончен ли ремонт?
-
Система в норме
-
18
  1. Установить ручку регулятора температуры на максимальный обогрев.
  2. Запустить двигатель.
  3. Проверить на ощупь температуру впускного и выпускного шлангов обогревателя. Температура воздуха вокруг шлангов должна составлять не менее 29°C (84°F).
Впускной шланг обогревателя горячий, а выпускной шланг обогревателя теплый?
-
Перейти к операции 19
Перейти к операции 22
19
Термостат правильно установлен и загерметизирован?
-
Перейти к операции 20
Перейти к операции 21
20
Закончен ли ремонт?
-
Система в норме
-
21
Установить термостат на место.
Закончен ли ремонт?
-
Система в норме
-
22
Проверить правильность установки шлангов обогревателя.
Шланги обогревателя подсоединены наоборот?
-
Перейти к операции 23
Перейти к операции 24
23
Установить шланги обогревателя правильно.
Закончен ли ремонт?
-
Система в норме
-
24
  1. Промыть теплообменник обогревателя обратным потоком.
  2. Слить систему охлаждения.
  3. Заменить охлаждающую жидкость.
  4. Прогреть двигатель до средней рабочей температуры.
  5. Проверить на ощупь температуру впускного и выпускного шлангов обогревателя.
Впускной шланг обогревателя горячий, а выпускной шланг обогревателя теплый?
-
Система в норме
Перейти к операции 25
25
Заменить теплообменник обогревателя.
Закончен ли ремонт?
-
Система в норме
-
26
Перепроверить систему согласно процедурам проверки "Положение органов управления/правильные результаты". См. "Неправильное распределение воздуха или отсутствует переключение режимов" в этом разделе.
Закончен ли ремонт?
-
Система в норме
Перейти к операции 27
27
Проверить воздушный поток из отверстий обогрева стекол или вентиляционных отверстий.
Есть ли сильный воздушный поток из отверстий обогрева стекол или вентиляционных отверстий?
-
Перейти к операции 28
Перейти к операции 29
28
  1. Проверить заслонку обогревателя в полу и вентиляционную заслонку, чтобы получить нормальный воздушный поток и убедиться в правильности функционирования.
  2. При необходимости отремонтировать.
Закончен ли ремонт?
-
Система в норме
-
29
Установить переключатель режимов в положение обогрева стекол.
Воздушный поток обогрева стекол в порядке?
-
Перейти к операции 30
Перейти к операции 31
30
  1. Отсоединить выпуск обогревателя и проверить наличие препятствий.
  2. Удалить препятствия из выпуска обогревателя.
Закончен ли ремонт?
-
Система в норме
-
31
Проверить изменение воздушного потока на разных скоростях вентилятора.
Повышается ли скорость вентилятора при переключении из положения 1 в положение 4?
-
Перейти к операции 32
32
Проверить наличие препятствий в системе во впуске вентилятора и на воздушном фильтре, если на автомобиле он установлен.
Обнаружены ли препятствия?
-
Перейти к операции 33
Перейти к операции 34
33
Удалить препятствия из системы во впуске вентилятора или заменить засоренный фильтр.
Закончен ли ремонт?
-
Система в норме
-
34
  1. Включить вентилятор на максимальную скорость.
  2. Повернуть регулятор температуры с максимального обогрева на максимальное охлаждение.
  3. Прослушать изменение воздушного потока.
Изменяется ли воздушный поток?
-
Перейти к операции 35
Перейти к операции 36
35
  1. Проверить следующие характеристики температурной заслонки:
    • Рабочий ход.
    • Тросы.
    • Соединительные тяги.
    • Органы управления.
  2. Проверить точность температурного регулятора при максимальном обогреве.
Закончен ли ремонт?
-
Перейти к операции 1
-
36
  1. Проверить систему на наличие препятствий между вентилятором и выпускными отверстиями системы.
  2. Удалить обнаруженные препятствия.
Закончен ли ремонт?
-
Перейти к операции 1
-

Электрический вентилятор

ШагОперацияЗначенияДаНет
1
Убедиться в подтверждении жалобы клиента.
Жалобы клиента подтверждены?
-
Перейти к операции 2
Система в норме
2
Включить вентилятор.
Работает ли вентилятор на любой скорости?
-
Перейти к операции 14
Перейти к операции 3
3
  1. Отключить разъем питания от электровентилятора под передней панелью на стороне пассажира автомобиля.
  2. Включить зажигание.
  3. Включить вентилятор.
  4. Проверить напряжение на разъеме. Вывод ЖЕЛ/ЧЕР провода - положительный, вывод ЧЕР провода - отрицательный.
Есть ли напряжение?
11-14 В
Перейти к операции 4
Перейти к операции 5
4
Заменить электровентилятор.
Закончен ли ремонт?
-
Система в норме
-
5
Проверить предохранитель EF22 в блоке предохранителей двигателя.
Предохранитель перегорел?
-
Перейти к операции 6
Перейти к операции 7
6
  1. Включить зажигание.
  2. С помощью детектора короткого замыкания проверить наличие короткого замыкания в следующих местах:
    • Панель предохранителей - переключатель скорости вентилятора.
    • Переключатель скорости вентилятора - блок резисторов обогревателя.
    • Блок резисторов обогревателя - электровентилятор.
    • Переключатель скорости вентилятора - реле высокой скорости вентилятора.
  3. Устранить найденное короткое замыкание.
  4. Заменить сгоревший предохранитель.
Закончен ли ремонт?
-
Система в норме
-
7
  1. Включить зажигание.
  2. Установить переключатель вентилятора в положение 4.
  3. Проверить массу электровентилятора.
Масса в порядке?
-
Перейти к операции 9
Перейти к операции 8
8
Отремонтировать соединение вентилятора с массой.
Закончен ли ремонт?
-
Система в норме
-
9
Проверить разъем электромотора контрольной лампой 12 вольт.
Загорается ли контрольная лампа?
-
Перейти к операции 10
Перейти к операции 11
10
Устранить разрыв в проводке электропитания с блока резисторов на электровентилятор.
Закончен ли ремонт?
-
Система в норме
-
11
С помощью 12-вольтовой контрольной лампы проверить выводы электропитания на переключателе скорости вентилятора.
Загорается ли лампа?
-
Перейдите к операции 12
Перейти к операции 13
12
Заменить переключатель скорости вентилятора.
Закончен ли ремонт?
-
Система в норме
-
13
Устранить разрыв в проводке электропитания с переключателя скорости вентилятора на панель предохранителей.
Закончен ли ремонт?
-
Система в норме
-
14
Включить вентилятор на скорости 4.
Вентилятор не работает на скорости 4?
-
Перейдите к операции 15
Перейти к операции 21
15
Проверить предохранитель EF6 в блоке предохранителей двигателя.
Предохранитель перегорел?
-
Перейти к операции 16
Перейти к операции 17
16
  1. Включить зажигание.
  2. Установить переключатель электровентилятора в положение 4.
  3. С помощью детектора короткого замыкания проверить наличие короткого замыкания в следующих местах:
    • Панель предохранителей двигателя - реле высокой скорости вентилятора.
    • Реле высокой скорости вентилятора - электровентилятор.
  4. Устранить найденное короткое замыкание.
  5. Заменить предохранитель EF6.
Закончен ли ремонт?
-
Система в норме
-
17
  1. Включить зажигание.
  2. Установить переключатель электровентилятора в положение 4.
  3. Проверить подачу 12 вольт на вывод обмотки реле высокой скорости вентилятора (HI) с вывода A5 переключателя скорости вентилятора.
Есть ли напряжение?
-
Перейдите к операции 18
Перейти к операции 19
18
Заменить переключатель скорости вентилятора.
Закончен ли ремонт?
-
Система в норме
-
19
  1. Выключить зажигание.
  2. Проверить наличие разрывов в следующих местах:
    • Предохранитель EF6 - реле высокой скорости вентилятора.
    • Переключатель скорости вентилятора - реле высокой скорости вентилятора.
    • Реле высокой скорости вентилятора - масса.
    • Реле высокой скорости вентилятора - электровентилятор.
  3. Устранить найденные разрывы.
Закончен ли ремонт?
-
Система в норме
Перейти к операции 20
20
Заменить реле высокой скорости вентилятора.
Закончен ли ремонт?
-
Система в норме
-
21
  1. Отключить разъем блока резисторов.
  2. Подключить один провод контрольной лампы с автономным электропитанием к одному из проводов на блоке резисторов. Другим проводом прикоснуться к каждому из остальных двух выводов.
Загорается ли контрольная лампа на всех выводах?
-
Перейти к операции 23
Перейти к операции 22
22
Заменить блок резисторов.
Закончен ли ремонт?
-
Система в норме
-
23
  1. Установить замок зажигания в запертое положение (LOCK).
  2. Отключить разъем от блока резисторов.
  3. Подключить перемычку с положительного вывода аккумулятора к любому выводу разъема.
  4. С помощью 12-вольтовой контрольной лампы проверить напряжение на выводе соответствующего провода на переключателе скорости вентилятора.
  5. Повторить эту проверку на остальных проводах.
Загорается ли контрольная лампа на всех трех проводах?
-
Перейти к операции 25
Перейти к операции 24
24
Заменить переключатель скорости вентилятора.
Закончен ли ремонт?
-
Система в норме
-
25
Устранить разрыв в поврежденном проводе.
Закончен ли ремонт?
-
Система в норме
-

Неправильное распределение воздуха или отсутствует переключение режимов

Эта процедура включает проверку всех функций системы обогрева салона и стекол.
  1. Прогреть автомобиль.
  2. Оставить двигатель работающим.
  3. Выполнить проверки, описанные в следующей таблице, и сравнить полученные результаты.
ПОЛОЖЕНИЕ ОРГАНОВ УПРАВЛЕНИЯ
ПРАВИЛЬНЫЕ РЕЗУЛЬТАТЫ
Ручка переключения режимов
Регулятор темп.
ПЕРЕКЛЮЧАТЕЛЬ ВЕНТИЛЯТОРА
СКОРОСТЬ ВЕНТИЛЯТОРА
Боковое выпускное вентиляционное отверстие
Центральное выпускное вентиляционное отверстие
НАПОЛЬНЫЙ ВЫПУСК
ВЫПУСК ОБОГРЕВА СТЕКОЛ
ВЫПУСК БОКОВЫХ СТЕКОЛ
Вентиляция
Холодный
Выкл.
Выкл.
Нет воздушного потока
Нет воздушного потока
Нет воздушного потока
Нет воздушного потока
Нет воздушного потока
Вентиляция
Холодный
4
Высокая
Поток наружного воздуха
Поток наружного воздуха
Нет воздушного потока
Нет воздушного потока
Нет воздушного потока
Отверстие
с холодного на теплый
4
Высокая
Минимальный воздушный поток с холодного на теплый
Нет воздушного потока
Воздушный поток с холодного на теплый
Минимальный воздушный поток с холодного на теплый
Минимальный воздушный поток с холодного на теплый
Обогрев стекол (Defroster)
с холодного на теплый
4
Высокая
Минимальный воздушный поток с холодного на теплый
Нет воздушного потока
Минимальный воздушный поток с холодного на теплый
Воздушный поток с холодного на теплый
Минимальный воздушный поток с холодного на теплый
Если в каком-либо из этих положений не получаются правильные результаты, выполнить следующую диагностическую процедуру.
ШагОперацияЗначенияДаНет
1
Убедиться в подтверждении жалобы клиента.
Жалобы клиента подтверждены?
-
Перейти к операции 2
Система в норме
2
  • Проверить правильность крепления соответствующей заслонки в системе к вакуумному приводу.
  • Проверить соединение привода с заслонкой.
  • Проверить правильность соединения вакуумного шланга.
Все ли соединено правильно?
-
Перейти к операции 4
Перейти к операции 3
3
При необходимости отремонтировать.
Закончен ли ремонт?
-
Система в норме
-
4
  1. Отсоединить привод от заслонки.
  2. Проверить рабочий ход заслонки и усилие, необходимое для ее перемещения.
Легко ли перемещается заслонка по всему рабочему ходу и закрывается ли она на обоих концах рабочего хода?
-
Перейти к операции 5
Перейти к операции 3
5
Проверить рабочий ход привода, поворачивая ручку регулятора при работающем двигателе.
Рабочий ход привода в порядке?
-
Перейти к операции 6
Перейти к операции 7
6
  1. Установить привод заново.
  2. Перепроверить систему согласно процедурам проверки "Положение органов управления/правильные результаты" в этом разделе.
Система функционирует правильно?
-
Система в норме
Перейти к операции 9
7
  1. Проверить вакуумный шланг на исполнительном механизме управления.
  2. Проверить, не поврежден ли исполнительный механизм управления.
Имеются ли проблемы с вакуумным шлангом или исполнительным механизмом управления?
-
Перейти к операции 8
Перейти к операции 9
8
При необходимости отремонтировать вакуумный шланг или исполнительный механизм управления.
Закончен ли ремонт?
-
Система в норме
Перейти к операции 9
9
Перепроверить систему согласно процедурам проверки "Положение органов управления/правильные результаты" в этом разделе.
Закончен ли ремонт?
-
Система в норме
Перейти к операции 10
10
Проверить воздушный поток из отверстий обогрева стекол или вентиляционных отверстий.
Есть ли сильный воздушный поток из отверстий обогрева стекол или вентиляционных отверстий?
-
Перейти к операции 11
Перейдите к операции 12
11
Отрегулировать заслонку обогревателя на полу и заслонку вентиляции, чтобы получить нормальный воздушный поток.
Закончен ли ремонт?
-
Система в норме
-
12
Установить переключатель режимов в положение обогрева стекол.
Воздушный поток обогрева стекол в порядке?
-
Перейти к операции 13
Перейти к операции 14
13
  1. Снять выпуск обогревателя.
  2. Проверить наличие препятствий в выпуске обогревателя.
  3. Удалить препятствия из выпуска обогревателя.
Закончен ли ремонт?
-
Система в норме
-
14
Проверить изменение воздушного потока на разных скоростях вентилятора.
Повышается ли скорость вентилятора при переключении из положения 1 в положение 4?
-
Перейдите к операции 15
15
  1. Проверить наличие препятствий в системе на впуске вентилятора и проверить воздушный фильтр, если он установлен на этом автомобиле.
  2. Удалить препятствия во впуске вентилятора или заменить засоренный фильтр.
Закончен ли ремонт?
-
Система в норме
Перейти к операции 16
16
  1. Установить переключатель вентилятора в положение 4.
  2. Повернуть регулятор температуры с максимального обогрева на максимальное охлаждение.
  3. Прослушать изменение воздушного потока.
Изменяется ли воздушный поток?
-
Перейти к операции 17
Перейдите к операции 18
17
  1. Проверить заслонку регулятора температуры, тросы, соединительные тяги и органы управления.
  2. Установить регулятор температуры на максимальный обогрев.
Закончен ли ремонт?
-
Система в норме
-
18
  1. Проверить систему на наличие препятствий между вентилятором и выпускными отверстиями системы.
  2. Удалить препятствия между вентилятором и выпускными отверстиями системы.
Закончен ли ремонт?
-
Система в норме
-

Слишком сильный нагрев

ШагОперацияЗначенияДаНет
1
Убедиться в подтверждении жалобы клиента.
Жалобы клиента подтверждены?
-
Перейти к операции 2
Система в норме
2
Обогрев слишком сильный, когда переключатель режима установлен в положение пола?
-
Перейти к операции 3
Перейти к операции 9
3
Имеется ли нежелательный поток воздуха из системы обогрева стекол?
-
Перейти к операции 4
Перейти к операции 5
4
  1. Проверить рабочий ход заслонки, трос, вакуумные приводы и соединительные тяги обогревателя салона и стекол.
  2. При необходимости отрегулировать или отремонтировать.
Закончен ли ремонт?
-
Система в норме
-
5
  1. На автомобилях, оборудованных кондиционером, установить переключатель кондиционера в положение OFF (ВЫКЛ).
  2. На всех автомобилях установить максимальную скорость вентилятора.
  3. Установить регулятор температуры на максимальный обогрев.
  4. Включить зажигание.
  5. Проверить воздушный поток из напольных выпускных отверстий.
  6. Проверить крепление напольных выпусков.
Воздушный поток сильный?
-
Перейти к операции 6
Перейти к операции 8
6
Проверить изменение воздушного потока на разных скоростях вентилятора.
Изменяется ли воздушный поток при изменении скорости вентилятора?
-
Перейти к операции 7
7
  1. Проверить рабочий ход температурной заслонки, трос и соединительные тяги.
  2. Установить максимальное охлаждение.
  3. Проверить максимальный обогрев.
Закончен ли ремонт?
-
Система в норме
-
8
Отрегулировать или отремонтировать систему в режиме "пол/обогрев стекол" и/или "вентиляция/пол".
Закончен ли ремонт?
-
Система в норме
-
9
Есть ли нежелательный поток воздуха в положении "вентиляция"?
-
Перейти к операции 10
Перейдите к операции 15
10
  1. Проверить наличие утечки на корпусе системы.
  2. Проверить крепление напольных выпусков.
Обнаружены ли проблемы?
-
Перейти к операции 11
Перейдите к операции 12
11
При необходимости отремонтировать корпус системы или крепление напольного выпуска.
Закончен ли ремонт?
-
Система в норме
Перейдите к операции 12
12
  1. Выключить зажигание.
  2. Установить регулятор температуры на максимальный обогрев, а затем резко на максимальное охлаждение.
Слышен ли щелчок заслонки непосредственно перед тем, как регулятор достигнет упора?
-
Перейти к операции 13
Перейти к операции 14
13
Отрегулировать заслонку вентиляции на большее открытие.
Закончен ли ремонт?
-
Система в норме
-
14
  1. Проверить рабочий ход температурной заслонки, тросы и соединительные тяги.
  2. Убедиться в том, что температурная заслонка установлена в положение максимального охлаждения.
  3. Проверить температурную заслонку в положении максимального обогрева.
В порядке ли рабочий ход температурной заслонки?
-
Система в норме
-
15
  1. Установить переключатель "вентиляция/рециркуляция" в положение "вентиляция" (сигнальная лампа не горит).
  2. Установить регулятор температуры на максимальное охлаждение.
  3. Запустить двигатель и дать ему прогреться.
  4. Измерить температуру воздуха на впуске или обтекателе вентилятора и на выпускных вентиляционных отверстиях в салоне автомобиля.
Выпускаемый воздух теплее воздуха на впуске более чем на 5°C (41°F)?
-
Перейти к операции 16
Система в норме
16
  1. Проверить перетекание нагретого воздуха из моторного отсека во впуск вентилятора.
  2. При необходимости отремонтируйте.
Закончен ли ремонт?
-
Система в норме
-

Органы управления

ШагОперацияЗначенияДаНет
1
Убедиться в подтверждении жалобы клиента.
Жалобы клиента подтверждены?
-
Перейти к операции 2
Система в норме
2
Поработать органами управления, кроме регулятора температуры.
Требуются ли чрезмерные усилия для перемещения органов управления?
-
Перейдите к операции 15
Перейти к операции 3
3
Переместить регулятор температуры.
Требуются ли чрезмерные усилия для перемещения органов управления?
-
Перейти к операции 6
Перейти к операции 4
4
Переместить регулятор температуры.
Температурная заслонка перемещается слишком легко?
-
Перейти к операции 5
Система в норме
5
Отсоединить трос от регулятора.
Вращается ли ручка регулятора свободно, без щелчков фиксатора?
-
Перейдите к операции 15
-
6
Проверить тросы на правильность прокладки, перегибы, задевание за проводку или иные детали панели приборов.
Обнаружены ли проблемы?
-
Перейти к операции 7
Перейти к операции 8
7
При необходимости отремонтируйте.
Закончен ли ремонт?
-
Система в норме
-
8
  1. Отсоединить трос от температурной заслонки.
  2. Несколько раз повернуть заслонку вручную.
  3. Проверить заслонку на заедание.
Заедает ли заслонка?
-
Перейти к операции 9
Перейдите к операции 12
9
Проверить заедающую заслонку на правильность положения оси, погнутость оси или покоробленный корпус.
В порядке ли уплотнение заслонки?
-
Перейти к операции 10
Перейти к операции 11
10
  1. Проверить заедающую заслонку на правильность положения оси, погнутость оси или покоробленный корпус.
  2. При необходимости отремонтируйте.
Закончен ли ремонт?
-
Система в норме
-
11
При необходимости отремонтировать уплотнение заслонки.
Закончен ли ремонт?
-
Система в норме
-
12
Проверить регулятор на заедание.
Заедает ли регулятор?
-
Перейти к операции 14
Перейти к операции 13
13
  1. Установить на место трос на заслонку.
  2. Проверить зазор между тросом и деталями передней панели.
  3. Устранить обнаруженное задевание.
Закончен ли ремонт?
-
Система в норме
-
14
  1. Отсоединить трос от регулятора.
  2. Проверить регулятор на заедание.
Заедает ли регулятор?
-
Перейдите к операции 15
Перейти к операции 16
15
Заменить регулятор.
Закончен ли ремонт?
-
Система в норме
-
16
Заменить трос.
Закончен ли ремонт?
-
Система в норме
-

Шум вентилятора

ШагОперацияЗначенияДаНет
1
Убедиться в подтверждении жалобы клиента.
Жалобы клиента подтверждены?
-
Перейти к операции 2
Система в норме
2
  1. Сесть в салон автомобиля.
  2. Закрыть двери и окна.
  3. Включить зажигание.
  4. Запустить двигатель.
  5. Установить регулятор температуры на максимальное охлаждение.
  6. Последовательно переключать скорость вентилятора, режимы и положения регулятора температуры, чтобы обнаружить шум.
Имеется ли непрерывный шум при высокой скорости вентилятора или в определенных режимах, но отсутствует на малой скорости или в других режимах?
-
Перейти к операции 11
Перейти к операции 3
3
Проверить вибрацию электромотора или узла вентилятора на каждой скорости вентилятора, ощупывая корпус электровентилятора.
Чувствуется ли чрезмерная вибрация?
-
Перейти к операции 6
Перейти к операции 4
4
  1. Демонтировать электромотор и узел вентилятора. См. "Электровентилятор" в этом разделе.
  2. Проверить наличие посторонних предметов во впускном раскрыве вентилятора.
Найдены ли посторонние предметы во впуске вентилятора?
-
Перейти к операции 5
Перейти к операции 6
5
Удалить все посторонние предметы.
Закончен ли ремонт?
-
Система в норме
Перейти к операции 6
6
  1. Осмотреть электровентилятор на признаки износа, погнутые лопасти, трещины втулки, ослабленную крепежную гайку вентилятора или неровную установку.
  2. Осмотреть корпус вентилятора на признаки износа.
Найдена ли какая-либо неисправность?
-
Перейти к операции 7
Перейти к операции 9
7
При необходимости отремонтировать.
Закончен ли ремонт?
-
Система в норме
Перейти к операции 8
8
Заменить электромотор и узел вентилятора.
Закончен ли ремонт?
-
Система в норме
Перейти к операции 9
9
Если шум щелкающий/тикающий или воющий, заменить мотор.
Закончен ли ремонт?
-
Система в норме
Перейти к операции 10
10
Установить на место исходный мотор.
Проявляется ли проблема снова?
-
Перейти к операции 11
Система в норме
11
  1. Включить вентилятор на максимальную скорость.
  2. Проверить положения регулятора температуры с максимального обогрева на максимальное охлаждение в режимах обогрева стекол, пола и вентиляции.
Присутствует ли шум только в режиме обогрева стекол?
-
Перейдите к операции 12
Перейти к операции 13
12
  1. Проверить воздуховоды на наличие препятствий или посторонних предметов.
  2. Удалить препятствия или посторонние предметы.
  3. Проверить уплотнения заслонки обогрева пола/стекол.
  4. При необходимости отремонтировать или заменить детали.
Закончен ли ремонт?
-
Система в норме
-
13
Присутствует ли шум только в режиме обдува пола?
-
Перейдите к операции 12
Перейти к операции 14
14
Присутствует ли шум только в режиме вентиляции?
-
Перейдите к операции 15
Перейти к операции 16
15
  1. Проверить воздуховоды на наличие препятствий или посторонних предметов.
  2. Удалить препятствия или посторонние предметы.
  3. Проверить уплотнения вентиляционной заслонки.
  4. Отремонтировать или заменить, если необходимо.
Закончен ли ремонт?
-
Система в норме
-
16
Присутствует ли шум во всех режимах, но не во всех положениях регулятора температуры?
-
Перейти к операции 17
Перейдите к операции 18
17
  1. Проверить уплотнения температурной заслонки.
  2. При необходимости отремонтировать или заменить уплотнения.
Закончен ли ремонт?
-
Система в норме
-
18
  1. Проверить систему на наличие препятствий или посторонних предметов между вентилятором и температурной заслонкой.
  2. При необходимости отремонтировать или заменить детали.
Закончен ли ремонт?
-
Система в норме
Перейти к операции 2

ТЕХНИЧЕСКОЕ ОБСЛУЖИВАНИЕ И РЕМОНТ

ТЕХНИЧЕСКОЕ ОБСЛУЖИВАНИЕ БЕЗ ДЕМОНТАЖА С АВТОМОБИЛЯ



L7B58D17
Показать иллюстрациюПеревод текста в иллюстрациях


Блок управления

(показано левостороннее управление, правостороннее управление аналогично)

Процедура снятия

  1. Отсоединить отрицательный кабель аккумулятора.
  2. Снять декоративную панель аудиосистемы. См. раздел 9F, "Аудиосистемы".
  3. Открутить четыре крепежных винта панели управления.


  4. L7B58A03
    Показать иллюстрациюПеревод текста в иллюстрациях


  5. Отсоединить электрические разъемы.
  6. Снять панель управления.


L7B58A03
Показать иллюстрациюПеревод текста в иллюстрациях


Процедура установки

  1. Подключить электрические разъемы к гнездам на задней стороне панели управления.


  2. L7B58D17
    Показать иллюстрациюПеревод текста в иллюстрациях


  3. Установить панель управления, осторожно вставив ее на место на центральной консоли.
  4. Закрутить крепежные винты.
  5. Затянуть
    Затянуть крепежные винты панели управления с моментом 4 Н•м (35 фунт-дюйм).

  6. Присоединить отрицательный кабель аккумулятора.
  7. Убедиться в правильности функционирования блока управления, последовательно устанавливая все возможные рабочие положения.
  8. Установить декоративную панель аудиосистемы. См. раздел 9F, "Аудиосистемы".


V3B17D40
Показать иллюстрациюПеревод текста в иллюстрациях


Корпус обогревателя/распределителя воздуха в сборе

Процедура снятия

  1. Отсоединить отрицательный кабель аккумулятора.
  2. Снять кронштейн панели приборов в сборе. См. раздел 9E, "Приборы/система информирования водителя".
  3. Слить систему охлаждения. См. раздел 1D, "Охлаждение двигателя".
  4. Сжать хомуты шланга обогревателя на противопожарной перегородке и сдвинуть хомуты в сторону двигателя.
  5. Снять два шланга обогревателя с трубок теплообменника на противопожарной перегородке.
  6. Открутить винты крепления к противопожарной стенке на обеих сторонах шлангов обогревателя.


  7. L7B27A03
    Показать иллюстрациюПеревод текста в иллюстрациях


  8. Открутить винт над тормозной трубкой на противопожарной перегородке со стороны двигателя.


  9. V3B17D42
    Показать иллюстрациюПеревод текста в иллюстрациях


  10. Помощник должен поддержать блок изнутри автомобиля.
  11. Открутить винты с крепления соединительного блока на противопожарной перегородке со стороны двигателя. Корпус начнет опускаться.
  12. Примечание: Во избежание повреждения трубок теплообменника обогревателя вынимать корпус из автомобиля ровно до тех пор, пока трубки не освободятся из своих отверстий в противопожарной перегородке.

  13. Снять корпус обогревателя/воздушного распределителя в сборе.


V3B17D42
Показать иллюстрациюПеревод текста в иллюстрациях


Процедура установки

  1. Установить корпус обогревателя/воздушного распределителя в сборе в автомобиль.
  2. Примечание: Во избежание повреждения автомобиля следить за тем, чтобы трубки теплообменника обогревателя не касались краев отверстий в противопожарной перегородке.

  3. Осторожно поднять корпус обогревателя/воздушного распределителя в сборе на место на противопожарной перегородке и удерживать его там, пока не будут закручены и затянуты винты на противопожарной перегородке со стороны двигателя.
  4. Закрутить винты корпуса обогревателя/воздушного распределителя в сборе на креплении соединительного блока на противопожарной перегородке со стороны двигателя.
  5. Затянуть
    Затянуть винты корпуса обогревателя/воздушного распределителя в сборе с моментом 4 Н•м (71 фунт-дюйм).



    L7B27A03
    Показать иллюстрациюПеревод текста в иллюстрациях


  6. Выровнять корпус и закрутить винт корпуса обогревателя/воздушного распределителя в сборе над четырехходовым портом.
  7. Затянуть
    Затянуть винт корпуса обогревателя/воздушного распределителя в сборе с моментом 4 Н•м (71 фунт-дюйм).



    L7B27A04
    Показать иллюстрациюПеревод текста в иллюстрациях


  8. Закрутить винты корпуса обогревателя/воздушного распределителя в сборе на трубках теплообменника обогревателя с обеих сторон.
  9. Затянуть
    Затянуть винты корпуса обогревателя/воздушного распределителя в сборе с моментом 4 Н•м (71 фунт-дюйм).

  10. Установить два шланга обогревателя.
  11. Сдвинуть на место хомуты шланга обогревателя.


  12. L7B58D17
    Показать иллюстрациюПеревод текста в иллюстрациях


  13. Установить кронштейн панели приборов в сборе. См. раздел 9E, "Приборы/система информирования водителя".
  14. Заправить систему охлаждения. См. раздел 1D, "Охлаждение двигателя".
  15. Присоединить отрицательный кабель аккумулятора.
  16. Поработать органами управления, чтобы убедиться в правильности функционирования системы обогрева и вентиляции.


L7B58A07
Показать иллюстрациюПеревод текста в иллюстрациях


Электровентилятор

Процедура снятия

  1. Отсоединить отрицательный кабель аккумулятора.
  2. Снять перчаточный ящик. См. раздел 9E, "Приборы/система информирования водителя".
  3. Снять верхнюю крышку выемки для ног. См. раздел 9E, "Приборы/система информирования водителя".
  4. Снять шланг охлаждения электровентилятора.
  5. Снять с корпуса обогревателя/воздушного распределителя электромотор и уплотнение, осторожно потянув мотор ровно вниз и наружу.
  6. Открутить винты крепления электромотора к корпусу обогревателя/воздушного распределителя.
  7. Снять с корпуса обогревателя/воздушного распределителя мотор, уплотнение и амортизационные подушки крепления, осторожно потянув мотор ровно вниз и наружу.


L7B58A07
Показать иллюстрациюПеревод текста в иллюстрациях


Процедура установки

  1. Установить на корпус обогревателя/воздушного распределителя мотор, уплотнение и амортизационные подушки крепления. Удерживать электровентилятор на месте.
  2. Закрутить винты крепления электровентилятора к корпусу обогревателя/воздушного распределителя.
  3. Затянуть
    Затянуть винты крепления вентилятора к корпусу обогревателя/воздушного распределителя в сборе с моментом 6 Н•м (53 фунт-дюйм).

  4. Установить шланг охлаждения вентилятора.
  5. Подключить электрический разъем вентилятора.
  6. Присоединить отрицательный кабель аккумулятора.
  7. Убедиться в нормальном функционировании электровентилятора.
  8. Установить на место верхнюю крышку выемки для ног. См. раздел 9E, "Приборы/система информирования водителя".
  9. Установить на место перчаточный ящик. См. раздел 9E, "Приборы/система информирования водителя".


L7B58A08
Показать иллюстрациюПеревод текста в иллюстрациях


Реле высоких оборотов вентилятора

Процедура снятия

  1. Отсоединить отрицательный кабель аккумулятора.
  2. Снять нижнюю крышку панели перчаточного ящика. См. раздел 9E, "Приборы/система информирования водителя".
  3. Отделить реле от разъема.
  4. Открутить винты с реле высокой скорости вентилятора.


L7B58A08
Показать иллюстрациюПеревод текста в иллюстрациях


Процедура установки

  1. Установить реле высокой скорости вентилятора и закрутить винты.
  2. Присоединить электрический разъем.
  3. Снять нижнюю крышку панели перчаточного ящика. См. раздел 9E, "Приборы/система информирования водителя".


L7B58A09
Показать иллюстрациюПеревод текста в иллюстрациях


Резистор вентилятора

Процедура снятия

  1. Отсоединить отрицательный кабель аккумулятора.
  2. Снять перчаточный ящик. См. раздел 9E, "Приборы/система информирования водителя".
  3. Снять верхнюю крышку выемки для ног. См. раздел 9E, "Приборы/система информирования водителя".
  4. Отключить электрический разъем резистора.
  5. Открутить крепежные винты с резистора.
  6. Снять резистор с корпуса обогревателя/воздушного распределителя, осторожно потянув резистор вниз.


L7B58A09
Показать иллюстрациюПеревод текста в иллюстрациях


Процедура установки

  1. Установить новый резистор в корпус обогревателя/воздушного распределителя и закрутить винты.
  2. Затянуть
    Затянуть винты резистора электровентилятора с моментом 6 Н•м (53 фунт-дюйм).

  3. Подключить электрический разъем резистора.
  4. Присоединить отрицательный кабель аккумулятора.
  5. Убедиться в нормальном функционировании вентилятора.
  6. Установить на место верхнюю крышку выемки для ног. См. раздел 9E, "Приборы/система информирования водителя".
  7. Установить на место перчаточный ящик. См. раздел 9E, "Приборы/система информирования водителя".


L7B27A04
Показать иллюстрациюПеревод текста в иллюстрациях


Шланги обогревателя

Процедура снятия

  1. Частично слить систему охлаждения.
  2. Поднять и зафиксировать автомобиль.
  3. Сжать и сдвинуть назад два пружинных хомута шлангов обогревателя на противопожарной перегородке.
  4. Осторожно повернуть шланг слева направо и обратно, чтобы освободить соединение между шлангом и трубкой.
  5. Снять конец шланга с трубки.
  6. Повторить операции 3 и 4 с другим шлангом.
  7. Сжать пружинный хомут на впускном шланге для охлаждающей жидкости обогревателя и сдвинуть хомут назад.
  8. Снять шланг обогревателя с автомобиля.
  9. Сжать пружинный хомут шланга обогревателя на соединении под впускным коллектором и сдвинуть хомут назад.


L7B27A04
Показать иллюстрациюПеревод текста в иллюстрациях


Процедура установки

  1. Установить левый шланг обогревателя на впускной штуцер охлаждающей жидкости. Натянуть конец шланга обогревателя на штуцер охлаждающей жидкости, чтобы обеспечить плотную посадку шланга.
  2. Установить правый шланг обогревателя на штуцер под впускным коллектором. Натянуть конец шланга обогревателя на штуцер, чтобы обеспечить плотную посадку шланга.
  3. Установить и плотно натянуть противоположные концы шлангов обогревателя.
  4. Сжать и сдвинуть на место пружинные хомуты шлангов обогревателя, затем отпустить их.
  5. Заправить систему охлаждения.
  6. Убедиться в отсутствии утечки на шлангах.
  7. Опустить автомобиль.


V3B17A14
Показать иллюстрациюПеревод текста в иллюстрациях


Сердцевина обогревателя

Процедура снятия

  1. Снять с автомобиля панель приборов. См. "Блок кондиционера" в этом разделе.
  2. Снять жгут проводов с блока кондиционера.


  3. L7B58D21
    Показать иллюстрациюПеревод текста в иллюстрациях


  4. Снять тягу рычага заслонки регулирования температуры.


  5. L7B58D23
    Показать иллюстрациюПеревод текста в иллюстрациях


  6. Снять соединительную тягу вентиляции с привода переключения режима.


  7. V3B17A15
    Показать иллюстрациюПеревод текста в иллюстрациях


  8. Открутить винты и снять корпус воздухозаборника.


  9. V3B17D34
    Показать иллюстрациюПеревод текста в иллюстрациях


  10. Снять верхний корпус.


  11. V3B17D35
    Показать иллюстрациюПеревод текста в иллюстрациях


  12. Открутить винты и снять крышку теплообменника обогревателя.


  13. V3B17D36
    Показать иллюстрациюПеревод текста в иллюстрациях


  14. Снять зажим теплообменника обогревателя.


  15. V3B17D37
    Показать иллюстрациюПеревод текста в иллюстрациях


  16. Вынуть теплообменник обогревателя из корпуса.


V3B17D37
Показать иллюстрациюПеревод текста в иллюстрациях


Процедура установки

  1. Установить теплообменник обогревателя в корпус.


  2. V6B37D07
    Показать иллюстрациюПеревод текста в иллюстрациях


  3. Установить зажим теплообменника обогревателя.


  4. V3B17D35
    Показать иллюстрациюПеревод текста в иллюстрациях


  5. Установить на место крышку теплообменника обогревателя.
  6. Закрутить и затянуть винты крепления крышки теплообменника обогревателя к блоку кондиционера.


  7. V6B37D08
    Показать иллюстрациюПеревод текста в иллюстрациях


  8. Установить корпус теплообменника испарителя.
  9. Закрутить и затянуть винты, закрепляющие крышку корпуса теплообменника испарителя на корпусе обогревателя/воздушного распределителя в сборе.


  10. V3B17A15
    Показать иллюстрациюПеревод текста в иллюстрациях


  11. Установить корпус воздухозаборника и закрутить винты.


  12. L7B58D23
    Показать иллюстрациюПеревод текста в иллюстрациях


  13. Установить мотор и закрутить винты заслонки обогрева пола.
  14. Установить блок кондиционера. См. "Корпус обогревателя/воздушного распределителя в сборе" в этом разделе.

ОБЩЕЕ ОПИСАНИЕ И РАБОТА СИСТЕМЫ

Системы отопления и вентиляции

Базовая система обогрева предназначена для обогрева, вентиляции, обогрева лобового стекла для удаления влаги и инея, устранения запотевания боковых стекол, а на некоторых автомобилях - непосредственного обогрева области заднего сидения.
Узел обогревателя и вентилятора регулирует воздушный поток, поступающий с воздухозаборника, для дальнейшей обработки и распределения.
В теплообменнике обогревателя тепло от охлаждающей жидкости двигателя передается поступающему воздуху.
Температурная заслонка регулирует количество воздуха, проходящего через теплообменник обогревателя. Кроме того, температурная заслонка регулирует температуру воздуха путем управления смешиванием нагретого и наружного воздуха.
Заслонка режима регулирует поток и распределение обработанного воздуха в воздуховоды обогревателя салона и стекол.
На панели обогрева и вентиляции, установленной на консоли, расположены следующие элементы:

Ручка поворотного регулятора температуры

  1. Ручка поворотного регулятора температуры
  2. Ручка поворотного регулятора вентилятора
  3. Ручка поворотного регулятора вентилятора
  4. Ручка поворотного переключателя режима
  5. Ручка поворотного переключателя режима

Кнопка воздушного кондиционера

(Если автомобиль оснащен системой кондиционирования воздуха)

Переключатель вентиляции



На предыдущую страницуНа следующую страницу
Главная страница сайта