Диагностический код неисправности (DTC) B1402
Замыкание датчика боковой подушки безопасности водителя на напряжение аккумулятора или разрыв цепи
Описание схемы
При установке ключа зажигания в положение ON модуль датчиков и диагностики (SDM) выполняет начальную проверку для выявления существенных неполадок внутри самого SDM.
После этих проверок модуль измеряет напряжения в цепях зажигания и срабатывания подушек безопасности, проверяя, что они находятся в номинальных диапазонах. SDM контролирует напряжения на проводах нижнего уровня подушек водителя и пассажира, выявляя замыкание цепей срабатывания на массу или напряжение питания.
Диагностический код неисправности DTC B1402 записывается, когда
- Провод верхнего уровня проводки датчика боковой подушки безопасности водителя закорочен на напряжение аккумулятора.
- Провод нижнего уровня проводки датчика боковой подушки безопасности водителя закорочен на напряжение аккумулятора.
DTC B1402 Замыкание датчика боковой подушки безопасности водителя на напряжение аккумулятора или разрыв цепи
Внимание! Модуль датчиков и диагностики (SDM) может сохранять достаточное напряжение для приведения в действие подушек безопасности и натяжителей в течение 1 минуты после выключения зажигания и удаления предохранителя. Если подушки безопасности и натяжители не отсоединены, не начинайте обслуживание, пока не пройдет одна минута после отключения питания от SDM. Несоблюдение этого требования может привести к травмам.
Внимание! В процессе обслуживания обращайтесь с модулем датчиков и диагностики (SDM) очень осторожно. Не ударяйте и не встряхивайте SDM. Никогда не подключайте питание к системе надувных подушек безопасности (SIR), если SDM не соединен жестко с автомобилем. Чтобы система надувных подушек безопасности (SIR) работала правильно, все болты крепления модуля датчиков и диагностики SDM должны быть тщательно затянуты, а стрелка на SDM должна быть направлена к передней части автомобиля. При недостаточно жестком креплении модуля SDM к автомобилю включенный модуль может сработать, что приведет к неожиданному выпуску подушек безопасности и может повлечь травму.
| Шаг | Операция | Значения | Да | Нет |
| 1 | - Удостоверьтесь, что ключ зажигания находится в положении OFF.
- Подождите минуту, чтобы разрядить заряд блока питания модуля датчиков и диагностики (SDM).
| - | Перейдите на Шаг 2 | - |
| 2 | Осмотреть разъем и проводку датчика боковой подушки безопасности водителя. Есть повреждения проводки или разъем отсоединился? | - | Перейдите на Шаг 3 | Перейдите на Шаг 4 |
| 3 | Подключить разъем или заменить проводку. Проверьте систему еще раз. | - | - | - |
| 4 | - Удостоверьтесь, что ключ зажигания находится в положении OFF.
- Отсоединить разъем датчика боковой подушки безопасности водителя.
- Отключите разъем проводки модуля датчиков и диагностики (SDM).
- Проверьте сопротивление между выводами 70, 71 модуля SDM и выводами 1, 2 датчика боковой подушки безопасности водителя.
Сопротивление близко к 0 (нулю)? | ≈ 0 Ом | Перейдите на Шаг 5 | Замените проводку надувной подушки безопасности. |
| 5 | Проверьте сопротивление между выводами верхнего и нижнего уровня датчика боковой подушки безопасности водителя и аккумулятором. Сопротивление выше 2,5 кОм? | 2,5 кОм | Перейдите на Шаг 6 | Замените проводку надувной подушки безопасности. |
| 6 | - Замените датчик боковой подушки безопасности водителя.
- Удостоверьтесь, что ключ зажигания находится в положении ON.
- Сотрите диагностический код неисправности с помощью диагностического прибора.
- Выполните проверку диагностической системы системы надувных подушек безопасности (SIR).
Диагностический код неисправности удален? | - | Система в норме. | Замените модуль SDM. |
Диагностический код неисправности (DTC) B1403
Неисправность датчика боковой подушки безопасности пассажира
Описание схемы
При установке ключа зажигания в положение ON модуль датчиков и диагностики (SDM) выполняет начальную проверку для выявления существенных неполадок внутри самого SDM.
После этих проверок модуль измеряет напряжения в цепях зажигания и срабатывания подушек безопасности, проверяя, что они находятся в номинальных диапазонах. SDM контролирует напряжения на проводах нижнего уровня подушек водителя и пассажира, выявляя замыкание цепей срабатывания на массу или напряжение питания.
Диагностический код неисправности DTC B1403 записывается, когда
- Датчик боковой подушки безопасности пассажира неисправен.
DTC B1403 Неисправность датчика боковой подушки безопасности пассажира
Внимание! Модуль датчиков и диагностики (SDM) может сохранять достаточное напряжение для приведения в действие подушек безопасности и натяжителей в течение 1 минуты после выключения зажигания и удаления предохранителя. Если подушки безопасности и натяжители не отсоединены, не начинайте обслуживание, пока не пройдет одна минута после отключения питания от SDM. Несоблюдение этого требования может привести к травмам.
Внимание! В процессе обслуживания обращайтесь с модулем датчиков и диагностики (SDM) очень осторожно. Не ударяйте и не встряхивайте SDM. Никогда не подключайте питание к системе надувных подушек безопасности (SIR), если SDM не соединен жестко с автомобилем. Чтобы система надувных подушек безопасности (SIR) работала правильно, все болты крепления модуля датчиков и диагностики SDM должны быть тщательно затянуты, а стрелка на SDM должна быть направлена к передней части автомобиля. При недостаточно жестком креплении модуля SDM к автомобилю включенный модуль может сработать, что приведет к неожиданному выпуску подушек безопасности и может повлечь травму.
| Шаг | Операция | Значения | Да | Нет |
| 1 | - Удостоверьтесь, что ключ зажигания находится в положении OFF.
- Подождите минуту, чтобы разрядить заряд блока питания модуля датчиков и диагностики (SDM).
- Осмотрите проводку и разъем датчика боковой подушки безопасности пассажира на предмет повреждений.
Проводка или разъем подушки безопасности поврежден? | - | Перейдите на Шаг 2 | Перейдите на Шаг 3 |
| 2 | Замените проводку надувной подушки безопасности. | - | - | - |
| 3 | Замените датчик боковой подушки безопасности пассажира. | - | - | - |
Диагностический код неисправности (DTC) B1404
Замыкание датчика боковой подушки безопасности пассажира на массу или утечка
Описание схемы
При установке ключа зажигания в положение ON модуль датчиков и диагностики (SDM) выполняет начальную проверку для выявления существенных неполадок внутри самого SDM.
После этих проверок модуль измеряет напряжения в цепях зажигания и срабатывания подушек безопасности, проверяя, что они находятся в номинальных диапазонах. SDM контролирует напряжения на проводах нижнего уровня подушек водителя и пассажира, выявляя замыкание цепей срабатывания на массу или напряжение питания.
Диагностический код неисправности DTC B1404 записывается, когда
- Провод верхнего уровня проводки датчика боковой подушки безопасности пассажира закорочен на массу.
- Обрыв или короткое замыкание на массу провода нижнего уровня проводки датчика боковой подушки безопасности пассажира.
DTC B1404 - Замыкание датчика боковой подушки безопасности пассажира на массу или утечка
Внимание! Модуль датчиков и диагностики (SDM) может сохранять достаточное напряжение для приведения в действие подушек безопасности и натяжителей в течение 1 минуты после выключения зажигания и удаления предохранителя. Если подушки безопасности и натяжители не отсоединены, не начинайте обслуживание, пока не пройдет одна минута после отключения питания от SDM. Несоблюдение этого требования может привести к травмам.
Внимание! В процессе обслуживания обращайтесь с модулем датчиков и диагностики (SDM) очень осторожно. Не ударяйте и не встряхивайте SDM. Никогда не подключайте питание к системе надувных подушек безопасности (SIR), если SDM не соединен жестко с автомобилем. Чтобы система надувных подушек безопасности (SIR) работала правильно, все болты крепления модуля датчиков и диагностики SDM должны быть тщательно затянуты, а стрелка на SDM должна быть направлена к передней части автомобиля. При недостаточно жестком креплении модуля SDM к автомобилю включенный модуль может сработать, что приведет к неожиданному выпуску подушек безопасности и может повлечь травму.
| Шаг | Операция | Значения | Да | Нет |
| 1 | - Удостоверьтесь, что ключ зажигания находится в положении OFF.
- Подождите минуту, чтобы разрядить заряд блока питания модуля датчиков и диагностики (SDM).
| - | Перейдите на Шаг 2 | - |
| 2 | Осмотреть разъем и проводку датчика боковой подушки безопасности пассажира. Проводка или разъем повреждены? | - | Замените проводку надувной подушки безопасности. | Перейдите на Шаг 3 |
| 3 | - Удостоверьтесь, что ключ зажигания находится в положении OFF.
- Отсоединить разъем датчика боковой подушки безопасности пассажира.
- Отключите разъем проводки модуля датчиков и диагностики (SDM).
- Проверьте сопротивление между выводами 1, 2 датчика боковой подушки безопасности пассажира.
Сопротивление равно ∞? | ∞ | Перейдите на Шаг 4 | Замените проводку надувной подушки безопасности. |
| 4 | Проверьте сопротивление между выводами верхнего и нижнего уровня датчика боковой подушки безопасности пассажира и массой. Сопротивление выше 4,5 кОм? | 4,5 кОм | Перейдите на Шаг 5 | Замените проводку надувной подушки безопасности. |
| 5 | - Замените датчик боковой подушки безопасности пассажира.
- Удостоверьтесь, что ключ зажигания находится в положении ON.
- Сотрите диагностический код неисправности с помощью диагностического прибора.
- Выполните проверку диагностической системы системы надувных подушек безопасности (SIR).
Диагностический код неисправности удален? | - | Система в норме. | Замените модуль SDM. |
Диагностический код неисправности (DTC) B1405
Замыкание датчика боковой подушки безопасности пассажира на напряжение аккумулятора или разрыв цепи
Описание схемы
При установке ключа зажигания в положение ON модуль датчиков и диагностики (SDM) выполняет начальную проверку для выявления существенных неполадок внутри самого SDM.
После этих проверок модуль измеряет напряжения в цепях зажигания и срабатывания подушек безопасности, проверяя, что они находятся в номинальных диапазонах. SDM контролирует напряжения на проводах нижнего уровня подушек водителя и пассажира, выявляя замыкание цепей срабатывания на массу или напряжение питания.
Диагностический код неисправности DTC B1405 записывается, когда
- Провод верхнего уровня проводки датчика боковой подушки безопасности пассажира закорочен на напряжение аккумулятора.
- Провод нижнего уровня проводки датчика боковой подушки безопасности пассажира закорочен на напряжение аккумулятора.
DTC B1405 - Замыкание датчика боковой подушки безопасности пассажира на напряжение аккумулятора или разрыв цепи
Внимание! Модуль датчиков и диагностики (SDM) может сохранять достаточное напряжение для приведения в действие подушек безопасности и натяжителей в течение 1 минуты после выключения зажигания и удаления предохранителя. Если подушки безопасности и натяжители не отсоединены, не начинайте обслуживание, пока не пройдет одна минута после отключения питания от SDM. Несоблюдение этого требования может привести к травмам.
Внимание! В процессе обслуживания обращайтесь с модулем датчиков и диагностики (SDM) очень осторожно. Не ударяйте и не встряхивайте SDM. Никогда не подключайте питание к системе надувных подушек безопасности (SIR), если SDM не соединен жестко с автомобилем. Чтобы система надувных подушек безопасности (SIR) работала правильно, все болты крепления модуля датчиков и диагностики SDM должны быть тщательно затянуты, а стрелка на SDM должна быть направлена к передней части автомобиля. При недостаточно жестком креплении модуля SDM к автомобилю включенный модуль может сработать, что приведет к неожиданному выпуску подушек безопасности и может повлечь травму.
| Шаг | Операция | Значения | Да | Нет |
| 1 | - Удостоверьтесь, что ключ зажигания находится в положении OFF.
- Подождите минуту, чтобы разрядить заряд блока питания модуля датчиков и диагностики (SDM).
| - | Перейдите на Шаг 2 | - |
| 2 | Осмотреть разъем и проводку датчика боковой подушки безопасности пассажира. Есть повреждения проводки или разъем отсоединился? | - | Перейдите на Шаг 3 | Перейдите на Шаг 4 |
| 3 | Подключить разъем или заменить проводку. Проверьте систему еще раз. | - | - | - |
| 4 | - Удостоверьтесь, что ключ зажигания находится в положении OFF.
- Отсоединить разъем датчика боковой подушки безопасности пассажира.
- Отключите разъем проводки модуля датчиков и диагностики (SDM).
- Проверьте сопротивление между выводами 69, 68 модуля SDM и выводами 1, 2 датчика боковой подушки безопасности пассажира.
Сопротивление близко к 0 (нулю)? | ≈ 0 Ом | Перейдите на Шаг 5 | Замените проводку надувной подушки безопасности. |
| 5 | Проверьте сопротивление между выводами верхнего и нижнего уровня датчика боковой подушки безопасности пассажира и аккумулятором. Сопротивление выше 2,5 кОм? | 2,5 кОм | Перейдите на Шаг 6 | Замените проводку надувной подушки безопасности. |
| 6 | - Замените датчик боковой подушки безопасности пассажира.
- Удостоверьтесь, что ключ зажигания находится в положении ON.
- Сотрите диагностический код неисправности с помощью диагностического прибора.
- Выполните проверку диагностической системы системы надувных подушек безопасности (SIR).
Диагностический код неисправности удален? | - | Система в норме. | Замените модуль SDM. |
Диагностический код неисправности (DTC) B1406
Неисправность PPD/SBR
Описание схемы
При установке ключа зажигания в положение ON модуль датчиков и диагностики (SDM) выполняет начальную проверку для выявления существенных неполадок внутри самого SDM.
В это время модуль SDM устанавливает связь с системой PPD/SBR (обнаружения присутствия пассажира/сигнализации непристегнутого ремня безопасности), и PPD/SBR отвечает модулю SDM, посылая индикатору отключения ("OFF") подушки безопасности пассажира команду включиться на 5 секунд.
Модуль SDM циклически контролирует состояние PPD/SBR (не занято, занято, сидят, неисправность). Эти 4 телеграммы должны передаваться в модуль SDM каждые 1,2 секунды.
Диагностический код неисправности DTC B1406 записывается, когда
DTC B1406 - Неисправность PPD/SBR
Внимание! Модуль датчиков и диагностики (SDM) может сохранять достаточное напряжение для приведения в действие подушек безопасности и натяжителей в течение 1 минуты после выключения зажигания и удаления предохранителя. Если подушки безопасности и натяжители не отсоединены, не начинайте обслуживание, пока не пройдет одна минута после отключения питания от SDM. Несоблюдение этого требования может привести к травмам.
Внимание! В процессе обслуживания обращайтесь с модулем датчиков и диагностики (SDM) очень осторожно. Не ударяйте и не встряхивайте SDM. Никогда не подключайте питание к системе надувных подушек безопасности (SIR), если SDM не соединен жестко с автомобилем. Чтобы система надувных подушек безопасности (SIR) работала правильно, все болты крепления модуля датчиков и диагностики SDM должны быть тщательно затянуты, а стрелка на SDM должна быть направлена к передней части автомобиля. При недостаточно жестком креплении модуля SDM к автомобилю включенный модуль может сработать, что приведет к неожиданному выпуску подушек безопасности и может повлечь травму.
| Шаг | Операция | Значения | Да | Нет |
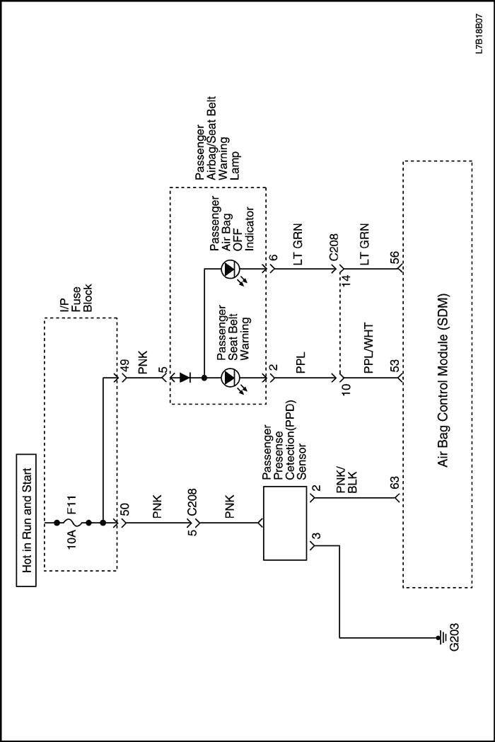
| 1 | Проверьте предохранитель F11 в блоке предохранителей приборной панели. Предохранитель перегорел? | - | Заменить предохранитель F11 | Перейдите на Шаг 2 |
| 2 | - Отключите разъем датчика PPD.
- Удостоверьтесь, что ключ зажигания находится в положении ON.
- Проверьте напряжение между выводом 1 разъема датчика PPD и массой.
Находится ли напряжение в указанном диапазоне? | 9 ~ 16 В | Перейдите на Шаг 3 | Перейдите на Шаг 5 |
| 3 | - Удостоверьтесь, что ключ зажигания находится в положении OFF.
- Отключите разъем модуля датчиков и диагностики (SDM).
- Проверьте сопротивление между выводом 3 разъема датчика PPD и массой.
Сопротивление близко к 0 (нулю)? | ≈ 0 Ом | Перейдите на Шаг 4 | Перейдите на Шаг 5 |
| 4 | Проверьте сопротивление между выводом 2 разъема датчика PPD и выводом 63 разъема модуля SDM. | ≈ 0 Ом | Перейдите на Шаг 6 | Перейдите на Шаг 5 |
| 5 | Замените проводку надувной подушки безопасности. | - | - | - |
| 6 | Замените датчик PPD. | - | - | - |
Диагностический код неисправности (DTC) B1407
Нарушение передачи данных PPD/SBR
Описание схемы
При установке ключа зажигания в положение ON модуль датчиков и диагностики (SDM) выполняет начальную проверку для выявления существенных неполадок внутри самого SDM.
В это время модуль SDM устанавливает связь с системой PPD/SBR (обнаружения присутствия пассажира/сигнализации непристегнутого ремня безопасности), и PPD/SBR отвечает модулю SDM, посылая индикатору отключения ("OFF") подушки безопасности пассажира команду включиться на 5 секунд.
Модуль SDM циклически контролирует состояние PPD/SBR (не занято, занято, сидят, неисправность). Эти 4 телеграммы должны передаваться в модуль SDM каждые 1,2 секунды.
Диагностический код неисправности DTC B1407 записывается, когда
- Произошла ошибка передачи данных между модулем датчиков и диагностики (SDM) и PPD.
DTC B1407 Нарушение передачи данных PPD/SBR
Внимание! Модуль датчиков и диагностики (SDM) может сохранять достаточное напряжение для приведения в действие подушек безопасности и натяжителей в течение 1 минуты после выключения зажигания и удаления предохранителя. Если подушки безопасности и натяжители не отсоединены, не начинайте обслуживание, пока не пройдет одна минута после отключения питания от SDM. Несоблюдение этого требования может привести к травмам.
Внимание! В процессе обслуживания обращайтесь с модулем датчиков и диагностики (SDM) очень осторожно. Не ударяйте и не встряхивайте SDM. Никогда не подключайте питание к системе надувных подушек безопасности (SIR), если SDM не соединен жестко с автомобилем. Чтобы система надувных подушек безопасности (SIR) работала правильно, все болты крепления модуля датчиков и диагностики SDM должны быть тщательно затянуты, а стрелка на SDM должна быть направлена к передней части автомобиля. При недостаточно жестком креплении модуля SDM к автомобилю включенный модуль может сработать, что приведет к неожиданному выпуску подушек безопасности и может повлечь травму.
| Шаг | Операция | Значения | Да | Нет |
| 1 | - Удостоверьтесь, что ключ зажигания находится в положении OFF.
- Подождите минуту, чтобы разрядить заряд блока питания модуля датчиков и диагностики (SDM).
- Осмотрите разъем датчика PPD и проводку между датчиком PPD и модулем SDM на предмет повреждений.
Проводка подушки безопасности и разъем в порядке? | - | Перейдите на Шаг 3 | Перейдите на Шаг 2 |
| 2 | Замените электропроводку или присоедините разъем. | - | - | - |
| 3 | - Замените датчик PPD.
- Удостоверьтесь, что ключ зажигания находится в положении ON.
- Сотрите диагностический код неисправности с помощью диагностического прибора.
- Проверьте цепь.
Диагностический код неисправности (DTC) остался? | - | Перейдите на Шаг 4 | Система в норме. |
| 4 | Замените модуль SDM. | - | - | - |
Диагностический код неисправности (DTC) B1409
Нарушение передачи данных датчика боковой подушки безопасности водителя
Описание схемы
При установке ключа зажигания в положение ON модуль датчиков и диагностики (SDM) выполняет начальную проверку для выявления существенных неполадок внутри самого SDM.
После этих проверок модуль измеряет напряжения в цепях зажигания и срабатывания подушек безопасности, проверяя, что они находятся в номинальных диапазонах. SDM контролирует напряжения на проводах нижнего уровня подушек водителя и пассажира, выявляя замыкание цепей срабатывания на массу или напряжение питания.
Диагностический код неисправности DTC B1409 записывается, когда
- Произошла ошибка передачи данных между модулем датчиков и диагностики (SDM) и датчиком боковой подушки безопасности водителя.
DTC B1409 - Ошибка передачи данных датчика боковой подушки безопасности водителя
Внимание! Модуль датчиков и диагностики (SDM) может сохранять достаточное напряжение для приведения в действие подушек безопасности и натяжителей в течение 1 минуты после выключения зажигания и удаления предохранителя. Если подушки безопасности и натяжители не отсоединены, не начинайте обслуживание, пока не пройдет одна минута после отключения питания от SDM. Несоблюдение этого требования может привести к травмам.
Внимание! В процессе обслуживания обращайтесь с модулем датчиков и диагностики (SDM) очень осторожно. Не ударяйте и не встряхивайте SDM. Никогда не подключайте питание к системе надувных подушек безопасности (SIR), если SDM не соединен жестко с автомобилем. Чтобы система надувных подушек безопасности (SIR) работала правильно, все болты крепления модуля датчиков и диагностики SDM должны быть тщательно затянуты, а стрелка на SDM должна быть направлена к передней части автомобиля. При недостаточно жестком креплении модуля SDM к автомобилю включенный модуль может сработать, что приведет к неожиданному выпуску подушек безопасности и может повлечь травму.
| Шаг | Операция | Значения | Да | Нет |
| 1 | - Удостоверьтесь, что ключ зажигания находится в положении OFF.
- Подождите минуту, чтобы разрядить заряд блока питания модуля датчиков и диагностики (SDM).
- Осмотрите проводку и разъем датчика боковой подушки безопасности пассажира на предмет повреждений.
Проводка подушки безопасности и разъем в порядке? | - | Перейдите на Шаг 3 | Перейдите на Шаг 2 |
| 2 | Заменить электропроводку подушки безопасности или присоединить разъем. | - | - | - |
| 3 | - Замените датчик боковой подушки безопасности водителя.
- Удостоверьтесь, что ключ зажигания находится в положении ON.
- Сотрите диагностический код неисправности с помощью диагностического прибора.
- Проверьте цепь.
Диагностический код неисправности (DTC) остался? | - | Перейдите на Шаг 4 | Система в норме. |
| 4 | Замените модуль SDM. | - | - | - |
Диагностический код неисправности (DTC) B1410
Нарушение передачи данных датчика боковой подушки безопасности пассажира
Описание схемы
При установке ключа зажигания в положение ON модуль датчиков и диагностики (SDM) выполняет начальную проверку для выявления существенных неполадок внутри самого SDM.
После этих проверок модуль измеряет напряжения в цепях зажигания и срабатывания подушек безопасности, проверяя, что они находятся в номинальных диапазонах. SDM контролирует напряжения на проводах нижнего уровня подушек водителя и пассажира, выявляя замыкание цепей срабатывания на массу или напряжение питания.
Диагностический код неисправности DTC B1410 записывается, когда
- Произошла ошибка передачи данных между модулем датчиков и диагностики (SDM) и датчиком боковой подушки безопасности пассажира.
DTC B1410 - Ошибка передачи данных датчика боковой подушки безопасности пассажира
Внимание! Модуль датчиков и диагностики (SDM) может сохранять достаточное напряжение для приведения в действие подушек безопасности и натяжителей в течение 1 минуты после выключения зажигания и удаления предохранителя. Если подушки безопасности и натяжители не отсоединены, не начинайте обслуживание, пока не пройдет одна минута после отключения питания от SDM. Несоблюдение этого требования может привести к травмам.
Внимание! В процессе обслуживания обращайтесь с модулем датчиков и диагностики (SDM) очень осторожно. Не ударяйте и не встряхивайте SDM. Никогда не подключайте питание к системе надувных подушек безопасности (SIR), если SDM не соединен жестко с автомобилем. Чтобы система надувных подушек безопасности (SIR) работала правильно, все болты крепления модуля датчиков и диагностики SDM должны быть тщательно затянуты, а стрелка на SDM должна быть направлена к передней части автомобиля. При недостаточно жестком креплении модуля SDM к автомобилю включенный модуль может сработать, что приведет к неожиданному выпуску подушек безопасности и может повлечь травму.
| Шаг | Операция | Значения | Да | Нет |
| 1 | - Удостоверьтесь, что ключ зажигания находится в положении OFF.
- Подождите минуту, чтобы разрядить заряд блока питания модуля датчиков и диагностики (SDM).
- Осмотрите проводку и разъем датчика боковой подушки безопасности пассажира на предмет повреждений.
Проводка подушки безопасности и разъем в порядке? | - | Перейдите на Шаг 3 | Перейдите на Шаг 2 |
| 2 | Заменить электропроводку подушки безопасности или присоединить разъем. | - | - | - |
| 3 | - Замените датчик боковой подушки безопасности пассажира.
- Удостоверьтесь, что ключ зажигания находится в положении ON.
- Сотрите диагностический код неисправности с помощью диагностического прибора.
- Проверьте цепь.
Диагностический код неисправности (DTC) остался? | - | Перейдите на Шаг 4 | Система в норме. |
| 4 | Замените модуль SDM. | - | - | - |
Диагностический код неисправности (DTC) B1414
Несоответствие идентификатора датчика боковой подушки безопасности водителя
Описание схемы
При установке ключа зажигания в положение ON модуль датчиков и диагностики (SDM) выполняет начальную проверку для выявления существенных неполадок внутри самого SDM.
После этих проверок модуль измеряет напряжения в цепях зажигания и срабатывания подушек безопасности, проверяя, что они находятся в номинальных диапазонах. SDM контролирует напряжения на проводах нижнего уровня подушек водителя и пассажира, выявляя замыкание цепей срабатывания на массу или напряжение питания.
Диагностический код неисправности DTC B1414 записывается, когда
- Модуль SDM получает идентификационное сообщение от датчика боковой подушки безопасности водителя, не соответствующее идентификатору, хранящемуся в памяти модуля SDM.
Действия, которые выполняются при выдаче кода неисправности DTC B1414
- Замените датчик боковой подушки безопасности водителя.
Диагностический код неисправности (DTC) B1415
Несоответствие идентификатора датчика боковой подушки безопасности пассажира
Описание схемы
При установке ключа зажигания в положение ON модуль датчиков и диагностики (SDM) выполняет начальную проверку для выявления существенных неполадок внутри самого SDM.
После этих проверок модуль измеряет напряжения в цепях зажигания и срабатывания подушек безопасности, проверяя, что они находятся в номинальных диапазонах. SDM контролирует напряжения на проводах нижнего уровня подушек водителя и пассажира, выявляя замыкание цепей срабатывания на массу или напряжение питания.
Диагностический код неисправности DTC B1415 записывается, когда
- Модуль SDM получает идентификационное сообщение от датчика боковой подушки безопасности пассажира, не соответствующее идентификатору, хранящемуся в памяти модуля SDM.
Действия, которые выполняются при выдаче кода неисправности DTC B1415
- Замените датчик боковой подушки безопасности пассажира.
Диагностический код неисправности (DTC) B1453
Ошибочный сигнал скорости автомобиля (замыкание на массу)
Описание схемы
При установке ключа зажигания в положение ON модуль датчиков и диагностики (SDM) выполняет начальную проверку для выявления существенных неполадок внутри самого SDM.
На модуль SDM непрерывно поступает сигнал скорости автомобиля с комбинации приборов. Если не пристегнут ремень безопасности водителя, модуль SDM выдает предупреждение контрольной лампой и звуковым сигналом в соответствии с состоянием автомобиля.
Диагностический код неисправности DTC B1453 записывается, когда
- На модуль SDM не поступает сигнал скорости автомобиля с комбинации приборов.
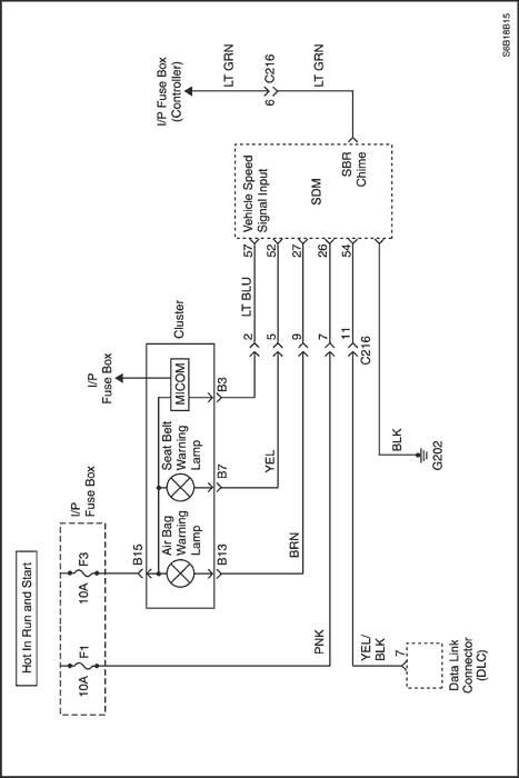
DTC B1453 - Ошибочный сигнал скорости автомобиля (замыкание на массу)
Внимание! Модуль датчиков и диагностики (SDM) может сохранять достаточное напряжение для приведения в действие подушек безопасности и натяжителей в течение 1 минуты после выключения зажигания и удаления предохранителя. Если подушки безопасности и натяжители не отсоединены, не начинайте обслуживание, пока не пройдет одна минута после отключения питания от SDM. Несоблюдение этого требования может привести к травмам.
Внимание! В процессе обслуживания обращайтесь с модулем датчиков и диагностики (SDM) очень осторожно. Не ударяйте и не встряхивайте SDM. Никогда не подключайте питание к системе надувных подушек безопасности (SIR), если SDM не соединен жестко с автомобилем. Чтобы система надувных подушек безопасности (SIR) работала правильно, все болты крепления модуля датчиков и диагностики SDM должны быть тщательно затянуты, а стрелка на SDM должна быть направлена к передней части автомобиля. При недостаточно жестком креплении модуля SDM к автомобилю включенный модуль может сработать, что приведет к неожиданному выпуску подушек безопасности и может повлечь травму.
| Шаг | Операция | Значения | Да | Нет |
| 1 | Осмотрите разъем и проводку между модулем SDM и комбинацией приборов. Разъем подушки безопасности отключен или проводка повреждена? | - | Замените электропроводку или присоедините разъем. | Перейдите на Шаг 2 |
| 2 | - Удостоверьтесь, что ключ зажигания находится в положении OFF.
- Подождите минуту, чтобы разрядить заряд блока питания модуля датчиков и диагностики (SDM).
- Отключите разъем от комбинации приборов.
- Отключите разъем модуля датчиков и диагностики (SDM).
- Проверьте сопротивление между выводом A21 разъема комбинации приборов и выводом 57 разъема модуля SDM.
Сопротивление близко к 0 (нулю)? | ≈ 0 Ом | Перейдите на Шаг 3 | Замените проводку надувной подушки безопасности |
| 3 | Проверьте сопротивление между выводом 57 модуля SDM и массой. Сопротивление равно ∞? | ∞ | Перейдите на Шаг 4 | Замените проводку надувной подушки безопасности |
| 4 | Проверьте на предмет обрыва или короткого замыкания на массу между выводом A22 разъема комбинации приборов и выводом B датчика скорости автомобиля (или выводом B15 модуля ТСМ). Проводка повреждена? | - | Устраните повреждение проводки | Перейдите на Шаг 5 |
| 5 | - Замените комбинацию приборов.
- Сотрите диагностический код неисправности с помощью диагностического прибора.
- Выполните проверку диагностической системы системы надувных подушек безопасности (SIR).
Диагностический код неисправности удален? | - | Система в норме. | Заменить модуль датчиков и диагностики. |



Диагностический код неисправности (DTC) B1473
Слишком высокое сопротивление шторной подушки безопасности водителя
Описание схемы
При установке ключа зажигания в положение ON модуль датчиков и диагностики (SDM) выполняет начальную проверку для выявления существенных неполадок внутри самого SDM.
После этих проверок модуль измеряет напряжения в цепях зажигания и срабатывания подушек безопасности, проверяя, что они находятся в номинальных диапазонах. SDM контролирует напряжения на проводах нижнего уровня подушек водителя и пассажира, выявляя замыкание цепей срабатывания на массу или напряжение питания.
Модуль датчиков и диагностики (SDM) проверяет цепь подключения к модулю подушки безопасности водителя, пропуская ничтожно малый ток через внутреннюю цепь и проверяя ее сопротивление.
Диагностический код неисправности DTC B1473 записывается, когда
- Сопротивление цепи срабатывания шторной подушки безопасности водителя превышает 3,54 Ом.
DTC B1473 - Слишком высокое сопротивление шторной подушки безопасности водителя
Внимание! Модуль датчиков и диагностики (SDM) может сохранять достаточное напряжение для приведения в действие подушек безопасности и натяжителей в течение 1 минуты после выключения зажигания и удаления предохранителя. Если подушки безопасности и натяжители не отсоединены, не начинайте обслуживание, пока не пройдет одна минута после отключения питания от SDM. Несоблюдение этого требования может привести к травмам.
Внимание! В процессе обслуживания обращайтесь с модулем датчиков и диагностики (SDM) очень осторожно. Не ударяйте и не встряхивайте SDM. Никогда не подключайте питание к системе надувных подушек безопасности (SIR), если SDM не соединен жестко с автомобилем. Чтобы система надувных подушек безопасности (SIR) работала правильно, все болты крепления модуля датчиков и диагностики SDM должны быть тщательно затянуты, а стрелка на SDM должна быть направлена к передней части автомобиля. При недостаточно жестком креплении модуля SDM к автомобилю включенный модуль может сработать, что приведет к неожиданному выпуску подушек безопасности и может повлечь травму.
| Шаг | Операция | Значения | Да | Нет |
| 1 | - Удостоверьтесь, что ключ зажигания находится в положении OFF.
- Подождите минуту, чтобы разрядить заряд блока питания модуля датчиков и диагностики.
| - | Перейдите на Шаг 2 | - |
| 2 | Осмотрите разъем и проводку шторной подушки безопасности водителя. Разъем отключен? | - | Подключите разъем и Перейдите на Шаг 1 | Перейдите на Шаг 3 |
| 3 | - Удостоверьтесь, что ключ зажигания находится в положении OFF.
- Снимите модуль подушки безопасности водителя.
- Отключите разъем проводки модуля датчиков и диагностики (SDM).
- Проверьте сопротивление между выводами 45, 46 (47, 48 с правосторонним управлением) модуля SDM и выводами 1, 2 модуля шторной подушки безопасности головы водителя.
Сопротивление близко к 0 (нулю)? | ≈ 0 Ом | Перейдите на Шаг 4 | Перейдите на Шаг 5 |
| 4 | - Замените модуль SDM.
- Удостоверьтесь, что ключ зажигания находится в положении ON.
- Сотрите диагностический код неисправности с помощью диагностического прибора.
- Выполните проверку диагностической системы системы надувных подушек безопасности (SIR).
Диагностический код неисправности удален? | - | Система в норме. | Замените модуль шторной подушки безопасности водителя. |
| 5 | - Отключите разъем C303.
- Проверьте сопротивление между выводами 45, 46 (47, 48 с правосторонним управлением) модуля SDM и выводами 4, 3 разъема C303.
Сопротивление близко к 0 (нулю)? | ≈ 0 Ом | Замените проводку между подушкой безопасности и разъемом C303. | Замените проводку надувной подушки безопасности. |
Диагностический код неисправности (DTC) B1474
Слишком низкое сопротивление шторной подушки безопасности водителя
Описание схемы
При установке ключа зажигания в положение ON модуль датчиков и диагностики (SDM) выполняет начальную проверку для выявления существенных неполадок внутри самого SDM.
После этих проверок модуль измеряет напряжения в цепях зажигания и срабатывания подушек безопасности, проверяя, что они находятся в номинальных диапазонах. SDM контролирует напряжения на проводах нижнего уровня подушек водителя и пассажира, выявляя замыкание цепей срабатывания на массу или напряжение питания.
Модуль датчиков и диагностики (SDM) проверяет цепь подключения к модулю подушки безопасности водителя, пропуская ничтожно малый ток через внутреннюю цепь и проверяя ее сопротивление.
Диагностический код неисправности DTC B1474 записывается, когда
- Сопротивление цепи срабатывания шторной подушки безопасности водителя ниже 1,77 Ом.
- Повреждена закорачивающая перемычка, модуль датчиков и диагностики (SDM) необходимо заменить.
DTC B1474 - Слишком низкое сопротивление шторной подушки безопасности водителя
Внимание! Модуль датчиков и диагностики (SDM) может сохранять достаточное напряжение для приведения в действие подушек безопасности и натяжителей в течение 1 минуты после выключения зажигания и удаления предохранителя. Если подушки безопасности и натяжители не отсоединены, не начинайте обслуживание, пока не пройдет одна минута после отключения питания от SDM. Несоблюдение этого требования может привести к травмам.
Внимание! В процессе обслуживания обращайтесь с модулем датчиков и диагностики (SDM) очень осторожно. Не ударяйте и не встряхивайте SDM. Никогда не подключайте питание к системе надувных подушек безопасности (SIR), если SDM не соединен жестко с автомобилем. Чтобы система надувных подушек безопасности (SIR) работала правильно, все болты крепления модуля датчиков и диагностики SDM должны быть тщательно затянуты, а стрелка на SDM должна быть направлена к передней части автомобиля. При недостаточно жестком креплении модуля SDM к автомобилю включенный модуль может сработать, что приведет к неожиданному выпуску подушек безопасности и может повлечь травму.
| Шаг | Операция | Значения | Да | Нет |
| 1 | - Удостоверьтесь, что ключ зажигания находится в положении OFF.
- Подождите минуту, чтобы разрядить заряд блока питания модуля датчиков и диагностики.
| - | Перейдите на Шаг 2 | - |
| 2 | Осмотрите разъем и проводку шторной подушки безопасности водителя. Проводка надувной подушки безопасности повреждена? | - | Замените проводку надувной подушки безопасности. | Перейдите на Шаг 5 |
| 3 | - Удостоверьтесь, что ключ зажигания находится в положении OFF.
- Снимите модуль подушки безопасности водителя.
- Отключите разъем проводки модуля датчиков и диагностики (SDM).
- Проверьте сопротивление между выводами 1 и 2 модуля шторной подушки безопасности водителя.
Сопротивление равно ∞? | ∞ | Перейдите на Шаг 4 | Перейдите на Шаг 5 |
| 4 | - Замените модуль SDM.
- Удостоверьтесь, что ключ зажигания находится в положении ON.
- Сотрите диагностический код неисправности с помощью диагностического прибора.
- Выполните проверку диагностической системы системы надувных подушек безопасности (SIR).
Диагностический код неисправности удален? | - | Система в норме. | Замените модуль шторной подушки безопасности водителя. |
| 5 | - Отключите разъем C303.
- Проверьте сопротивление между выводами 45 и 46 (47 и 48 с правосторонним управлением) на разъеме модуля SDM.
Сопротивление равно ∞? | ∞ | Замените проводку между подушкой безопасности и разъемом C303. | Замените проводку надувной подушки безопасности. |
Диагностический код неисправности (DTC) B1475
Замыкание шторной подушки безопасности водителя на массу
Описание схемы
При установке ключа зажигания в положение ON модуль датчиков и диагностики (SDM) выполняет начальную проверку для выявления существенных неполадок внутри самого SDM.
После этих проверок модуль измеряет напряжения в цепях зажигания и срабатывания подушек безопасности, проверяя, что они находятся в номинальных диапазонах. SDM контролирует напряжения на проводах нижнего уровня подушек водителя и пассажира, выявляя замыкание цепей срабатывания на массу или напряжение питания.
Модуль датчиков и диагностики (SDM) проверяет цепь подключения к модулю шторной подушки безопасности водителя, пропуская ничтожно малый ток через внутреннюю цепь и проверяя ее сопротивление.
Диагностический код неисправности DTC B1475 записывается, когда
- Провод верхнего уровня проводки шторной подушки безопасности водителя закорочен на массу.
- Провод нижнего уровня проводки шторной подушки безопасности водителя закорочен на массу.
DTC B1475 Замыкание шторной подушки безопасности водителя на массу
Внимание! Модуль датчиков и диагностики (SDM) может сохранять достаточное напряжение для приведения в действие подушек безопасности и натяжителей в течение 1 минуты после выключения зажигания и удаления предохранителя. Если подушки безопасности и натяжители не отсоединены, не начинайте обслуживание, пока не пройдет одна минута после отключения питания от SDM. Несоблюдение этого требования может привести к травмам.
Внимание! В процессе обслуживания обращайтесь с модулем датчиков и диагностики (SDM) очень осторожно. Не ударяйте и не встряхивайте SDM. Никогда не подключайте питание к системе надувных подушек безопасности (SIR), если SDM не соединен жестко с автомобилем. Чтобы система надувных подушек безопасности (SIR) работала правильно, все болты крепления модуля датчиков и диагностики SDM должны быть тщательно затянуты, а стрелка на SDM должна быть направлена к передней части автомобиля. При недостаточно жестком креплении модуля SDM к автомобилю включенный модуль может сработать, что приведет к неожиданному выпуску подушек безопасности и может повлечь травму.
| Шаг | Операция | Значения | Да | Нет |
| 1 | - Удостоверьтесь, что ключ зажигания находится в положении OFF.
- Подождите минуту, чтобы разрядить заряд блока питания модуля датчиков и диагностики.
| - | Перейдите на Шаг 2 | - |
| 2 | Осмотрите разъем и проводку шторной подушки безопасности водителя. Проводка надувной подушки безопасности повреждена? | - | Замените проводку надувной подушки безопасности. | Перейдите на Шаг 3 |
| 3 | - Удостоверьтесь, что ключ зажигания находится в положении OFF.
- Снимите модуль шторной подушки безопасности водителя.
- Отключите разъем проводки модуля датчиков и диагностики (SDM).
- Проверьте сопротивление между проводами верхнего и нижнего уровня модуля шторной подушки безопасности водителя и массой.
Сопротивление выше 10 кОм? | 10K Ом | Перейдите на Шаг 4 | Перейдите на Шаг 5 |
| 4 | - Замените модуль SDM.
- Удостоверьтесь, что ключ зажигания находится в положении ON.
- Сотрите диагностический код неисправности с помощью диагностического прибора.
- Выполните проверку диагностической системы системы надувных подушек безопасности (SIR).
Диагностический код неисправности удален? | - | Система в норме. | Замените модуль шторной подушки безопасности водителя. |
| 5 | - Отключите разъем C303.
- Проверьте сопротивление между выводами 45, 46 (47, 48 с правосторонним управлением) разъема модуля SDM и массой.
Сопротивление выше 10 кОм? | 10K Ом | Замените проводку между подушкой безопасности и разъемом C303. | Замените проводку надувной подушки безопасности. |
Диагностический код неисправности (DTC) B1476
Замыкание шторной подушки безопасности водителя на напряжение аккумулятора
Описание схемы
При установке ключа зажигания в положение ON модуль датчиков и диагностики (SDM) выполняет начальную проверку для выявления существенных неполадок внутри самого SDM.
После этих проверок модуль измеряет напряжения в цепях зажигания и срабатывания подушек безопасности, проверяя, что они находятся в номинальных диапазонах. SDM контролирует напряжения на проводах нижнего уровня подушек водителя и пассажира, выявляя замыкание цепей срабатывания на массу или напряжение питания.
Модуль датчиков и диагностики (SDM) проверяет цепь подключения к модулю шторной подушки безопасности водителя, пропуская ничтожно малый ток через внутреннюю цепь и проверяя ее сопротивление.
Диагностический код неисправности DTC B1476 записывается, когда
- Провод верхнего уровня проводки шторной подушки безопасности водителя закорочен на провод аккумулятора.
- Провод нижнего уровня проводки шторной подушки безопасности водителя закорочен на провод аккумулятора.
DTC B1476 - Замыкание шторной подушки безопасности водителя на напряжение аккумулятора
Внимание! Модуль датчиков и диагностики (SDM) может сохранять достаточное напряжение для приведения в действие подушек безопасности и натяжителей в течение 1 минуты после выключения зажигания и удаления предохранителя. Если подушки безопасности и натяжители не отсоединены, не начинайте обслуживание, пока не пройдет одна минута после отключения питания от SDM. Несоблюдение этого требования может привести к травмам.
Внимание! В процессе обслуживания обращайтесь с модулем датчиков и диагностики (SDM) очень осторожно. Не ударяйте и не встряхивайте SDM. Никогда не подключайте питание к системе надувных подушек безопасности (SIR), если SDM не соединен жестко с автомобилем. Чтобы система надувных подушек безопасности (SIR) работала правильно, все болты крепления модуля датчиков и диагностики SDM должны быть тщательно затянуты, а стрелка на SDM должна быть направлена к передней части автомобиля. При недостаточно жестком креплении модуля SDM к автомобилю включенный модуль может сработать, что приведет к неожиданному выпуску подушек безопасности и может повлечь травму.
| Шаг | Операция | Значения | Да | Нет |
| 1 | - Удостоверьтесь, что ключ зажигания находится в положении OFF.
- Подождите минуту, чтобы разрядить заряд блока питания модуля датчиков и диагностики.
| - | Перейдите на Шаг 2 | - |
| 2 | Осмотрите разъем и проводку шторной подушки безопасности водителя. Проводка надувной подушки безопасности повреждена? | - | Замените проводку надувной подушки безопасности. | Перейдите на Шаг 3 |
| 3 | - Удостоверьтесь, что ключ зажигания находится в положении OFF.
- Снимите модуль шторной подушки безопасности водителя.
- Отключите разъем проводки модуля датчиков и диагностики (SDM).
- Проверьте сопротивление между проводами верхнего и нижнего уровня модуля шторной подушки безопасности водителя и аккумулятором.
Сопротивление выше 10 кОм? | 10K Ом | Перейдите на Шаг 4 | Перейдите на Шаг 5 |
| 4 | - Замените модуль SDM.
- Удостоверьтесь, что ключ зажигания находится в положении ON.
- Сотрите диагностический код неисправности с помощью диагностического прибора.
- Выполните проверку диагностической системы системы надувных подушек безопасности (SIR).
Диагностический код неисправности удален? | - | Система в норме. | Замените модуль шторной подушки безопасности водителя. |
| 5 | - Отключите разъем C303.
- Проверьте сопротивление между выводами 45, 46 (47, 48 с правосторонним управлением) разъема модуля SDM и аккумулятором.
Сопротивление выше 10 кОм? | 10K Ом | Замените проводку между подушкой безопасности и разъемом C303. | Замените проводку надувной подушки безопасности. |



Диагностический код неисправности (DTC) B1477
Слишком высокое сопротивление шторной подушки безопасности пассажира
Описание схемы
При установке ключа зажигания в положение ON модуль датчиков и диагностики (SDM) выполняет начальную проверку для выявления существенных неполадок внутри самого SDM.
После этих проверок модуль измеряет напряжения в цепях зажигания и срабатывания подушек безопасности, проверяя, что они находятся в номинальных диапазонах. SDM контролирует напряжения на проводах нижнего уровня подушек водителя и пассажира, выявляя замыкание цепей срабатывания на массу или напряжение питания.
Модуль датчиков и диагностики (SDM) проверяет цепь подключения к модулю шторной подушки безопасности пассажира, пропуская ничтожно малый ток через внутреннюю цепь и проверяя ее сопротивление.
Диагностический код неисправности DTC B1477 записывается, когда
- Сопротивление цепи срабатывания шторной подушки безопасности пассажира превышает 3,54 Ом.
DTC B1477 - Слишком высокое сопротивление шторной подушки безопасности пассажира
Внимание! Модуль датчиков и диагностики (SDM) может сохранять достаточное напряжение для приведения в действие подушек безопасности и натяжителей в течение 1 минуты после выключения зажигания и удаления предохранителя. Если подушки безопасности и натяжители не отсоединены, не начинайте обслуживание, пока не пройдет одна минута после отключения питания от SDM. Несоблюдение этого требования может привести к травмам.
Внимание! В процессе обслуживания обращайтесь с модулем датчиков и диагностики (SDM) очень осторожно. Не ударяйте и не встряхивайте SDM. Никогда не подключайте питание к системе надувных подушек безопасности (SIR), если SDM не соединен жестко с автомобилем. Чтобы система надувных подушек безопасности (SIR) работала правильно, все болты крепления модуля датчиков и диагностики SDM должны быть тщательно затянуты, а стрелка на SDM должна быть направлена к передней части автомобиля. При недостаточно жестком креплении модуля SDM к автомобилю включенный модуль может сработать, что приведет к неожиданному выпуску подушек безопасности и может повлечь травму.
| Шаг | Операция | Значения | Да | Нет |
| 1 | - Удостоверьтесь, что ключ зажигания находится в положении OFF.
- Подождите минуту, чтобы разрядить заряд блока питания модуля датчиков и диагностики.
| - | Перейдите на Шаг 2 | - |
| 2 | Осмотрите разъем и проводку шторной подушки безопасности пассажира. Разъем отключен? | - | Подключите разъем и Перейдите на Шаг 1 | Перейдите на Шаг 3 |
| 3 | - Удостоверьтесь, что ключ зажигания находится в положении OFF.
- Снимите модуль шторной подушки безопасности пассажира.
- Отключите разъем проводки модуля датчиков и диагностики (SDM).
- Проверьте сопротивление между выводами 47, 48 (45, 46 с правосторонним управлением) модуля SDM и выводами 1, 2 модуля шторной подушки безопасности головы пассажира.
Сопротивление близко к 0 (нулю)? | ≈ 0 Ом | Перейдите на Шаг 4 | Перейдите на Шаг 5 |
| 4 | - Замените модуль SDM.
- Удостоверьтесь, что ключ зажигания находится в положении ON.
- Сотрите диагностический код неисправности с помощью диагностического прибора.
- Выполните проверку диагностической системы системы надувных подушек безопасности (SIR).
Диагностический код неисправности удален? | - | Система в норме. | Замените модуль шторной подушки безопасности пассажира. |
| 5 | - Отключите разъем C303.
- Проверьте сопротивление между выводами 47, 48 (45, 46 с правосторонним управлением) модуля SDM и выводами 1, 2 разъема C303.
Сопротивление близко к 0 (нулю)? | ≈ 0 Ом | Замените проводку между подушкой безопасности и разъемом C303. | Замените проводку надувной подушки безопасности. |
Диагностический код неисправности (DTC) B1478
Слишком низкое сопротивление шторной подушки безопасности пассажира
Описание схемы
При установке ключа зажигания в положение ON модуль датчиков и диагностики (SDM) выполняет начальную проверку для выявления существенных неполадок внутри самого SDM.
После этих проверок модуль измеряет напряжения в цепях зажигания и срабатывания подушек безопасности, проверяя, что они находятся в номинальных диапазонах. SDM контролирует напряжения на проводах нижнего уровня подушек водителя и пассажира, выявляя замыкание цепей срабатывания на массу или напряжение питания.
Модуль датчиков и диагностики (SDM) проверяет цепь подключения к модулю шторной подушки безопасности пассажира, пропуская ничтожно малый ток через внутреннюю цепь и проверяя ее сопротивление.
Диагностический код неисправности DTC B478 записывается, когда
- Сопротивление цепи срабатывания шторной подушки безопасности пассажира ниже 1,77 Ом.
- Повреждена закорачивающая перемычка, модуль датчиков и диагностики (SDM) необходимо заменить.
DTC B1478 - Слишком низкое сопротивление шторной подушки безопасности пассажира
Внимание! Модуль датчиков и диагностики (SDM) может сохранять достаточное напряжение для приведения в действие подушек безопасности и натяжителей в течение 1 минуты после выключения зажигания и удаления предохранителя. Если подушки безопасности и натяжители не отсоединены, не начинайте обслуживание, пока не пройдет одна минута после отключения питания от SDM. Несоблюдение этого требования может привести к травмам.
Внимание! В процессе обслуживания обращайтесь с модулем датчиков и диагностики (SDM) очень осторожно. Не ударяйте и не встряхивайте SDM. Никогда не подключайте питание к системе надувных подушек безопасности (SIR), если SDM не соединен жестко с автомобилем. Чтобы система надувных подушек безопасности (SIR) работала правильно, все болты крепления модуля датчиков и диагностики SDM должны быть тщательно затянуты, а стрелка на SDM должна быть направлена к передней части автомобиля. При недостаточно жестком креплении модуля SDM к автомобилю включенный модуль может сработать, что приведет к неожиданному выпуску подушек безопасности и может повлечь травму.
| Шаг | Операция | Значения | Да | Нет |
| 1 | - Удостоверьтесь, что ключ зажигания находится в положении OFF.
- Подождите минуту, чтобы разрядить заряд блока питания модуля датчиков и диагностики.
| - | Перейдите на Шаг 2 | - |
| 2 | Осмотрите разъем и проводку шторной подушки безопасности пассажира. Проводка надувной подушки безопасности повреждена? | - | Замените проводку надувной подушки безопасности. | Перейдите на Шаг 5 |
| 3 | - Удостоверьтесь, что ключ зажигания находится в положении OFF.
- Снимите модуль шторной подушки безопасности пассажира.
- Отключите разъем проводки модуля датчиков и диагностики (SDM).
- Проверьте сопротивление между выводами 1 и 2 модуля шторной подушки безопасности пассажира.
Сопротивление равно ∞? | ∞ | Перейдите на Шаг 4 | Перейдите на Шаг 5 |
| 4 | - Замените модуль SDM.
- Удостоверьтесь, что ключ зажигания находится в положении ON.
- Сотрите диагностический код неисправности с помощью диагностического прибора.
- Выполните проверку диагностической системы системы надувных подушек безопасности (SIR).
Диагностический код неисправности удален? | - | Система в норме. | Замените модуль шторной подушки безопасности пассажира. |
| 5 | - Отключите разъем C303.
- Проверьте сопротивление между выводами 47 и 48 (45 и 46 с правосторонним управлением) на разъеме модуля SDM.
Сопротивление равно ∞? | ∞ | Замените проводку между подушкой безопасности и разъемом C303. | Замените проводку надувной подушки безопасности. |
Диагностический код неисправности (DTC) B1479
Замыкание шторной подушки безопасности пассажира на массу
Описание схемы
При установке ключа зажигания в положение ON модуль датчиков и диагностики (SDM) выполняет начальную проверку для выявления существенных неполадок внутри самого SDM.
После этих проверок модуль измеряет напряжения в цепях зажигания и срабатывания подушек безопасности, проверяя, что они находятся в номинальных диапазонах. SDM контролирует напряжения на проводах нижнего уровня подушек водителя и пассажира, выявляя замыкание цепей срабатывания на массу или напряжение питания.
Модуль датчиков и диагностики (SDM) проверяет цепь подключения к модулю шторной подушки безопасности пассажира, пропуская ничтожно малый ток через внутреннюю цепь и проверяя ее сопротивление.
Диагностический код неисправности DTC B1479 записывается, когда
- Провод верхнего уровня проводки шторной подушки безопасности пассажира закорочен на массу.
- Провод нижнего уровня проводки шторной подушки безопасности пассажира закорочен на массу.
DTC B1479 Замыкание шторной подушки безопасности пассажира на массу
Внимание! Модуль датчиков и диагностики (SDM) может сохранять достаточное напряжение для приведения в действие подушек безопасности и натяжителей в течение 1 минуты после выключения зажигания и удаления предохранителя. Если подушки безопасности и натяжители не отсоединены, не начинайте обслуживание, пока не пройдет одна минута после отключения питания от SDM. Несоблюдение этого требования может привести к травмам.
Внимание! В процессе обслуживания обращайтесь с модулем датчиков и диагностики (SDM) очень осторожно. Не ударяйте и не встряхивайте SDM. Никогда не подключайте питание к системе надувных подушек безопасности (SIR), если SDM не соединен жестко с автомобилем. Чтобы система надувных подушек безопасности (SIR) работала правильно, все болты крепления модуля датчиков и диагностики SDM должны быть тщательно затянуты, а стрелка на SDM должна быть направлена к передней части автомобиля. При недостаточно жестком креплении модуля SDM к автомобилю включенный модуль может сработать, что приведет к неожиданному выпуску подушек безопасности и может повлечь травму.
| Шаг | Операция | Значения | Да | Нет |
| 1 | - Удостоверьтесь, что ключ зажигания находится в положении OFF.
- Подождите минуту, чтобы разрядить заряд блока питания модуля датчиков и диагностики.
| - | Перейдите на Шаг 2 | - |
| 2 | Осмотрите разъем и проводку шторной подушки безопасности пассажира. Проводка надувной подушки безопасности повреждена? | - | Замените проводку надувной подушки безопасности. | Перейдите на Шаг 3 |
| 3 | - Удостоверьтесь, что ключ зажигания находится в положении OFF.
- Снимите модуль шторной подушки безопасности пассажира.
- Отключите разъем проводки модуля датчиков и диагностики (SDM).
- Проверьте сопротивление между проводами верхнего и нижнего уровня модуля шторной подушки безопасности пассажира и массой.
Сопротивление выше 10 кОм? | 10K Ом | Перейдите на Шаг 4 | Перейдите на Шаг 5 |
| 4 | - Замените модуль SDM.
- Удостоверьтесь, что ключ зажигания находится в положении ON.
- Сотрите диагностический код неисправности с помощью диагностического прибора.
- Выполните проверку диагностической системы системы надувных подушек безопасности (SIR).
Диагностический код неисправности удален? | - | Система в норме. | Замените модуль шторной подушки безопасности пассажира. |
| 5 | - Отключите разъем C303.
- Проверьте сопротивление между выводами 47, 48 (45, 46 с правосторонним управлением) разъема модуля SDM и массой.
Сопротивление выше 10 кОм? | 10K Ом | Замените проводку между подушкой безопасности и разъемом C303. | Замените проводку надувной подушки безопасности. |
Диагностический код неисправности (DTC) B1480
Замыкание шторной подушки безопасности пассажира на напряжение аккумулятора
Описание схемы
При установке ключа зажигания в положение ON модуль датчиков и диагностики (SDM) выполняет начальную проверку для выявления существенных неполадок внутри самого SDM.
После этих проверок модуль измеряет напряжения в цепях зажигания и срабатывания подушек безопасности, проверяя, что они находятся в номинальных диапазонах. SDM контролирует напряжения на проводах нижнего уровня подушек водителя и пассажира, выявляя замыкание цепей срабатывания на массу или напряжение питания.
Модуль датчиков и диагностики (SDM) проверяет цепь подключения к модулю шторной подушки безопасности пассажира, пропуская ничтожно малый ток через внутреннюю цепь и проверяя ее сопротивление.
Диагностический код неисправности DTC B1480 записывается, когда
- Провод верхнего уровня проводки шторной подушки безопасности пассажира закорочен на провод аккумулятора.
- Провод нижнего уровня проводки шторной подушки безопасности пассажира закорочен на провод аккумулятора.
DTC B1480 Замыкание шторной подушки безопасности пассажира на напряжение аккумулятора
Внимание! Модуль датчиков и диагностики (SDM) может сохранять достаточное напряжение для приведения в действие подушек безопасности и натяжителей в течение 1 минуты после выключения зажигания и удаления предохранителя. Если подушки безопасности и натяжители не отсоединены, не начинайте обслуживание, пока не пройдет одна минута после отключения питания от SDM. Несоблюдение этого требования может привести к травмам.
Внимание! В процессе обслуживания обращайтесь с модулем датчиков и диагностики (SDM) очень осторожно. Не ударяйте и не встряхивайте SDM. Никогда не подключайте питание к системе надувных подушек безопасности (SIR), если SDM не соединен жестко с автомобилем. Чтобы система надувных подушек безопасности (SIR) работала правильно, все болты крепления модуля датчиков и диагностики SDM должны быть тщательно затянуты, а стрелка на SDM должна быть направлена к передней части автомобиля. При недостаточно жестком креплении модуля SDM к автомобилю включенный модуль может сработать, что приведет к неожиданному выпуску подушек безопасности и может повлечь травму.
| Шаг | Операция | Значения | Да | Нет |
| 1 | - Удостоверьтесь, что ключ зажигания находится в положении OFF.
- Подождите минуту, чтобы разрядить заряд блока питания модуля датчиков и диагностики.
| - | Перейдите на Шаг 2 | - |
| 2 | Осмотрите разъем и проводку шторной подушки безопасности пассажира. Проводка надувной подушки безопасности повреждена? | - | Замените проводку надувной подушки безопасности. | Перейдите на Шаг 3 |
| 3 | - Удостоверьтесь, что ключ зажигания находится в положении OFF.
- Снимите модуль шторной подушки безопасности пассажира.
- Отключите разъем проводки модуля датчиков и диагностики (SDM).
- Проверьте сопротивление между проводами верхнего и нижнего уровня модуля шторной подушки безопасности пассажира и аккумулятором.
Сопротивление выше 10 кОм? | 10K Ом | Перейдите на Шаг 4 | Перейдите на Шаг 5 |
| 4 | - Замените модуль SDM.
- Удостоверьтесь, что ключ зажигания находится в положении ON.
- Сотрите диагностический код неисправности с помощью диагностического прибора.
- Выполните проверку диагностической системы системы надувных подушек безопасности (SIR).
Диагностический код неисправности удален? | - | Система в норме. | Замените модуль шторной подушки безопасности пассажира. |
| 5 | - Отключите разъем C303.
- Проверьте сопротивление между выводами 47, 48 (45, 46 с правосторонним управлением) разъема модуля SDM и аккумулятором.
Сопротивление выше 10 кОм? | 10K Ом | Замените проводку между подушкой безопасности и разъемом C303. | Замените проводку надувной подушки безопасности. |
Диагностический код неисправности (DTC) B1620
Внутренняя неисправность модуля SDM
Описание схемы
При установке ключа зажигания в положение ON модуль датчиков и диагностики (SDM) выполняет начальную проверку для выявления существенных неполадок внутри самого SDM.
Диагностический код неисправности DTC B1620 записывается, когда
- Модуль датчиков и диагностики не выполняет диагностику. В этом случае прежде чем заменять модуль SDM, необходимо заменить жгут проводки модуля.
DTC B1620 Внутренняя неисправность модуля SDM
Внимание! Модуль датчиков и диагностики (SDM) может сохранять достаточное напряжение для приведения в действие подушек безопасности и натяжителей в течение 1 минуты после выключения зажигания и удаления предохранителя. Если подушки безопасности и натяжители не отсоединены, не начинайте обслуживание, пока не пройдет одна минута после отключения питания от SDM. Несоблюдение этого требования может привести к травмам.
Внимание! В процессе обслуживания обращайтесь с модулем датчиков и диагностики (SDM) очень осторожно. Не ударяйте и не встряхивайте SDM. Никогда не подключайте питание к системе надувных подушек безопасности (SIR), если SDM не соединен жестко с автомобилем. Чтобы система надувных подушек безопасности (SIR) работала правильно, все болты крепления модуля датчиков и диагностики SDM должны быть тщательно затянуты, а стрелка на SDM должна быть направлена к передней части автомобиля. При недостаточно жестком креплении модуля SDM к автомобилю включенный модуль может сработать, что приведет к неожиданному выпуску подушек безопасности и может повлечь травму.
Диагностический код неисправности (DTC) B1650
Зарегистрировано столкновение передней подушкой безопасности
Описание схемы
При установке ключа зажигания в положение ON модуль датчиков и диагностики (SDM) выполняет начальную проверку для выявления существенных неполадок внутри самого SDM.
В случае срабатывания подушки безопасности при лобовом столкновении автомобиля, модуль SDM сохраняет включенное состояние предупредительной лампы "ON", и после этого система подушек безопасности, включая SDM, модули передних подушек безопасности, натяжители и проводку, требуется заменить.
Диагностический код неисправности DTC B1650 записывается, когда
- Архивные данные о срабатывании передней подушки безопасности (водителя или пассажира) сохраняются в модуле SDM.
DTC B1650 - Зарегистрировано столкновение передней подушкой безопасности
Внимание! Модуль датчиков и диагностики (SDM) может сохранять достаточное напряжение для приведения в действие подушек безопасности и натяжителей в течение 1 минуты после выключения зажигания и удаления предохранителя. Если подушки безопасности и натяжители не отсоединены, не начинайте обслуживание, пока не пройдет одна минута после отключения питания от SDM. Несоблюдение этого требования может привести к травмам.
Внимание! В процессе обслуживания обращайтесь с модулем датчиков и диагностики (SDM) очень осторожно. Не ударяйте и не встряхивайте SDM. Никогда не подключайте питание к системе надувных подушек безопасности (SIR), если SDM не соединен жестко с автомобилем. Чтобы система надувных подушек безопасности (SIR) работала правильно, все болты крепления модуля датчиков и диагностики SDM должны быть тщательно затянуты, а стрелка на SDM должна быть направлена к передней части автомобиля. При недостаточно жестком креплении модуля SDM к автомобилю включенный модуль может сработать, что приведет к неожиданному выпуску подушек безопасности и может повлечь травму.
Диагностический код неисправности (DTC) B1651
Зарегистрировано столкновение боковой подушкой безопасности водителя
Описание схемы
При установке ключа зажигания в положение ON модуль датчиков и диагностики (SDM) выполняет начальную проверку для выявления существенных неполадок внутри самого SDM.
В случае срабатывания боковой подушка безопасности водителя при боковом столкновении, модуль SDM сохраняет включенное состояние предупредительной лампы "ON". Натяжители ремней безопасности водителя и пассажира, модуль боковой подушки безопасности водителя, датчик боковой подушки безопасности водителя, модуль шторной подушки безопасности водителя и SDM требуется заменить. После замены этих деталей необходимо проверить всю систему подушек безопасности.
Диагностический код неисправности DTC B1651 записывается, когда
- Архивные данные о срабатывании боковой подушки безопасности водителя сохраняются в модуле SDM.
DTC B1651 - Зарегистрировано столкновение боковой подушкой безопасности водителя
Внимание! Модуль датчиков и диагностики (SDM) может сохранять достаточное напряжение для приведения в действие подушек безопасности и натяжителей в течение 1 минуты после выключения зажигания и удаления предохранителя. Если подушки безопасности и натяжители не отсоединены, не начинайте обслуживание, пока не пройдет одна минута после отключения питания от SDM. Несоблюдение этого требования может привести к травмам.
Внимание! В процессе обслуживания обращайтесь с модулем датчиков и диагностики (SDM) очень осторожно. Не ударяйте и не встряхивайте SDM. Никогда не подключайте питание к системе надувных подушек безопасности (SIR), если SDM не соединен жестко с автомобилем. Чтобы система надувных подушек безопасности (SIR) работала правильно, все болты крепления модуля датчиков и диагностики SDM должны быть тщательно затянуты, а стрелка на SDM должна быть направлена к передней части автомобиля. При недостаточно жестком креплении модуля SDM к автомобилю включенный модуль может сработать, что приведет к неожиданному выпуску подушек безопасности и может повлечь травму.
Диагностический код неисправности (DTC) B1652
Зарегистрировано столкновение боковой подушкой безопасности пассажира
Описание схемы
При установке ключа зажигания в положение ON модуль датчиков и диагностики (SDM) выполняет начальную проверку для выявления существенных неполадок внутри самого SDM.
В случае срабатывания боковой подушка безопасности пассажира при боковом столкновении, модуль SDM сохраняет включенное состояние предупредительной лампы "ON". Натяжители ремней безопасности водителя и пассажира, модуль боковой подушки безопасности пассажира, датчик боковой подушки безопасности пассажира, модуль шторной подушки безопасности пассажира и SDM требуется заменить. После замены этих деталей необходимо проверить всю систему подушек безопасности.
Диагностический код неисправности DTC B1652 записывается, когда
- Архивные данные о срабатывании боковой подушки безопасности пассажира сохраняются в модуле SDM.
DTC B1652 - Зарегистрировано столкновение боковой подушкой безопасности пассажира
Внимание! Модуль датчиков и диагностики (SDM) может сохранять достаточное напряжение для приведения в действие подушек безопасности и натяжителей в течение 1 минуты после выключения зажигания и удаления предохранителя. Если подушки безопасности и натяжители не отсоединены, не начинайте обслуживание, пока не пройдет одна минута после отключения питания от SDM. Несоблюдение этого требования может привести к травмам.
Внимание! В процессе обслуживания обращайтесь с модулем датчиков и диагностики (SDM) очень осторожно. Не ударяйте и не встряхивайте SDM. Никогда не подключайте питание к системе надувных подушек безопасности (SIR), если SDM не соединен жестко с автомобилем. Чтобы система надувных подушек безопасности (SIR) работала правильно, все болты крепления модуля датчиков и диагностики SDM должны быть тщательно затянуты, а стрелка на SDM должна быть направлена к передней части автомобиля. При недостаточно жестком креплении модуля SDM к автомобилю включенный модуль может сработать, что приведет к неожиданному выпуску подушек безопасности и может повлечь травму.
Диагностический код неисправности (DTC) B1657
Зарегистрировано столкновение натяжителем ремня безопасности
Описание схемы
При установке ключа зажигания в положение ON модуль датчиков и диагностики (SDM) выполняет начальную проверку для выявления существенных неполадок внутри самого SDM.
Натяжитель ремня безопасности не может сработать самостоятельно, а должен сработать вместе с другими подушками безопасности независимо от того, лобовое это столкновение или боковое. Поэтому диагностический код неисправности DTC B1657 запишется вместе с кодом B1651 или B1652.
В случае срабатывания натяжителя ремня безопасности, модуль SDM сохраняет включенное состояние предупредительной лампы "ON", и после этого следует проверить всю систему подушек безопасности, а также заменить SDM, сработавшие подушки безопасности, натяжители и проводку.
Диагностический код неисправности DTC B1657 записывается, когда
- Архивные данные о срабатывании натяжителя ремня безопасности сохраняются в модуле SDM.
DTC B1657 - Зарегистрировано столкновение натяжителем ремня безопасности
Внимание! Модуль датчиков и диагностики (SDM) может сохранять достаточное напряжение для приведения в действие подушек безопасности и натяжителей в течение 1 минуты после выключения зажигания и удаления предохранителя. Если подушки безопасности и натяжители не отсоединены, не начинайте обслуживание, пока не пройдет одна минута после отключения питания от SDM. Несоблюдение этого требования может привести к травмам.
Внимание! В процессе обслуживания обращайтесь с модулем датчиков и диагностики (SDM) очень осторожно. Не ударяйте и не встряхивайте SDM. Никогда не подключайте питание к системе надувных подушек безопасности (SIR), если SDM не соединен жестко с автомобилем. Чтобы система надувных подушек безопасности (SIR) работала правильно, все болты крепления модуля датчиков и диагностики SDM должны быть тщательно затянуты, а стрелка на SDM должна быть направлена к передней части автомобиля. При недостаточно жестком креплении модуля SDM к автомобилю включенный модуль может сработать, что приведет к неожиданному выпуску подушек безопасности и может повлечь травму.
Диагностический код неисправности (DTC) B2500
Неисправность контрольной лампы подушки безопасности
Описание схемы
При установке ключа зажигания в положение ON модуль датчиков и диагностики (SDM) выполняет начальную проверку для выявления существенных неполадок внутри самого SDM.
После этих проверок модуль измеряет напряжения в цепях зажигания и срабатывания подушек безопасности, проверяя, что они находятся в номинальных диапазонах. SDM контролирует напряжения на проводах нижнего уровня подушек водителя и пассажира, выявляя замыкание цепей срабатывания на массу или напряжение питания.
Модуль датчиков и диагностики (SDM) проверяет проводку к каждому модулю наполнения надувной подушки безопасности, пропуская ничтожно малый ток через внутреннюю цепь и проверяя сопротивление. Если контрольная лампа нормально загорается и гаснет, SDM постоянно контролирует напряжение на выводе контрольной лампы.
Диагностический код неисправности DTC B2500 записывается, когда
- Контрольная лампа не мигает, как предусмотрено.
Справочная информация
Когда ключ зажигания устанавливается в положение ON, при нормальной работе системы контрольная лампа мигает 6 раз за 6 секунд.
Однако если контрольная лампа остается гореть или продолжает мигать дольше нормального (6 раз за 6 секунд), это является признаком неисправности (новой или старой). Проверьте неисправность с помощью диагностического прибора.
DTC B2500 - Неисправность контрольной лампы подушки безопасности
Внимание! Модуль датчиков и диагностики (SDM) может сохранять достаточное напряжение для приведения в действие подушек безопасности и натяжителей в течение 1 минуты после выключения зажигания и удаления предохранителя. Если подушки безопасности и натяжители не отсоединены, не начинайте обслуживание, пока не пройдет одна минута после отключения питания от SDM. Несоблюдение этого требования может привести к травмам.
Внимание! В процессе обслуживания обращайтесь с модулем датчиков и диагностики (SDM) очень осторожно. Не ударяйте и не встряхивайте SDM. Никогда не подключайте питание к системе надувных подушек безопасности (SIR), если SDM не соединен жестко с автомобилем. Чтобы система надувных подушек безопасности (SIR) работала правильно, все болты крепления модуля датчиков и диагностики SDM должны быть тщательно затянуты, а стрелка на SDM должна быть направлена к передней части автомобиля. При недостаточно жестком креплении модуля SDM к автомобилю включенный модуль может сработать, что приведет к неожиданному выпуску подушек безопасности и может повлечь травму.
| Шаг | Операция | Значения | Да | Нет |
| 1 | Проверьте предохранитель F1. Предохранитель перегорел? | - | Перейдите на Шаг 2 | Перейдите на Шаг 3 |
| 2 | Заменить предохранитель F1. | - | - | - |
| 3 | - Удостоверьтесь, что ключ зажигания находится в положении ON.
- Удостоверьтесь, что ключ зажигания находится в положении ON.
- Проверьте напряжение на предохранителе F1.
Находится ли напряжение в диапазоне 9 - 16 В? | 9 ~ 16 В | Перейдите на Шаг 5 | Перейдите на Шаг 4 |
| 4 | Замените цепь питания и проводку к предохранителю F1. | - | - | - |
| 5 | - Удостоверьтесь, что ключ зажигания находится в положении ON.
- Удостоверьтесь, что ключ зажигания находится в положении ON.
- Проверьте напряжение на выводе A35 разъема проводки комбинации приборов.
Находится ли напряжение в диапазоне 9 - 16 В? | 9 ~ 16 В | Перейдите на Шаг 7 | Перейдите на Шаг 6 |
| 6 | Отремонтируйте проводку между предохранителем F1 и выводом A35 разъема проводки комбинации приборов. | - | - | - |
| 7 | Проверьте соединение между выводами A35 и A27 комбинации приборов. Соединение в порядке? | - | Перейдите на Шаг 9 | Перейдите на Шаг 8 |
| 8 | Замените приборную панель. | - | - | - |
| 9 | - Удостоверьтесь, что ключ зажигания находится в положении OFF.
- Удостоверьтесь, что ключ зажигания находится в положении OFF.
- Отключите разъем модуля датчиков и диагностики (SDM).
- Проверьте сопротивление между выводом A27 разъема комбинации приборов и выводом 27 разъема модуля SDM.
Сопротивление близко к 0 (нулю)? | ≈ 0 Ом | Перейдите на Шаг 10 | Перейдите на Шаг 11 |
| 10 | Проверьте сопротивление между выводом 27 разъема модуля SDM и аккумулятором, массой. Сопротивление равно ∞? | - | Заменить модуль датчиков и диагностики. | Перейдите на Шаг 11 |
| 11 | Отремонтируйте проводку между выводом 27 SDM и приборной панелью. | - | - | - |
Диагностический код неисправности (DTC) B2502
Неисправность индикатора отключения ("OFF") подушки безопасности пассажира
Описание схемы
При установке ключа зажигания в положение ON модуль датчиков и диагностики (SDM) выполняет начальную проверку для выявления существенных неполадок внутри самого SDM.
В это время модуль SDM устанавливает связь с системой PPD/SBR (обнаружения присутствия пассажира/сигнализации непристегнутого ремня безопасности), и PPD/SBR отвечает модулю SDM, посылая индикатору отключения ("OFF") подушки безопасности пассажира команду включиться на 5 секунд.
Диагностический код неисправности DTC B2502 записывается, когда
- Лампа индикатора не мигает, как предусмотрено.
DTC B2502 Неисправность индикатора отключения ("OFF") подушки безопасности пассажира
Внимание! Модуль датчиков и диагностики (SDM) может сохранять достаточное напряжение для приведения в действие подушек безопасности и натяжителей в течение 1 минуты после выключения зажигания и удаления предохранителя. Если подушки безопасности и натяжители не отсоединены, не начинайте обслуживание, пока не пройдет одна минута после отключения питания от SDM. Несоблюдение этого требования может привести к травмам.
Внимание! В процессе обслуживания обращайтесь с модулем датчиков и диагностики (SDM) очень осторожно. Не ударяйте и не встряхивайте SDM. Никогда не подключайте питание к системе надувных подушек безопасности (SIR), если SDM не соединен жестко с автомобилем. Чтобы система надувных подушек безопасности (SIR) работала правильно, все болты крепления модуля датчиков и диагностики SDM должны быть тщательно затянуты, а стрелка на SDM должна быть направлена к передней части автомобиля. При недостаточно жестком креплении модуля SDM к автомобилю включенный модуль может сработать, что приведет к неожиданному выпуску подушек безопасности и может повлечь травму.
| Шаг | Операция | Значения | Да | Нет |
| 1 | Проверьте предохранитель F11. Предохранитель перегорел? | - | Перейдите на Шаг 2 | Перейдите на Шаг 3 |
| 2 | Заменить предохранитель F11. | - | - | - |
| 3 | - Удостоверьтесь, что ключ зажигания находится в положении ON.
- Удостоверьтесь, что ключ зажигания находится в положении ON.
- Проверьте напряжение на предохранителе F11.
Находится ли напряжение в диапазоне 9 - 16 В? | 9 ~ 16 В | Перейдите на Шаг 5 | Перейдите на Шаг 4 |
| 4 | Замените цепь питания и проводку к предохранителю F11. | - | - | - |
| 5 | - Удостоверьтесь, что ключ зажигания находится в положении ON.
- Удостоверьтесь, что ключ зажигания находится в положении ON.
- Проверьте напряжение на выводе 5 разъема проводки предупредительной лампы подушки безопасности/ремня безопасности пассажира.
Находится ли напряжение в диапазоне 9 - 16 В? | 9 ~ 16 В | Перейдите на Шаг 7 | Перейдите на Шаг 6 |
| 6 | Устраните неисправность проводки между предохранителем F11 и выводом 5 разъема проводки предупредительной лампы подушки безопасности/ремня безопасности пассажира. | - | - | - |
| 7 | Проверьте соединение между выводами 5 и 6 (1 с правосторонним управлением) предупредительной лампы подушки безопасности/ремня безопасности пассажира. Соединение в порядке? | - | Перейдите на Шаг 9 | Перейдите на Шаг 8 |
| 8 | Замените предупредительную лампу подушки безопасности/ремня безопасности пассажира. | - | - | - |
| 9 | - Удостоверьтесь, что ключ зажигания находится в положении OFF.
- Удостоверьтесь, что ключ зажигания находится в положении OFF.
- Отключите разъем модуля датчиков и диагностики (SDM).
- Проверьте сопротивление между выводом 6 (1 с правосторонним управлением) разъема предупредительной лампы подушки безопасности/ремня безопасности пассажира и выводом 56 разъема модуля SDM.
Сопротивление близко к 0 (нулю)? | ≈ 0 Ом | Перейдите на Шаг 10 | Перейдите на Шаг 11 |
| 10 | Проверьте сопротивление между выводом 56 разъема модуля SDM и аккумулятором, массой. Сопротивление равно ∞? | - | Заменить модуль датчиков и диагностики. | Перейдите на Шаг 11 |
| 11 | Отремонтируйте проводку между выводом 56 модуля SDM и предупредительной лампой подушки безопасности/ремня безопасности пассажира на приборной панели. | - | - | - |
 | |  | |