Электрическая схема 2007 Epica 10. I/P AND CONSOLE К началу документа
Epica
На предыдущую страницу На следующую страницу
Главная страница GMDE Загрузить нединамическое оглавление Загрузить динамическое оглавление Помощь



10. I/P AND CONSOLE

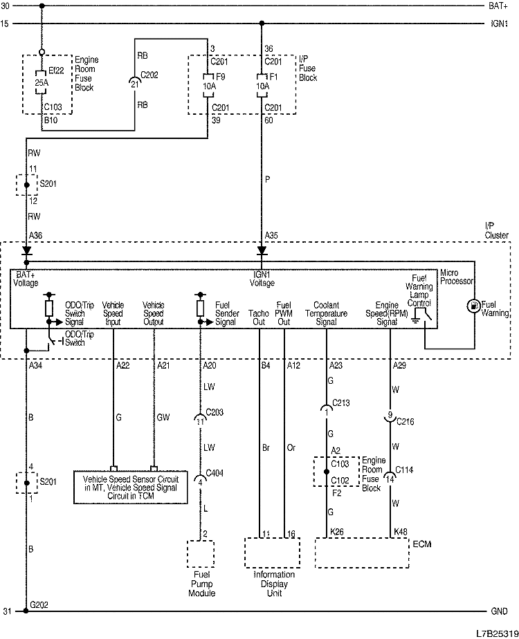
1) I/P CLUSTER

1-1) POWER, GROUND AND GAUGE CIRCUIT

L7B25319.png
Показать иллюстрациюПеревод текста в иллюстрациях


а. ИНФОРМАЦИЯ О РАЗЪЁМЕ

№ РАЗЪЁМА
(№ И ЦВЕТ КОНТАКТА)
СОЕДИНИТЕЛЬНЫЙ ЖГУТ ПРОВОДОВ ПОЛОЖЕНИЕ РАЗЪЁМА
C102 (68 Pin, Gray) Engine - Engine room fuse block Engine room fuse block
C103 (68 Pin, White) Body - Engine room fuse block Engine room fuse block
C114 (36 Pin, Black) Engine Extension - Engine Behind engine room fuse block
C201 (76 Pin, Black) IP - I/P fuse block I/P fuse block
C202 (23 Pin, White) IP - Body Connector box at the bottom of right A pillar
C204 (22 Pin, White) IP - Body Connector box at the bottom of right A pillar
C213 (23 Pin, White) IP - Body Connector box at the bottom of left A pillarr
C216 (20 Pin, White) Engine - IP Near the Connector box at the bottom of left A pillar
C404 (12 Pin, White) Body - Fuel Pump Under the center of rear crossmember
G202 IP Left bottom of IP center molding

б. УСЛОВНОЕ ОБОЗНАЧЕНИЕ & И НАХОЖДЕНИЕ НОМЕРА КОНТАКТА

L7B1P318.png
Показать иллюстрациюПеревод текста в иллюстрациях


в. РАСПОЛОЖЕНИЕ РАЗЪЁМОВ И СОЕДИНЕНИЙ МАССЫ

L7B22002.png
Показать иллюстрациюПеревод текста в иллюстрациях


L7B12104.png
Показать иллюстрациюПеревод текста в иллюстрациях


г. КОНТАКТНАЯ КОЛОДКА

S201

L7B2S101.png
Показать иллюстрациюПеревод текста в иллюстрациях


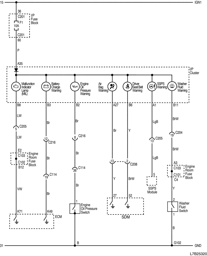
1-2) WARNING LAMPS (MIL, BATTERY CHARGE, ENGINE OIL PRESSURE, AIR BAG, DRIVER SEAT BELT, SSPS, WASHER FLUID) CIRCUIT

L7B25320.png
Показать иллюстрациюПеревод текста в иллюстрациях


а. ИНФОРМАЦИЯ О РАЗЪЁМЕ

№ РАЗЪЁМА
(№ И ЦВЕТ КОНТАКТА)
СОЕДИНИТЕЛЬНЫЙ ЖГУТ ПРОВОДОВ ПОЛОЖЕНИЕ РАЗЪЁМА
C101 (68 Pin, Black) Front - Engine room fuse block Engine room fuse block
C102 (68 Pin, Gray) Engine - Engine room fuse block Engine room fuse block
C103 (68 Pin, White) Body - Engine room fuse block Engine room fuse block
C114 (36 Pin, Black) Engine Extension - Engine Behind engine room fuse block
C201 (76 Pin, Black) IP - I/P fuse block I/P fuse block
C204 (22 Pin, White) IP - Body Connector box at the bottom of right A pillar
C205 (23 Pin, White) IP - Body Connector box at the bottom of right A pillar
C208 (16 Pin, White) Air Bag - IP Behind audio in the center of I/P
C216 (20 Pin, White) Engine - IP Near the Connector box at the bottom of left A pillar
G102 Front Behind right head lamp

б. УСЛОВНОЕ ОБОЗНАЧЕНИЕ & И НАХОЖДЕНИЕ НОМЕРА КОНТАКТА

L7B1P319.png
Показать иллюстрациюПеревод текста в иллюстрациях


в. РАСПОЛОЖЕНИЕ РАЗЪЁМОВ И СОЕДИНЕНИЙ МАССЫ

L7B22002.png
Показать иллюстрациюПеревод текста в иллюстрациях


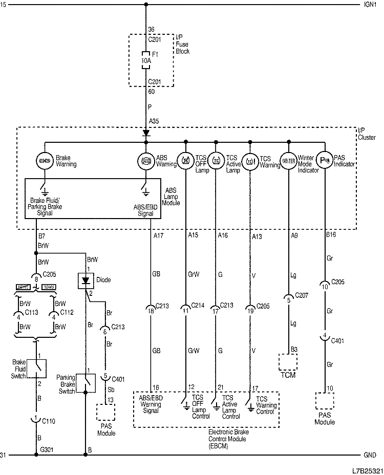
1-3) WANING LAMPS (BRAKE, ABS, TCS) AND INDICATORS (WINTER MODE, PAS, TCS OFF, TCS) CIRCUIT

L7B25321.png
Показать иллюстрациюПеревод текста в иллюстрациях


а. ИНФОРМАЦИЯ О РАЗЪЁМЕ

№ РАЗЪЁМА
(№ И ЦВЕТ КОНТАКТА)
СОЕДИНИТЕЛЬНЫЙ ЖГУТ ПРОВОДОВ ПОЛОЖЕНИЕ РАЗЪЁМА
C110 (4 Pin, Gray) Body - Body Sub Beside wiper motor in cowl panel
C112 (8 Pin, Gray) Body - Body Sub Beside wiper motor in cowl panel
C113 (8 Pin, Gray) Body - Body Sub Beside wiper motor in cowl panel
C201 (76 Pin, Black) IP - I/P fuse block I/P fuse block
C205 (23 Pin, White) IP - Body Connector box at the bottom of right A pillar
C207 (22 Pin, White) IP - TCM Behind driver's knee bolster
C213 (23 Pin, White) IP - Body Connector box at the bottom of left A pillarr
C214 (23 Pin, White) IP - Body Connector box at the bottom of left A pillarr
C401 (16 Pin, White) Trunk Room - Body On the left side panel in trunk room
G302 Body On the ringht crossmember of front floor panel

б. УСЛОВНОЕ ОБОЗНАЧЕНИЕ & И НАХОЖДЕНИЕ НОМЕРА КОНТАКТА

L7B1P035.png
Показать иллюстрациюПеревод текста в иллюстрациях


в. РАСПОЛОЖЕНИЕ РАЗЪЁМОВ И СОЕДИНЕНИЙ МАССЫ

L7B22002.png
Показать иллюстрациюПеревод текста в иллюстрациях


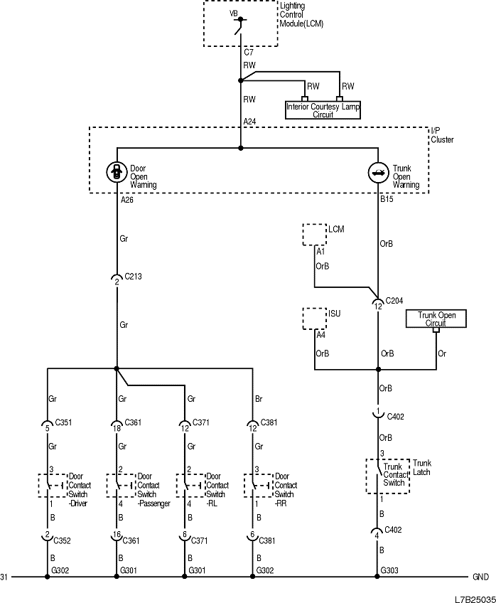
1-4) DOOR OPEN WARNING AND TRUNK OPEN WARNING LAMP CIRCUIT

L7B25035.png
Показать иллюстрациюПеревод текста в иллюстрациях


а. ИНФОРМАЦИЯ О РАЗЪЁМЕ

№ РАЗЪЁМА
(№ И ЦВЕТ КОНТАКТА)
СОЕДИНИТЕЛЬНЫЙ ЖГУТ ПРОВОДОВ ПОЛОЖЕНИЕ РАЗЪЁМА
C204 (22 Pin, White) IP - Body Connector box at the bottom of right A pillar
C213 (23 Pin, White) IP - Body Connector box at the bottom of right A pillarr
C351 (18 Pin, Gray) Body - Driver Door At the bottom of driver A pillar
C352 (18 Pin, White) Body - Driver Door At the bottom of driver A pillar
C361 (18 Pin, Gray) Body - Passenger Door At the bottom of passenger A pillar
C371 (21 Pin, White) Body - Rear Left Door At the bottom of left B pillar
C381 (21 Pin, White) Body - Rear Right Door At the bottom of right B pillar
C402 (6 Pin, White) Trunk Lid - Body On the left side panel in trunk room
G301 Body On the left crossmember of front floor panel
G302 Body On the ringht crossmember of front floor panel
G303 Body Near back shelf of left C pillar

б. УСЛОВНОЕ ОБОЗНАЧЕНИЕ & И НАХОЖДЕНИЕ НОМЕРА КОНТАКТА

L7B1P036.png
Показать иллюстрациюПеревод текста в иллюстрациях


в. РАСПОЛОЖЕНИЕ РАЗЪЁМОВ И СОЕДИНЕНИЙ МАССЫ

L7B22002.png
Показать иллюстрациюПеревод текста в иллюстрациях


L7B22007.png
Показать иллюстрациюПеревод текста в иллюстрациях


L7B22008.png
Показать иллюстрациюПеревод текста в иллюстрациях


L7B12015.png
Показать иллюстрациюПеревод текста в иллюстрациях


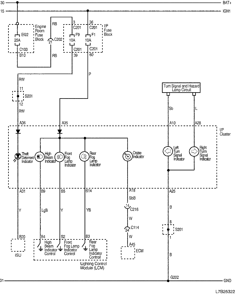
1-5) INDICATORS (THEFT DETERRENT, HIGH BEAM, FRONT FOG, REAR FOG, DRL, CRUISE, TURN SIGNAL) CIRCUIT

L7B25322.png
Показать иллюстрациюПеревод текста в иллюстрациях


а. ИНФОРМАЦИЯ О РАЗЪЁМЕ

№ РАЗЪЁМА
(№ И ЦВЕТ КОНТАКТА)
СОЕДИНИТЕЛЬНЫЙ ЖГУТ ПРОВОДОВ ПОЛОЖЕНИЕ РАЗЪЁМА
C103 (68 Pin, White) Body - Engine room fuse block Engine room fuse block
C114 (36 Pin, Black) Engine Extension - Engine Behind engine room fuse block
C201 (76 Pin, Black) IP - I/P fuse block I/P fuse block
C202 (23 Pin, White) IP - Body Connector box at the bottom of right A pillar
G202 IP Left bottom of IP center molding

б. УСЛОВНОЕ ОБОЗНАЧЕНИЕ & И НАХОЖДЕНИЕ НОМЕРА КОНТАКТА

L7B1P037.png
Показать иллюстрациюПеревод текста в иллюстрациях


в. РАСПОЛОЖЕНИЕ РАЗЪЁМОВ И СОЕДИНЕНИЙ МАССЫ

L7B22002.png
Показать иллюстрациюПеревод текста в иллюстрациях


г. КОНТАКТНАЯ КОЛОДКА

S201

L7B2S101.png
Показать иллюстрациюПеревод текста в иллюстрациях


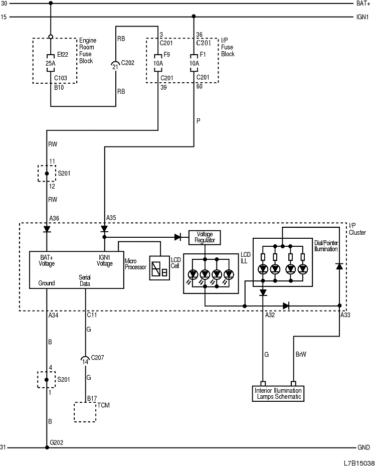
1-6) SHIFT INDICATOR AND ILLUMINATION CIRCUIT

L7B15038.png
Показать иллюстрациюПеревод текста в иллюстрациях


а. ИНФОРМАЦИЯ О РАЗЪЁМЕ

№ РАЗЪЁМА
(№ И ЦВЕТ КОНТАКТА)
СОЕДИНИТЕЛЬНЫЙ ЖГУТ ПРОВОДОВ ПОЛОЖЕНИЕ РАЗЪЁМА
C103 (68 Pin, White) Body - Engine room fuse block Engine room fuse block
C201 (76 Pin, Black) IP - I/P fuse block I/P fuse block
C202 (23 Pin, White) IP - Body Connector box at the bottom of right A pillar
C207 (22 Pin, White) IP - TCM Behind drver's knee bolster
G202 IP Left bottom of IP center molding

б. УСЛОВНОЕ ОБОЗНАЧЕНИЕ & И НАХОЖДЕНИЕ НОМЕРА КОНТАКТА

L7B1P038.png
Показать иллюстрациюПеревод текста в иллюстрациях


в. РАСПОЛОЖЕНИЕ РАЗЪЁМОВ И СОЕДИНЕНИЙ МАССЫ

L7B22002.png
Показать иллюстрациюПеревод текста в иллюстрациях


г. КОНТАКТНАЯ КОЛОДКА

S201

L7B2S101.png
Показать иллюстрациюПеревод текста в иллюстрациях


2) DRIVER INFORMATION CENTER

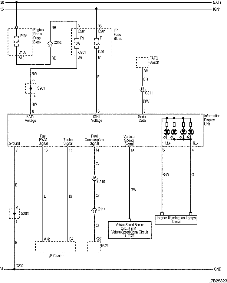
2-1) DRIVER INFORMATION DISPLAY CIRCUIT

L7B25323.png
Показать иллюстрациюПеревод текста в иллюстрациях


а. ИНФОРМАЦИЯ О РАЗЪЁМЕ

№ РАЗЪЁМА
(№ И ЦВЕТ КОНТАКТА)
СОЕДИНИТЕЛЬНЫЙ ЖГУТ ПРОВОДОВ ПОЛОЖЕНИЕ РАЗЪЁМА
C102 (68 Pin, Gray) Engine - Engine room fuse block Engine room fuse block
C103 (68 Pin, White) Body - Engine room fuse block Engine room fuse block
C114 (36 Pin, Black) Engine Extension - Engine Behind engine room fuse block
C201 (76 Pin, Black) IP - I/P fuse block I/P fuse block
C202 (23 Pin, White) IP - Body Connector box at the bottom of right A pillar
C204 (22 Pin, White) IP - Body Connector box at the bottom of right A pillar
C211 (15 Pin, White) IP - A/C Behind the glove box
C211 (16 Pin, White) IP - A/C Behind the glove box
C216 (20 Pin, White) Engine - IP Near the Connector box at the bottom of left A pillar
G202 IP Left bottom of IP center molding

б. УСЛОВНОЕ ОБОЗНАЧЕНИЕ & И НАХОЖДЕНИЕ НОМЕРА КОНТАКТА

L7B1P320.png
Показать иллюстрациюПеревод текста в иллюстрациях


в. РАСПОЛОЖЕНИЕ РАЗЪЁМОВ И СОЕДИНЕНИЙ МАССЫ

L7B22002.png
Показать иллюстрациюПеревод текста в иллюстрациях


г. КОНТАКТНАЯ КОЛОДКА

S201

L7B2S001.png
Показать иллюстрациюПеревод текста в иллюстрациях


S202

L7B1S002.png
Показать иллюстрациюПеревод текста в иллюстрациях


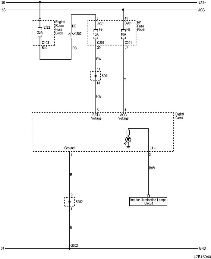
3) CLOCK CIRCUIT

L7B15040.png
Показать иллюстрациюПеревод текста в иллюстрациях


а. ИНФОРМАЦИЯ О РАЗЪЁМЕ

№ РАЗЪЁМА
(№ И ЦВЕТ КОНТАКТА)
СОЕДИНИТЕЛЬНЫЙ ЖГУТ ПРОВОДОВ ПОЛОЖЕНИЕ РАЗЪЁМА
C103 (68 Pin, White) Body - Engine room fuse block Engine room fuse block
C201 (76 Pin, Black) IP - I/P fuse block I/P fuse block
C202 (23 Pin, White) IP - Body Connector box at the bottom of right A pillar
G202 IP Left bottom of IP center molding

б. УСЛОВНОЕ ОБОЗНАЧЕНИЕ & И НАХОЖДЕНИЕ НОМЕРА КОНТАКТА

L7B1P040.png
Показать иллюстрациюПеревод текста в иллюстрациях


в. РАСПОЛОЖЕНИЕ РАЗЪЁМОВ И СОЕДИНЕНИЙ МАССЫ

L7B22002.png
Показать иллюстрациюПеревод текста в иллюстрациях


г. КОНТАКТНАЯ КОЛОДКА

S201

L7B2S001.png
Показать иллюстрациюПеревод текста в иллюстрациях


S202

L7B1S002.png
Показать иллюстрациюПеревод текста в иллюстрациях


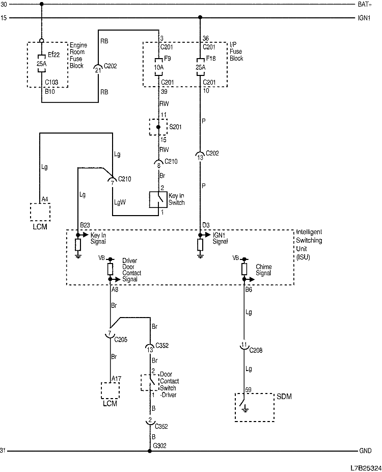
4) AUDIBLE WARNING CIRCUIT

L7B25324.png
Показать иллюстрациюПеревод текста в иллюстрациях


а. ИНФОРМАЦИЯ О РАЗЪЁМЕ

№ РАЗЪЁМА
(№ И ЦВЕТ КОНТАКТА)
СОЕДИНИТЕЛЬНЫЙ ЖГУТ ПРОВОДОВ ПОЛОЖЕНИЕ РАЗЪЁМА
C103 (68 Pin, White) Body - Engine room fuse block Engine room fuse block
C201 (76 Pin, Black) IP - I/P fuse block I/P fuse block
C202 (23 Pin, White) IP - Body Connector box at the bottom of right A pillar
C208 (16 Pin, White) Air Bag - IP Behind audio in the center of I/P
C210 (10 Pin, White) IP - Lock Housing Near the center of steering column
C352 (18 Pin, White) Body - Driver Door At the bottom of driver A pillar
G302 Body On the ringht crossmember of front floor panel

б. УСЛОВНОЕ ОБОЗНАЧЕНИЕ & И НАХОЖДЕНИЕ НОМЕРА КОНТАКТА

L7B22002.png
Показать иллюстрациюПеревод текста в иллюстрациях


в. РАСПОЛОЖЕНИЕ РАЗЪЁМОВ И СОЕДИНЕНИЙ МАССЫ

L7B22002.png
Показать иллюстрациюПеревод текста в иллюстрациях


L7B22007.png
Показать иллюстрациюПеревод текста в иллюстрациях


г. КОНТАКТНАЯ КОЛОДКА

S201

L7B2S101.png
Показать иллюстрациюПеревод текста в иллюстрациях


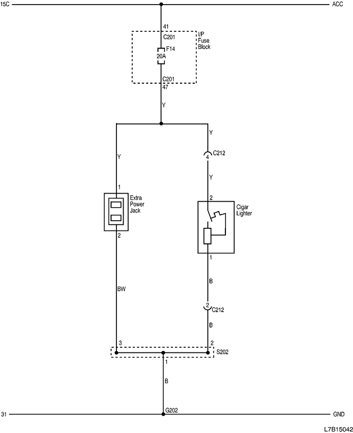
5) CIGAR LIGHTER AND EXTRA POWER JACK CIRCUIT

L7B15042.png
Показать иллюстрациюПеревод текста в иллюстрациях


а. ИНФОРМАЦИЯ О РАЗЪЁМЕ

№ РАЗЪЁМА
(№ И ЦВЕТ КОНТАКТА)
СОЕДИНИТЕЛЬНЫЙ ЖГУТ ПРОВОДОВ ПОЛОЖЕНИЕ РАЗЪЁМА
C201 (76 Pin, Black) IP - I/P fuse block I/P fuse block
C212 (4 Pin, White) IP - Ashtray Behind the ashtray
G202 IP Left bottom of IP center molding

б. УСЛОВНОЕ ОБОЗНАЧЕНИЕ & И НАХОЖДЕНИЕ НОМЕРА КОНТАКТА

L7B1P042.png
Показать иллюстрациюПеревод текста в иллюстрациях


в. РАСПОЛОЖЕНИЕ РАЗЪЁМОВ И СОЕДИНЕНИЙ МАССЫ

L7B22002.png
Показать иллюстрациюПеревод текста в иллюстрациях


г. КОНТАКТНАЯ КОЛОДКА

S202

L7B1S002.png
Показать иллюстрациюПеревод текста в иллюстрациях


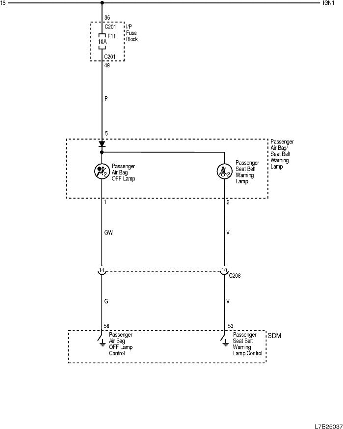
6) PASSENGER AIR BAG/SEAT BELT WARNING LAMP CIRCUIT

L7B25037.png
Показать иллюстрациюПеревод текста в иллюстрациях


а. ИНФОРМАЦИЯ О РАЗЪЁМЕ

№ РАЗЪЁМА
(№ И ЦВЕТ КОНТАКТА)
СОЕДИНИТЕЛЬНЫЙ ЖГУТ ПРОВОДОВ ПОЛОЖЕНИЕ РАЗЪЁМА
C201 (76 Pin, Black) IP - I/P fuse block I/P fuse block
C208 (16 Pin, White) Air Bag - IP Behind audio in the center of I/P

б. УСЛОВНОЕ ОБОЗНАЧЕНИЕ & И НАХОЖДЕНИЕ НОМЕРА КОНТАКТА

L7B1P043.png
Показать иллюстрациюПеревод текста в иллюстрациях


в. РАСПОЛОЖЕНИЕ РАЗЪЁМОВ И СОЕДИНЕНИЙ МАССЫ

L7B22002.png
Показать иллюстрациюПеревод текста в иллюстрациях


L7B22004.png
Показать иллюстрациюПеревод текста в иллюстрациях


На предыдущую страницу На следующую страницу


Главная страница сайта