Электрическая схема 2007 Epica 9. STEERING SYSTEM К началу документа
Epica
На предыдущую страницу На следующую страницу
Главная страница GMDE Загрузить нединамическое оглавление Загрузить динамическое оглавление Помощь



9. STEERING SYSTEM

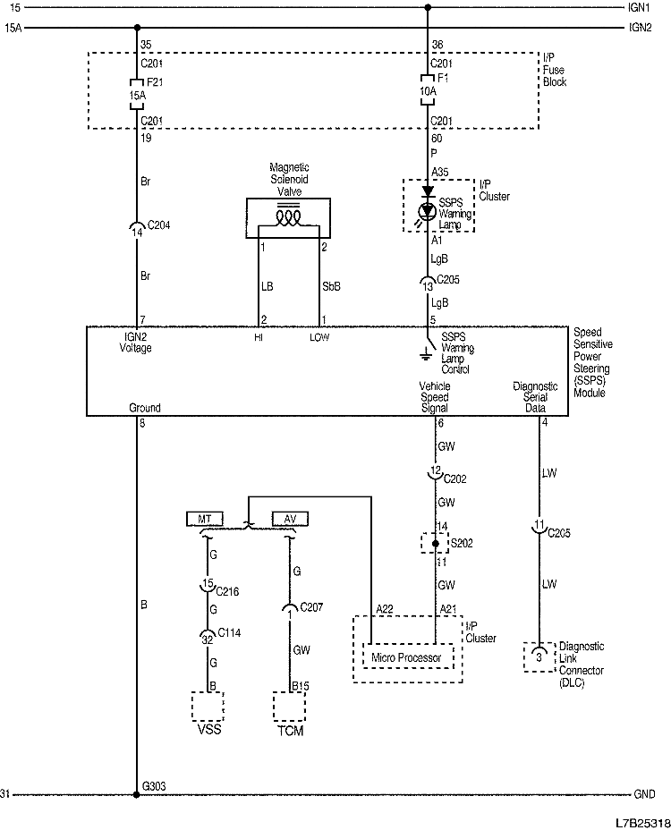
1) SPEED SENSITIVE POWER STEERING (SSPS) CIRCUIT

L7B25318.png
Показать иллюстрациюПеревод текста в иллюстрациях


а. ИНФОРМАЦИЯ О РАЗЪЁМЕ

№ РАЗЪЁМА
(№ И ЦВЕТ КОНТАКТА)
СОЕДИНИТЕЛЬНЫЙ ЖГУТ ПРОВОДОВ ПОЛОЖЕНИЕ РАЗЪЁМА
C114 (36 Pin, Black) Engine Extension - Engine Behind engine room fuse block
C201 (76 Pin, Black) IP - I/P fuse block I/P fuse block
C202 (23 Pin, White) IP - Body Connector box at the bottom of right A pillar
C204 (22 Pin, White) IP - Body Connector box at the bottom of right A pillar
C205 (23 Pin, White) IP - Body Connector box at the bottom of right A pillar
C207 (22 Pin, White) IP - TCM Behind driver's knee bolster
C216 (20 Pin, White) Engine - IP Near the Connector box at the bottom of left A pillar
G303 Body Near back shelf of left C pillar

б. УСЛОВНОЕ ОБОЗНАЧЕНИЕ & И НАХОЖДЕНИЕ НОМЕРА КОНТАКТА

L7B1P032.png
Показать иллюстрациюПеревод текста в иллюстрациях


в. РАСПОЛОЖЕНИЕ РАЗЪЁМОВ И СОЕДИНЕНИЙ МАССЫ

L7B22005.png
Показать иллюстрациюПеревод текста в иллюстрациях


г. КОНТАКТНАЯ КОЛОДКА

S202

L7B1S002.png
Показать иллюстрациюПеревод текста в иллюстрациях


На предыдущую страницу На следующую страницу


Главная страница сайта