Электрическая схема 2007 Epica 11. POWER WINDOW SYSTEM К началу документа
Epica
На предыдущую страницу На следующую страницу
Главная страница GMDE Загрузить нединамическое оглавление Загрузить динамическое оглавление Помощь



11. POWER WINDOW SYSTEM

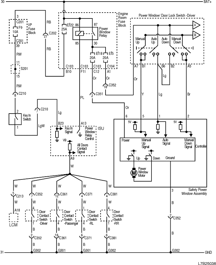
1) DRIVER SAFETY POWER WINDOW CIRCUIT

L7B25038.png
Показать иллюстрациюПеревод текста в иллюстрациях


а. ИНФОРМАЦИЯ О РАЗЪЁМЕ

№ РАЗЪЁМА
(№ И ЦВЕТ КОНТАКТА)
СОЕДИНИТЕЛЬНЫЙ ЖГУТ ПРОВОДОВ ПОЛОЖЕНИЕ РАЗЪЁМА
C103 (68 Pin, White) Body - Engine room fuse block Engine room fuse block
C104 (8 Pin, Gray) Body - Engine room fuse block Engine room fuse block
C201 (76 Pin, Black) IP - I/P fuse block I/P fuse block
C202 (23 Pin, White) IP - Body Connector box at the bottom of right A pillar
C210 (10 Pin, White) IP - Lock Housing Near the center of steering column
C213 (23 Pin, White) IP - Body Connector box at the bottom of left A pillarr
C351 (18 Pin, Gray) Body - Driver Door At the bottom of driver A pillar
C352 (18 Pin, White) Body - Driver Door At the bottom of driver A pillar
C361 (18 Pin, Gray) Body - Passenger Door At the bottom of passenger A pillar
C371 (21 Pin, White) Body - Rear Left Door At the bottom of left B pillar
C381 (21 Pin, White) Body - Rear Right Door At the bottom of right B pillar
G301 Body On the left crossmember of front floor panel
G302 Body On the ringht crossmember of front floor panel

б. УСЛОВНОЕ ОБОЗНАЧЕНИЕ & И НАХОЖДЕНИЕ НОМЕРА КОНТАКТА

L7B1P045.png
Показать иллюстрациюПеревод текста в иллюстрациях


в. РАСПОЛОЖЕНИЕ РАЗЪЁМОВ И СОЕДИНЕНИЙ МАССЫ

L7B22007.png
Показать иллюстрациюПеревод текста в иллюстрациях


L7B22008.png
Показать иллюстрациюПеревод текста в иллюстрациях


L7B12015.png
Показать иллюстрациюПеревод текста в иллюстрациях


г. КОНТАКТНАЯ КОЛОДКА

S201

L7B2S101.png
Показать иллюстрациюПеревод текста в иллюстрациях


2) PASSENGER AND REAR POWER WINDOW CIRCUIT

L7B25325.png
Показать иллюстрациюПеревод текста в иллюстрациях


а. ИНФОРМАЦИЯ О РАЗЪЁМЕ

№ РАЗЪЁМА
(№ И ЦВЕТ КОНТАКТА)
СОЕДИНИТЕЛЬНЫЙ ЖГУТ ПРОВОДОВ ПОЛОЖЕНИЕ РАЗЪЁМА
C351 (18 Pin, Gray) Body - Driver Door At the bottom of driver A pillar
C352 (18 Pin, White) Body - Driver Door At the bottom of driver A pillar
C361 (18 Pin, Gray) Body - Passenger Door At the bottom of passenger A pillar
C371 (21 Pin, White) Body - Rear Left Door At the bottom of left B pillar
C381 (21 Pin, White) Body - Rear Right Door At the bottom of right B pillar
G301 Body On the left crossmember of front floor panel
G302 Body On the ringht crossmember of front floor panel

б. УСЛОВНОЕ ОБОЗНАЧЕНИЕ & И НАХОЖДЕНИЕ НОМЕРА КОНТАКТА

L7B1P046.png
Показать иллюстрациюПеревод текста в иллюстрациях


в. РАСПОЛОЖЕНИЕ РАЗЪЁМОВ И СОЕДИНЕНИЙ МАССЫ

L7B22007.png
Показать иллюстрациюПеревод текста в иллюстрациях


L7B22008.png
Показать иллюстрациюПеревод текста в иллюстрациях


L7B12015.png
Показать иллюстрациюПеревод текста в иллюстрациях


На предыдущую страницу На следующую страницу


Главная страница сайта