Электрическая схема 2007 Epica 12. DOOR LOCKING SYSTEM К началу документа
Epica
На предыдущую страницу На следующую страницу
Главная страница GMDE Загрузить нединамическое оглавление Загрузить динамическое оглавление Помощь



12. DOOR LOCKING SYSTEM

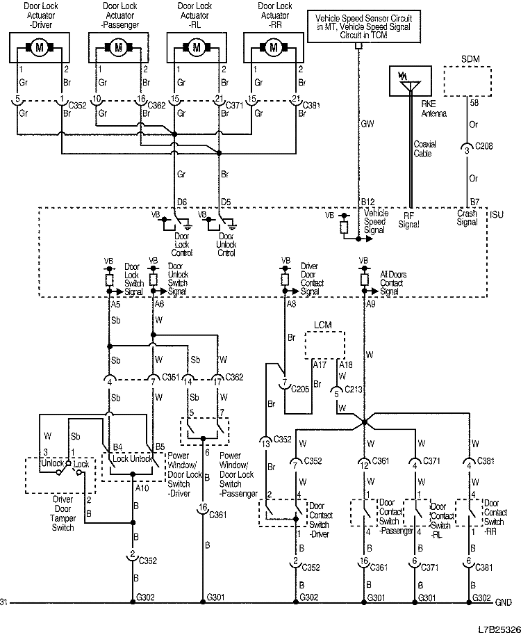
1) DOOR LOCKING CIRCUIT

L7B25326.png
Показать иллюстрациюПеревод текста в иллюстрациях


а. ИНФОРМАЦИЯ О РАЗЪЁМЕ

№ РАЗЪЁМА
(№ И ЦВЕТ КОНТАКТА)
СОЕДИНИТЕЛЬНЫЙ ЖГУТ ПРОВОДОВ ПОЛОЖЕНИЕ РАЗЪЁМА
C202 (23Pin, White) IP - Body Connector box at the bottom of right A pillar
C208 (16 Pin, White) Air Bag - IP Behind audio in the center of I/P
C351 (18 Pin, Gray) Body - Driver Door At the bottom of driver A pillar
C352 (18 Pin, White) Body - Driver Door At the bottom of driver A pillar
C361 (18 Pin, Gray) Body - Passenger Door At the bottom of passenger A pillar
C371 (21 Pin, White) Body - Rear Left Door At the bottom of left B pillar
C381 (21 Pin, White) Body - Rear Right Door At the bottom of right B pillar
G301 Body On the left crossmember of front floor panel
G302 Body On the ringht crossmember of front floor panel

б. УСЛОВНОЕ ОБОЗНАЧЕНИЕ & И НАХОЖДЕНИЕ НОМЕРА КОНТАКТА

L7B1P047.png
Показать иллюстрациюПеревод текста в иллюстрациях


в. РАСПОЛОЖЕНИЕ РАЗЪЁМОВ И СОЕДИНЕНИЙ МАССЫ

L7B22007.png
Показать иллюстрациюПеревод текста в иллюстрациях


L7B22008.png
Показать иллюстрациюПеревод текста в иллюстрациях


L7B12015.png
Показать иллюстрациюПеревод текста в иллюстрациях


На предыдущую страницу На следующую страницу


Главная страница сайта