Электрическая схема 2007 Epica 6. MANUAL TRANSMISSION (MT) К началу документа
Epica
На предыдущую страницу На следующую страницу
Главная страница GMDE Загрузить нединамическое оглавление Загрузить динамическое оглавление Помощь



6. MANUAL TRANSMISSION (MT)

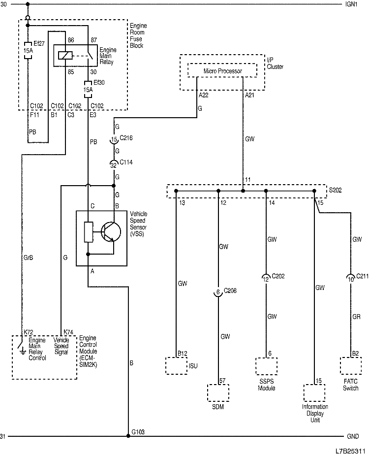
1) VEHICLE SPEED SENSOR CIRCUIT

L7B25311.png
Показать иллюстрациюПеревод текста в иллюстрациях


а. ИНФОРМАЦИЯ О РАЗЪЁМЕ

№ РАЗЪЁМА
(№ И ЦВЕТ КОНТАКТА)
СОЕДИНИТЕЛЬНЫЙ ЖГУТ ПРОВОДОВ ПОЛОЖЕНИЕ РАЗЪЁМА
C102 (68 Pin, Gray) Engine - Engine room fuse block Engine room fuse block
C114 (36 Pin, Black) Engine Extension - Engine Behind engine room fuse block
C202 (23 Pin, White) IP - Body Connector box at the bottom of left A pillar
C208 (16 Pin, White) Air Bag - IP Behind audio in the center of I/P
C211 (16 Pin, White) IP - A/C Behind the glove box
C216 (20 Pin, White) Engine - IP Near the Connector box at the bottom of right A pillar

б. УСЛОВНОЕ ОБОЗНАЧЕНИЕ & И НАХОЖДЕНИЕ НОМЕРА КОНТАКТА

L7B1P315.png
Показать иллюстрациюПеревод текста в иллюстрациях


в. РАСПОЛОЖЕНИЕ РАЗЪЁМОВ И СОЕДИНЕНИЙ МАССЫ

L7B12104.png
Показать иллюстрациюПеревод текста в иллюстрациях


L7B12002.png
Показать иллюстрациюПеревод текста в иллюстрациях


г. КОНТАКТНАЯ КОЛОДКА

S202

L7B1S002.png
Показать иллюстрациюПеревод текста в иллюстрациях


На предыдущую страницу На следующую страницу


Главная страница сайта