Электрическая схема 2007 Epica 7. AUTOMATIC TRANSMISSION (AT) К началу документа
Epica
На предыдущую страницу На следующую страницу
Главная страница GMDE Загрузить нединамическое оглавление Загрузить динамическое оглавление Помощь



7. AUTOMATIC TRANSMISSION (AT)

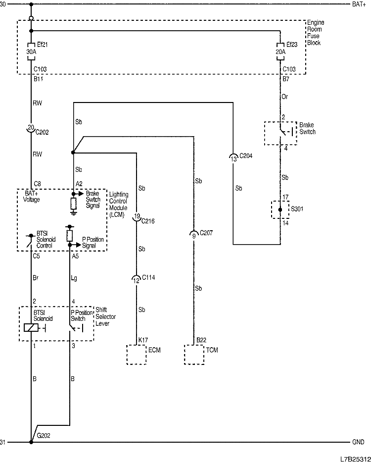
1) SHIFT LOCK CONTROL CIRCUIT

L7B25312.png
Показать иллюстрациюПеревод текста в иллюстрациях


а. ИНФОРМАЦИЯ О РАЗЪЁМЕ

№ РАЗЪЁМА
(№ И ЦВЕТ КОНТАКТА)
СОЕДИНИТЕЛЬНЫЙ ЖГУТ ПРОВОДОВ ПОЛОЖЕНИЕ РАЗЪЁМА
C103 (68 Pin, White) Body - Engine room fuse block Engine room fuse block
C114 (36 Pin, Black) Engine Extension - Engine Behind engine room fuse block
C202 (23 Pin, White) IP - Body Connector box at the bottom of right A pillar
C204 (22 Pin, White) IP - Body Connector box at the bottom of right A pillar
C207 (22 Pin, White) IP - TCM Behind driver's knee bolster
C216 (20 Pin, White) Engine - IP Near the Connector box at the bottom of left A pillar
G202 IP Left bottom of IP center molding

б. УСЛОВНОЕ ОБОЗНАЧЕНИЕ & И НАХОЖДЕНИЕ НОМЕРА КОНТАКТА

L7B1P024.png
Показать иллюстрациюПеревод текста в иллюстрациях


в. РАСПОЛОЖЕНИЕ РАЗЪЁМОВ И СОЕДИНЕНИЙ МАССЫ

L7B22002.png
Показать иллюстрациюПеревод текста в иллюстрациях


г. КОНТАКТНАЯ КОЛОДКА

S301

L7B2S102.png
Показать иллюстрациюПеревод текста в иллюстрациях


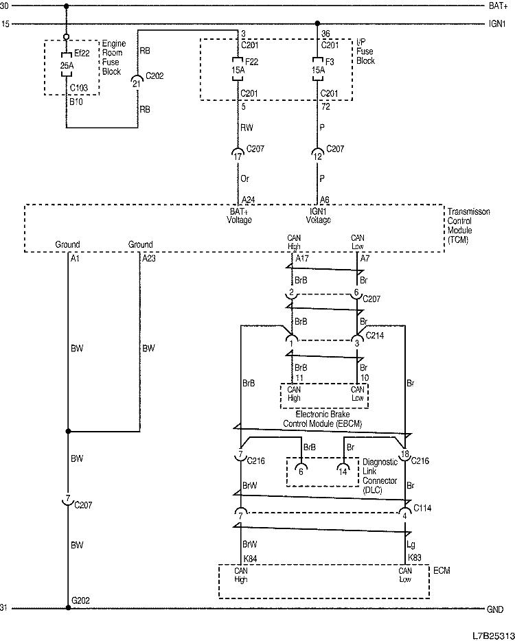
2) TRANSMISSION CONTROL MODULE (TCM)

2-1) POWER, GROUND, SERIAL DATA COMMUNICATION AND DIAGNOSTIC CIRCUIT

L7B25313.png
Показать иллюстрациюПеревод текста в иллюстрациях


а. ИНФОРМАЦИЯ О РАЗЪЁМЕ

№ РАЗЪЁМА
(№ И ЦВЕТ КОНТАКТА)
СОЕДИНИТЕЛЬНЫЙ ЖГУТ ПРОВОДОВ ПОЛОЖЕНИЕ РАЗЪЁМА
C103 (68 Pin, White) Body - Engine room fuse block Engine room fuse block
C114 (36 Pin, Black) Engine Extension - Engine Behind engine room fuse block
C201 (76 Pin, Black) IP - I/P fuse block I/P fuse block
C202 (23 Pin, White) IP - Body Connector box at the bottom of right A pillar
C207 (22 Pin, White) IP - TCM Behind driver's knee bolster
C214 (23 Pin, White) IP - Body Connector box at the bottom of left A pillarr
C216 (20 Pin, White) Engine - IP Near the Connector box at the bottom of left A pillar
G202 IP Left bottom of IP center molding

б. УСЛОВНОЕ ОБОЗНАЧЕНИЕ & И НАХОЖДЕНИЕ НОМЕРА КОНТАКТА

L7B1P316.png
Показать иллюстрациюПеревод текста в иллюстрациях


в. РАСПОЛОЖЕНИЕ РАЗЪЁМОВ И СОЕДИНЕНИЙ МАССЫ

L7B22003.png
Показать иллюстрациюПеревод текста в иллюстрациях


L7B22002.png
Показать иллюстрациюПеревод текста в иллюстрациях


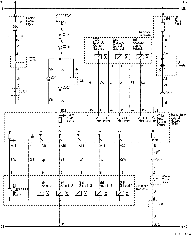
2-2) SHIFT AND PRESSURE CONTROL SOLENOID, SWITCH AND INDICATOR CIRCUIT

L7B25314.png
Показать иллюстрациюПеревод текста в иллюстрациях


а. ИНФОРМАЦИЯ О РАЗЪЁМЕ

№ РАЗЪЁМА
(№ И ЦВЕТ КОНТАКТА)
СОЕДИНИТЕЛЬНЫЙ ЖГУТ ПРОВОДОВ ПОЛОЖЕНИЕ РАЗЪЁМА
C103 (68 Pin, White) Body - Engine room fuse block Engine room fuse block
C114 (36 Pin, Black) Engine Extension - Engine Behind engine room fuse block
C201 (76 Pin, Black) IP - I/P fuse block I/P fuse block
C204 (22 Pin, White) IP - Body Connector box at the bottom of right A pillar
C207 (22 Pin, White) IP - TCM Behind driver's knee bolster
C216 (20 Pin, White) Engine - IP Near the Connector box at the bottom of left A pillar
G202 IP Left bottom of IP center molding

б. УСЛОВНОЕ ОБОЗНАЧЕНИЕ & И НАХОЖДЕНИЕ НОМЕРА КОНТАКТА

L7B1P026.png
Показать иллюстрациюПеревод текста в иллюстрациях


в. РАСПОЛОЖЕНИЕ РАЗЪЁМОВ И СОЕДИНЕНИЙ МАССЫ

L7B22003.png
Показать иллюстрациюПеревод текста в иллюстрациях


L7B22002.png
Показать иллюстрациюПеревод текста в иллюстрациях


г. КОНТАКТНАЯ КОЛОДКА

S202

L7B1S002.png
Показать иллюстрациюПеревод текста в иллюстрациях


S301

L7B2S102.png
Показать иллюстрациюПеревод текста в иллюстрациях


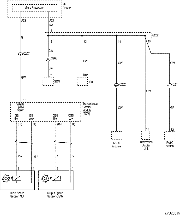
2-3) VEHICLE SPEED SIGNAL CIRCUIT

L7B25315.png
Показать иллюстрациюПеревод текста в иллюстрациях


а. ИНФОРМАЦИЯ О РАЗЪЁМЕ

№ РАЗЪЁМА
(№ И ЦВЕТ КОНТАКТА)
СОЕДИНИТЕЛЬНЫЙ ЖГУТ ПРОВОДОВ ПОЛОЖЕНИЕ РАЗЪЁМА
C114 (36 Pin, Black) Engine Extension - Engine Behind engine room fuse block
C202 (23 Pin, White) IP - Body Connector box at the bottom of right A pillar
C207 (22 Pin, White) IP - TCM Behind driver's knee bolster
C208 (16 Pin, White) Air Bag - IP Behind audio in the center of I/P
C211 (16 Pin, White) IP - A/C Behind the glove box
C216 (20 Pin, White) Engine - IP Near the Connector box at the bottom of left A pillar

б. УСЛОВНОЕ ОБОЗНАЧЕНИЕ & И НАХОЖДЕНИЕ НОМЕРА КОНТАКТА

L7B1P027.png
Показать иллюстрациюПеревод текста в иллюстрациях


в. РАСПОЛОЖЕНИЕ РАЗЪЁМОВ И СОЕДИНЕНИЙ МАССЫ

L7B22003.png
Показать иллюстрациюПеревод текста в иллюстрациях


L7B22002.png
Показать иллюстрациюПеревод текста в иллюстрациях


г. КОНТАКТНАЯ КОЛОДКА

S202

L7B1S002.png
Показать иллюстрациюПеревод текста в иллюстрациях


2-4) PARKING/NEUTRAL POSITION (PNP) SWITCH CIRCUIT

L7B15028.png
Показать иллюстрациюПеревод текста в иллюстрациях


а. ИНФОРМАЦИЯ О РАЗЪЁМЕ

№ РАЗЪЁМА
(№ И ЦВЕТ КОНТАКТА)
СОЕДИНИТЕЛЬНЫЙ ЖГУТ ПРОВОДОВ ПОЛОЖЕНИЕ РАЗЪЁМА
C201 (76 Pin, Black) IP - I/P fuse block I/P fuse block
C207 (22 Pin, White) IP - TCM Behind driver's knee bolster
G202 IP Left bottom of IP center molding

б. УСЛОВНОЕ ОБОЗНАЧЕНИЕ & И НАХОЖДЕНИЕ НОМЕРА КОНТАКТА

L7B1P028.png
Показать иллюстрациюПеревод текста в иллюстрациях


в. РАСПОЛОЖЕНИЕ РАЗЪЁМОВ И СОЕДИНЕНИЙ МАССЫ

L7B22003.png
Показать иллюстрациюПеревод текста в иллюстрациях


L7B22002.png
Показать иллюстрациюПеревод текста в иллюстрациях


г. КОНТАКТНАЯ КОЛОДКА

S201

L7B2S101.png
Показать иллюстрациюПеревод текста в иллюстрациях


На предыдущую страницу На следующую страницу


Главная страница сайта