Диагностический код неисправности P0274
Высокое напряжение цепи управления форсунки 5
Описание схемы
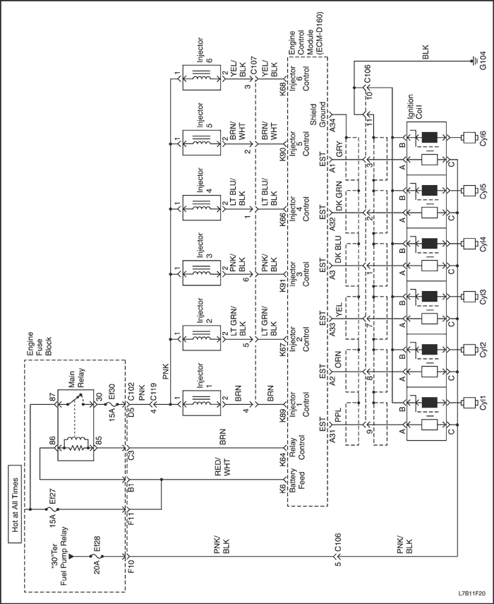
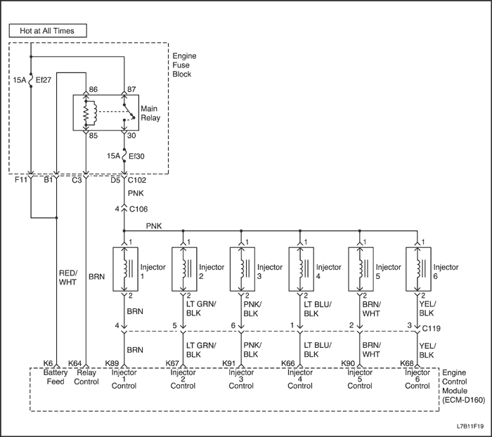
В контроллере ЭСУД имеется шесть отдельных управляющих схем форсунок, каждая из которых управляет одной из форсунок. Форсунка включается, когда цепь управления замыкается на массу контроллером ЭСУД. Контроллер ЭСУД контролирует ток в каждой цепи управления. Контроллер ЭСУД измеряет падение напряжения постоянным резистором и управляет им. Для определения неисправности каждая цепь управления контролируется. Если напряжение в цепи отличается от заданного в контроллере ЭСУД, то устанавливается диагностический код неисправности. Данный DTC обнаруживает состояния высокого напряжения и/или замыкания на напряжение аккумулятора.
Условия установки кода неисправности.
- Включено зажигание.
- Присутствует короткое замыкание на напряжение аккумулятора в цепи форсунки 5.
Действия, выполняемые при установке кода неисправности
- Контрольная лампа индикации неисправности загорается.
- Контроллер записывает рабочие условия в момент определения неисправности. Эта информация сохраняется в буфере записей состояния и протоколах неисправностей.
- Сохраняется архив диагностических кодов неисправности.
Условия очистки кода неисправности/индикации неисправности
- Лампа индикации неисправности выключается по окончании последующего цикла проверки, при котором диагностика выполняется без сбоя.
- Архивный диагностический код неисправности убирается после 40 циклов нагрева без сбоя.
- Диагностический код неисправности может быть очищен сканирующим прибором.
Диагностическая информация
Цепь управления форсункой, в которой имеется короткое замыкание на массу, вызывает установку DTC P0274. А также вызывает пропуск зажигания от неработающей форсунки. Также должен быть установлен диагностический код неисправности зажигания с указанием неисправной форсунки.
Слишком высокое или слишком низкое значение долгосрочной и краткосрочной корректировки топливоподачи указывают на неисправность форсунки. См.
"Проверка баланса форсунок" в этом разделе для проверки неисправных форсунок.
DTC P0274 - Высокое напряжение цепи управления форсунки 5
| Шаг | Операция | Значения | Да | Нет |
| 1 | Провести проверку системы диагностики. Проверка системы завершена? | - | Перейти к операции 2 | |
| 2 | - Поверните замок зажигание в положение LOCK.
- Отсоединить разъем форсунки.
- Отсоединить разъём контроллера ЭСУД.
- Проверить на наличие короткого замыкания на напряжение аккумулятора провод между клеммой 2 форсунки 5 и клеммой К90 разъема контроллера ЭСУД.
Неисправность обнаружена? | - | Перейти к операции 3 | Перейти к операции 4 |
| 3 | - Отремонтировать провод или клемму разъема между клеммой 2 разъема форсунки 5 и клеммой К90 разъема контроллера ЭСУД.
- Используя сканирующий прибор, очистить диагностические коды неисправностей.
- Провести проверку системы диагностики.
Закончен ли ремонт? | - | Система в норме | - |
| 4 | - Поверните замок зажигание в положение LOCK.
- Проверить на короткое замыкание на напряжение аккумулятора провод между клеммой 1 разъема форсунки 5 и клеммой 30 разъема главного реле.
Неисправность обнаружена? | - | Перейти к операции 5 | Перейти к операции 6 |
| 5 | - Отремонтировать провод или клемму разъема между клеммой 1 разъема форсунки 5 и клеммой 30 главного реле.
- Используя сканирующий прибор, очистить диагностические коды неисправностей.
- Провести проверку системы диагностики.
Закончен ли ремонт? | - | Система в норме | - |
| 6 | - Заменить форсунку 5.
- Используя сканирующий прибор, очистить диагностические коды неисправностей.
- Провести проверку системы диагностики.
Закончен ли ремонт? | - | Система в норме | Перейти к операции 7 |
| 7 | - Поверните замок зажигание в положение LOCK.
- Заменить контроллер ЭСУД.
- Провести проверку системы диагностики.
Закончен ли ремонт? | - | Система в норме | - |
Диагностический код неисправности P0276
Низкое напряжение цепи управления форсунки 6
Описание схемы
В контроллере ЭСУД имеется шесть отдельных управляющих схем форсунок, каждая из которых управляет одной из форсунок. Форсунка включается, когда цепь управления замыкается на массу контроллером ЭСУД. Контроллер ЭСУД контролирует ток в каждой цепи управления. Контроллер ЭСУД измеряет падение напряжения постоянным резистором и управляет им. Для определения неисправности каждая цепь управления контролируется. Если напряжение в цепи отличается от заданного в контроллере ЭСУД, то устанавливается диагностический код неисправности. Данный DTC обнаруживает состояния низкого напряжения и/или обрыва цепи.
Условия установки кода неисправности.
- Включено зажигание.
- В цепи форсунки 6 обрыв или замыкание на массу.
Действия, выполняемые при установке кода неисправности
- Контрольная лампа индикации неисправности загорается.
- Контроллер записывает рабочие условия в момент определения неисправности. Эта информация сохраняется в буфере записей состояния и протоколах неисправностей.
- Сохраняется архив диагностических кодов неисправности.
Условия очистки кода неисправности/индикации неисправности
- Лампа индикации неисправности выключается по окончании последующего цикла проверки, при котором диагностика выполняется без сбоя.
- Архивный диагностический код неисправности убирается после 40 циклов нагрева без сбоя.
- Диагностический код неисправности может быть очищен сканирующим прибором.
Диагностическая информация
Цепь управления форсункой, в которой имеется разрыв или замыкание на массу, вызывает установку DTC P0276. А также вызывает пропуск зажигания от неработающей форсунки. Также должен быть установлен диагностический код неисправности зажигания с указанием неисправной форсунки.
Слишком высокое или слишком низкое значение долгосрочной и краткосрочной корректировки топливоподачи указывают на неисправность форсунки. См.
"Проверка баланса форсунок" в этом разделе для проверки неисправных форсунок.
DTC P0276 - Низкое напряжение цепи управления форсунки 6
| Шаг | Операция | Значения | Да | Нет |
| 1 | Провести проверку системы диагностики. Проверка системы завершена? | - | Перейти к операции 2 | |
| 2 | - Поверните замок зажигание в положение LOCK.
- Отсоединить разъем форсунки.
- Отсоединить разъём контроллера ЭСУД.
- Проверить на наличие обрыва или короткого замыкания на массу провод между клеммой 2 разъема форсунки 6 и клеммой К68 разъема контроллера ЭСУД.
Неисправность обнаружена? | - | Перейти к операции 3 | Перейти к операции 4 |
| 3 | - Отремонтировать провод или клемму разъема между клеммой 2 разъема форсунки 6 и клеммой К68 разъема контроллера ЭСУД.
- Используя сканирующий прибор, очистить диагностические коды неисправностей.
- Провести проверку системы диагностики.
Закончен ли ремонт? | - | Система в норме | - |
| 4 | - Поверните замок зажигание в положение LOCK.
- Проверить на наличие обрыва или короткого замыкания на массу провод между клеммой 1 разъема форсунки 6 и клеммой 30 главного реле.
Неисправность обнаружена? | - | Перейти к операции 5 | Перейти к операции 6 |
| 5 | - Отремонтировать провод или клемму разъема между клеммой 1 разъема форсунки 6 и клеммой 30 главного реле.
- Используя сканирующий прибор, очистить диагностические коды неисправностей.
- Провести проверку системы диагностики.
Закончен ли ремонт? | - | Система в норме | - |
| 6 | - Заменить форсунку 6.
- Используя сканирующий прибор, очистить диагностические коды неисправностей.
- Провести проверку системы диагностики.
Закончен ли ремонт? | - | Система в норме | Перейти к операции 7 |
| 7 | - Поверните замок зажигание в положение LOCK.
- Заменить контроллер ЭСУД.
- Провести проверку системы диагностики.
Закончен ли ремонт? | - | Система в норме | - |
Диагностический код неисправности P0277
Высокое напряжение цепи управления форсунки 6
Описание схемы
В контроллере ЭСУД имеется шесть отдельных управляющих схем форсунок, каждая из которых управляет одной из форсунок. Форсунка включается, когда цепь управления замыкается на массу контроллером ЭСУД. Контроллер ЭСУД контролирует ток в каждой цепи управления. Контроллер ЭСУД измеряет падение напряжения постоянным резистором и управляет им. Для определения неисправности каждая цепь управления контролируется. Если напряжение в цепи отличается от заданного в контроллере ЭСУД, то устанавливается диагностический код неисправности. Данный DTC обнаруживает состояния высокого напряжения и/или замыкания на напряжение аккумулятора.
Условия установки кода неисправности.
- Включено зажигание.
- Присутствует короткое замыкание на напряжение аккумулятора в цепи форсунки 6.
Действия, выполняемые при установке кода неисправности
- Контрольная лампа индикации неисправности загорается.
- Контроллер записывает рабочие условия в момент определения неисправности. Эта информация сохраняется в буфере записей состояния и протоколах неисправностей.
- Сохраняется архив диагностических кодов неисправности.
Условия очистки кода неисправности/индикации неисправности
- Лампа индикации неисправности выключается по окончании последующего цикла проверки, при котором диагностика выполняется без сбоя.
- Архивный диагностический код неисправности убирается после 40 циклов нагрева без сбоя.
- Диагностический код неисправности может быть очищен сканирующим прибором.
Диагностическая информация
Цепь управления форсункой, в которой имеется разрыв или короткое замыкание на напряжение аккумулятора, вызывает установку DTC P0277. А также вызывает пропуск зажигания от неработающей форсунки. Также должен быть установлен диагностический код неисправности зажигания с указанием неисправной форсунки.
Слишком высокое или слишком низкое значение долгосрочной и краткосрочной корректировки топливоподачи указывают на неисправность форсунки. См.
"Проверка баланса форсунок" в этом разделе для проверки неисправных форсунок.
DTC P0277 - Высокое напряжение цепи управления форсунки 6
| Шаг | Операция | Значения | Да | Нет |
| 1 | Провести проверку системы диагностики. Проверка системы завершена? | - | Перейти к операции 2 | |
| 2 | - Поверните замок зажигание в положение LOCK.
- Отсоединить разъем форсунки.
- Отсоединить разъём контроллера ЭСУД.
- Проверить на наличие короткого замыкания на напряжение аккумулятора провод между клеммой 2 разъема форсунки 6 и клеммой К68 разъема контроллера ЭСУД.
Неисправность обнаружена? | - | Перейти к операции 3 | Перейти к операции 4 |
| 3 | - Отремонтировать провод или клемму разъема между клеммой 2 разъема форсунки 6 и клеммой К68 разъема контроллера ЭСУД.
- Используя сканирующий прибор, очистить диагностические коды неисправностей.
- Провести проверку системы диагностики.
Закончен ли ремонт? | - | Система в норме | - |
| 4 | - Поверните замок зажигание в положение LOCK.
- Проверить на короткое замыкание на напряжение аккумулятора провод между клеммой 1 разъема форсунки 6 и клеммой 30 главного реле.
Неисправность обнаружена? | - | Перейти к операции 5 | Перейти к операции 6 |
| 5 | - Отремонтировать провод или клемму разъема между клеммой 1 разъема форсунки 6 и клеммой 30 главного реле.
- Используя сканирующий прибор, очистить диагностические коды неисправностей.
- Провести проверку системы диагностики.
Закончен ли ремонт? | - | Система в норме | - |
| 6 | - Заменить форсунку 6.
- Используя сканирующий прибор, очистить диагностические коды неисправностей.
- Провести проверку системы диагностики.
Закончен ли ремонт? | - | Система в норме | Перейти к операции 7 |
| 7 | - Поверните замок зажигание в положение LOCK.
- Заменить контроллер ЭСУД.
- Провести проверку системы диагностики.
Закончен ли ремонт? | - | Система в норме | - |



Диагностический код неисправности P0300
Обнаружен пропуск зажигания
Описание системы
Контроллер электронной системы управления двигателем (ЭСУД) контролирует положения коленчатого вала и распредвала для определения пропусков зажигания. Контроллер ЭСУД отслеживает быстрое падение скорости вращения коленчатого вала. Эта проверка производится блоками по 100 оборотов двигателя. Для сохранения кода неисправности, а также, чтобы зажглась контрольная лампа индикации неисправности, может потребоваться несколько тестов. В условиях незначительного пропуска зажигания, может также потребоваться более одного хода для установки кода неисправности. При значительном пропуске зажигания, контрольная лампа индикации неисправности будет мигать, указывая на то, что возможно повреждение катализатора.
Условия установки кода неисправности.
- Зажигание включено, двигатель работает.
- Неисправностей датчиков угла поворота коленчатого вала, угла поворота распределительного вала, датчика массового расхода воздуха и датчиков угла поворота дроссельной заслонки нет.
- Обнаружен пропуск зажигания в 2 или более цилиндрах.
Действия, выполняемые при установке кода неисправности
- Контрольная лампа индикации неисправности загорается.
- Контроллер записывает рабочие условия в момент определения неисправности. Эта информация сохраняется в буфере записей состояния и протоколах неисправностей.
- Сохраняется архив диагностических кодов неисправности.
Условия очистки кода неисправности/индикации неисправности
- Лампа индикации неисправности выключается по окончании трех циклов проверки подряд, при которых диагностика выполняется без сбоя.
- Архивный диагностический код неисправности убирается после 40 циклов нагрева без сбоя.
- Диагностический код неисправности может быть очищен сканирующим прибором.
Диагностическая информация
Неустойчивая неисправность может быть связана с дефектом колеса импульсного датчика. Снять датчик положения коленчатого вала и проверить колесо импульсного датчика через монтажное отверстие датчика. Проверить пористость и состояние колеса. Если диагностический код неисправности неустойчивый, см.
"Диагностика признаков" в этом разделе.
DTC P0300 - Обнаружен пропуск зажигания
| Шаг | Операция | Значения | Да | Нет |
| 1 | Провести проверку системы диагностики. Проверка проведена? | - | Перейти к операции 2 | |
| 2 | - Провести визуальную/физическую проверку.
- Выполнить необходимый ремонт.
Закончен ли ремонт? | - | Перейти к операции 26 | Перейти к операции 3 |
| 3 | Запустить двигатель и дать ему поработать на холостом ходу. Увеличиваются ли показатели счетчиков текущих пропусков зажигания? | - | Перейти к операции 4 | Перейти к операции 5 |
| 4 | Все счетчики одинаковый (в пределах процентного отношения друг к другу?) | - | Перейти к операции 6 | Перейти к операции 10 |
| 5 | - Включить зажигание, двигатель не запускать.
- Просмотреть данные записи состояний и записать параметры.
- Совершить поездку в условиях записанных состояний и условиях установки кода неисправности.
Увеличивается счет пропусков зажигания? | - | Перейти к операции 4 | |
| 6 | - Остановить двигатель.
- Установить манометр на топливную рампу.
- Обратить внимание на давление при работающем двигателе.
Давление топлива в пределах установленного значения? | 284-325 кПа (41-47 psi) | Перейти к операции 7 | |
| 7 | Проверить топливо на загрязнения. Топливо в норме? | - | Перейти к операции 8 | Перейти к операции 9 |
| 8 | Проверить двигатель на обычные проблемы и отремонтировать, если необходимо. Закончен ли ремонт? | - | Перейти к операции 26 | - |
| 9 | Заменить загрязненное топливо. Закончен ли ремонт? | - | Перейти к операции 26 | - |
| 10 | - Остановить двигатель.
- Отсоединить разъем жгутов топливной форсунки.
- Провернуть коленчатый вал двигателя и проверить на искру.
Есть ли искра на всех шести свечах зажигания? | - | Перейти к операции 11 | Перейти к операции 19 |
| 11 | Заменить неисправные свечи зажигания, если необходимо. Закончен ли ремонт? | - | Перейти к операции 26 | Перейти к операции 12 |
| 12 | - Остановить двигатель.
- Отсоединить разъемы жгутов топливной форсунки от форсунок.
- Установить сигнальную лампу на разъем жгута форсунки цилиндра с пропуском зажигания.
- Провернуть коленчатый вал двигателя и проверить сигнальную лампу.
Контрольная лампа мигает? | - | Перейти к операции 13 | Перейти к операции 14 |
| 13 | Провести проверку баланса форсунок. Топливные форсунки в норме? | - | Перейти к операции 8 | Перейти к операции 15 |
| 14 | - Отсоединить сигнальную лампу для проверки форсунок.
- Контрольной лампой, подключенной к массе, проверить клемму 1 цепи зажигания разъема жгута проводов топливных форсунок, в которых был пропуск зажигания.
- Провернуть коленчатый вал двигателя.
Контрольная лампа горит? | - | Перейти к операции 16 | Перейти к операции 18 |
| 15 | Заменить неисправные топливные форсунки. Закончен ли ремонт? | - | Перейти к операции 26 | - |
| 16 | Проверить управляющую цепь соответствующей топливной форсунки на клеммах K89, K67, K91, K66, K90 и K68 на отсутствие разрыва, короткого замыкания или короткого замыкания на напряжение аккумулятора. Проблема найдена? | - | Перейти к операции 17 | Перейти к операции 23 |
| 17 | Устранить обрыв или короткое замыкание в цепи управления топливной форсункой. Закончен ли ремонт? | - | Перейти к операции 26 | - |
| 18 | Устранить обрыв цепи зажигания между разъемом жгута проводов топливной форсунки и разъемом топливной форсунки. Закончен ли ремонт? | - | Перейти к операции 26 | - |
| 19 | Измерить сопротивление свечей зажигания, которые не давали искру при проверке прибором для проверки свечей зажигания. Сопротивление свечи зажигания меньше установленного значения? | 30000 Ом | Перейти к операции 20 | Перейти к операции 24 |
| 20 | Проверить разъемы и соединения контроллера ЭСУД. Соединения в норме? | - | Перейти к операции 21 | Перейти к операции 22 |
| 21 | Проверить неисправную цепь управления зажиганием на обрыв цепи, короткое замыкание и отремонтировать, если необходимо. Закончен ли ремонт? | - | Перейти к операции 26 | Перейти к операции 25 |
| 22 | Отремонтировать разъем или соединения. Закончен ли ремонт? | - | Перейти к операции 26 | - |
| 23 | - Выключите зажигание.
- Заменить контроллер ЭСУД.
Закончен ли ремонт? | - | Перейти к операции 26 | - |
| 24 | Заменить провод зажигания. Закончен ли ремонт? | - | Перейти к операции 26 | - |
| 25 | Заменить неисправную катушку зажигания. Закончен ли ремонт? | - | Перейти к операции 26 | Перейти к операции 23 |
| 26 | - Используя сканирующий прибор, очистить диагностические коды неисправностей.
- Запустить двигатель и дать ему поработать на холостом ходу при нормальной рабочей температуре.
- Совершить поездку для установки кодов неисправности, как это указано во вспомогательном тексте.
Сканирующий прибор определяет эту диагностику как прошедшую и успешную? | - | Перейти к операции 27 | - |
| 27 | Проверьте, не установлены ли дополнительные диагностические коды неисправности. Отображены ли диагностические коды неисправности, которые не были продиагностированы? | - | Перейти к соответствующей таблице диагностических кодов неисправности | Система в норме |



Диагностический код неисправности P0301
Обнаружен пропуск зажигания в цилиндре 1
Описание схемы
Контроллер электронной системы управления двигателем (ЭСУД) контролирует положения коленчатого вала и распредвала для определения пропусков зажигания. Контроллер ЭСУД отслеживает быстрое падение скорости вращения коленчатого вала. Эта проверка производится блоками по 100 оборотов двигателя. Для сохранения кода неисправности, а также, чтобы зажглась контрольная лампа индикации неисправности, может потребоваться несколько тестов. В условиях незначительного пропуска зажигания, может также потребоваться более одного хода для установки кода неисправности. При значительном пропуске зажигания, контрольная лампа индикации неисправности будет мигать, указывая на то, что возможно повреждение катализатора.
Условия установки кода неисправности.
- Зажигание включено, двигатель работает.
- Неисправностей датчиков угла поворота коленчатого вала, угла поворота распределительного вала, датчика массового расхода воздуха и датчиков угла поворота дроссельной заслонки нет.
- Пропуск зажигания в одном цилиндре.
Действия, выполняемые при установке кода неисправности
- Контрольная лампа индикации неисправности загорается.
- Контроллер записывает рабочие условия в момент определения неисправности. Эта информация сохраняется в буфере записей состояния и протоколах неисправностей.
- Сохраняется архив диагностических кодов неисправности.
Условия очистки кода неисправности/индикации неисправности
- Лампа индикации неисправности выключается по окончании последующего цикла проверки, при котором диагностика выполняется без сбоя.
- Архивный диагностический код неисправности убирается после 40 циклов нагрева без сбоя.
- Диагностический код неисправности может быть очищен сканирующим прибором.
Диагностическая информация
Неустойчивая неисправность может быть связана с дефектом колеса импульсного датчика. Снять датчик положения коленчатого вала и проверить колесо импульсного датчика через монтажное отверстие датчика. Проверить пористость и состояние колеса. Если диагностический код неисправности неустойчивый, см.
"Диагностика признаков" в этом разделе.
DTC P0301 - Обнаружен пропуск зажигания в цилиндре 1
| Шаг | Операция | Значения | Да | Нет |
| 1 | Провести проверку системы диагностики. Проверка системы завершена? | - | Перейти к операции 2 | |
| 2 | - Подключить сканирующий прибор к колодке диагностики.
- Включить зажигание, двигатель не запускать.
- Запросить диагностические коды неисправности.
Установлен ли диагностический код неисправности Р0300? | - | Перейти к соответствующей таблице диагностических кодов неисправности | Перейти к операции 3 |
| 3 | - Провести визуальную/физическую проверку.
- Выполнить необходимый ремонт.
Закончен ли ремонт? | - | Перейти к операции 25 | Перейти к операции 4 |
| 4 | Запустить двигатель и дать ему поработать на холостом ходу. Увеличиваются ли показатели счетчиков текущих пропусков зажигания? | - | Перейти к операции 5 | Перейти к операции 6 |
| 5 | Все счетчики одинаковый (в пределах процентного отношения друг к другу?) | - | Перейти к операции 7 | Перейти к операции 11 |
| 6 | - Включить зажигание, двигатель не запускать.
- Просмотреть данные записи состояний и записать параметры.
- Совершить поездку в условиях записанных состояний и условиях установки кода неисправности.
Увеличиваются ли показатели счетчиков текущих пропусков зажигания? | - | Перейти к операции 5 | |
| 7 | - Остановить двигатель.
- Установить манометр на топливную рампу.
- Обратить внимание на давление при работающем двигателе.
Давление топлива в пределах установленного значения? | 284-325 кПа (41-47 psi) | Перейти к операции 8 | |
| 8 | Проверить топливо на загрязнения. Топливо в норме? | - | Перейти к операции 9 | Перейти к операции 10 |
| 9 | Проверить двигатель на обычные проблемы и отремонтировать, если необходимо. Закончен ли ремонт? | - | Перейти к операции 25 | - |
| 10 | Заменить загрязненное топливо. Закончен ли ремонт? | - | Перейти к операции 25 | - |
| 11 | - Остановить двигатель.
- Отсоединить разъем жгутов топливной форсунки.
- Установить прибор для проверки зажигания на цилиндр №1.
- Проверить двигатель на искру.
Есть ли искра? | - | Перейти к операции 12 | Перейти к операции 21 |
| 12 | Заменить неисправную свечу зажигания. Закончен ли ремонт? | - | Перейти к операции 25 | Перейти к операции 13 |
| 13 | - Остановить двигатель.
- Отсоединить разъем топливной форсунки цилиндра №1 от форсунки.
- Установить контрольную лампу на клемму 2 разъема жгута форсунки.
- Провернуть коленчатый вал двигателя и проверить сигнальную лампу.
Контрольная лампа мигает? | - | Перейти к операции 14 | Перейти к операции 15 |
| 14 | Провести проверку баланса форсунок. Топливные форсунки в норме? | - | Перейти к операции 9 | Перейти к операции 16 |
| 15 | - Отсоединить сигнальную лампу для проверки форсунок.
- Проверить клемму 1 цепи зажигания на разъеме жгута форсунки с помощью контрольной лампы, подключенной к массе.
- Провернуть коленчатый вал двигателя.
Контрольная лампа горит? | - | Перейти к операции 17 | Перейти к операции 19 |
| 16 | Заменить неисправную топливную форсунку. Закончен ли ремонт? | - | Перейти к операции 25 | - |
| 17 | Проверить цепь управления соответствующей топливной форсункой на разрыв, короткое замыкание на массу или короткое замыкание на напряжение аккумулятора. Проблема найдена? | - | Перейти к операции 18 | Перейти к операции 23 |
| 18 | Устранить обрыв или короткое замыкание в цепи управления топливной форсункой. Закончен ли ремонт? | - | Перейти к операции 25 | - |
| 19 | Устранить обрыв цепи зажигания между разъемом жгута проводов топливной форсунки и разъемом топливной форсунки. Закончен ли ремонт? | - | Перейти к операции 25 | - |
| 20 | Проверить разъемы и соединения контроллера ЭСУД. Соединения в норме? | - | Перейти к операции 21 | Перейти к операции 22 |
| 21 | Проверить цепь управления зажиганием соответствующего цилиндра на обрыв цепи или короткое замыкание и отремонтировать, если необходимо. Закончен ли ремонт? | - | Перейти к операции 25 | Перейти к операции 24 |
| 22 | Отремонтировать разъем или соединения. Закончен ли ремонт? | - | Перейти к операции 25 | - |
| 23 | - Выключите зажигание.
- Заменить контроллер ЭСУД.
Закончен ли ремонт? | - | Перейти к операции 25 | - |
| 24 | Заменить неисправную катушку зажигания. Закончен ли ремонт? | - | Перейти к операции 25 | Перейти к операции 23 |
| 25 | - Используя сканирующий прибор, обнулить диагностические коды неисправностей.
- Запустить двигатель и дать ему поработать на холостом ходу при нормальной рабочей температуре.
- Совершить поездку в условиях установки кода неисправности как указано.
Сканирующий прибор показывает эту диагностику как прошедшую и успешную? | - | Перейти к операции 26 | Перейти к операции 2 |
| 26 | Проверьте, не установлены ли дополнительные диагностические коды неисправности. Отображены ли диагностические коды неисправности, которые не были продиагностированы? | - | Перейти к соответствующей таблице диагностических кодов неисправности | Система в норме |



Диагностический код неисправности P0302
Обнаружен пропуск зажигания в цилиндре 2
Описание схемы
Контроллер электронной системы управления двигателем (ЭСУД) контролирует положения коленчатого вала и распредвала для определения пропусков зажигания. Контроллер ЭСУД отслеживает быстрое падение скорости вращения коленчатого вала. Эта проверка производится блоками по 100 оборотов двигателя. Для сохранения кода неисправности, а также, чтобы зажглась контрольная лампа индикации неисправности, может потребоваться несколько тестов. В условиях незначительного пропуска зажигания, может также потребоваться более одного хода для установки кода неисправности. При значительном пропуске зажигания, контрольная лампа индикации неисправности будет мигать, указывая на то, что возможно повреждение катализатора.
Условия установки кода неисправности.
- Зажигание включено, двигатель работает.
- Неисправностей датчиков угла поворота коленчатого вала, угла поворота распределительного вала, датчика массового расхода воздуха и датчиков угла поворота дроссельной заслонки нет.
- Пропуск зажигания в одном цилиндре.
Действия, выполняемые при установке кода неисправности
- Контрольная лампа индикации неисправности загорается.
- Контроллер записывает рабочие условия в момент определения неисправности. Эта информация сохраняется в буфере записей состояния и протоколах неисправностей.
- Сохраняется архив диагностических кодов неисправности.
Условия очистки кода неисправности/индикации неисправности
- Лампа индикации неисправности выключается по окончании последующего цикла проверки, при котором диагностика выполняется без сбоя.
- Архивный диагностический код неисправности убирается после 40 циклов нагрева без сбоя.
- Диагностический код неисправности может быть очищен сканирующим прибором.
Диагностическая информация
Неустойчивая неисправность может быть связана с дефектом колеса импульсного датчика. Снять датчик положения коленчатого вала и проверить колесо импульсного датчика через монтажное отверстие датчика. Проверить пористость и состояние колеса. Если диагностический код неисправности неустойчивый, см.
"Диагностика признаков" в этом разделе.
DTC P0302 - Обнаружен пропуск зажигания в цилиндре 2
| Шаг | Операция | Значения | Да | Нет |
| 1 | Провести проверку системы диагностики. Проверка системы завершена? | - | Перейти к операции 2 | |
| 2 | - Подключить сканирующий прибор к колодке диагностики.
- Включить зажигание, двигатель не запускать.
- Запросить диагностические коды неисправности.
Установлен ли диагностический код неисправности Р0300? | - | Перейти к соответствующей таблице диагностических кодов неисправности | Перейти к операции 3 |
| 3 | - Провести визуальную/физическую проверку.
- Выполнить необходимый ремонт.
Закончен ли ремонт? | - | Перейти к операции 25 | Перейти к операции 4 |
| 4 | Запустить двигатель и дать ему поработать на холостом ходу. Увеличиваются ли показатели счетчиков текущих пропусков зажигания? | - | Перейти к операции 5 | Перейти к операции 6 |
| 5 | Все счетчики одинаковый (в пределах процентного отношения друг к другу?) | - | Перейти к операции 7 | Перейти к операции 11 |
| 6 | - Включить зажигание, двигатель не запускать.
- Просмотреть данные записи состояний и записать параметры.
- Совершить поездку в условиях записанных состояний и условиях установки кода неисправности.
Увеличиваются ли показатели счетчиков текущих пропусков зажигания? | - | Перейти к операции 5 | |
| 7 | - Остановить двигатель.
- Установить манометр на топливную рампу.
- Обратить внимание на давление при работающем двигателе.
Давление топлива в пределах установленного значения? | 284-325 кПа (41-47 psi) | Перейти к операции 8 | |
| 8 | Проверить топливо на загрязнения. Топливо в норме? | - | Перейти к операции 9 | Перейти к операции 10 |
| 9 | Проверить двигатель на обычные проблемы и отремонтировать, если необходимо. Закончен ли ремонт? | - | Перейти к операции 25 | - |
| 10 | Заменить загрязненное топливо. Закончен ли ремонт? | - | Перейти к операции 25 | - |
| 11 | - Остановить двигатель.
- Отсоединить разъем жгутов топливной форсунки.
- Установить прибор для проверки зажигания на цилиндр №2.
- Проверить двигатель на искру.
Есть ли искра? | - | Перейти к операции 12 | Перейти к операции 21 |
| 12 | Заменить неисправную свечу зажигания. Закончен ли ремонт? | - | Перейти к операции 25 | Перейти к операции 13 |
| 13 | - Остановить двигатель.
- Отсоединить разъем топливной форсунки цилиндра 2 от форсунки.
- Установить контрольную лампу на клемму 2 разъема жгута форсунки.
- Провернуть коленчатый вал двигателя и проверить сигнальную лампу.
Контрольная лампа мигает? | - | Перейти к операции 14 | Перейти к операции 15 |
| 14 | Провести проверку баланса форсунок. Топливные форсунки в норме? | - | Перейти к операции 9 | Перейти к операции 16 |
| 15 | - Отсоединить сигнальную лампу для проверки форсунок.
- Проверить клемму 1 цепи зажигания на разъеме жгута форсунки с помощью контрольной лампы, подключенной к массе.
- Провернуть коленчатый вал двигателя.
Контрольная лампа горит? | - | Перейти к операции 17 | Перейти к операции 19 |
| 16 | Заменить неисправную топливную форсунку. Закончен ли ремонт? | - | Перейти к операции 25 | - |
| 17 | Проверить цепь управления соответствующей топливной форсункой на разрыв, короткое замыкание на массу или короткое замыкание на напряжение аккумулятора. Проблема найдена? | - | Перейти к операции 18 | Перейти к операции 23 |
| 18 | Устранить обрыв или короткое замыкание в цепи управления топливной форсункой. Закончен ли ремонт? | - | Перейти к операции 25 | - |
| 19 | Устранить обрыв цепи зажигания между разъемом жгута проводов топливной форсунки и разъемом топливной форсунки. Закончен ли ремонт? | - | Перейти к операции 25 | - |
| 20 | Проверить разъемы и соединения контроллера ЭСУД. Соединения в норме? | - | Перейти к операции 21 | Перейти к операции 22 |
| 21 | Проверить цепь управления зажиганием соответствующего цилиндра на обрыв цепи или короткое замыкание и отремонтировать, если необходимо. Закончен ли ремонт? | - | Перейти к операции 25 | Перейти к операции 24 |
| 22 | Отремонтировать разъем или соединения. Закончен ли ремонт? | - | Перейти к операции 25 | - |
| 23 | - Выключите зажигание.
- Заменить контроллер ЭСУД.
Закончен ли ремонт? | - | Перейти к операции 25 | - |
| 24 | Заменить неисправную катушку зажигания. Закончен ли ремонт? | - | Перейти к операции 25 | Перейти к операции 23 |
| 25 | - Используя сканирующий прибор, обнулить диагностические коды неисправностей.
- Запустить двигатель и дать ему поработать на холостом ходу при нормальной рабочей температуре.
- Совершить поездку в условиях установки кода неисправности как указано.
Сканирующий прибор показывает эту диагностику как прошедшую и успешную? | - | Перейти к операции 26 | Перейти к операции 2 |
| 26 | Проверьте, не установлены ли дополнительные диагностические коды неисправности. Отображены ли диагностические коды неисправности, которые не были продиагностированы? | - | Перейти к соответствующей таблице диагностических кодов неисправности | Система в норме |



Диагностический код неисправности P0303
Обнаружен пропуск зажигания в цилиндре 3
Описание схемы
Контроллер электронной системы управления двигателем (ЭСУД) контролирует положения коленчатого вала и распредвала для определения пропусков зажигания. Контроллер ЭСУД отслеживает быстрое падение скорости вращения коленчатого вала. Эта проверка производится блоками по 100 оборотов двигателя. Для сохранения кода неисправности, а также, чтобы зажглась контрольная лампа индикации неисправности, может потребоваться несколько тестов. В условиях незначительного пропуска зажигания, может также потребоваться более одного хода для установки кода неисправности. При значительном пропуске зажигания, контрольная лампа индикации неисправности будет мигать, указывая на то, что возможно повреждение катализатора.
Условия установки кода неисправности.
- Зажигание включено, двигатель работает.
- Неисправностей датчиков угла поворота коленчатого вала, угла поворота распределительного вала, датчика массового расхода воздуха и датчиков угла поворота дроссельной заслонки нет.
- Пропуск зажигания в одном цилиндре.
Действия, выполняемые при установке кода неисправности
- Контрольная лампа индикации неисправности загорается.
- Контроллер записывает рабочие условия в момент определения неисправности. Эта информация сохраняется в буфере записей состояния и протоколах неисправностей.
- Сохраняется архив диагностических кодов неисправности.
Условия очистки кода неисправности/индикации неисправности
- Лампа индикации неисправности выключается по окончании последующего цикла проверки, при котором диагностика выполняется без сбоя.
- Архивный диагностический код неисправности убирается после 40 циклов нагрева без сбоя.
- Диагностический код неисправности может быть очищен сканирующим прибором.
Диагностическая информация
Неустойчивая неисправность может быть связана с дефектом колеса импульсного датчика. Снять датчик положения коленчатого вала и проверить колесо импульсного датчика через монтажное отверстие датчика. Проверить пористость и состояние колеса. Если диагностический код неисправности неустойчивый, см.
"Диагностика признаков" в этом разделе.
DTC P0303 - Обнаружен пропуск зажигания в цилиндре 3
| Шаг | Операция | Значения | Да | Нет |
| 1 | Провести проверку системы диагностики. Проверка системы завершена? | - | Перейти к операции 2 | |
| 2 | - Подключить сканирующий прибор к колодке диагностики.
- Включить зажигание, двигатель не запускать.
- Запросить диагностические коды неисправности.
Установлен ли диагностический код неисправности Р0300? | - | Перейти к соответствующей таблице диагностических кодов неисправности | Перейти к операции 3 |
| 3 | - Провести визуальную/физическую проверку.
- Выполнить необходимый ремонт.
Закончен ли ремонт? | - | Перейти к операции 25 | Перейти к операции 4 |
| 4 | Запустить двигатель и дать ему поработать на холостом ходу. Увеличиваются ли показатели счетчиков текущих пропусков зажигания? | - | Перейти к операции 5 | Перейти к операции 6 |
| 5 | Все счетчики одинаковый (в пределах процентного отношения друг к другу?) | - | Перейти к операции 7 | Перейти к операции 11 |
| 6 | - Включить зажигание, двигатель не запускать.
- Просмотреть данные записи состояний и записать параметры.
- Совершить поездку в условиях записанных состояний и условиях установки кода неисправности.
Увеличиваются ли показатели счетчиков текущих пропусков зажигания? | - | Перейти к операции 5 | |
| 7 | - Остановить двигатель.
- Установить манометр на топливную рампу.
- Обратить внимание на давление при работающем двигателе.
Давление топлива в пределах установленного значения? | 284-325 кПа (41-47 psi) | Перейти к операции 8 | |
| 8 | Проверить топливо на загрязнения. Топливо в норме? | - | Перейти к операции 9 | Перейти к операции 10 |
| 9 | Проверить двигатель на обычные проблемы и отремонтировать, если необходимо. Закончен ли ремонт? | - | Перейти к операции 25 | - |
| 10 | Заменить загрязненное топливо. Закончен ли ремонт? | - | Перейти к операции 25 | - |
| 11 | - Остановить двигатель.
- Отсоединить разъем жгутов топливной форсунки.
- Установить прибор для проверки зажигания на цилиндр №3.
- Проверить двигатель на искру.
Есть ли искра? | - | Перейти к операции 12 | Перейти к операции 21 |
| 12 | Заменить неисправную свечу зажигания. Закончен ли ремонт? | - | Перейти к операции 25 | Перейти к операции 13 |
| 13 | - Остановить двигатель.
- Отсоединить разъем топливной форсунки цилиндра 3 от форсунки.
- Установить контрольную лампу на клемму 2 разъема жгута форсунки.
- Провернуть коленчатый вал двигателя и проверить сигнальную лампу.
Контрольная лампа мигает? | - | Перейти к операции 14 | Перейти к операции 15 |
| 14 | Провести проверку баланса форсунок. Топливные форсунки в норме? | - | Перейти к операции 9 | Перейти к операции 16 |
| 15 | - Отсоединить сигнальную лампу для проверки форсунок.
- Проверить клемму 1 цепи зажигания на разъеме жгута форсунки с помощью контрольной лампы, подключенной к массе.
- Провернуть коленчатый вал двигателя.
Контрольная лампа горит? | - | Перейти к операции 17 | Перейти к операции 19 |
| 16 | Заменить неисправную топливную форсунку. Закончен ли ремонт? | - | Перейти к операции 25 | - |
| 17 | Проверить неисправную цепь управления топливной форсункой на отсутствие разрыва или короткого замыкания. Проблема найдена? | - | Перейти к операции 18 | Перейти к операции 23 |
| 18 | Устранить обрыв или короткое замыкание в цепи управления топливной форсункой. Закончен ли ремонт? | - | Перейти к операции 25 | - |
| 19 | Устранить обрыв цепи зажигания между разъемом жгута проводов топливной форсунки и разъемом топливной форсунки. Закончен ли ремонт? | - | Перейти к операции 25 | - |
| 20 | Проверить разъемы и соединения контроллера ЭСУД. Соединения в норме? | - | Перейти к операции 21 | Перейти к операции 22 |
| 21 | Проверить цепь управления зажиганием соответствующего цилиндра на обрыв цепи или короткое замыкание и отремонтировать, если необходимо. Закончен ли ремонт? | - | Перейти к операции 25 | Перейти к операции 24 |
| 22 | Отремонтировать разъем или соединения. Закончен ли ремонт? | - | Перейти к операции 25 | - |
| 23 | - Выключите зажигание.
- Заменить контроллер ЭСУД.
Закончен ли ремонт? | - | Перейти к операции 25 | - |
| 24 | Заменить неисправную катушку зажигания. Закончен ли ремонт? | - | Перейти к операции 25 | Перейти к операции 23 |
| 25 | - Используя сканирующий прибор, обнулить диагностические коды неисправностей.
- Запустить двигатель и дать ему поработать на холостом ходу при нормальной рабочей температуре.
- Совершить поездку в условиях установки кода неисправности как указано.
Сканирующий прибор показывает эту диагностику как прошедшую и успешную? | - | Перейти к операции 26 | Перейти к операции 2 |
| 26 | Проверьте, не установлены ли дополнительные диагностические коды неисправности. Отображены ли диагностические коды неисправности, которые не были продиагностированы? | - | Перейти к соответствующей таблице диагностических кодов неисправности | Система в норме |



Диагностический код неисправности P0304
Обнаружен пропуск зажигания в цилиндре 4
Описание схемы
Контроллер электронной системы управления двигателем (ЭСУД) контролирует положения коленчатого вала и распредвала для определения пропусков зажигания. Контроллер ЭСУД отслеживает быстрое падение скорости вращения коленчатого вала. Эта проверка производится блоками по 100 оборотов двигателя. Для сохранения кода неисправности, а также, чтобы зажглась контрольная лампа индикации неисправности, может потребоваться несколько тестов. В условиях незначительного пропуска зажигания, может также потребоваться более одного хода для установки кода неисправности. При значительном пропуске зажигания, контрольная лампа индикации неисправности будет мигать, указывая на то, что возможно повреждение катализатора.
Условия установки кода неисправности.
- Зажигание включено, двигатель работает.
- Неисправностей датчиков угла поворота коленчатого вала, угла поворота распределительного вала, датчика массового расхода воздуха и датчиков угла поворота дроссельной заслонки нет.
- Пропуск зажигания в одном цилиндре.
Действия, выполняемые при установке кода неисправности
- Контрольная лампа индикации неисправности загорается.
- Контроллер записывает рабочие условия в момент определения неисправности. Эта информация сохраняется в буфере записей состояния и протоколах неисправностей.
- Сохраняется архив диагностических кодов неисправности.
Условия очистки кода неисправности/индикации неисправности
- Лампа индикации неисправности выключается по окончании последующего цикла проверки, при котором диагностика выполняется без сбоя.
- Архивный диагностический код неисправности убирается после 40 циклов нагрева без сбоя.
- Диагностический код неисправности может быть очищен сканирующим прибором.
Диагностическая информация
Неустойчивая неисправность может быть связана с дефектом колеса импульсного датчика. Снять датчик положения коленчатого вала и проверить колесо импульсного датчика через монтажное отверстие датчика. Проверить пористость и состояние колеса. Если диагностический код неисправности неустойчивый, см.
"Диагностика признаков" в этом разделе.
DTC P0304 - Обнаружен пропуск зажигания в цилиндре 4
| Шаг | Операция | Значения | Да | Нет |
| 1 | Провести проверку системы диагностики. Проверка системы завершена? | - | Перейти к операции 2 | |
| 2 | - Подключить сканирующий прибор к колодке диагностики.
- Включить зажигание, двигатель не запускать.
- Запросить диагностические коды неисправности.
Установлен ли диагностический код неисправности Р0300? | - | Перейти к соответствующей таблице диагностических кодов неисправности | Перейти к операции 3 |
| 3 | - Провести визуальную/физическую проверку.
- Выполнить необходимый ремонт.
Закончен ли ремонт? | - | Перейти к операции 25 | Перейти к операции 4 |
| 4 | Запустить двигатель и дать ему поработать на холостом ходу. Увеличиваются ли показатели счетчиков текущих пропусков зажигания? | - | Перейти к операции 5 | Перейти к операции 6 |
| 5 | Все счетчики одинаковый (в пределах процентного отношения друг к другу?) | - | Перейти к операции 7 | Перейти к операции 11 |
| 6 | - Включить зажигание, двигатель не запускать.
- Просмотреть данные записи состояний и записать параметры.
- Совершить поездку в условиях записанных состояний и условиях установки кода неисправности.
Увеличиваются ли показатели счетчиков текущих пропусков зажигания? | - | Перейти к операции 5 | |
| 7 | - Остановить двигатель.
- Установить манометр на топливную рампу.
- Обратить внимание на давление при работающем двигателе.
Давление топлива в пределах установленного значения? | 284-325 кПа (41-47 psi) | Перейти к операции 8 | |
| 8 | Проверить топливо на загрязнения. Топливо в норме? | - | Перейти к операции 9 | Перейти к операции 10 |
| 9 | Проверить двигатель на обычные проблемы и отремонтировать, если необходимо. Закончен ли ремонт? | - | Перейти к операции 25 | - |
| 10 | Заменить загрязненное топливо. Закончен ли ремонт? | - | Перейти к операции 25 | - |
| 11 | - Остановить двигатель.
- Отсоединить разъем жгутов топливной форсунки.
- Установить прибор для проверки зажигания на цилиндр 4.
- Проверить двигатель на искру.
Есть ли искра? | - | Перейти к операции 12 | Перейти к операции 21 |
| 12 | Заменить неисправную свечу зажигания. Закончен ли ремонт? | - | Перейти к операции 25 | Перейти к операции 13 |
| 13 | - Остановить двигатель.
- Отсоединить разъем топливной форсунки цилиндра 4 от форсунки.
- Установить контрольную лампу на клемму 2 разъема жгута форсунки.
- Провернуть коленчатый вал двигателя и проверить сигнальную лампу.
Контрольная лампа мигает? | - | Перейти к операции 14 | Перейти к операции 15 |
| 14 | Провести проверку баланса форсунок. Топливные форсунки в норме? | - | Перейти к операции 9 | Перейти к операции 16 |
| 15 | - Отсоединить сигнальную лампу для проверки форсунок.
- Проверить клемму 1 цепи зажигания на разъеме жгута форсунки с помощью контрольной лампы, подключенной к массе.
- Провернуть коленчатый вал двигателя.
Контрольная лампа горит? | - | Перейти к операции 17 | Перейти к операции 19 |
| 16 | Заменить неисправную топливную форсунку. Закончен ли ремонт? | - | Перейти к операции 25 | - |
| 17 | Проверить неисправную цепь управления топливной форсункой на отсутствие разрыва или короткого замыкания. Проблема найдена? | - | Перейти к операции 18 | Перейти к операции 23 |
| 18 | Устранить обрыв или короткое замыкание в цепи управления топливной форсункой. Закончен ли ремонт? | - | Перейти к операции 25 | - |
| 19 | Устранить обрыв цепи зажигания между разъемом жгута проводов топливной форсунки и разъемом топливной форсунки. Закончен ли ремонт? | - | Перейти к операции 25 | - |
| 20 | Проверить разъемы и соединения контроллера ЭСУД. Соединения в норме? | - | Перейти к операции 21 | Перейти к операции 22 |
| 21 | Проверить цепь управления зажиганием соответствующего цилиндра на обрыв цепи или короткое замыкание и отремонтировать, если необходимо. Закончен ли ремонт? | - | Перейти к операции 25 | Перейти к операции 24 |
| 22 | Отремонтировать разъем или соединения. Закончен ли ремонт? | - | Перейти к операции 25 | - |
| 23 | - Выключите зажигание.
- Заменить контроллер ЭСУД.
Закончен ли ремонт? | - | Перейти к операции 25 | - |
| 24 | Заменить неисправную катушку зажигания. Закончен ли ремонт? | - | Перейти к операции 25 | Перейти к операции 23 |
| 25 | - Используя сканирующий прибор, обнулить диагностические коды неисправностей.
- Запустить двигатель и дать ему поработать на холостом ходу при нормальной рабочей температуре.
- Совершить поездку в условиях установки кода неисправности как указано.
Сканирующий прибор показывает эту диагностику как прошедшую и успешную? | - | Перейти к операции 26 | Перейти к операции 2 |
| 26 | Проверьте, не установлены ли дополнительные диагностические коды неисправности. Отображены ли диагностические коды неисправности, которые не были продиагностированы? | - | Перейти к соответствующей таблице диагностических кодов неисправности | Система в норме |



Диагностический код неисправности P0305
Обнаружен пропуск зажигания в цилиндре 5
Описание схемы
Контроллер электронной системы управления двигателем (ЭСУД) контролирует положения коленчатого вала и распредвала для определения пропусков зажигания. Контроллер ЭСУД отслеживает быстрое падение скорости вращения коленчатого вала. Эта проверка производится блоками по 100 оборотов двигателя. Для сохранения кода неисправности, а также, чтобы зажглась контрольная лампа индикации неисправности, может потребоваться несколько тестов. В условиях незначительного пропуска зажигания, может также потребоваться более одного хода для установки кода неисправности. При значительном пропуске зажигания, контрольная лампа индикации неисправности будет мигать, указывая на то, что возможно повреждение катализатора.
Условия установки кода неисправности.
- Зажигание включено, двигатель работает.
- Неисправностей датчиков угла поворота коленчатого вала, угла поворота распределительного вала, датчика массового расхода воздуха и датчиков угла поворота дроссельной заслонки нет.
- Пропуск зажигания в одном цилиндре.
Действия, выполняемые при установке кода неисправности
- Контрольная лампа индикации неисправности загорается.
- Контроллер записывает рабочие условия в момент определения неисправности. Эта информация сохраняется в буфере записей состояния и протоколах неисправностей.
- Сохраняется архив диагностических кодов неисправности.
Условия очистки кода неисправности/индикации неисправности
- Лампа индикации неисправности выключается по окончании последующего цикла проверки, при котором диагностика выполняется без сбоя.
- Архивный диагностический код неисправности убирается после 40 циклов нагрева без сбоя.
- Диагностический код неисправности может быть очищен сканирующим прибором.
Диагностическая информация
Неустойчивая неисправность может быть связана с дефектом колеса импульсного датчика. Снять датчик положения коленчатого вала и проверить колесо импульсного датчика через монтажное отверстие датчика. Проверить пористость и состояние колеса. Если диагностический код неисправности неустойчивый, см.
"Диагностика признаков" в этом разделе.
DTC P0305 - Обнаружен пропуск зажигания в цилиндре 5
| Шаг | Операция | Значения | Да | Нет |
| 1 | Провести проверку системы диагностики. Проверка системы завершена? | - | Перейти к операции 2 | |
| 2 | - Подключить сканирующий прибор к колодке диагностики.
- Включить зажигание, двигатель не запускать.
- Запросить диагностические коды неисправности.
Установлен ли диагностический код неисправности Р0300? | - | Перейти к соответствующей таблице диагностических кодов неисправности | Перейти к операции 3 |
| 3 | - Провести визуальную/физическую проверку.
- Выполнить необходимый ремонт.
Закончен ли ремонт? | - | Перейти к операции 25 | Перейти к операции 4 |
| 4 | Запустить двигатель и дать ему поработать на холостом ходу. Увеличиваются ли показатели счетчиков текущих пропусков зажигания? | - | Перейти к операции 5 | Перейти к операции 6 |
| 5 | Все счетчики одинаковый (в пределах процентного отношения друг к другу?) | - | Перейти к операции 7 | Перейти к операции 11 |
| 6 | - Включить зажигание, двигатель не запускать.
- Просмотреть данные записи состояний и записать параметры.
- Совершить поездку в условиях записанных состояний и условиях установки кода неисправности.
Увеличиваются ли показатели счетчиков текущих пропусков зажигания? | - | Перейти к операции 5 | |
| 7 | - Остановить двигатель.
- Установить манометр на топливную рампу.
- Обратить внимание на давление при работающем двигателе.
Давление топлива в пределах установленного значения? | 284-325 кПа (41-47 psi) | Перейти к операции 8 | |
| 8 | Проверить топливо на загрязнения. Топливо в норме? | - | Перейти к операции 9 | Перейти к операции 10 |
| 9 | Проверить двигатель на обычные проблемы и отремонтировать, если необходимо. Закончен ли ремонт? | - | Перейти к операции 25 | - |
| 10 | Заменить загрязненное топливо. Закончен ли ремонт? | - | Перейти к операции 25 | - |
| 11 | - Остановить двигатель.
- Отсоединить разъем жгутов топливной форсунки.
- Установить прибор для проверки зажигания на цилиндр №5.
- Проверить двигатель на искру.
Есть ли искра? | - | Перейти к операции 12 | Перейти к операции 21 |
| 12 | Заменить неисправную свечу зажигания. Закончен ли ремонт? | - | Перейти к операции 25 | Перейти к операции 13 |
| 13 | - Остановить двигатель.
- Отсоединить разъем топливной форсунки цилиндра 5 от форсунки.
- Установить контрольную лампу на клемму 2 разъема жгута форсунки.
- Провернуть коленчатый вал двигателя и проверить сигнальную лампу.
Контрольная лампа мигает? | - | Перейти к операции 14 | Перейти к операции 15 |
| 14 | Провести проверку баланса форсунок. Топливные форсунки в норме? | - | Перейти к операции 9 | Перейти к операции 16 |
| 15 | - Отсоединить сигнальную лампу для проверки форсунок.
- Проверить клемму 1 цепи зажигания на разъеме жгута форсунки с помощью контрольной лампы, подключенной к массе.
- Провернуть коленчатый вал двигателя.
Контрольная лампа горит? | - | Перейти к операции 17 | Перейти к операции 19 |
| 16 | Заменить неисправную топливную форсунку. Закончен ли ремонт? | - | Перейти к операции 25 | - |
| 17 | Проверить неисправную цепь управления топливной форсункой на отсутствие разрыва или короткого замыкания. Проблема найдена? | - | Перейти к операции 18 | Перейти к операции 23 |
| 18 | Устранить обрыв или короткое замыкание в цепи управления топливной форсункой. Закончен ли ремонт? | - | Перейти к операции 25 | - |
| 19 | Устранить обрыв цепи зажигания между разъемом жгута проводов топливной форсунки и разъемом топливной форсунки. Закончен ли ремонт? | - | Перейти к операции 25 | - |
| 20 | Проверить разъемы и соединения контроллера ЭСУД. Соединения в норме? | - | Перейти к операции 21 | Перейти к операции 22 |
| 21 | Проверить цепь управления зажиганием соответствующего цилиндра на обрыв цепи или короткое замыкание и отремонтировать, если необходимо. Закончен ли ремонт? | - | Перейти к операции 25 | Перейти к операции 24 |
| 22 | Отремонтировать разъем или соединения. Закончен ли ремонт? | - | Перейти к операции 25 | - |
| 23 | - Выключите зажигание.
- Заменить контроллер ЭСУД.
Закончен ли ремонт? | - | Перейти к операции 25 | - |
| 24 | Заменить неисправную катушку зажигания. Закончен ли ремонт? | - | Перейти к операции 25 | Перейти к операции 23 |
| 25 | - Используя сканирующий прибор, обнулить диагностические коды неисправностей.
- Запустить двигатель и дать ему поработать на холостом ходу при нормальной рабочей температуре.
- Совершить поездку в условиях установки кода неисправности как указано.
Сканирующий прибор показывает эту диагностику как прошедшую и успешную? | - | Перейти к операции 26 | Перейти к операции 2 |
| 26 | Проверьте, не установлены ли дополнительные диагностические коды неисправности. Отображены ли диагностические коды неисправности, которые не были продиагностированы? | - | Перейти к соответствующей таблице диагностических кодов неисправности | Система в норме |



Диагностический код неисправности P0306
Обнаружен пропуск зажигания в цилиндре 6
Описание схемы
Контроллер электронной системы управления двигателем (ЭСУД) контролирует положения коленчатого вала и распредвала для определения пропусков зажигания. Контроллер ЭСУД отслеживает быстрое падение скорости вращения коленчатого вала. Эта проверка производится блоками по 100 оборотов двигателя. Для сохранения кода неисправности, а также, чтобы зажглась контрольная лампа индикации неисправности, может потребоваться несколько тестов. В условиях незначительного пропуска зажигания, может также потребоваться более одного хода для установки кода неисправности. При значительном пропуске зажигания, контрольная лампа индикации неисправности будет мигать, указывая на то, что возможно повреждение катализатора.
Условия установки кода неисправности.
- Зажигание включено, двигатель работает.
- Неисправностей датчиков угла поворота коленчатого вала, угла поворота распределительного вала, датчика массового расхода воздуха и датчиков угла поворота дроссельной заслонки нет.
- Пропуск зажигания в одном цилиндре.
Действия, выполняемые при установке кода неисправности
- Контрольная лампа индикации неисправности загорается.
- Контроллер записывает рабочие условия в момент определения неисправности. Эта информация сохраняется в буфере записей состояния и протоколах неисправностей.
- Сохраняется архив диагностических кодов неисправности.
Условия очистки кода неисправности/индикации неисправности
- Лампа индикации неисправности выключается по окончании последующего цикла проверки, при котором диагностика выполняется без сбоя.
- Архивный диагностический код неисправности убирается после 40 циклов нагрева без сбоя.
- Диагностический код неисправности может быть очищен сканирующим прибором.
Диагностическая информация
Неустойчивая неисправность может быть связана с дефектом колеса импульсного датчика. Снять датчик положения коленчатого вала и проверить колесо импульсного датчика через монтажное отверстие датчика. Проверить пористость и состояние колеса. Если диагностический код неисправности неустойчивый, см.
"Диагностика признаков" в этом разделе.
DTC P0306 - Обнаружен пропуск зажигания в цилиндре 6
| Шаг | Операция | Значения | Да | Нет |
| 1 | Провести проверку системы диагностики. Проверка системы завершена? | - | Перейти к операции 2 | |
| 2 | - Подключить сканирующий прибор к колодке диагностики.
- Включить зажигание, двигатель не запускать.
- Запросить диагностические коды неисправности.
Установлен ли диагностический код неисправности Р0300? | - | Перейти к соответствующей таблице диагностических кодов неисправности | Перейти к операции 3 |
| 3 | - Провести визуальную/физическую проверку.
- Выполнить необходимый ремонт.
Закончен ли ремонт? | - | Перейти к операции 25 | Перейти к операции 4 |
| 4 | Запустить двигатель и дать ему поработать на холостом ходу. Увеличиваются ли показатели счетчиков текущих пропусков зажигания? | - | Перейти к операции 5 | Перейти к операции 6 |
| 5 | Все счетчики одинаковый (в пределах процентного отношения друг к другу?) | - | Перейти к операции 7 | Перейти к операции 11 |
| 6 | - Включить зажигание, двигатель не запускать.
- Просмотреть данные записи состояний и записать параметры.
- Совершить поездку в условиях записанных состояний и условиях установки кода неисправности.
Увеличиваются ли показатели счетчиков текущих пропусков зажигания? | - | Перейти к операции 5 | |
| 7 | - Остановить двигатель.
- Установить манометр на топливную рампу.
- Обратить внимание на давление при работающем двигателе.
Давление топлива в пределах установленного значения? | 284-325 кПа (41-47 psi) | Перейти к операции 8 | |
| 8 | Проверить топливо на загрязнения. Топливо в норме? | - | Перейти к операции 9 | Перейти к операции 10 |
| 9 | Проверить двигатель на обычные проблемы и отремонтировать, если необходимо. Закончен ли ремонт? | - | Перейти к операции 25 | - |
| 10 | Заменить загрязненное топливо. Закончен ли ремонт? | - | Перейти к операции 25 | - |
| 11 | - Остановить двигатель.
- Отсоединить разъем жгутов топливной форсунки.
- Установить прибор для проверки зажигания на цилиндр №6.
- Проверить двигатель на искру.
Есть ли искра? | - | Перейти к операции 12 | Перейти к операции 21 |
| 12 | Заменить неисправную свечу зажигания. Закончен ли ремонт? | - | Перейти к операции 25 | Перейти к операции 13 |
| 13 | - Остановить двигатель.
- Отсоединить разъем топливной форсунки цилиндра 6 от форсунки.
- Установить контрольную лампу на клемму 2 разъема жгута форсунки.
- Провернуть коленчатый вал двигателя и проверить сигнальную лампу.
Контрольная лампа мигает? | - | Перейти к операции 14 | Перейти к операции 15 |
| 14 | Провести проверку баланса форсунок. Топливные форсунки в норме? | - | Перейти к операции 9 | Перейти к операции 16 |
| 15 | - Отсоединить сигнальную лампу для проверки форсунок.
- Проверить клемму 1 цепи зажигания на разъеме жгута форсунки с помощью контрольной лампы, подключенной к массе.
- Провернуть коленчатый вал двигателя.
Контрольная лампа горит? | - | Перейти к операции 17 | Перейти к операции 19 |
| 16 | Заменить неисправную топливную форсунку. Закончен ли ремонт? | - | Перейти к операции 25 | - |
| 17 | Проверить неисправную цепь управления топливной форсункой на отсутствие разрыва или короткого замыкания. Проблема найдена? | - | Перейти к операции 18 | Перейти к операции 23 |
| 18 | Устранить обрыв или короткое замыкание в цепи управления топливной форсункой. Закончен ли ремонт? | - | Перейти к операции 25 | - |
| 19 | Устранить обрыв цепи зажигания между разъемом жгута проводов топливной форсунки и разъемом топливной форсунки. Закончен ли ремонт? | - | Перейти к операции 25 | - |
| 20 | Проверить разъемы и соединения контроллера ЭСУД. Соединения в норме? | - | Перейти к операции 21 | Перейти к операции 22 |
| 21 | Проверить цепь управления зажиганием соответствующего цилиндра на обрыв цепи или короткое замыкание и отремонтировать, если необходимо. Закончен ли ремонт? | - | Перейти к операции 25 | Перейти к операции 24 |
| 22 | Отремонтировать разъем или соединения. Закончен ли ремонт? | - | Перейти к операции 25 | - |
| 23 | - Выключите зажигание.
- Заменить контроллер ЭСУД.
Закончен ли ремонт? | - | Перейти к операции 25 | - |
| 24 | Заменить неисправную катушку зажигания. Закончен ли ремонт? | - | Перейти к операции 25 | Перейти к операции 23 |
| 25 | - Используя сканирующий прибор, обнулить диагностические коды неисправностей.
- Запустить двигатель и дать ему поработать на холостом ходу при нормальной рабочей температуре.
- Совершить поездку в условиях установки кода неисправности как указано.
Сканирующий прибор показывает эту диагностику как прошедшую и успешную? | - | Перейти к операции 26 | Перейти к операции 2 |
| 26 | Проверьте, не установлены ли дополнительные диагностические коды неисправности. Отображены ли диагностические коды неисправности, которые не были продиагностированы? | - | Перейти к соответствующей таблице диагностических кодов неисправности | Система в норме |
Диагностический код неисправности P0325
Цепь датчика детонации, ряд цилиндров 1
Описание схемы
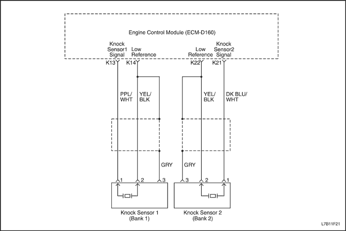
Система датчиков детонации (KS) позволяет контроллеру электронной системы управления двигателем (ЭСУД) управлять моментами зажигания для достижения оптимальных рабочих характеристик, одновременно защищая двигатель от потенциально опасной детонации. Датчик детонации (KS) располагается на стороне впуска блока цилиндров двигателя. Датчик KS вырабатывает сигнал переменного напряжения, амплитуда которого меняется в зависимости от интенсивности вибраций при работе двигателя. Контроллер ЭСУД регулирует моменты зажигания в зависимости от амплитуды и частоты сигнала KS. Сигнал датчика KS поступает на контроллер ЭСУД по сигнальной цепи. Напряжение общего провода датчика KS подается с контроллера ЭСУД по цепи низкого опорного напряжения. Контроллер ЭСУД на основании сигнала KS вычисляет его среднее напряжение и затем определяет диапазон напряжения. Контроллер ЭСУД контролирует нахождение нормального сигнала KS в заданном диапазоне. Если контроллер ЭСУД определяет, что сигнал KS выходит за пределы указанного диапазона напряжения или сигнал KS отсутствует, устанавливается данный диагностический код неисправности.
Условия установки кода неисправности.
- Неисправностей датчиков угла поворота коленчатого вала и угла поворота распределительного вала нет.
- Температура охлаждающей жидкости двигателя более 65,24°С.
- Массовый расход воздуха больше 251 мг/ход.
- Частота оборотов двигателя больше 2496 об./мин.
- Сигнал KS меньше 0,299 В или разность между исходным значением и отфильтрованным значением меньше порога.
Действия, выполняемые при установке кода неисправности
- Контрольная лампа индикации неисправности загорается.
- Контроллер записывает рабочие условия в момент определения неисправности. Эта информация сохраняется в буфере записей состояния и протоколах неисправностей.
- Сохраняется архив диагностических кодов неисправности.
Условия очистки кода неисправности/индикации неисправности
- Лампа индикации неисправности выключается по окончании трех (3) циклов проверки подряд, в которых диагностика выполняется без сбоя.
- Архивный диагностический код неисправности убирается после 40 циклов нагрева без сбоя.
- Диагностический код неисправности может быть очищен сканирующим прибором.
Диагностическая информация
Перед использованием диагностической таблицы проверить и устранить любой необычный шум двигателя.
Любая цепь, подозреваемая на создание шума двигателя, должна быть тщательно проверена на следующие обстоятельства:
- Снятые клеммы
- Соединение клемм
- Неисправность замков
- Деформированность
- Повреждения клемм
- Слабое соединение клемм с проводами
- Физическое повреждение жгутов проводов
DTC P0325 - Цепь датчика детонации, ряд цилиндров 1
| Шаг | Операция | Значения | Да | Нет |
| 1 | Провести проверку системы диагностики. Проверка системы завершена? | - | Перейти к операции 2 | |
| 2 | - Поверните замок зажигание в положение LOCK.
- Отсоединить разъём контроллера ЭСУД.
- С помощью цифрового вольтметра проверить наличие переменного напряжения между клеммой K13 контроллера ЭСУД и массой.
- Постукивая по двигателю рядом с датчиком детонации, проверить наличие переменного напряжения.
Присутствует ли переменное напряжение и меняется ли оно при постукивании по двигателю? | - | Перейти к операции 4 | Перейти к операции 3 |
| 3 | - Заменить датчик детонации.
- Используя сканирующий прибор, очистить диагностические коды неисправностей.
- Провести проверку системы диагностики.
Закончен ли ремонт? | - | Система в норме | - |
| 4 | Проверить момент затяжки болта крепления датчика детонации. Находится ли момент затяжки в установленных пределах? | 18~20 Н•м (13~15 lb-ft) | Перейти к операции 6 | Перейти к операции 5 |
| 5 | Затянуть болт крепления датчика детонации до заданного момента. Закончен ли ремонт? | 18~20 Н•м (13~15 lb-ft) | Система в норме | - |
| 6 | - Поверните замок зажигание в положение LOCK.
- Отсоедините разъем датчика детонации.
- Отсоединить разъём контроллера ЭСУД.
- Проверить на наличие обрыва или замыкания на массу или напряжение аккумулятора провода между клеммами разъема датчика детонации и клеммами разъема контроллера ЭСУД.
Неисправность обнаружена? | - | Перейти к операции 7 | Перейти к операции 8 |
| 7 | - Отремонтировать провод или клемму разъема, если необходимо.
- Используя сканирующий прибор, очистить диагностические коды неисправностей.
- Провести проверку системы диагностики.
Закончен ли ремонт? | - | Система в норме | - |
| 8 | - Поверните замок зажигание в положение LOCK.
- Заменить контроллер ЭСУД.
- Провести проверку системы диагностики.
Закончен ли ремонт? | - | Система в норме | - |
Диагностический код неисправности P0326
Работоспособность датчика детонации, ряд цилиндров 1
Описание схемы
Система датчиков детонации (KS) позволяет контроллеру электронной системы управления двигателем (ЭСУД) управлять моментами зажигания для достижения оптимальных рабочих характеристик, одновременно защищая двигатель от потенциально опасной детонации. Датчик детонации (KS) располагается на стороне впуска блока цилиндров двигателя. Датчик KS вырабатывает сигнал переменного напряжения, амплитуда которого меняется в зависимости от интенсивности вибраций при работе двигателя. Контроллер ЭСУД регулирует моменты зажигания в зависимости от амплитуды и частоты сигнала KS. Сигнал датчика KS поступает на контроллер ЭСУД по сигнальной цепи. Напряжение общего провода датчика KS подается с контроллера ЭСУД по цепи низкого опорного напряжения. Контроллер ЭСУД на основании сигнала KS вычисляет его среднее напряжение и затем определяет диапазон напряжения. Контроллер ЭСУД контролирует нахождение нормального сигнала KS в заданном диапазоне. Если контроллер ЭСУД определяет, что сигнал KS выходит за пределы указанного диапазона напряжения или сигнал KS отсутствует, устанавливается данный диагностический код неисправности.
Условия установки кода неисправности.
- Неисправностей датчиков угла поворота коленчатого вала и угла поворота распределительного вала нет.
- Температура охлаждающей жидкости двигателя более 65,24°С.
- Массовый расход воздуха больше 251 мг/ход.
- Частота оборотов двигателя больше 2496 об./мин.
- Сигнал KS меньше 0,299 В или разность между исходным значением и отфильтрованным значением меньше порога.
Действия, выполняемые при установке кода неисправности
- Контрольная лампа индикации неисправности загорается.
- Контроллер записывает рабочие условия в момент определения неисправности. Эта информация сохраняется в буфере записей состояния и протоколах неисправностей.
- Сохраняется архив диагностических кодов неисправности.
Условия очистки кода неисправности/индикации неисправности
- Лампа индикации неисправности выключается по окончании трех (3) циклов проверки подряд, в которых диагностика выполняется без сбоя.
- Архивный диагностический код неисправности убирается после 40 циклов нагрева без сбоя.
- Диагностический код неисправности может быть очищен сканирующим прибором.
Диагностическая информация
Перед использованием диагностической таблицы проверить и устранить любой необычный шум двигателя.
Любая цепь, подозреваемая на создание шума двигателя, должна быть тщательно проверена на следующие обстоятельства:
- Снятые клеммы
- Соединение клемм
- Неисправность замков
- Деформированность
- Повреждения клемм
- Слабое соединение клемм с проводами
- Физическое повреждение жгутов проводов
DTC P0326 - Работоспособность датчика детонации, ряд цилиндров 1
| Шаг | Операция | Значения | Да | Нет |
| 1 | Провести проверку системы диагностики. Проверка системы завершена? | - | Перейти к операции 2 | |
| 2 | - Поверните замок зажигание в положение LOCK.
- Отсоединить разъём контроллера ЭСУД.
- С помощью цифрового вольтметра проверить наличие переменного напряжения между клеммой K13 контроллера ЭСУД и массой.
- Постукивая по двигателю рядом с датчиком детонации, проверить наличие переменного напряжения.
Присутствует ли переменное напряжение и меняется ли оно при постукивании по двигателю? | - | Перейти к операции 4 | Перейти к операции 3 |
| 3 | - Заменить датчик детонации.
- Используя сканирующий прибор, очистить диагностические коды неисправностей.
- Провести проверку системы диагностики.
Закончен ли ремонт? | - | Система в норме | - |
| 4 | Проверить момент затяжки болта крепления датчика детонации. Находится ли момент затяжки в установленных пределах? | 18~20 Н•м (13~15 lb-ft) | Перейти к операции 6 | Перейти к операции 5 |
| 5 | Затянуть болт крепления датчика детонации до заданного момента. Закончен ли ремонт? | 18~20 Н•м (13~15 lb-ft) | Система в норме | - |
| 6 | - Поверните замок зажигание в положение LOCK.
- Отсоедините разъем датчика детонации.
- Отсоединить разъём контроллера ЭСУД.
- Проверить на наличие обрыва или замыкания на массу или напряжение аккумулятора провода между клеммами разъема датчика детонации и клеммами разъема контроллера ЭСУД.
Неисправность обнаружена? | - | Перейти к операции 7 | Перейти к операции 8 |
| 7 | - Отремонтировать провод или клемму разъема, если необходимо.
- Используя сканирующий прибор, очистить диагностические коды неисправностей.
- Провести проверку системы диагностики.
Закончен ли ремонт? | - | Система в норме | - |
| 8 | - Поверните замок зажигание в положение LOCK.
- Заменить контроллер ЭСУД.
- Провести проверку системы диагностики.
Закончен ли ремонт? | - | Система в норме | - |
Диагностический код неисправности P0330
Цепь датчика детонации, ряд цилиндров 2
Описание схемы
Система датчиков детонации (KS) позволяет контроллеру электронной системы управления двигателем (ЭСУД) управлять моментами зажигания для достижения оптимальных рабочих характеристик, одновременно защищая двигатель от потенциально опасной детонации. Датчик детонации (KS) располагается на стороне впуска блока цилиндров двигателя. Датчик KS вырабатывает сигнал переменного напряжения, амплитуда которого меняется в зависимости от интенсивности вибраций при работе двигателя. Контроллер ЭСУД регулирует моменты зажигания в зависимости от амплитуды и частоты сигнала KS. Сигнал датчика KS поступает на контроллер ЭСУД по сигнальной цепи. Напряжение общего провода датчика KS подается с контроллера ЭСУД по цепи низкого опорного напряжения. Контроллер ЭСУД на основании сигнала KS вычисляет его среднее напряжение и затем определяет диапазон напряжения. Контроллер ЭСУД контролирует нахождение нормального сигнала KS в заданном диапазоне. Если контроллер ЭСУД определяет, что сигнал KS выходит за пределы указанного диапазона напряжения или сигнал KS отсутствует, устанавливается данный диагностический код неисправности.
Условия установки кода неисправности.
- Неисправностей датчиков угла поворота коленчатого вала и угла поворота распределительного вала нет.
- Температура охлаждающей жидкости двигателя более 65,24°С.
- Массовый расход воздуха больше 251 мг/ход.
- Частота оборотов двигателя больше 2496 об./мин.
- Сигнал KS меньше 0,299 В или разность между исходным значением и отфильтрованным значением меньше порога.
Действия, выполняемые при установке кода неисправности
- Контрольная лампа индикации неисправности загорается.
- Контроллер записывает рабочие условия в момент определения неисправности. Эта информация сохраняется в буфере записей состояния и протоколах неисправностей.
- Сохраняется архив диагностических кодов неисправности.
Условия очистки кода неисправности/индикации неисправности
- Лампа индикации неисправности выключается по окончании трех (3) циклов проверки подряд, в которых диагностика выполняется без сбоя.
- Архивный диагностический код неисправности убирается после 40 циклов нагрева без сбоя.
- Диагностический код неисправности может быть очищен сканирующим прибором.
Диагностическая информация
Перед использованием диагностической таблицы проверить и устранить любой необычный шум двигателя.
Любая цепь, подозреваемая на создание шума двигателя, должна быть тщательно проверена на следующие обстоятельства:
- Снятые клеммы
- Соединение клемм
- Неисправность замков
- Деформированность
- Повреждения клемм
- Слабое соединение клемм с проводами
- Физическое повреждение жгутов проводов
DTC P0330 - Цепь датчика детонации, ряд цилиндров 2
| Шаг | Операция | Значения | Да | Нет |
| 1 | Провести проверку системы диагностики. Проверка системы завершена? | - | Перейти к операции 2 | |
| 2 | - Поверните замок зажигание в положение LOCK.
- Отсоединить разъём контроллера ЭСУД.
- С помощью цифрового вольтметра проверить наличие переменного напряжения между клеммой K21 контроллера ЭСУД и массой.
- Постукивая по двигателю рядом с датчиком детонации, проверить наличие переменного напряжения.
Присутствует ли переменное напряжение и меняется ли оно при постукивании по двигателю? | - | Перейти к операции 4 | Перейти к операции 3 |
| 3 | - Заменить датчик детонации.
- Используя сканирующий прибор, очистить диагностические коды неисправностей.
- Провести проверку системы диагностики.
Закончен ли ремонт? | - | Система в норме | - |
| 4 | Проверить момент затяжки болта крепления датчика детонации. Находится ли момент затяжки в установленных пределах? | 18~20 Н•м (13~15 lb-ft) | Перейти к операции 6 | Перейти к операции 5 |
| 5 | Затянуть болт крепления датчика детонации до заданного момента. Закончен ли ремонт? | 18~20 Н•м (13~15 lb-ft) | Система в норме | - |
| 6 | - Поверните замок зажигание в положение LOCK.
- Отсоедините разъем датчика детонации.
- Отсоединить разъём контроллера ЭСУД.
- Проверить на наличие обрыва или замыкания на массу или напряжение аккумулятора провода между клеммами разъема датчика детонации и клеммами разъема контроллера ЭСУД.
Неисправность обнаружена? | - | Перейти к операции 7 | Перейти к операции 8 |
| 7 | - Отремонтировать провод или клемму разъема, если необходимо.
- Используя сканирующий прибор, очистить диагностические коды неисправностей.
- Провести проверку системы диагностики.
Закончен ли ремонт? | - | Система в норме | - |
| 8 | - Поверните замок зажигание в положение LOCK.
- Заменить контроллер ЭСУД.
- Провести проверку системы диагностики.
Закончен ли ремонт? | - | Система в норме | - |
Диагностический код неисправности P0331
Работоспособность датчика детонации, ряд цилиндров 2
Описание схемы
Система датчиков детонации (KS) позволяет контроллеру электронной системы управления двигателем (ЭСУД) управлять моментами зажигания для достижения оптимальных рабочих характеристик, одновременно защищая двигатель от потенциально опасной детонации. Датчик детонации (KS) располагается на стороне впуска блока цилиндров двигателя. Датчик KS вырабатывает сигнал переменного напряжения, амплитуда которого меняется в зависимости от интенсивности вибраций при работе двигателя. Контроллер ЭСУД регулирует моменты зажигания в зависимости от амплитуды и частоты сигнала KS. Сигнал датчика KS поступает на контроллер ЭСУД по сигнальной цепи. Напряжение общего провода датчика KS подается с контроллера ЭСУД по цепи низкого опорного напряжения. Контроллер ЭСУД на основании сигнала KS вычисляет его среднее напряжение и затем определяет диапазон напряжения. Контроллер ЭСУД контролирует нахождение нормального сигнала KS в заданном диапазоне. Если контроллер ЭСУД определяет, что сигнал KS выходит за пределы указанного диапазона напряжения или сигнал KS отсутствует, устанавливается данный диагностический код неисправности.
Условия установки кода неисправности.
- Неисправностей датчиков угла поворота коленчатого вала и угла поворота распределительного вала нет.
- Температура охлаждающей жидкости двигателя более 65,24°С.
- Массовый расход воздуха больше 251 мг/ход.
- Частота оборотов двигателя больше 2496 об./мин.
- Сигнал KS меньше 0,299 В или разность между исходным значением и отфильтрованным значением меньше порога.
Действия, выполняемые при установке кода неисправности
- Контрольная лампа индикации неисправности загорается.
- Контроллер записывает рабочие условия в момент определения неисправности. Эта информация сохраняется в буфере записей состояния и протоколах неисправностей.
- Сохраняется архив диагностических кодов неисправности.
Условия очистки кода неисправности/индикации неисправности
- Лампа индикации неисправности выключается по окончании трех (3) циклов проверки подряд, в которых диагностика выполняется без сбоя.
- Архивный диагностический код неисправности убирается после 40 циклов нагрева без сбоя.
- Диагностический код неисправности может быть очищен сканирующим прибором.
Диагностическая информация
Перед использованием диагностической таблицы проверить и устранить любой необычный шум двигателя.
Любая цепь, подозреваемая на создание шума двигателя, должна быть тщательно проверена на следующие обстоятельства:
- Снятые клеммы
- Соединение клемм
- Неисправность замков
- Деформированность
- Повреждения клемм
- Слабое соединение клемм с проводами
- Физическое повреждение жгутов проводов
DTC 0331 - Работоспособность датчика детонации, ряд цилиндров 2
| Шаг | Операция | Значения | Да | Нет |
| 1 | Провести проверку системы диагностики. Проверка системы завершена? | - | Перейти к операции 2 | |
| 2 | - Поверните замок зажигание в положение LOCK.
- Отсоединить разъём контроллера ЭСУД.
- С помощью цифрового вольтметра проверить наличие переменного напряжения между клеммой K21 контроллера ЭСУД и массой.
- Постукивая по двигателю рядом с датчиком детонации, проверить наличие переменного напряжения.
Присутствует ли переменное напряжение и меняется ли оно при постукивании по двигателю? | - | Перейти к операции 4 | Перейти к операции 3 |
| 3 | - Заменить датчик детонации.
- Используя сканирующий прибор, очистить диагностические коды неисправностей.
- Провести проверку системы диагностики.
Закончен ли ремонт? | - | Система в норме | - |
| 4 | Проверить момент затяжки болта крепления датчика детонации. Находится ли момент затяжки в установленных пределах? | 18~20 Н•м (13~15 lb-ft) | Перейти к операции 6 | Перейти к операции 5 |
| 5 | Затянуть болт крепления датчика детонации до заданного момента. Закончен ли ремонт? | 18~20 Н•м (13~15 lb-ft) | Система в норме | - |
| 6 | - Поверните замок зажигание в положение LOCK.
- Отсоедините разъем датчика детонации.
- Отсоединить разъём контроллера ЭСУД.
- Проверить на наличие обрыва или замыкания на массу или напряжение аккумулятора провода между клеммами разъема датчика детонации и клеммами разъема контроллера ЭСУД.
Неисправность обнаружена? | - | Перейти к операции 7 | Перейти к операции 8 |
| 7 | - Отремонтировать провод или клемму разъема, если необходимо.
- Используя сканирующий прибор, очистить диагностические коды неисправностей.
- Провести проверку системы диагностики.
Закончен ли ремонт? | - | Система в норме | - |
| 8 | - Поверните замок зажигание в положение LOCK.
- Заменить контроллер ЭСУД.
- Провести проверку системы диагностики.
Закончен ли ремонт? | - | Система в норме | - |
 | |  | |