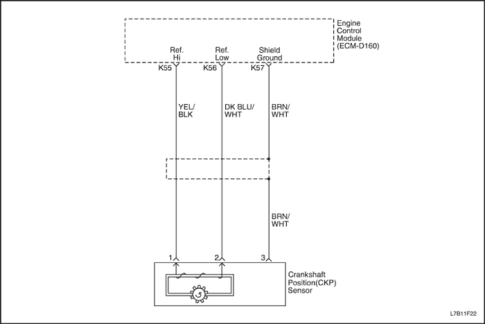
Диагностический код неисправности P0335
Цепь датчика положения коленчатого вала (CKP)
Описание схемы
Опорный сигнал генерируется датчиком положения коленчатого вала (CKP). ЭСУД использует опорный сигнал для вычисления частоты оборотов двигателя и положения коленчатого вала. Контроллер ЭСУД постоянно отслеживает количество импульсов в цепи опорного сигнала и сравнивает их с количеством получаемых сигнальных импульсов положения коленчатого вала. Если контроллер ЭСУД получает неправильное количество импульсов по цепи опорного сигнала, устанавливается DTC P0335.
Условия установки кода неисправности.
- Двигатель работает
- Разность напряжений датчика положения коленчатого вала превышает 0,498 В.
- Минимальное напряжение датчика положения коленчатого вала меньше 1,997 В.
- Максимальное напряжение датчика положения коленчатого вала больше 3,003 В.
Действия, выполняемые при установке кода неисправности
- Контрольная лампа индикации неисправности загорается.
- Контроллер записывает рабочие условия в момент определения неисправности. Эта информация сохраняется в буфере записей состояния и протоколах неисправностей.
- Сохраняется архив диагностических кодов неисправности.
Условия очистки кода неисправности/индикации неисправности
- Лампа индикации неисправности выключается по окончании трех (3) циклов проверки подряд, в которых диагностика выполняется без сбоя.
- Архивный диагностический код неисправности убирается после 40 циклов нагрева без сбоя.
- Диагностический код неисправности может быть очищен сканирующим прибором.
Диагностическая информация
Неустойчивая неисправность может быть вызвана слабым контактом, перетертой изоляции или обрывом проводки под изоляцией. Проверить:
Слабое соединение - проверить жгут проводов контроллера ЭСУД и разъемы на слабый контакт, неисправность замков, деформированность или повреждения клемм и слабое соединение клемм с проводами.
Повреждения жгутов - осмотреть жгут проводов на наличие повреждений. Если жгут проводов кажется исправным, отсоединить контроллер ЭСУД, включить зажигание и проследить за показаниями вольтметра в цепи опорного сигнала, шевеля разъемы и жгуты проводки, относящиеся к контроллеру ЭСУД. Изменения в уровне сигнала покажут место нахождения неисправности.
Просмотреть километраж записей неисправностей, так как неудавшиеся диагностические проверки помогут оценить условия, в которых устанавливался диагностический код неисправности. Это поможет продиагностировать условия.
DTC Р0335 - Цепь датчика положения коленчатого вала (CKP)
| Шаг | Операция | Значения | Да | Нет |
| 1 | Провести проверку системы диагностики. Проверка системы завершена? | - | Перейти к операции 2 | |
| 2 | Попытайтесь запустить двигатель. Двигатель запускается? | - | Перейти к операции 3 | |
| 3 | - Просмотреть и записать информацию протокола неисправностей.
- Очистить DTC P0335.
- Запустить двигатель и дать ему поработать на холостом ходу 1 минуту.
- Просмотреть диагностические коды неисправностей.
Диагностический код неисправности Р0335 установлен? | - | Перейти к операции 4 | |
| 4 | - Отсоединить контроллер ЭСУД и датчик положения коленчатого вала.
- Проверить обрыв цепи или замыкание на массу разъема датчика положения коленчатого вала и разъема жгута проводов контроллера ЭСУД.
Неисправность обнаружена? | - | Перейти к операции 5 | Перейти к операции 6 |
| 5 | Проверить на обрыв или замыкание на массу опорную цепь между разъемом датчика положения коленчатого вала и разъемом жгута проводов контроллера ЭСУД. Закончен ли ремонт? | - | Перейти к операции 11 | - |
| 6 | - Заново подключить контроллер ЭСУД и датчик положения коленчатого вала.
- Присоединить цифровой вольтметр для измерения сигнала в опорной цепи к клемме K55 на разъеме контроллера ЭСУД.
- Посмотреть уровень сигнала при проворачивании коленчатого вала.
Уровень сигнала близок к установленному значению? | 2,5 В | Перейти к операции 9 | Перейти к операции 7 |
| 7 | Проверить разъемы датчика положения коленчатого вала и заменить клеммы, если необходимо. Какие-нибудь клеммы требуют замены? | - | Перейти к операции 11 | Перейти к операции 8 |
| 8 | Заменить датчик положения коленчатого вала. Замена закончена? | - | Перейти к операции 11 | - |
| 9 | Проверить соединения на контроллере ЭСУД и заменить клеммы, если необходимо. Какая-нибудь клемма требует замены? | - | Перейти к операции 11 | Перейти к операции 10 |
| 10 | Заменить контроллер ЭСУД. Замена закончена? | - | Перейти к операции 11 | - |
| 11 | - Используя сканирующий прибор, очистить диагностические коды неисправностей.
- Запустить двигатель и дать ему поработать на холостом ходу при нормальной рабочей температуре.
- Совершить поездку для установки кодов неисправности, как это указано во вспомогательном тексте.
Сканирующий прибор определяет эту диагностику как прошедшую и успешную? | - | Перейти к операции 12 | Перейти к операции 2 |
| 12 | Проверьте, не установлены ли дополнительные диагностические коды неисправности. Отображены ли диагностические коды неисправности, которые не были продиагностированы? | - | Перейти к соответствующей таблице диагностических кодов неисправности | Система в норме |
Диагностический код неисправности P0336
Работоспособность датчика положения коленчатого вала (CKP)
Описание схемы
Опорный сигнал генерируется датчиком положения коленчатого вала (CKP). ЭСУД использует опорный сигнал для вычисления частоты оборотов двигателя и положения коленчатого вала. Контроллер ЭСУД постоянно отслеживает количество импульсов в цепи опорного сигнала и сравнивает их с количеством получаемых сигнальных импульсов положения коленчатого вала. Если контроллер ЭСУД получает неправильное количество импульсов по цепи опорного сигнала, устанавливается DTC P0336.
Условия установки кода неисправности.
- Двигатель работает
- Зарегистрированное количество зубьев отличается на 2 или больше.
Действия, выполняемые при установке кода неисправности
- Контрольная лампа индикации неисправности загорается.
- Контроллер записывает рабочие условия в момент определения неисправности. Эта информация сохраняется в буфере записей состояния и протоколах неисправностей.
- Сохраняется архив диагностических кодов неисправности.
Условия очистки кода неисправности/индикации неисправности
- Лампа индикации неисправности выключается по окончании трех (3) циклов проверки подряд, в которых диагностика выполняется без сбоя.
- Архивный диагностический код неисправности убирается после 40 циклов нагрева без сбоя.
- Диагностический код неисправности может быть очищен сканирующим прибором.
Диагностическая информация
Неустойчивая неисправность может быть вызвана слабым контактом, перетертой изоляции или обрывом проводки под изоляцией. Проверить:
Слабое соединение - проверить жгут проводов контроллера ЭСУД и разъемы на слабый контакт, неисправность замков, деформированность или повреждения клемм и слабое соединение клемм с проводами.
Повреждения жгутов - осмотреть жгут проводов на наличие повреждений. Если жгут проводов кажется исправным, отсоединить контроллер ЭСУД, включить зажигание и проследить за показаниями вольтметра в цепи опорного сигнала, шевеля разъемы и жгуты проводки, относящиеся к контроллеру ЭСУД. Изменения в уровне сигнала покажут место нахождения неисправности.
Просмотреть километраж записей неисправностей, так как неудавшиеся диагностические проверки помогут оценить условия, в которых устанавливался диагностический код неисправности. Это поможет продиагностировать условия.
DTC Р0336 - Работоспособность датчика положения коленчатого вала (CKP)
| Шаг | Операция | Значения | Да | Нет |
| 1 | Провести проверку системы диагностики. Проверка системы завершена? | - | Перейти к операции 2 | |
| 2 | Попытайтесь запустить двигатель. Двигатель запускается? | - | Перейти к операции 3 | |
| 3 | - Просмотреть и записать информацию протокола неисправностей.
- Обнулить DTC P0336.
- Запустить двигатель и дать ему поработать на холостом ходу 1 минуту.
- Просмотреть диагностические коды неисправностей.
Установлен ли диагностический код неисправности Р0336? | - | Перейти к операции 4 | |
| 4 | - Отсоединить контроллер ЭСУД и датчик положения коленчатого вала.
- Проверить наличие открытого или низкого напряжения на разъеме датчика положение коленчатого вала, а также на разъеме жгута контроллера ЭСУД.
Неисправность обнаружена? | - | Перейти к операции 5 | Перейти к операции 6 |
| 5 | Проверить на обрыв цепи или замыкание на массу опорную цепь между разъемом датчика положения коленчатого вала и разъемом жгута проводов контроллера ЭСУД. Закончен ли ремонт? | - | Перейти к операции 11 | - |
| 6 | - Заново подключить контроллер ЭСУД и датчик положения коленчатого вала.
- Присоединить цифровой вольтметр для измерения сигнала в опорной цепи к клемме K55 на разъеме контроллера ЭСУД.
- Посмотреть уровень сигнала при проворачивании коленчатого вала.
Уровень сигнала близок к установленному значению? | 2,5 В | Перейти к операции 9 | Перейти к операции 7 |
| 7 | Проверить разъемы датчика положения коленчатого вала и заменить клеммы, если необходимо. Какие-нибудь клеммы требуют замены? | - | Перейти к операции 11 | Перейти к операции 8 |
| 8 | Заменить датчик положения коленчатого вала. Замена закончена? | - | Перейти к операции 11 | - |
| 9 | Проверить соединения на контроллере ЭСУД и заменить клеммы, если необходимо. Какая-нибудь клемма требует замены? | - | Перейти к операции 11 | Перейти к операции 10 |
| 10 | Заменить контроллер ЭСУД. Замена закончена? | - | Перейти к операции 11 | - |
| 11 | - Используя сканирующий прибор, очистить диагностические коды неисправностей.
- Запустить двигатель и дать ему поработать на холостом ходу при нормальной рабочей температуре.
- Совершить поездку для установки кодов неисправности, как это указано во вспомогательном тексте.
Сканирующий прибор определяет эту диагностику как прошедшую и успешную? | - | Перейти к операции 12 | Перейти к операции 2 |
| 12 | Проверьте, не установлены ли дополнительные диагностические коды неисправности. Отображены ли диагностические коды неисправности, которые не были продиагностированы? | - | Перейти к соответствующей таблице диагностических кодов неисправности | Система в норме |
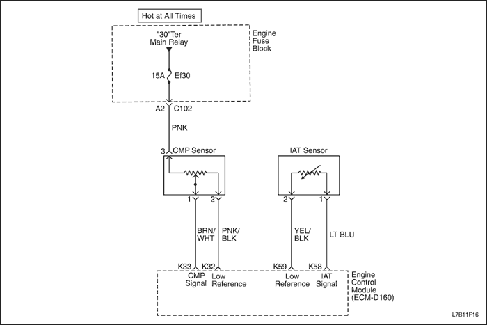
Диагностический код неисправности P0340
Цепь датчика положения распределительного вала (СМР)
Описание схемы
Датчик положения распределительного вала (СМР) используется для определения положения распределительного вала, а также для взаимосвязи с положением коленчатого вала, для того, чтобы контроллер ЭСУД мог определить, в какой цилиндр форсунке подавать топливо. Полярность сигнала датчика положения распределительного вала необходимо изменять только один раз согласно положению коленчатого вала.
Условия установки кода неисправности.
- Отношение сегментов распределительного вала впуска за пределами допустимого диапазона.
или
- Система не синхронизирована с сигналом коленчатого вала.
Действия, выполняемые при установке кода неисправности
- Контрольная лампа индикации неисправности загорается.
- Контроллер записывает рабочие условия в момент определения неисправности. Эта информация сохраняется в буфере записей состояния и протоколах неисправностей.
- Сохраняется архив диагностических кодов неисправности.
Условия очистки кода неисправности/индикации неисправности
- Лампа индикации неисправности выключается по окончании трех (3) циклов проверки подряд, в которых диагностика выполняется без сбоя.
- Архивный диагностический код неисправности убирается после 40 циклов нагрева без сбоя.
- Диагностический код неисправности может быть очищен сканирующим прибором.
Диагностическая информация
Перед использованием диагностической таблицы проверить и устранить любой необычный шум двигателя.
Любая цепь, подозреваемая на создание шума двигателя, должна быть тщательно проверена на следующие обстоятельства:
- Снятые клеммы
- Соединение клемм
- Неисправность замков
- Деформированность
- Повреждения клемм
- Слабое соединение клемм с проводами
- Физическое повреждение жгутов проводов
DTC P0340 - Цепь датчика положения распределительного вала (СМР)
| Шаг | Операция | Значения | Да | Нет |
| 1 | Провести проверку системы диагностики. Проверка системы завершена? | - | Перейти к операции 2 | |
| 2 | - Поверните замок зажигание в положение LOCK.
- Отсоединить разъем датчика положения распределительного вала
- Проверить исправность разъема и клемм
Неисправность обнаружена? | - | Перейти к операции 4 | Перейти к операции 3 |
| 3 | - Поверните ключ зажигания в положение ON.
- Отсоединить разъём контроллера ЭСУД.
- Проверить выводы контроллера ЭСУД и датчик на наличие деформированных или поврежденных клемм
- Проверить на обрыв, замыкание на массу или на напряжение аккумулятора провод на участке между клеммой 1 датчика положения распределительного вала и разъемом K33 контроллера ЭСУД.
- Проверить на обрыв цепи провода на участке между клеммой 2 датчика положения распределительного вала и разъемом K32 контроллера ЭСУД.
Неисправность обнаружена? | - | Перейти к операции 4 | Перейти к операции 5 |
| 4 | - Поверните замок зажигание в положение LOCK.
- Отремонтировать или заменить провод или разъем
- Очистить все диагностические коды неисправности в контроллере ЭСУД.
- Запустить двигатель
- Провести проверку системы диагностики.
Закончен ли ремонт? | - | Система в норме | - |
| 5 | - Поверните замок зажигание в положение LOCK.
- Заменить датчик положения распределительного вала.
- Очистить все диагностические коды неисправности в контроллере ЭСУД.
- Запустить двигатель
- Провести проверку системы диагностики.
DTC P0341 сброшен? | - | Система в норме | Перейти к операции 6 |
| 6 | - Заменить контроллер ЭСУД.
- Запустить двигатель
- Провести проверку системы диагностики.
Замена закончена? | - | Перейти к операции 7 | - |
| 7 | - Используя сканирующий прибор, очистить диагностические коды неисправностей.
- Запустить двигатель и дать ему поработать на холостом ходу при нормальной рабочей температуре.
- Совершить поездку для установки кодов неисправности, как это указано во вспомогательном тексте.
Сканирующий прибор определяет эту диагностику как прошедшую и успешную? | - | Перейти к операции 8 | - |
| 8 | Проверьте, не установлены ли дополнительные диагностические коды неисправности. Отображены ли диагностические коды неисправности, которые не были продиагностированы? | - | Перейти к соответствующей таблице диагностических кодов неисправности | Система в норме |
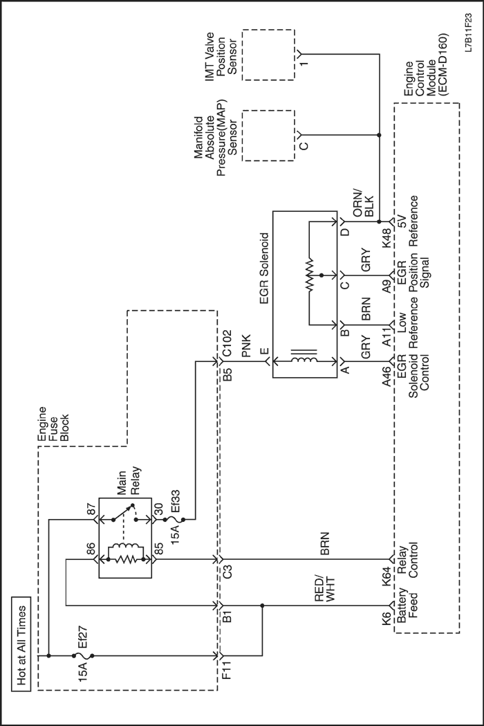
Диагностический код неисправности P0400
Рециркуляция отработавших газов, неправильный расход
Описание схемы
Система рециркуляции отработавших газов используется для снижения уровня выброса оксидов азота (NOx), причиной которого являются высокая температура сгорания. Она осуществляет это путем подачи небольшого количества отработавших газов обратно в камеру сгорания. При соединении воздушно-топливной смеси с отработавшими газами, температура сгорания понижается.
В данной системе используется электрический клапан системы рециркуляции отработавших газов. Электрический клапан рециркуляции отработавших газов предназначен для точной подачи отработавших газов в двигатель без расходования вакуума во впускном коллекторе. Клапан регулирует поток выхлопных газов, идущих на впускной коллектор из выпускного коллектора через дроссель, при помощи иглы, управляемой контроллером ЭСУД. ЭСУД управляет положением иглы, используя входы датчика положения дросселя и датчик абсолютного давления во впускном коллекторе. Затем ЭСУД выдает команду на срабатывание при необходимости клапана системы рециркуляции отработанных газов путем управления сигналом зажигания через контроллер ЭСУД. Это можно контролировать на сканирующем приборе как желаемое положение системы рециркуляции отработавших газов.
ЭСУД контролирует результат выполнения своей команды по ответному сигналу. При опорном сигнале 5 В и замыкании "массы" на клапане рециркуляции отработавших газов, сигнал, представляющий положение иглы клапана рециркуляции отработавших газов, выдается в ЭСУД. Данный сигнал обратной связи также контролируется на сканирующем приборе и отображает действительное положение иглы клапана рециркуляции отработавших газов. Действительное положение клапана рециркуляции отработавших газов всегда должно быть в пределах задаваемого или желаемого положения.
Условия установки кода неисправности.
- Неисправностей системы рециркуляции отработавших газов нет.
- Число оборотов двигателя в пределах от 1376 до 3104 об./мин.
- Абсолютное давление в коллекторе выше 150 гПа.
- Угол открытия дроссельной заслонки в пределах от 2,341° до 13,122°.
- Напряжение аккумулятора от 10,968 В до 15,640 В.
- Температура воздуха в корпусе дроссельной заслонки -15°C или выше.
- Давление окружающего воздуха 740,04 гПа или выше.
- Отношение разностей абсолютных давлений на впуске больше 3,5 или меньше 0,4.
Действия, выполняемые при установке кода неисправности
- Контрольная лампа индикации неисправности загорается.
- Контроллер записывает рабочие условия в момент определения неисправности. Эта информация сохраняется в буфере записей состояния и протоколах неисправностей.
- Сохраняется архив диагностических кодов неисправности.
Условия очистки кода неисправности/индикации неисправности
- Лампа индикации неисправности выключается по окончании трех (3) циклов проверки подряд, в которых диагностика выполняется без сбоя.
- Архивный диагностический код неисправности убирается после 40 циклов нагрева без сбоя.
- Диагностический код неисправности может быть очищен сканирующим прибором.
Описание проверки
Нижеприведенный номер относится к номерам этапов из таблицы диагностики.
- Сначала необходимо продиагностировать нарушения датчика МАР. Этот диагностический код неисправности мог установиться вследствие показания перекошенного датчика МАР.
- Нарушение в механической части двигателя может привести к нарушению в работе двигателя, вследствие чего может образоваться низкий вакуум.
DTC P0400 - Рециркуляция отработавших газов, неправильный расход
| Шаг | Операция | Значения | Да | Нет |
| 1 | Вы провели проверку диагностической системы? | - | Перейти к операции 2 | |
| 2 | - Изучить зарегистрированные данные о сбое для данного кода DTC.
- Выключить зажигание на 30 секунд.
- Запустите двигатель.
- Создать для автомобиля условия появления кода DTC. Можно также создать для автомобиля условия, которые наблюдались на основе зарегистрированных данных о нарушении работы.
Код DTC показал пропуск зажигания? | - | Перейти к операции 3 | |
| 3 | Код DTC P0107 или Р0108 тоже устанавливается? | - | Перейти к соответствующей таблице диагностических кодов неисправности | Перейти к операции 4 |
| 4 | Проверить систему рециркуляции отработавших газов (EGR) на следующее: - Несоответствующий клапан EGR для данного двигателя.
- Утечка вакуума между клапаном EGR и впускным коллектором.
- Признаки утечки снаружи обычно отмечаются образованием нагара вокруг сопряженных поверхностей компонентов или прослушивается шум от выпуска.
- Ограничения в каналах или в клапане EGR, создаваемые нагаром или выбросом пламени.
Неисправность обнаружена и устранена? | - | Перейти к операции 9 | Перейти к операции 5 |
| 5 | Проверить, нет ли утечки или ограничений в проходе у датчика абсолютного давления в коллекторе (МАР). Неисправность обнаружена и устранена? | - | Перейти к операции 9 | Перейти к операции 6 |
| 6 | Проверить систему выпуска отработавших газов на следующее: - Утечка, вызванная повреждением компонентов системы выпуска отработавших газов.
- Ограничения, которые могут вызвать повышенное противодавление и низкий вакуум в двигателе. Ограничения, которые могут быть вызваны установкой оборудования, отличающегося от оборудования, реализуемого в сети магазинов, или повреждением компонентов системы выпуска отработавших газов.
- Изменение в деталях комплектного оборудования (ОЕМ).
Неисправность обнаружена и устранена? | - | Перейти к операции 9 | Перейти к операции 7 |
| 7 | - Заменить клапан EGR.
- Сканирующим прибором обнулить коды DTC.
- Выключить зажигание на 30 секунд.
- Запустите двигатель.
- Создать для автомобиля условия появления кода DTC.
Код DTC показал пропуск зажигания? | - | Перейти к операции 8 | Перейти к операции 10 |
| 8 | Проверить следующее механическое состояние двигателя: - Правильность установки приводного ремня газораспределительного механизма.
- Износ поршневых колец.
- Износ распределительного вала.
- Износ или повреждение прочих компонентов двигателя.
Неисправность обнаружена и устранена? | - | Перейти к операции 9 | |
| 9 | - Сканирующим прибором сбросить коды DTC.
- Выключить зажигание на 30 секунд.
- Запустите двигатель.
- Создать для автомобиля условия появления кода DTC. Можно также создать для автомобиля условия, которые наблюдались на основе зарегистрированных данных о нарушении работы.
Код DTC показал пропуск зажигания? | - | Перейти к операции 2 | Перейти к операции 10 |
| 10 | Проверьте, не установлены ли дополнительные диагностические коды неисправности. Отображены ли диагностические коды неисправности, которые не были продиагностированы? | - | Перейти к соответствующей таблице диагностических кодов неисправности | Система в норме |
Диагностический код неисправности P0401
Рециркуляция отработавших газов, недостаточный расход
Описание схемы
Система рециркуляции отработавших газов используется для снижения уровня выброса оксида азота (NOx), вызываемого высокой температурой сгорания. Она осуществляет это путем подачи небольшого количества отработавших газов обратно в камеру сгорания. При соединении воздушно-топливной смеси с отработавшими газами, температура сгорания понижается.
В данной системе используется электрический клапан системы рециркуляции отработавших газов. Электрический клапан рециркуляции отработавших газов предназначен для точной подачи отработавших газов в двигатель без расходования вакуума во впускном коллекторе. Клапан контролирует расход выхлопных газов с помощью иглы, управляемой контроллером ЭСУД, которая входит во впускной коллектор из выпускного коллектора через дроссельное отверстие. ЭСУД управляет положением иглы, используя входы датчика положения дросселя и датчиков абсолютного давления во впускном коллекторе. Затем ЭСУД выдает команду на срабатывание при необходимости клапана системы рециркуляции отработанных газов путем управления сигналом зажигания через контроллер ЭСУД. Это можно контролировать на сканирующем приборе как желаемое положение системы рециркуляции отработавших газов.
ЭСУД контролирует результат выполнения своей команды по ответному сигналу. При опорном сигнале 5 В и замыкании "массы" на клапане рециркуляции отработавших газов, сигнал, представляющий положение иглы клапана рециркуляции отработавших газов, выдается в ЭСУД. Данный сигнал обратной связи также контролируется на сканирующем приборе и отображает действительное положение иглы клапана рециркуляции отработавших газов. Действительное положение клапана рециркуляции отработавших газов всегда должно быть в пределах задаваемого или желаемого положения.
Данная диагностика определит сокращение расхода в системе рециркуляции отработавших газов.
Условия установки кода неисправности.
- Неисправностей системы рециркуляции отработавших газов нет.
- Число оборотов двигателя в пределах от 1376 до 3104 об./мин.
- Абсолютное давление в коллекторе выше 150 гПа.
- Угол открытия дроссельной заслонки в пределах от 2,341° до 13,122°.
- Напряжение аккумулятора от 10,968 В до 15,640 В.
- Температура воздуха в корпусе дроссельной заслонки -15°C или выше.
- Давление окружающего воздуха 740,04 гПа или выше.
- Разность абсолютных давлений на впуске между закрытым и открытым на 20% положением дроссельной заслонки меньше 2,3 кПа.
- Разность абсолютных давлений на впуске между закрытым и открытым на 50% положением дроссельной заслонки меньше 2,3 кПа.
Действия, выполняемые при установке кода неисправности
- Контрольная лампа индикации неисправности загорается.
- Контроллер записывает рабочие условия в момент определения неисправности. Эта информация сохраняется в буфере записей состояния и протоколах неисправностей.
- Диагностические коды неисправности сохраняются в архиве.
Условия очистки кода неисправности/индикации неисправности
- Лампа индикации неисправности выключается по окончании трех (3) циклов проверки подряд, в которых диагностика выполняется без сбоя.
- Архивный диагностический код неисправности убирается после 40 циклов нагрева без сбоя.
- Диагностический код неисправности может быть очищен сканирующим прибором.
Описание проверки
Нижеприведенный номер относится к номерам этапов из таблицы диагностики.
- Сначала необходимо продиагностировать нарушения датчика МАР. Этот диагностический код неисправности мог установиться вследствие показания перекошенного датчика МАР.
- Нарушение в механической части двигателя может привести к нарушению в работе двигателя, вследствие чего может образоваться низкий вакуум.
DTC P0401 - Рециркуляция отработавших газов, недостаточный расход
| Шаг | Операция | Значения | Да | Нет |
| 1 | Вы провели проверку диагностической системы? | - | Перейти к операции 2 | |
| 2 | - Изучить зарегистрированные данные о сбое для данного кода DTC.
- Выключить зажигание на 30 секунд.
- Запустите двигатель.
- Создать для автомобиля условия появления кода DTC. Можно также создать для автомобиля условия, которые наблюдались на основе зарегистрированных данных о нарушении работы.
Код DTC показал пропуск зажигания? | - | Перейти к операции 3 | |
| 3 | Код DTC P0107 или Р0108 тоже устанавливается? | - | Перейти к соответствующей таблице диагностических кодов неисправности | Перейти к операции 4 |
| 4 | Проверить систему рециркуляции отработавших газов (EGR) на следующее: - Несоответствующий клапан EGR для данного двигателя.
- Утечка вакуума между клапаном EGR и впускным коллектором.
- Признаки утечки снаружи обычно отмечаются образованием нагара вокруг сопряженных поверхностей компонентов или прослушивается шум от выпуска.
- Ограничения в каналах или в клапане EGR, создаваемые нагаром или выбросом пламени.
Неисправность обнаружена и устранена? | - | Перейти к операции 9 | Перейти к операции 5 |
| 5 | Проверить, нет ли утечки или ограничений в проходе у датчика абсолютного давления в коллекторе (МАР). Неисправность обнаружена и устранена? | - | Перейти к операции 9 | Перейти к операции 6 |
| 6 | Проверить систему выпуска отработавших газов на следующее: - Утечка, вызванная повреждением компонентов системы выпуска отработавших газов.
- Ограничения, которые могут вызвать повышенное противодавление и низкий вакуум в двигателе. Ограничения, которые могут быть вызваны установкой оборудования, отличающегося от оборудования, реализуемого в сети магазинов, или повреждением компонентов системы выпуска отработавших газов.
- Изменение в деталях комплектного оборудования (ОЕМ).
Неисправность обнаружена и устранена? | - | Перейти к операции 9 | Перейти к операции 7 |
| 7 | - Заменить клапан EGR.
- Сканирующим прибором обнулить коды DTC.
- Выключить зажигание на 30 секунд.
- Запустите двигатель.
- Создать для автомобиля условия появления кода DTC.
Код DTC показал пропуск зажигания? | - | Перейти к операции 8 | Перейти к операции 10 |
| 8 | Проверить следующее механическое состояние двигателя: - Правильность установки приводного ремня газораспределительного механизма.
- Износ поршневых колец.
- Износ распределительного вала.
- Износ или повреждение прочих компонентов двигателя.
Неисправность обнаружена и устранена? | - | Перейти к операции 9 | |
| 9 | - Сканирующим прибором сбросить коды DTC.
- Выключить зажигание на 30 секунд.
- Запустите двигатель.
- Создать для автомобиля условия появления кода DTC. Можно также создать для автомобиля условия, которые наблюдались на основе зарегистрированных данных о нарушении работы.
Код DTC показал пропуск зажигания? | - | Перейти к операции 2 | Перейти к операции 10 |
| 10 | Проверьте, не установлены ли дополнительные диагностические коды неисправности. Отображены ли диагностические коды неисправности, которые не были продиагностированы? | - | Перейти к соответствующей таблице диагностических кодов неисправности | Система в норме |
Диагностический код неисправности P0402
Рециркуляция отработавших газов, избыточный расход
Описание схемы
Система рециркуляции отработавших газов используется для снижения уровня выброса оксида азота (NOx), вызываемого высокой температурой сгорания. Она осуществляет это путем подачи небольшого количества отработавших газов обратно в камеру сгорания. При соединении воздушно-топливной смеси с отработавшими газами, температура сгорания понижается.
В данной системе используется электрический клапан системы рециркуляции отработавших газов. Электрический клапан рециркуляции отработавших газов предназначен для точной подачи отработавших газов в двигатель без расходования вакуума во впускном коллекторе. Клапан контролирует расход выхлопных газов с помощью иглы, управляемой контроллером ЭСУД, которая входит во впускной коллектор из выпускного коллектора через дроссельное отверстие. ЭСУД управляет положением иглы, используя входы датчика положения дросселя и датчиков абсолютного давления во впускном коллекторе. Затем ЭСУД выдает команду на срабатывание при необходимости клапана системы рециркуляции отработанных газов путем управления сигналом зажигания через контроллер ЭСУД. Это можно контролировать на сканирующем приборе как желаемое положение системы рециркуляции отработавших газов.
ЭСУД контролирует результат выполнения своей команды по ответному сигналу. При опорном сигнале 5 В и замыкании "массы" на клапане рециркуляции отработавших газов, сигнал, представляющий положение иглы клапана рециркуляции отработавших газов, выдается в ЭСУД. Данный сигнал обратной связи также контролируется на сканирующем приборе и отображает действительное положение иглы клапана рециркуляции отработавших газов. Действительное положение клапана рециркуляции отработавших газов всегда должно быть в пределах задаваемого или желаемого положения.
Данный диагностический код неисправности определит, открыт ли клапан рециркуляции при повороте коленчатого вала. Время поворота коленвала может быть избыточным при открытом клапане рециркуляции.
Условия установки кода неисправности.
- Неисправностей системы рециркуляции отработавших газов нет.
- Число оборотов двигателя в пределах от 1376 до 3104 об./мин.
- Абсолютное давление в коллекторе выше 150 гПа.
- Угол открытия дроссельной заслонки в пределах от 2,341° до 13,122°.
- Напряжение аккумулятора от 10,968 В до 15,640 В.
- Температура воздуха в корпусе дроссельной заслонки -15°C или выше.
- Давление окружающего воздуха 740,04 гПа или выше.
- Разность абсолютных давлений на впуске между закрытым и открытым на 20% положением дроссельной заслонки больше 3,5 кПа.
- Коэффициент отношения абсолютных давлений на впуске меньше 0,57.
Действия, выполняемые при установке кода неисправности
- Контрольная лампа индикации неисправности загорается.
- Контроллер записывает рабочие условия в момент определения неисправности. Эта информация сохраняется в буфере записей состояния и протоколах неисправностей.
- Сохраняется архив диагностических кодов неисправности.
Условия очистки кода неисправности/индикации неисправности
- Лампа индикации неисправности выключается по окончании трех (3) циклов проверки подряд, в которых диагностика выполняется без сбоя.
- Архивный диагностический код неисправности убирается после 40 циклов нагрева без сбоя.
- Диагностический код неисправности может быть очищен сканирующим прибором.
Диагностическая информация
Вследствие влаги, присущей системам выхлопа, клапан рециркуляции может замерзать при холодной погоде. После постановки автомобиля в теплое помещение для ремонта, клапан отогревается и проблема исчезает. Неисправность может быть легко подтверждена путем наблюдения за действительным и желаемым положением клапана рециркуляции на холодном автомобиле с помощью сканирующего прибора. Проверьте информацию буфера записи состояний (температуру охлаждающей жидкости двигателя) для того, чтобы определить, выставился ли код неисправности, когда автомобиль находился в холодном состоянии.
Описание проверки
Нижеприведенный номер относится к номерам этапов из таблицы диагностики.
- Сначала необходимо продиагностировать нарушения датчика МАР. Этот диагностический код неисправности мог установиться вследствие показания перекошенного датчика МАР.
- Нарушение в механической части двигателя может привести к нарушению в работе двигателя, вследствие чего может образоваться низкий вакуум.
DTC P0402 - Рециркуляция отработавших газов, слишком большой расход
| Шаг | Операция | Значения | Да | Нет |
| 1 | Вы провели проверку диагностической системы? | - | Перейти к операции 2 | |
| 2 | - Изучить зарегистрированные данные о сбое для данного кода DTC.
- Выключить зажигание на 30 секунд.
- Запустите двигатель.
- Создать для автомобиля условия появления кода DTC. Можно также создать для автомобиля условия, которые наблюдались на основе зарегистрированных данных о нарушении работы.
Код DTC показал пропуск зажигания? | - | Перейти к операции 3 | |
| 3 | Код DTC P0107 или Р0108 тоже устанавливается? | - | Перейти к соответствующей таблице диагностических кодов неисправности | Перейти к операции 4 |
| 4 | Проверить систему рециркуляции отработавших газов (EGR) на следующее: - Несоответствующий клапан EGR для данного двигателя.
- Утечка вакуума между клапаном EGR и впускным коллектором.
- Признаки утечки снаружи обычно отмечаются образованием нагара вокруг сопряженных поверхностей компонентов или прослушивается шум от выпуска.
- Ограничения в каналах или в клапане EGR, создаваемые нагаром или выбросом пламени.
Неисправность обнаружена и устранена? | - | Перейти к операции 9 | Перейти к операции 5 |
| 5 | Проверить, нет ли утечки или ограничений в проходе у датчика абсолютного давления в коллекторе (МАР). Неисправность обнаружена и устранена? | - | Перейти к операции 9 | Перейти к операции 6 |
| 6 | Проверить систему выпуска отработавших газов на следующее: - Утечка, вызванная повреждением компонентов системы выпуска отработавших газов.
- Ограничения, которые могут вызвать повышенное противодавление и низкий вакуум в двигателе. Ограничения, которые могут быть вызваны установкой оборудования, отличающегося от оборудования, реализуемого в сети магазинов, или повреждением компонентов системы выпуска отработавших газов.
- Изменение в деталях комплектного оборудования (ОЕМ).
Неисправность обнаружена и устранена? | - | Перейти к операции 9 | Перейти к операции 7 |
| 7 | - Заменить клапан EGR.
- Сканирующим прибором обнулить коды DTC.
- Выключить зажигание на 30 секунд.
- Запустите двигатель.
- Создать для автомобиля условия появления кода DTC.
Код DTC показал пропуск зажигания? | - | Перейти к операции 8 | Перейти к операции 10 |
| 8 | Проверить следующее механическое состояние двигателя: - Правильность установки приводного ремня газораспределительного механизма.
- Износ поршневых колец.
- Износ распределительного вала.
- Износ или повреждение прочих компонентов двигателя.
Неисправность обнаружена и устранена? | - | Перейти к операции 9 | |
| 9 | - Сканирующим прибором сбросить коды DTC.
- Выключить зажигание на 30 секунд.
- Запустите двигатель.
- Создать для автомобиля условия появления кода DTC. Можно также создать для автомобиля условия, которые наблюдались на основе зарегистрированных данных о нарушении работы.
Код DTC показал пропуск зажигания? | - | Перейти к операции 2 | Перейти к операции 10 |
| 10 | Проверьте, не установлены ли дополнительные диагностические коды неисправности. Отображены ли диагностические коды неисправности, которые не были продиагностированы? | - | Перейти к соответствующей таблице диагностических кодов неисправности | Система в норме |
 | |  | |