ТЕХНИЧЕСКОЕ ОБСЛУЖИВАНИЕ И РЕМОНТ
ТЕХНИЧЕСКОЕ ОБСЛУЖИВАНИЕ БЕЗ ДЕМОНТАЖА С АВТОМОБИЛЯ



Процедура проверки уровня жидкости коробки передач с главной передачей в сборе
- Произвести парковку автомобиля на плоской горизонтальной поверхности.
- Дать автомобилю поработать, чтобы температура рабочей жидкости КПП достигла нормального рабочего диапазона.
Примечание: Нормальная температура коробки передач с главной передачей в сборе: 70-80 °C (158-176 °Ф)
- Двигатель работает на холостых оборотах. Произвести ручное переключение передач по всем диапазонам коробки передач с главной передачей в сборе и вернуться обратно в положение PARK (СТОЯНКА). Оставить двигатель работать на холостых оборотах.



- Вывернуть болт крепления указателя уровня рабочей жидкости КПП.
- Снять указатель уровня рабочей жидкости КПП.
- Стереть все следы рабочей жидкости КПП с указателя.
- Вставить указатель в коробку передач с главной передачей в сборе до полной посадки.
Важно: Проверка уровня рабочей жидкости КПП при ненормальной температуре может дать неправильное значение измерения. Рабочая жидкость КПП при нагреве расширяется.
- Извлечь указатель и проверить уровень и состояние жидкости на указателе:
- Уровень жидкости КПП при нормальной рабочей температуре (1).
- Уровень жидкости КПП, если холодно (2).



- Если уровень жидкости неправильный, проверить наличие следующих условий:
- Жидкость ниже уровня, проверить на наличие утечки и долить жидкость через место расположения указателя уровня жидкости
- Жидкость выше уровня, коробка передач с главной передачей в сборе переполнена
- Необходимо слить часть жидкости через сливную пробку. Проверить уровень жидкости.
Важно: При доливке жидкости или полной смене жидкости всегда использовать ESSO JWS 3309 US ATF.



- Установить указатель уровня жидкости и болт.
Затянуть
Затянуть болт крепления указателя уровня жидкости моментом 10 Н•м (89 фунт-дюймов).



Смена рабочей жидкости коробки передач с главной передачей в сборе
Порядок снятия
- Приподнимите автомобиль и установите его на предусмотренные для этого опоры.
- Вывернуть сливную пробку и слить жидкость. Для полного слива жидкости требуется не менее 5 минут.
- Демонтировать прокладку со сливной пробки и выбросить.



Порядок установки
- Установить новую прокладку на сливную пробку.
- Установить сливную пробку на место.
Затянуть
Затянуть пробку сливного отверстия моментом 40 Н•м (30 фунтов на фут).
- Автомобиль должен находиться на ровной поверхности.



- Вывернуть болт крепления указателя уровня жидкости и снять указатель.
Важно: Всегда использовать ESSO JWS 3309 US ATF.
Важно: Для проверки уровня жидкости или доливки жидкости не выворачивать анкерный болт, расположенный на верхней части коробки передач с главной передачей в сборе. Выворачивание болта приведет к смещению внутренних компонентов и необходимости снятия с автомобиля коробки передач с главной передачей в сборе и разборки ее для ремонта.
- Доливать рабочую жидкость КПП в коробку передач с главной передачей в сборе следует через место расположения указателя уровня жидкости.
- Запустить двигатель и дать автомобилю поработать до тех пор, пока температура рабочей жидкости КПП не достигнет 70-80 °C (158-176 °Ф).



- Включить стояночный тормоз.
- Нажать педаль тормоза и медленно переместить рычаг механизма выбора передач через все диапазоны передач от диапазона PARK (P) до диапазона LOW, задерживаясь примерно на 3 секунды в каждом диапазоне. Вернуть рычаг механизма выбора передач в диапазон PARK (P) при условии холостых оборотов.
- Снова вытащить датчик уровня и убедиться, что уровень жидкости находится в диапазоне HOT (ГОРЯЧИЙ).
- Установить указатель уровня жидкости.



Регулировка троса управления переключением
Процедура регулировки
- Переместить рычаг переключения передач в положение N (НЕЙТРАЛЬ).
Важно: Трос управления переключением должен быть отсоединен от рычага переключателя диапазонов АКПП до того, как он будет отсоединен от кронштейна троса управления. В противном случае валу ручного переключения передач может быть причинено повреждение, требующее разборки коробки передач с главной передачей в сборе.
- Отсоединить трос привода механизма переключения от рычага переключателя диапазонов.
- Отсоединить трос привода механизма переключения от кронштейна троса управления, отжав выступы фиксирующего хомута троса управления и выдернув его вверх. Выбросить хомут.



- Освободить фиксатор регулировки троса управления переключением в сборе.
- Сдвинуть черный выступ назад.



- Вставить отвертку в паз под белым выступом и потянуть вверх за белый выступ.



- Установить трос управления переключением в кронштейн троса управления переключением. Закрепить новый фиксирующий хомут троса управления переключением. При правильной установке раздастся щелчок.
- Установив рычаг переключателя диапазонов АКПП на нейтраль(N), защелкнуть концевое соединение троса на шпильку с шаровым наконечником на рычаге переключателя диапазонов АКПП. При правильной установке раздастся щелчок.



- Зафиксировать выступ регулировки троса управления.
- Вдавить белый выступ, закрепив его на месте.



- Надвинуть черный выступ на белый выступ и зафиксировать на месте.
- Убедиться в правильности работы.



Трос управления переключением
Порядок снятия
- Снять аккумуляторную батарею и полку. См. Раздел 1E, Электрическая система двигателя.
- Снять корпус воздушного фильтра.
- Снять напольную консоль. См. Раздел 9G, Облицовка салона.
- Включить стояночный тормоз.
- Перевести рычаг переключения передач в положение N (НЕЙТРАЛЬ).



- Снять фиксирующий хомут (1)троса управления переключением и трос (2) с рычага управления переключением в сборе.



Важно: Трос управления переключением должен быть отсоединен от рычага переключателя диапазонов АКПП до того, как он будет отсоединен от кронштейна троса управления. В противном случае валу ручного переключения передач может быть причинено повреждение, требующее разборки коробки передач с главной передачей в сборе.
- Отсоединить трос привода механизма переключения от рычага переключателя диапазонов.
- Отсоединить трос привода механизма переключения от кронштейна троса управления, отжав выступы фиксирующего хомута троса управления и выдернув его вверх. Выбросить хомут.



- Снять трос управления переключением с передней панели.
- Снять трос привода с автомобиля.



Порядок установки
- Проложить трос управления переключением через кронштейн троса.
- Закрепить трос на кронштейне новым фиксирующим хомутом троса управления. При правильной установке раздастся щелчок.
- Установив рычаг переключателя диапазонов АКПП на нейтраль(N), установить концевое соединение троса управления переключением на шпильку с шаровым наконечником на рычаге переключателя диапазонов АКПП. При правильной установке троса раздастся щелчок.



- Закрепить изолирующую втулку троса управления переключением, вдавив трос в проходное отверстие в передней панели.



- Убедиться, чтобы рычаг переключения передач находился в нейтральном положении (N).
- Соединить трос привода механизма переключения с рычагом переключения передач. Закрепить трос новым фиксирующим хомутом троса управления переключением (1).
- Установить трос управления переключением на рычаг переключения передач.
- Отрегулировать трос управления переключением. См. "Регулировка троса управления переключением" в данном разделе.



- Установить переднюю консоль. См. Раздел 9G, Облицовка салона.
- Установить корпус воздушного фильтра.
- Установить аккумуляторную батарею и полку аккумуляторной батареи. См. Раздел 1E, Электрическая система двигателя.



Рычаг управления переключением в сборе
Порядок снятия
- Отсоединить провод от отрицательного вывода аккумуляторной батареи.
- Снять напольную консоль. См. Раздел 9G, Облицовка салона.
- Отсоединить разъемы электрической разводки.
- Снять фиксирующий хомут (1) троса управления переключением и трос управления переключением (2) с рычага управления переключением в сборе.



- Вывернуть крепежные болты рычага переключения передач в сборе и снять рычаг управления переключением в сборе.



Порядок установки
- Установить крепежные болты рычага переключения передач в сборе.
Затянуть
Затянуть крепежные болты рычага переключения передач в сборе моментом 8 Н•м (71 фунт-дюйм).



- Установить трос (2) на рычаг управления переключением в сборе и закрепить трос новым фиксирующим хомутом (1) троса управления переключением.
- Отрегулировать трос. См. "Регулировка троса управления переключением" в данном разделе.
- Соединить разъемы электрической разводки.
- Установить напольную консоль. См. Раздел 9G, Облицовка салона.
- Присоедините провод к отрицательному выводу аккумуляторной батареи.



Рукоятка управления переключением
Порядок снятия
- Включить стояночный тормоз.
- Переместить рычаг переключения передач назад в положение одной из низших передач.
- Вывернуть два болта.
- Снять рукоятку с рычага переключения передач.



Порядок установки
- Установить рукоятку и болты на рычаг переключения передач.
Затянуть
Затянуть болты рукоятки управления переключением моментом 2 Н•м (18 фунт-дюймов).
- Перевести рычаг переключения передач в положение PARK (ПАРКОВКА).



Переключатель диапазонов КПП
Необходимое оборудование
J-45404 Приспособление для юстировки коробки передач с указателем
Порядок снятия
- Снять аккумуляторную батарею и полку. См. Раздел 1E, Электрическая система двигателя.
- Снять корпус воздушного фильтра.
Важно: Вал ручного переключения коробки передач с главной передачей в сборе должен находиться в нейтральном положении (N) до того, как переключатель будет установлен на место.
- Включить парковочный тормоз и установить рычаг механизма выбора передач в нейтральное положение (N).



- Отсоединить электрический разъём (1) переключателя диапазонов АКПП и электрический разъём коробки передач с главной передачей в сборе (2).
- Отсоединить трос от рычага переключателя диапазонов АКПП. См. "Трос привода механизма переключения" в этом разделе.



- Снять гайку рычага переключателя диапазонов АКПП и рычаг.



- Отверткой отогнуть выступы пружинной шайбы вниз от гайки вала ручного переключения.



- Снять гайку, разрезную стопорную шайбу и плоскую шайбу.



- Вывернуть болты крепления переключателя диапазонов АКПП.
- Снять переключатель диапазонов АКПП.



Порядок установки
- Установить переключатель диапазонов АКПП на рычаг вала ручного переключения.
- Вкрутить болты. Затяжку при этом выполнять ТОЛЬКО руками.



- Установить плоскую шайбу, разрезную стопорную шайбу и гайку.
Затянуть
Затянуть гайку переключателя диапазонов АКПП моментом 7 Н•м (62 фунт-дюйма).
- Убедиться, что вал ручного переключения находится в нейтральном положении (N).



- Загнуть выступы стопорной шайбы вверх, чтобы зафиксировать гайку.



- Установить J-45404 на вал ручного переключения и вращать переключатель диапазонов АКПП до тех пор, пока базовая линия нейтральной передачи на переключателе не выровняется с линией указателя на J-45404.
- Затянуть болты переключателя диапазонов АКПП.
Затянуть
Затянуть болты переключателя диапазонов АКПП моментом 25 Н•м (18 фунт-футов).
- Снять J-45404 с вала ручного переключения.



- Установить рычаг переключателя диапазонов АКПП и гайку.
Затянуть
Затянуть гайку рычага переключателя диапазонов АКПП моментом 16 Н•м (12 фунт-футов).



- Установить трос на рычаг переключателя диапазонов АКПП и отрегулировать трос. См. "Трос привода механизма переключения" в этом разделе.
- Соединить электрический разъем (1, 2).



- Установить корпус воздушного фильтра.
- Установить аккумуляторную батарею и полку аккумуляторной батареи. См. Раздел 1E, Электрическая система двигателя.
- После регулировки переключателя диапазонов АКПП убедиться, что двигатель запускается только в положении СТОЯНКА (P) или НЕЙТРАЛЬ (N). Если двигатель запускается в каком-либо другом положении, повторно отрегулировать переключатель.



Регулировка переключателя диапазонов АКПП
Необходимое оборудование
J-45404 Приспособление для юстировки коробки передач с указателем
Процедура регулировки
- Снять аккумуляторную батарею и полку. См. Раздел 1E, Электрическая система двигателя.
- Снять корпус воздушного фильтра.
- Перевести рычаг управления переключением в нейтральное положение (N).
- Снять трос управления переключением с рычага переключателя диапазонов АКПП.



- Ослабить болты переключателя диапазонов АКПП.



- Установить J-45404 на вал ручного переключения и вращать переключатель диапазонов АКПП до тех пор, пока базовая линия нейтральной передачи на переключателе не выровняется с линией указателя на J-45404.
- Затянуть болты переключателя диапазонов АКПП.
Затянуть
Затянуть болты переключателя диапазонов АКПП моментом 25 Н•м (18 фунт-футов).
- Снять J-45404 с вала ручного переключения.



- Установить трос управления переключением на рычаг переключателя диапазонов АКПП и отрегулировать трос. См. "Трос привода механизма переключения" в этом разделе.
- Установить корпус воздушного фильтра.
- Установить аккумуляторную батарею и полку аккумуляторной батареи. См. Раздел 1E, Электрическая система двигателя.
- После регулировки переключателя диапазонов коробки передач убедиться, что двигатель запускается только в положении СТОЯНКА (P) или НЕЙТРАЛЬ (N). Если двигатель запускается в каком-либо другом положении, повторно отрегулировать переключатель.



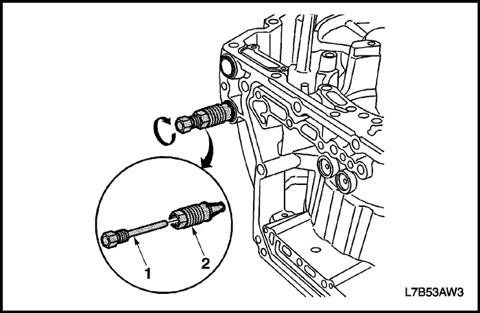
Датчик скорости первичного вала
Порядок снятия
- Отсоединить провод от отрицательного вывода аккумуляторной батареи.
- Снять корпус воздушного фильтра.
- Снять электрический разъём (3)датчика скорости первичного вала с датчика скорости первичного вала.



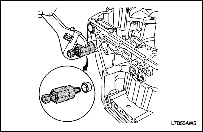
- Вывернуть болт крепления датчика скорости первичного вала.
- Снять датчик скорости первичного вала с коробки передач с главной передачей в сборе.
- Снять уплотнительное кольцо датчика скорости первичного вала. Выбросить уплотнительное кольцо.



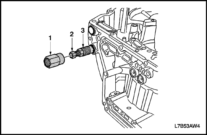
Порядок установки
- Смазать уплотнительное кольцо датчика скорости первичного вала рабочей жидкостью КПП.
- Установить новое уплотнительное кольцо датчика скорости первичного вала на датчик скорости первичного вала.
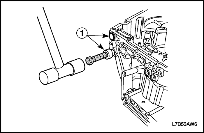
- Установить датчик скорости первичного вала в коробку передач с главной передачей в сборе.
- Установить болт крепления датчика скорости первичного вала.
Затянуть
Затянуть болт крепления датчика скорости первичного вала моментом 6 Н•м (53 фунт-дюйма).



- Подсоединить электрический разъём (3) к датчику скорости первичного вала.
- Установить корпус воздушного фильтра.
- Присоедините провод к отрицательному выводу аккумуляторной батареи.



Датчик скорости вторичного вала
Порядок снятия
- Отсоединить провод от отрицательного вывода аккумуляторной батареи.
- Снять корпус воздушного фильтра.
- Снять электрический разъём (4) датчика скорости вторичного вала с датчика скорости вторичного вала.



- Вывернуть болт крепления датчика скорости вторичного вала.
- Снять датчик скорости вторичного вала с коробки передач с главной передачей в сборе.
- Снять уплотнительное кольцо датчика скорости вторичного вала. Выбросить уплотнительное кольцо.



Порядок установки
- Смазать уплотнительное кольцо датчика скорости вторичного вала рабочей жидкостью КПП.
- Установить новое уплотнительное кольцо датчика скорости вторичного вала на датчик скорости вторичного вала.
- Установить датчик скорости вторичного вала в коробку передач с главной передачей в сборе.
- Установить болт крепления датчика скорости вторичного вала.
Затянуть
Затянуть болт крепления датчика скорости вторичного вала моментом 6 Н•м (53 фунт-дюйма).



- Подсоединить электрический разъём (4) к датчику скорости вторичного вала.
- Установить корпус воздушного фильтра.
- Присоедините провод к отрицательному выводу аккумуляторной батареи.



Контроллер КПП
Порядок снятия
- Отсоединить провод от отрицательного вывода аккумуляторной батареи.
- Отсоединить электрические разъемы контроллера КПП.
- Снять контроллер КПП (TCM) и гайки.



Порядок установки
- Установить гайки крепления контроллера КПП.
Затянуть
Затянуть гайки крепления контроллера КПП моментом 15 Н•м (11 фунт-футов).
- Соединить электрические разъемы.
- Присоедините провод к отрицательному выводу аккумуляторной батареи.



Трубопровод масляного радиатора в сборе
Порядок снятия
- Приподнять автомобиль и установить его на предусмотренные для этого опоры.
- Установить поддон или подходящий контейнер под автомобиль.
- Снять болт крепления впускной трубки к радиатору.



- Вывернуть болт патрубка выпускной трубы и болт крепления скобы выпускной трубы из радиатора.
- На дизеле 2.0S отсоединить от радиатора масляные шланги.



- Вывернуть болт крепления трубопровода масляного радиатора в сборе из коробки передач с главной передачей в сборе.
- Снять трубопровод масляного радиатора в сборе.
- Заменить уплотнения трубопровода масляного радиатора коробки передач с главной передачей в сборе. См. "Уплотнения трубопровода масляного радиатора" в этом разделе.



Порядок установки
- Установить трубопровод масляного радиатора в сборе в коробку передач с главной передачей в сборе.
- Установить болт крепления трубопровода масляного радиатора в сборе.
Затянуть
Затянуть болт крепления трубопровода масляного радиатора в сборе моментом 10 Н•м (89 фунт-дюймов).



- Установить болт патрубка выпускной трубы и болт крепления скобы выпускной трубы в радиатор.
Затянуть
Затянуть болт патрубка выпускной трубы (1) моментом 33 Н•м (24 фунт-фута).
Затянуть болт крепления скобы выпускной трубы (2) моментом 9 Н•м (80 фунт-дюймов).



- Установить болт патрубка впускной трубы в радиатор.
Затянуть
Затянуть болт патрубка впускной трубы моментом 33 Н•м (24 фунт-фута).
- На дизеле 2.0S присоединить к радиатору масляные шланги.
- Опустить автомобиль.
- Долить жидкость в коробку передач с главной передачей в сборе.
- Проверить уровень жидкости. См. "Процедура проверки жидкости коробки передач с главной передачей в сборе" в данном разделе.



Уплотнения трубопровода масляного радиатора
Необходимое оборудование
J-41239-1 Приспособление для установки уплотнений трубопровода радиатора
J-45201 Съемник уплотнений трубопровода радиатора
Порядок снятия
- Приподнять автомобиль и установить его на предусмотренные для этого опоры.
- Установить поддон или подходящий контейнер под автомобиль.
- Снять трубопровод масляного радиатора в сборе с коробки передач с главной передачей в сборе. См. "Трубопровод масляного радиатора в сборе" в этом разделе.



Важно: Убедиться, что J-45201 полностью посажен в отверстие уплотнения коробки передач с главной передачей в сборе.
- Вставить цанговую часть (2) съемника J-45201 в уплотнение трубопровода радиатора.
- Вставить нажимной болт (1) съемника J-45201 в цанговую часть (2).
- Затянуть нажимной болт (1) до плотного прилегания.



- Навернуть втулочную часть (1) съемника J-45201 на цангу (3) до плотного прилегания.



- Повернуть втулку по часовой стрелке, чтобы удалить уплотнение трубопровода радиатора.
- Выбросить уплотнение.
- Очистить отверстия в корпусе для уплотнений трубопровода радиатора.



Порядок установки
- Вставить 2 новых уплотнения (1) трубопровода радиатора коробки передач с главной передачей в сборе в отверстия в корпусе.
- Снять утолщение с J-41239-1.
- Установить утолщение инструмента J-41239-1 на уплотнения трубопровода радиатора коробки передач с главной передачей в сборе.
- Легкими ударами забить 2 новых уплотнения (1) трубопровода радиатора коробки передач с главной передачей в сборе в отверстия в корпусе.



- Установить трубопровод масляного радиатора в сборе. См. "Трубопровод масляного радиатора в сборе" в этом разделе.
- Опустить автомобиль.
- Долить жидкость в коробку передач с главной передачей в сборе.
- Проверить уровень жидкости. См. "Процедура проверки жидкости коробки передач с главной передачей в сборе" в данном разделе.



Левый кронштейн подвески коробки передач с главной передачей в сборе
Необходимое оборудование
DW110-060 Кронштейн для подвески двигателя
Порядок снятия
- Снять корпус воздушного фильтра.
- Установить DW110-060.
- Опереть КПП на домкрат.



- Вывернуть три болта левого кронштейна подвески коробки передач с главной передачей в сборе.
- Вывернуть болт и гайку крепления рамы кронштейна подвески коробки передач с главной передачей в сборе.
- Снять кронштейн левой подвески КПП.



Порядок установки
- Установить левый кронштейн подвески коробки передач с главной передачей в сборе и вкрутить три болта крепления кронштейна подвески коробки передач с главной передачей в сборе.
Затянуть
Затянуть три болта крепления левого кронштейна подвески коробки передач с главной передачей в сборе моментом 40 Н•м (30 фунт-футов).
- Установить болт и гайку крепления рамы кронштейна подвески коробки передач с главной передачей в сборе.
Затянуть
Затянуть болт и гайку крепления рамы кронштейна подвески коробки передач с главной передачей в сборе моментом 65 Н•м (48 фунт-футов).



- Снять DW110-060.
- Установить корпус воздушного фильтра.



Коробка передач с главной передачей в сборе
Необходимое оборудование
DW110-060 Кронштейн для подвески двигателя
Порядок снятия
- Снять аккумуляторную батарею и полку. См. раздел 1E1, "Электрическая часть двигателя" или раздел 1E2, "Электрическая часть двигателя - дизель 2.0".
- Слить рабочую жидкость коробки передач. См. "Смена рабочей жидкости КПП" в этом разделе.
- Снять корпус воздушного фильтра.
- Снять кронштейн контроллера ЭСУД. См. раздел 1F1, "Органы управления двигателем" или раздел 1F2, "Органы управления двигателем - дизель 2.0".



- Отсоединить трос привода механизма переключения от КПП. См. "Трос привода механизма переключения" в этом разделе.



- Отсоединить электрический разъём (1) переключателя диапазонов КПП.
- Отсоединить электрический разъём (2) разводки коробки передач с главной передачей в сборе.
- Отсоединить электрический разъём (3) датчика скорости первичного вала и электрический разъём датчика скорости вторичного вала (4).



- Вывернуть два верхних болта крепления коробки передач с главной передачей в сборе к двигателю.
- Снять стартер. См. раздел 1E1, "Электрическая часть двигателя" или раздел 1E2, "Электрическая часть двигателя - дизель 2.0".



- Установить DW110-060.
- Приподнять автомобиль и установить его на предусмотренные для этого опоры.
- Снять защиту картера двигателя. См. "Раздел 9N, рама и нижняя часть кузова".



- Снять центральный элемент. См. Раздел 2C, "Передняя подвеска".
- Снять ударную штангу. См. Раздел 2C, "Передняя подвеска".
- Снять приемную трубу глушителя. См. раздел 1G1, "Система выпуска отработавших газов" или раздел 1G2, "Система выпуска отработавших газов - дизель 2.0".



- Снять кронштейн втулки переднего демпфера.
- Отсоединить передний мост. См. Раздел 3А, Привод автоматической коробки передач.



- Снять трубопровод масляного радиатора с коробки передач с главной передачей в сборе. См. "Трубопровод масляного радиатора в сборе" в этом разделе.



- Вывернуть шесть болтов крепления маховика к гидротрансформатору. На дизеле 2.0S открутить болты после снятия пластиковой крышки.



- Выкрутить болты крепления заднего кронштейна подвески КПП.



- Опереть коробку передач с главной передачей в сборе на домкрат.



- Вывернуть болты крепления фланца масляного поддона к коробке передач с главной передачей в сборе.



- Вывернуть левые нижние болты крепления двигателя к коробке передач с главной передачей в сборе возле края заднего кронштейна подвески коробки передач с главной передачей в сборе.



- Вывернуть правые нижние болты крепления двигателя к коробке передач с главной передачей в сборе возле кронштейна втулки переднего демпфера.



- Вывернуть болты крепления левого кронштейна подвески коробки передач с главной передачей в сборе. См. "Левый кронштейн крепления коробки передач" в данном разделе.



- Аккуратно снять коробки передач с главной передачей в сборе с автомобиля.



Порядок установки
- Установить коробку передач с главной передачей в сборе в автомобиль и опереть коробку передач с главной передачей в сборе на домкрат.



- Установить болты крепления левого кронштейна подвески коробки передач с главной передачей в сборе. См. "Левый кронштейн крепления коробки передач" в данном разделе.



- Установить правые нижние болты крепления двигателя к коробке передач с главной передачей в сборе возле кронштейна втулки переднего демпфера.
Затянуть
Затянуть правые нижние болты крепления двигателя к коробке передач с главной передачей в сборе моментом 73 Н•м (54 фунт-футов).



- Установить левые нижние болты крепления двигателя к коробке передач с главной передачей в сборе возле края заднего кронштейна подвески коробки передач с главной передачей в сборе.
Затянуть
Затянуть левые нижние болты крепления двигателя к коробке передач с главной передачей в сборе моментом 73 Н•м (54 фунт-футов).



- Установить болты крепления фланца масляного поддона к коробке передач с главной передачей в сборе.
Затянуть
- На двигателе XK6: затянуть болты крепления фланца масляного поддона к коробке передач с главной передачей в сборе с моментом 31 Н•м (23 фунт-фута).
- На дизеле 2.0S: затянуть болты крепления фланца масляного поддона к коробке передач с главной передачей в сборе с моментом 50 Н•м (37 фунт-футов).



- Вкрутить болты крепления заднего кронштейна подвески КПП.
Затянуть
- На двигателе XK6: затянуть болты кронштейна задней подвески коробки передач с главной передачей в сборе с моментом 65 Н•м (48 фунт-футов).
- На дизеле 2.0S: затянуть болты кронштейна задней подвески коробки передач с главной передачей в сборе с моментом 90 Н•м (66 фунт-футов).



- Установить болты крепления маховика к гидротрансформатору.
Затянуть
- Затянуть болты крепления маховика к гидротрансформатору моментом 45 Н•м (33 фунт-фута).
- На дизеле 2.0S: закрутить болты и установить пластиковую крышку.



- Установить верхние болты крепления коробки передач к двигателю.
Затянуть
Затянуть верхние болты крепления коробки передач к двигателю моментом 73 Н•м (54 фунт-фута).



- Установить трубопровод масляного радиатора в коробку передач с главной передачей в сборе. См. "Трубопровод масляного радиатора в сборе" в этом разделе.
- Установить стартер. См. раздел 1E1, "Электрическая часть двигателя" или раздел 1E2, "Электрическая часть двигателя - дизель 2.0".



- Установить болты крепления кронштейна втулки переднего демпфера и кронштейн.
Затянуть
Затянуть болты крепления кронштейна втулки переднего демпфера моментом 65 Н•м (48 фунт-футов).
- Подключить передний мост. См. Раздел 3А, Привод автоматической коробки передач.



- Установить приемную трубу глушителя. См. раздел 1G1, "Система выпуска отработавших газов" или раздел 1G2, "Система выпуска отработавших газов - дизель 2.0".
- Установить ударную штангу. См. Раздел 2C, "Передняя подвеска".
- Установить центральный элемент. См. Раздел 2C, "Передняя подвеска".
- Установить защиту картера двигателя. См. "Раздел 9N, рама и нижняя часть кузова".



- Опустить автомобиль.
- Снять DW110-060 с двигателя.



- Установить электрический разъем (1) переключателя диапазонов АКПП.
- Отсоединить электрический разъём (2) разводки коробки передач с главной передачей в сборе.
- Отсоединить электрический разъём (3) датчика скорости первичного вала и электрический разъём датчика скорости вторичного вала (4).



- Установить трос управления переключением в коробку передач с главной передачей в сборе. См. "Трос привода механизма переключения" в этом разделе.
- Отрегулировать трос управления переключением. См. "Регулировка троса управления переключением" в данном разделе.



- Установить кронштейн контроллера ЭСУД. См. раздел 1F1, "Органы управления двигателем" или раздел 1F2, "Органы управления двигателем - дизель 2.0".
- Установить корпус воздушного фильтра.
- Снять аккумуляторную батарею и полку. См. раздел 1E1, "Электрическая часть двигателя" или раздел 1E2, "Электрическая часть двигателя - дизель 2.0".
- Долить жидкость в коробку передач с главной передачей в сборе.
- Проверить уровень жидкости. См. "Процедура проверки жидкости коробки передач с главной передачей в сборе" в данном разделе.
 | |  | |