ЭЛЕКТРИЧЕСКАЯ СХЕМА ИСТОЧНИКОВ ЭЛЕКТРОПИТАНИЯ
Цепь замка зажигания Шевроле Авео




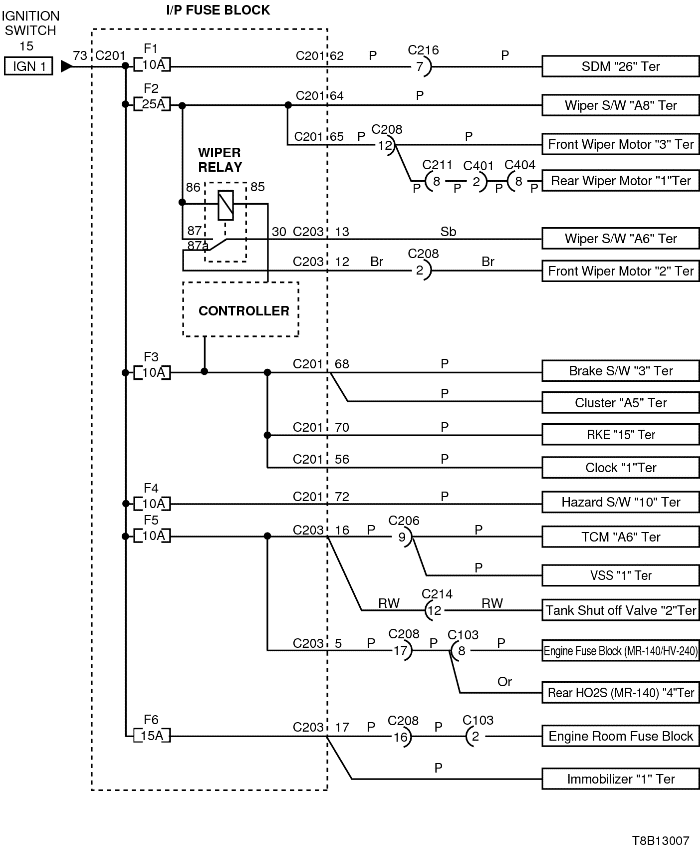
ЦЕПЬ КОНТРОЛЛЕРА (БЛОК ПРЕДОХРАНИТЕЛЕЙ НА ПРИБОРНОЙ ПАНЕЛИ)


3. КЛЕММА 15 «IGN1», 15C «ACC», 15A «IGN2» ЦЕПИ ЭЛЕКТРОПИТАНИЯ (БЛОК ПРЕДОХРАНИТЕЛЕЙ НА ПРИБОРНОЙ ПАНЕЛИ)


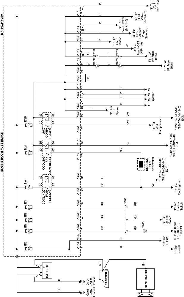
4. ЦЕПЬ БЛОКА ПРЕДОХРАНИТЕЛЕЙ И РЕЛЕ В МОТОРНОМ ОТСЕКЕ






❤️ Поддержка проекта «Мой Лачетти»
Если материал был полезен — поддержите проект любой суммой. Ваша поддержка помогает чаще выпускать полезные и подробные материалы.
💳 Банковская карта (ПриватБанк): 5168752006675725
✅ ЮMoney: 410012024846042
🔵 WebMoney: Z383535233634
🟢 USDT (TRC20): TBCFwfbAgvPTBfz7n14EAU2VgtdW4vwLt7







