С первого взгляда может показаться, что читать электрические схемы довольно сложно. Но это не совсем так. В этой статье ответим на вопрос — как читать электрические схемы автомобиля.
Особенно сложно даётся новичкам чтение схем иностранных автомобилей, потому что сразу бросают в ступор аббревиатуры на английском языке и непонятные условные обозначения.
Как читать электрические схемы автомобиля
Но не стоит сразу пугаться и отказываться от цели разобраться в схеме. Достаточно потратить несколько минут на изучение справочной информации и потихоньку всё встанет на свои места, а электрическая схема уже не будет казаться чем-то страшным и непонятным.
Каждая схема состоит из элементов, узлов и механизмов, а соединяется это всё при помощи проводов разного цвета и сечения.
Содержание цепи электрической схемы
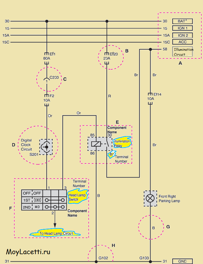
Вот схема для примера
Понятно, что на ней изображено? Если нет, тогда разберёмся по порядку.
Красным пунктиром обведены отдельные элементы схемы и обозначены для наглядности латинскими буквами от А до Н:
- А — верхние горизонтальные линии : Линии электропитания: 30, 15, 15А, 15С, 58. То есть, по этим проводам осуществляется питание схемы. В зависимости, в какое положение повёрнут ключ зажигания — соответственно напряжение подаётся на тот или иной провод
Номер блока питанияСостояние блока питания15Питание от аккумуляторной батареи (В+) при замке зажигания в положении «ON» и «ST» (IGN 1)15AПитание от аккумуляторной батареи (В+) при замке зажигания в положении «ON» (IGN 2)15CПитание от аккумуляторной батареи (В+) при замке зажигания в положении «ON» и «АСС»30Питание от аккумуляторной батареи (В+) непосредственно, независимо от положения замка зажигания31Масса соединена с аккумуляторной батареей (-)58Питание от аккумуляторной батареи (В+) при переключателе фар в положении 1 и 2 (цепь подсветки) - В — Ef20 или F2: номер предохранителя
- Ef20 — предохранитель №20 в блоке предохранителей в моторном отсеке
- F2 — предохранитель №2 в блоке предохранителей в салоне автомобиля
- С — Разъем (С101~С902)
- Разъем № С203 контакт №1
- D — S201: контактная колодка (S101~S303), то есть, S — колодка, а 201 — это её номер
УСЛОВНОЕОБОЗНАЧЕНИЕЗНАЧЕНИЕCРазъемDДиодEfПредохранитель в блоке предохранителей в моторном отсекеFПредохранитель в блоке предохранителей в салоне автомобиляGМассаSКонтактная колодка (соединительный разъем) - Е — Реле и его внутренняя цепь. 85, 86, 87 и 30 — это номера контактов реле. Illumination relay — Реле подсветки. Весь перевод английских обозначений можно посмотреть в здесь Перевод обозначений в схемах автомобилей
- F — Переключатель и его внутренняя схема. Head lamp switch — переключатель фар.
- G — Цвет провода
СокращениеЦветСокращениеЦветBrКоричневыйSbГолубойGЗеленыйRКрасныйVФиолетовыйLСинийPРозовыйYЖелтыйWБелыйGrСерыйOrОранжевыйВЧерныйLgСветло-зеленый. . - Н — Линия заземления GND (масса)
- Положение соединения с массой (G101~G401).
Как определить номер контакта разъёма
Рассмотрим этот вопрос на примере контакта 4 разъёма С901
Как видно, отсчёт контактов ведётся по гнезду разъёма слева направо, а по штекеру — справа налево. Защёлка при счёте должна находиться вверху.
Обозначения элементов на электрических схемах
Вот символьные обозначения элементов, которые можно встретить на схемах
Вооружившись этими простейшими данными, можно прочитать схему и определить, как и каким проводом соединяется тот или иной элемент с остальной цепью электрооборудования.
Если Вы хотите без труда читать более сложные схемы и освоить азы электрооборудования автомобилей, тогда переходите в раздел бесплатная Школа автоэлектрика
По теме в сообществе Мой Лачетти:
Как проверить ДПДЗ и РХХ Шевроле Лачетти 1.6 мультиметром и диагностикой
❤️ Поддержка проекта «Мой Лачетти»
Если материал был полезен — поддержите проект любой суммой. Ваша поддержка помогает чаще выпускать полезные и подробные материалы.
💳 Банковская карта (ПриватБанк): 5168752006675725
✅ ЮMoney: 410012024846042
🔵 WebMoney: Z383535233634
🟢 USDT (TRC20): TBCFwfbAgvPTBfz7n14EAU2VgtdW4vwLt7










